SM481_PLUS_TRM(Ver2.0_CS20.11) - 第28页
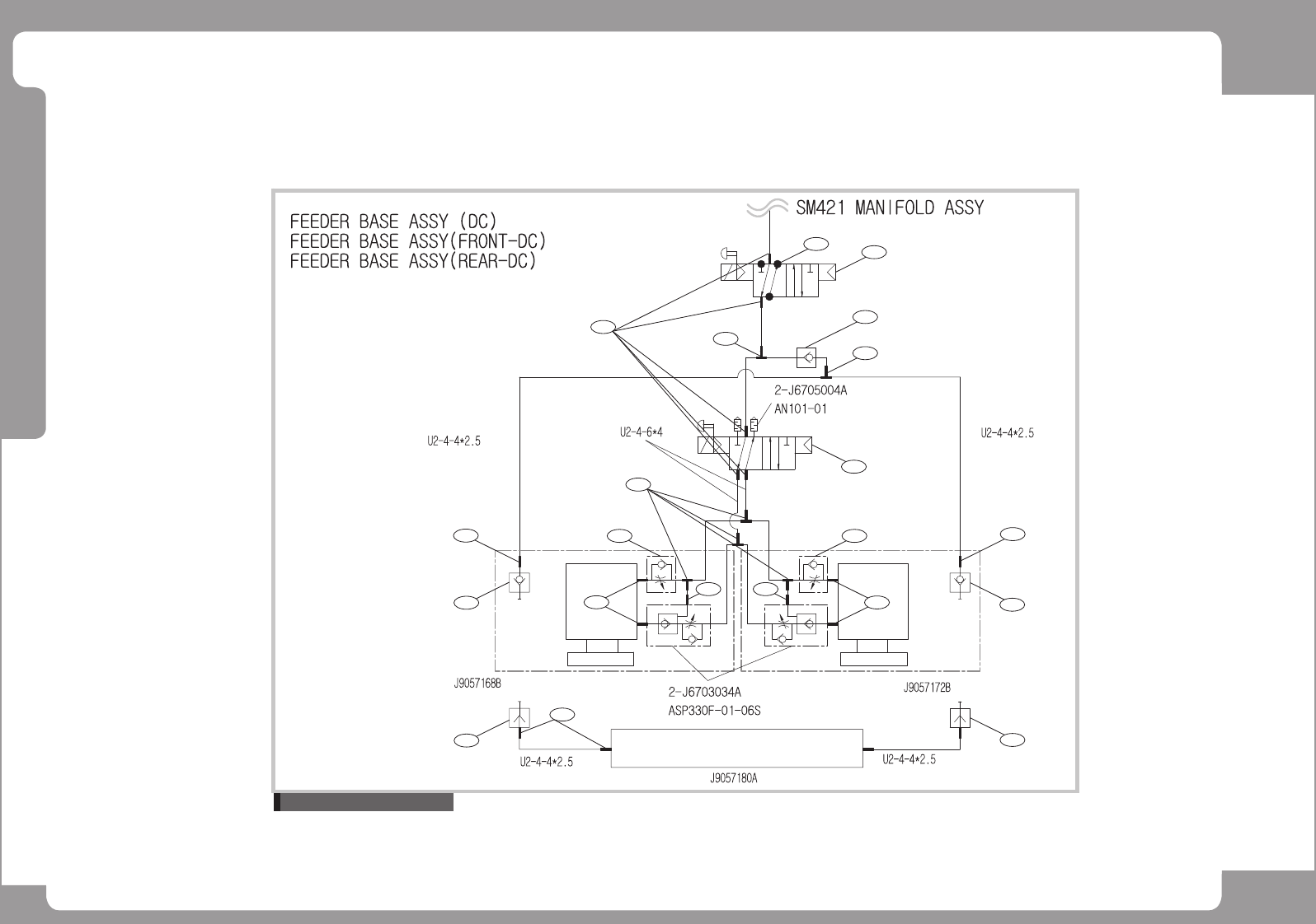
Page +$1:+$ 12 SM481 PLUS Feeder Base Ass’y - DC (4/4) Reference to Air Ass'y ڡۀۀڿۀۍٻڝڼێۀٻڃڟڞڄ 1 1 2 3 3 6 6 2 2 4 5 5 4 10 11 12 7 10 9 8 12

Page
+$1:+$
11
SM481
PLUS
Feeder Base Ass’y - DC (3/4)
NO. Lev. PART NO. PART NAME Q'TY Old No. Reference
1 J91741071A FEEDER_INPUT_EXT_BOARD VER 1.1 1
2 AM03-015857E ASSY,BOARD-FEEDER IO VER 2.0 1 (AM03-000819A / AM03-000819B/
AM03-000819C/ AM03-000819C/ AM03-000819E: ~2016.12)
Old: Version 1.6
New: Version 2.0 (2017.01~)
3 FC09-000977A FRONT SENSOR BKT2 1 J70540267B
4 FC09-000976A FRONT SENSOR BKT1 1 J70540266B/ J70540266C
5 FC29-900144 DRAWER PULL 2
6 FC15-001297A COVER-COVER LFM DC 1

Page
+$1:+$
12
SM481
PLUS
Feeder Base Ass’y - DC (4/4)
Reference to Air Ass'y
ڡۀۀڿۀۍٻڝڼێۀٻڃڟڞڄ
1
1
2
3
3
6
6
2
2
4
5 5
4
10
11
12
7
10
9
8
12

Page
+$1:+$
13
SM481
PLUS
Feeder Base Ass’y - DC (4/4)
NO. Lev. PART NO. PART NAME Q'TY Old No. Supply Supply LT Reference
1 FC14-900724 PLUG 2
2 HP06-900027 FITTING 4
3 HP06-900299 COUPLER 1
4 HP14-900090 SPEED CON 1
5 HP06-900048 ELBOW FITTING 1
6 HP06-900293 ELBOW FITTING 2
7 FC14-900724 PLUG 3
8 HP06-900199 UNION Y FITTING 1
9 HP14-900092 CHECK VALVE 1
10 HP06-900018 FITTING 5
11 HP06-900014 FITTING 5
12 HP14-900026 SOLENOID VALVE 1
AM03-006535B CABLE ASSY-ND-CART DSUB EXT CABLE ASSY 1