JP-001-001e.pdf - 第30页
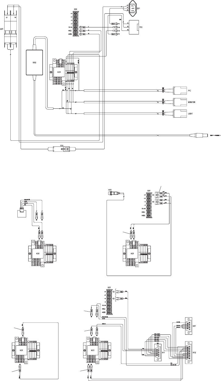
1005-001 28 378 379 378 378 378 378 378 JG-0209J 電装ボックス部 ELECTRICAL BOX SECTION Fig. C-4 電源回路図 Power Supply Circuit Diagram

1005-001
27
378
379
378
378
378
378
378
JG-0209E
電装ボックス部
ELECTRICAL BOX SECTION
Fig. C-4
電源回路図
Power Supply Circuit Diagram

1005-001
28
378
379
378
378
378
378
378
JG-0209J
電装ボックス部
ELECTRICAL BOX SECTION
Fig. C-4
電源回路図
Power Supply Circuit Diagram

1005-001
29
Key No. PART No. PART NAME Q’ty REMARKS New Code
378 6301073293 CABLE JOINT,TERMINAL 4 4 4 932C--010-578 4J300118
379 6300408355 CABLE JOINT,TERMINAL 10 10 10 932C--010-579 4J300050
JG-0209
JG-0209E
JG-0209J
C-4