Utah-94-721002-System-Manual.pdf - 第299页

mä~ëã~ä~Ä póëíÉã=NMM lñÑçêÇ=fåëíêìãÉåíë=mä~ëã ~=qÉÅÜåçäçÖó= Illustrated Parts Catalogue Ef`m=NUMF= Issue 2: November 02 System Common Components MKR= måÉìã~íáÅ=Åçåíêçä=ÅçãéçåÉåíë= = = = = = = = = = = = = = To wafer clamp…

100%1 / 362
mä~ëã~ä~Ä póëíÉã=NMM lñÑçêÇ=fåëíêìãÉåíë=mä~ëã~=qÉÅÜåçäçÖó=
Illustrated Parts Catalogue
Ef`m=NUMF=
System Common Components Issue 2: November 02
MKQ= mêçÖê~ãã~ÄäÉ=içÖáÅ=`çåíêçääÉêë=Emi`ëF=
(2) B&R Analogue Module
(4) PLC Interface PCB
(5) B&R Arcnet Interface
Module
(1) B&R Mini Controller
(3) B&R Digital Module
PLC No. 1
Unit located inside rear left end door
(6) B&R PLC2000
View inside door at right hand end
PLC No. 2
(7) Digital Module
(8) Analogue Input
Module
(9) Analogue Output
Module
(10) Interface
PCB
Item Part No. Description
(1) EXP0699 B&R MINICONT WITH CARDS, NO MEM
(2) EXP0725 B&R ANALOGUE MODULE 41/P 40/P
(3) EXP0730 B&R DIGITAL MODULE 16I/P 16 O/P
(4) MA81Z16005 PLC INTERFACE PCB FOR ANALOG C
(5) EXP0750 B&R ARCNET INTERFACE TYPE- EE32-0
(6) EXP0770 B&R PLC 2000 (PLC No. 2)
(7) EXP0078 DIGITAL MODULE (PLC No. 2)
(8) EXP0072 ANALOGUE INPUT MODULE (PLC No. 2)
(9) EXP0074 ANALOGUE OUTPUT MODULE (PLC No. 2)
10 MA00Z24915 RS232/RJ68 BLUE PLC PCB (PLC No. 2)
Section 0 Page 6 of 12
Printed: 16-Jan-06, 15:55
mä~ëã~ä~Ä póëíÉã=NMM lñÑçêÇ=fåëíêìãÉåíë=mä~ëã~=qÉÅÜåçäçÖó=
Illustrated Parts Catalogue
Ef`m=NUMF=
Issue 2: November 02 System Common Components
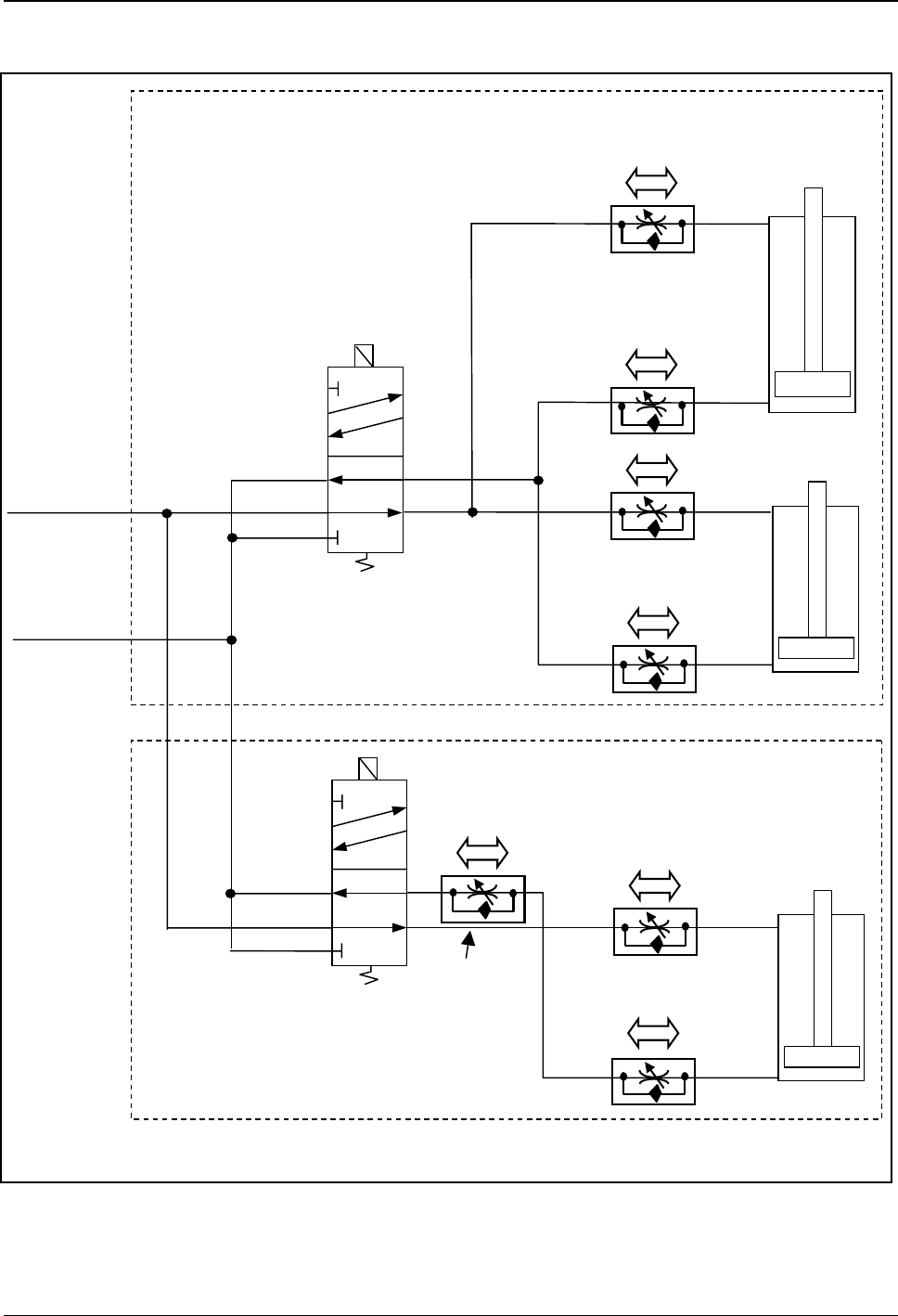
MKR= måÉìã~íáÅ=Åçåíêçä=ÅçãéçåÉåíë=
=
=
=
=
=
=
=
=
=
=
=
=
=
To wafer clamp and
lift circuits
(see page 0.8)
Service
panel
Air IN
Air OUT
R
R
P
A
A
A
A
A
A
6-way SMC assy. SPABR06
G/AIR/VLV/506
Chamber roughing
valve
G/VAC/VLV/125
Turbo backing/purge
valve
G/VAC/VLV/125
Chamber vent valve
GVV0012C
He backing valve
(optional) GVV012C
Turbo gate
valve
G/VAC/VLV/271
(if fitted)
R
P
A
Air reservoir
G/AIR/SUN/002
Restrictor
G/AIR/REG/104
Restrictor
G/AIR/REG/104
G/AIR/VLV/501
G/AIR/VLV/551
Load lock
vent valve
GVV0012C
A
R
P
Foreline vent load lock turbo circuit
R
P
A
Air reservoir
G/AIR/SUN/002
Restrictor
G/AIR/REG/104
Restrictor
G/AIR/REG/104
G/AIR/VLV/501
G/AIR/VLV/551
Chamber
vent valve
GVV0012C
A
R
P
Foreline vent chamber turbo circuit
Energy lock out
valve
G/AIR/VLV/559
Rotary gate
valve
(if fitted)
C.M. gauge isolation
valve GVV0012C
Turbo backing valve
GVV0012C
Note - Air tubing is blue
Printed: 16-Jan-06, 15:55
Section 0 Page 7 of 12
mä~ëã~ä~Ä póëíÉã=NMM lñÑçêÇ=fåëíêìãÉåíë=mä~ëã~=qÉÅÜåçäçÖó=
Illustrated Parts Catalogue
Ef`m=NUMF=
System Common Components Issue 2: November 02
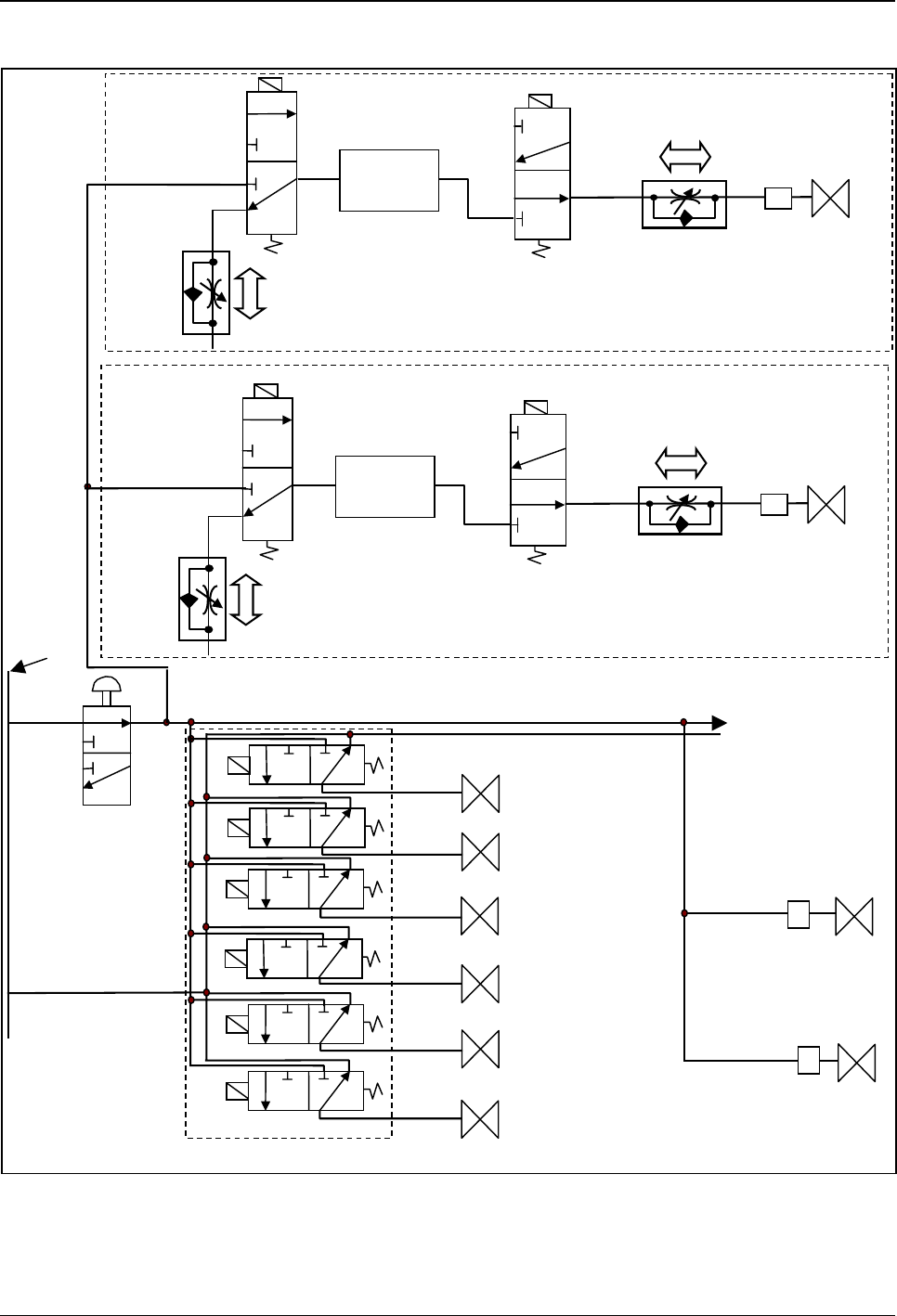
MKR= måÉìã~íáÅ=Åçåíêçä=ÅçãéçåÉåíë=EÅçåíáåìÉÇF
G/AIR/REG/104
G/AIR/REG/104
G/AIR/REG/104
G/AIR/REG/104
G/AIR/REG/104
G/AIR/REG/104
G/AIR/REG/104
Wafer lift
cylinder
G/AIR/CYL/315
Wafer clamp
cylinder
G/AIR/CYL/320
Wafer clamp
cylinder
G/AIR/CYL/320
Wafer clamp
valve
G/AIR/VLV/502
Wafer lift valve
G/AIR/VLV/502
WAFER CLAMP CIRCUIT
WAFER LIFT CIRCUIT
Only fitted if
required to cure
cylinder judder
P
A
B
EA
EB
A
B
EA
P
EB
A
IR IN
A
IR OUT
Note - Air tubing is blue
Section 0 Page 8 of 12
Printed: 16-Jan-06, 15:55