Utah-94-721002-System-Manual.pdf - 第302页

mä~ëã~ä~Ä póëíÉã=NMM lñÑçêÇ=fåëíêìãÉåíë=mä~ëã~=qÉÅÜåçäçÖó= Illustrated Parts Catalogue Ef`m=NUMF= System Common Components Issue 2: November 02 MKT= t~íÉê=Å ççäáåÖ=ÅáêÅìáíë= ICP R.F. GENERATOR TURBO LOWER ELECTRODE ELECT…

100%1 / 362
mä~ëã~ä~Ä póëíÉã=NMM lñÑçêÇ=fåëíêìãÉåíë=mä~ëã~=qÉÅÜåçäçÖó=
Illustrated Parts Catalogue
Ef`m=NUMF=
Issue 2: November 02 System Common Components
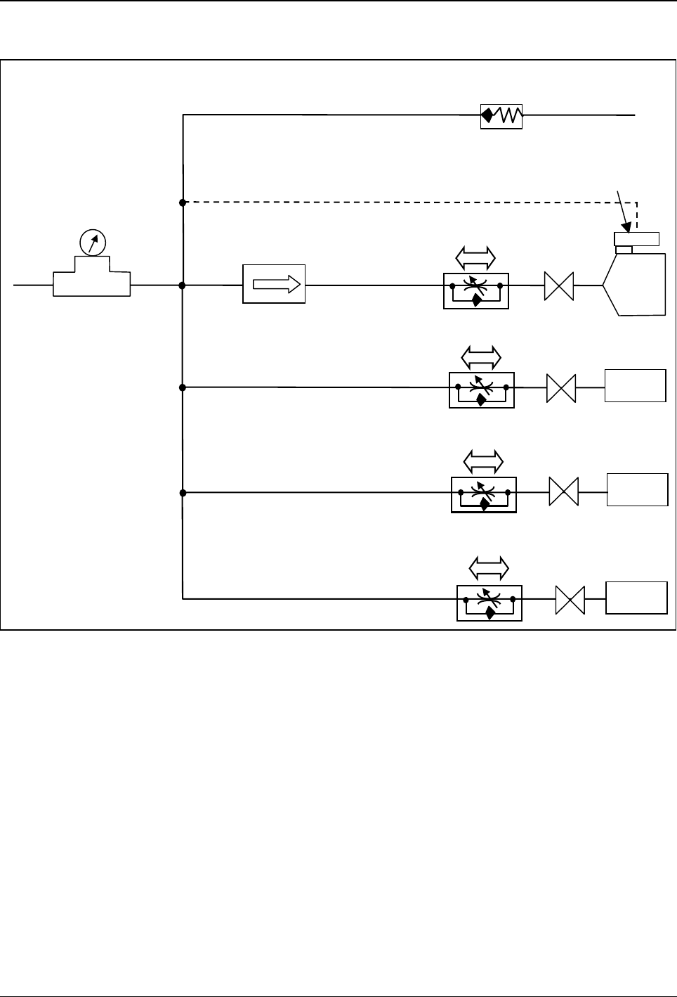
MKS= káíêçÖÉå=é ìêÖÉ=äáåÉ=
=
=
=
=
=
=
Note - Nitrogen tubing is yellow.
Restrictor
G/AIR/REG/106
Turbo
pump
Solenoid switch & T piece
(supplied with Maglev
Turbo only)
Mass flow meter
M/MTR/MFM/003
Gauge
G/AIR/REG/570
Regulator
G/AIR/REG/560
Set to 0.5/0.7 bar
N
2 IN
Turbo
purge
valve
GVV0012C
Air OUT
Chamber
Restrictor
G/AIR/REG/106
Chamber
vent valve
GVV0012C
Foreline
Restrictor
G/AIR/REG/106
Foreline
vent valve
GVV0012C
Check valve
GVV0605
Restrictor
G/AIR/REG/106
Loadlock
vent valve
GVV0012C
(
when fitted
)
Loadlock
Maglev turbo pipe run
=
Printed: 16-Jan-06, 15:55
Section 0 Page 9 of 12
mä~ëã~ä~Ä póëíÉã=NMM lñÑçêÇ=fåëíêìãÉåíë=mä~ëã~=qÉÅÜåçäçÖó=
Illustrated Parts Catalogue
Ef`m=NUMF=
System Common Components Issue 2: November 02
MKT= t~íÉê=ÅççäáåÖ=ÅáêÅìáíë=
ICP R.F. GENERATOR
TURBO
LOWER ELECTRODE
ELECTRODE AMU
(OPTIONAL COOLING)
Service
panel
Flow Switch
G/WTR/FLW/002
Thermocouple
G/GAS/ROT/800
Valve supplied and fitted
with Maglev turbo only
Note – Water tubing is green
Water OUT
Water OUT
Water IN
Water IN
Water IN
Water IN
3/8G
Water OUT
ICP COIL
3/8G
1/4G
1/4G
1/4G
1/4G
1/4G
1/4G
Water OUT
ICP + ICP AMU
Section 0 Page 10 of 12
Printed: 16-Jan-06, 15:55
mä~ëã~ä~Ä póëíÉã=NMM lñÑçêÇ=fåëíêìãÉåíë=mä~ëã~=qÉÅÜåçäçÖó=
Illustrated Parts Catalogue
Ef`m=NUMF=
Issue 2: November 02 System Common Components
MKU= eÉ~íáåÖ=ÅáêÅìáíë
Heater controllers (EXZ0200)
on rear panel (see note below)
4 firerods (G/SUN/HET/010)
one in each corner of upper chamber
Thermocouple
(EQT0002)
attached to
upper chamber
Thermocouple
(EQT0002)
under pump
down heater mat
Pump down heater mat for 200 mm pipe - 450W
(MD91A17964)
Pump down heater mat for 160 mm pipe -
(MD00C23106)
Note:
Temperature controller (EXZ0200) fitted before September 2002. Since September 2002
type EXZ0093SP - Watlow Series 93 temperature controller fitted.
Printed: 16-Jan-06, 15:55
Section 0 Page 11 of 12