Utah-94-721002-System-Manual.pdf - 第317页
mä~ëã~ä~Ä póëíÉã=NMM lñÑçêÇ=fåëíêìãÉåíë=mä~ëã~=qÉÅÜåçäçÖó= Illustrated Parts Catalogue Ef`m=NUMF= Issue 2: November 02 Lower Electrode RKR= içïÉê=ÉäÉÅíêçÇÉ=çéíáçå=ëé~êÉë= OIPT Part No. Qty Description MA91Z21747 1 RIE TA…

mä~ëã~ä~Ä póëíÉã=NMM lñÑçêÇ=fåëíêìãÉåíë=mä~ëã~=qÉÅÜåçäçÖó=
Illustrated Parts Catalogue
Ef`m=NUMF=
Lower Electrode Issue 2: November 02
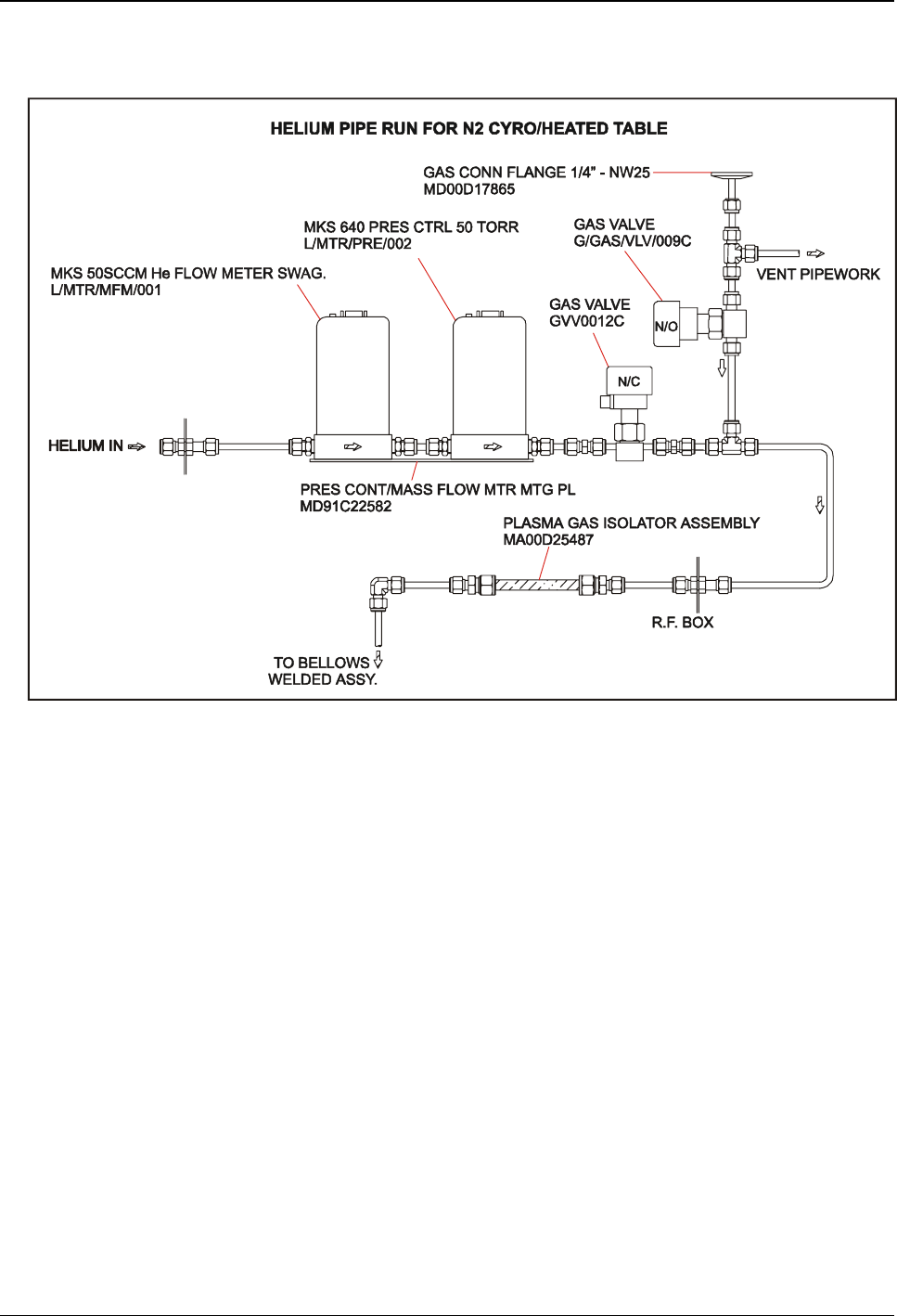
RKQ= eÉäáìã=éáéÉ=êìå=
Section 5 Page 8 of 10
Printed: 16-Jan-06, 15:55

mä~ëã~ä~Ä póëíÉã=NMM lñÑçêÇ=fåëíêìãÉåíë=mä~ëã~=qÉÅÜåçäçÖó=
Illustrated Parts Catalogue
Ef`m=NUMF=
Issue 2: November 02 Lower Electrode
RKR= içïÉê=ÉäÉÅíêçÇÉ=çéíáçå=ëé~êÉë=
OIPT Part No. Qty Description
MA91Z21747 1 RIE TABLE ASSY. (3 PIN LIFT)
MA91C19809 1 BELLOWS WELDED ASSEMBLY
G/SUN/SPG/008 1 SPRING COMP. O/D 31.75 x 50.8 x 2.6
G/AIR/CYL/315 1 AIR CYLINDER CDW2820-15D
EQT0014 1 TYPE 17 Pt RES THERMOMETER
MD91D21723 4 TABLE TOP PLUG
MD91C21712 1 TABLE UPPER SURFACE
RIE HELIUM BACK COOLED LOWER ELECTRODE (100-5-36A)
G/AIR/VLV/502 1 SMC ASSY. VZ3104/5MNZ/01
G/AIR/REG/104 1 IN LINE FLOW REGULATOR AS101F-04
HELIUM PIPE RUN ASSEMBLY (MA91C20442)
L/MTR/MFM/001 1 MKS 5SCCM He FLOW METER SWAG.
L/MTR/PRE/002 1 MKS 640 PRESSURE CONTROLLER, 50 TORR
MA00D25487 1 PLASMA GAS ISOLATOR ASSEMBLY
GVV0012C 1 ¼ SWAGE AIR CLOSED VALVE
G/GAS/VLV/601 1 CHECK VALVE 2PSI ¼" SWAGELOK
G/GAS/FIT/367C 2 10 mm PTFE FERRULE, BACK
G/GAS/FIT/366C 2 10 mm PTFE FERRULE, FRONT
WAFER CLAMP ASSEMBLY 200 PORT (MA91A22537)
MA91D17600 2 PIN WELDED ASSEMBLY
G/AIR/CYL/320 2 20 mm CYLINDER CDQ2B20-20D
G/SEL/O-V/218 2 3.5 x 31.3 mm VITON 'O' RING BS218
G/SUN/SPG/012 6 COMP. SPG. LEE No. LCM-050C-5
G/AIR/CYL/807 2 REED SWITCH SMC No. D-A73L
Printed: 16-Jan-06, 15:55
Section 5 Page 9 of 10

mä~ëã~ä~Ä póëíÉã=NMM lñÑçêÇ=fåëíêìãÉåíë=mä~ëã~=qÉÅÜåçäçÖó=
Illustrated Parts Catalogue
Ef`m=NUMF=
Lower Electrode Issue 2: November 02
NOTES:
Section 5 Page 10 of 10
Printed: 16-Jan-06, 15:55