Utah-94-721002-System-Manual.pdf - 第48页

mä~ëã~ä~Ä póëíÉã=NMM l ñÑçêÇ =fåëíê ìãÉåíë =m ä~ëã~=qÉÅ ÜåçäçÖó== System Manual PKS= VQJNMMJSJRMMLOMM=RMMt=oc=ÖÉ åÉê~íçê=L=lfmq=^jr=âáí= This kit comprises a 500W RF Generator and an OI PT Automatch Unit. The RF generato…

100%1 / 362
System Manual lñÑçêÇ=fåëíêìãÉåíë=mä~ëã~=qÉÅÜåçäçÖó== mä~ëã~ä~Ä póëíÉã=NMM
THERMOCOUPLE
CHAMBER
BASE
WAFER
CLAMP
TABLE
DARK SPACE
SHIELD
TABLE SUPPORT
TUBE
O RING
PUMPDOWN
PIPE FLANGE
FEEDTHROUGH
COMPONENTS
STAINLESS
STEEL
BELLOWS
SPRING
COMPRESSED
AIR CYLINDER
COMPRESSED
AIR CYLINDER
(ONE EACH SIDE
OF CLAMPING
PLATE)
WAFER
LIFT
ASSEMBLY
(FITS INSIDE
TABLE SUPPORT
TUBE)
Clamping
plate
Clamping
ring
Setscrew &
compression
spring (3-off
on each side
of clamping
ring)
3-pin wafer
support
Quartz
insert
SAFETY RELIEF
VALVE
CONTROL VALVE
LIQUID NITROGEN
IN
LIQUID NITROGEN
OUT
HELIUM IN
Fig 3.3: 94-100-5-12A Cryo / heated -150 / 400C He lower electrode
Description
Printed: 22-Mar-06, 7:29 Page 3-11 of 22 UC Davis 94-721001 Issue 1: March 06
mä~ëã~ä~Ä póëíÉã=NMM lñÑçêÇ=fåëíêìãÉåíë=mä~ëã~=qÉÅÜåçäçÖó== System Manual
PKS= VQJNMMJSJRMMLOMM=RMMt=oc=ÖÉåÉê~íçê=L=lfmq=^jr=âáí=
This kit comprises a 500W RF Generator and an OIPT Automatch Unit.
The RF generator produces a 13.56MHz output, which is fed via the automatch unit to the
lower electrode to produce the plasma. The automatch unit adjusts the impedance of its
output to match the impedance of the lower electrode to ensure maximum power transfer.
For details of these units, refer to the manufacturer’s literature in Volume 3 of this manual.
The automatch unit can be manually adjusted if necessary, see Operator Adjustments in
Section 5 of this manual.
PKT= VQJNMMJSJRS=f`m=NUM=fåÇìÅíáîÉäó=`çìéäÉÇ=mä~ëã~=pçìêÅÉ=
The inductively coupled plasma source is 180mm in diameter, which gives uniformity suitable
for use with wafers up to four inches in diameter. An RF generator (3kW 13.56MHz) and
automatch unit are included. A quartz or alumina discharge chamber is supplied, according to
the process specification. For full details of this source, refer to the ICP 180 manual (provided
as a supplement to this manual – refer to the contents list).
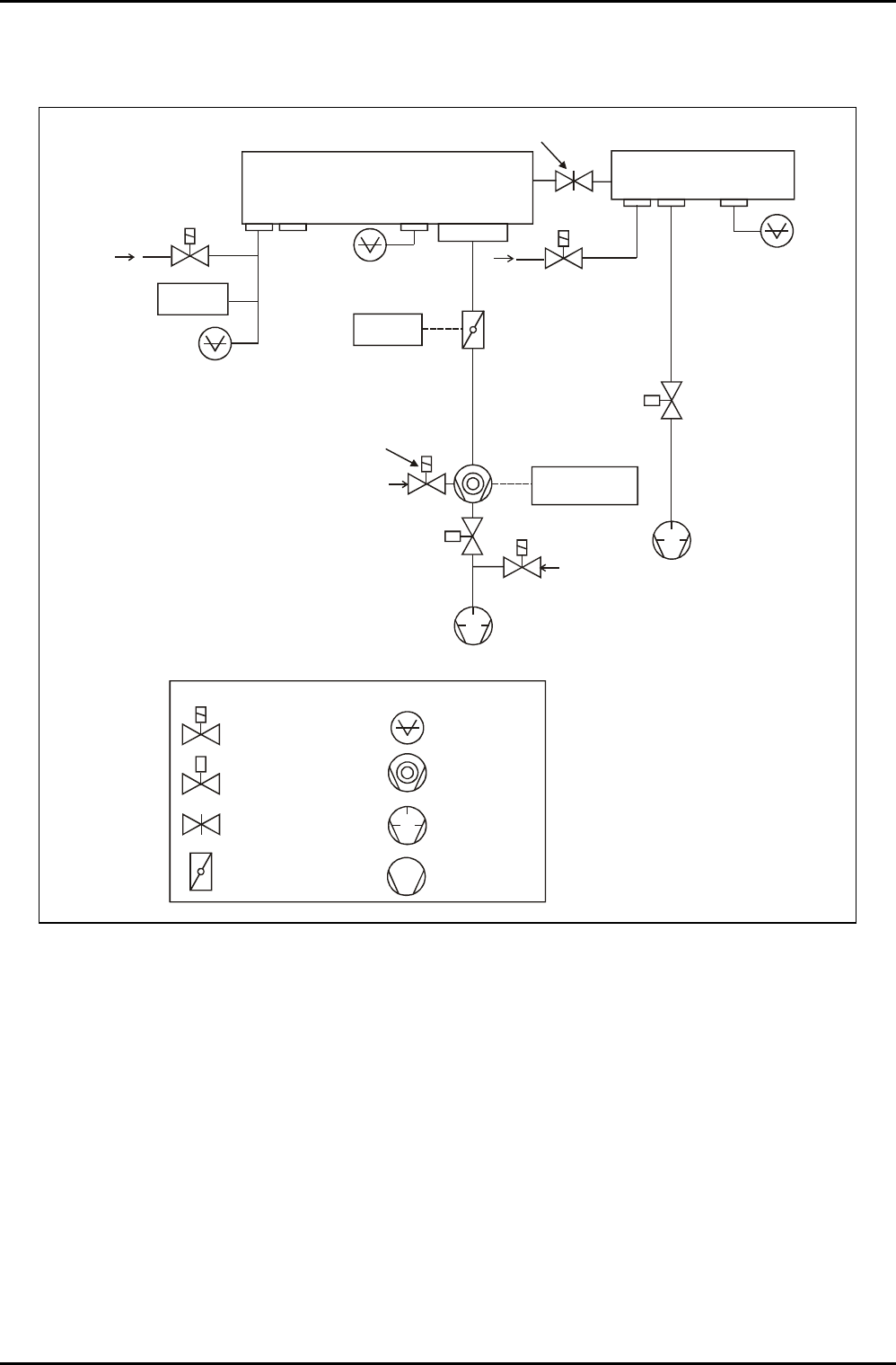
PKU= s~Åììã=ëóëíÉã=
The vacuum system is shown in Fig 3.4.
The process chamber is pumped by an Alcatel ATP900 turbomolecular pump via an Automatic
Pressure Controller (APC). The turbomolecular pump is backed via an isolation valve by an
Alcatel 2063 C2 rotary vane pump.
The process chamber process pressure is measured by a temperature compensated 100-mTorr
Capacitance Manometer gauge. Note that the CM gauge output does not stabilise until it has
been switched on and under vacuum for 15 minutes.
Base pressure is measured by an active Penning gauge, which is disabled at pressures above
10 mTorr.
A Vacuum Switch monitors the chamber pressure. When the pressure falls below 600 mbar, its
contacts close to enable the 24V process line and allow the process gases and the RF to
operate.
The automatic load lock is pumped by an Alcatel 2015 C2 rotary vane pump. A Pirani gauge
measures pressure.
For details of the vacuum pumps and gauges, refer to the manufacturer’s literature in Volume
3 of this manual.
Description
UC Davis 94-721001 Issue 1: March 06 Page 3-12 of 22 Printed: 22-Mar-06, 7:29
System Manual lñÑçêÇ=fåëíêìãÉåíë=mä~ëã~=qÉÅÜåçäçÖó== mä~ëã~ä~Ä póëíÉã=NMM
PROCESS CHAMBER
N
2
N
2
Vacuum
Switch
Turbo
Pump Controller
CM
Gauge
(100-mTorr)
Penning
Gauge
Turbo purge
valve
Backing
valve
Isolating
valve
Slit Valve
Chamber vent
N
2
THIS VALVE IS OPENED WHEN
THE MACHINE IS SWITCHED OFF
AND REMAINS OPEN FOR A
PERIOD SUFFICIENT TO ALLOW
THE FORELINE TO VENT.
NOTE 1:
Foreline
vent
NORMALLY
CLOSED -
SEE NOTE 1
N
2
Load lock
vent
A
UTOMATIC LOAD LOCK
Electromagnetically
operated shut-off valve
Pneumatically
operated shut-off valve
Vacuum gauge
head
Turbomolecular
pump
Sliding vane
rotary vacuum
pump
Roots pump
Gate valve
A
utomatic pressure
controller
KEY
APC
Controller
Pirani
gauge
SEE NOTE 2
NOTE 2:
THE TURBO PURGE LINE IS
FITTED WITH A FLOW METER
TO ALLOW THE FLOW RATE
TO BE MONITORED BY THE
PC 2000 SOFTWARE.
Fig 3.4: UC Davis 94-721001 vacuum system
Description
Printed: 22-Mar-06, 7:29 Page 3-13 of 22 UC Davis 94-721001 Issue 1: March 06