03217894-01-01 E By DEK Electrical Drawings - 第39页
Electrical Drawings 33 185593S2 Issue 21 CAN Distri bution Circuit Diagram 1'& ')25721 $ % & & % $ ' ( ) * +…

32 Electrical Drawings
185593S1 Issue 21 CAN Distribution Circuit Diagram
3$570$,10$&+,1(,212'(
371R
&&7',$*5$0
&$1B/
&$1B+
&$1*1'
3$5713/ 3$5716.3$5713/
&$1B/
&$1B+
&$1*1'
3$5735,17&$55,212'(
371R
&&7',$*5$0
&$1B/
&$1B+
&$1*1'
3$5713/3$5716.
3$5713/
&$1B/
&$1B+
&$1*1'
3$5735,17&$550272512'(
371R
&$1B/
&$1B+
&$1*1'
3$5713/ 3$5716.3$5716.3$5713/
&$1B/
&$1B+
&$1*1'
3$57&21752/(1&/2685(
371R
&&7',$*5$0
3$57
03/
&$132:(59
&$132:(59
&$1B+
&$1B/
3$57
06.
1(;7029(
(6&$5'
3$67(',63(16(12'(
371R
&$1B/
&$1B+
&$1*1'
3$5713/ 3$5716. 3$5713/
&$1B/
&$1B+
&$1*1'
3$5716.
1'&
')25721
$
%
&
&
%
$
'
(
)
*
+
,
'
(
)
*
+
,
$
2)
6+
7,7/(
'5$:,1*180%(5
'$7( ,1,7,$/'&5
/$7(67
,668(
1R
&$1',675,%87,21
&,5&8,7',$*5$0
3$67(',63(16(5237,21,)),77('
3$5716.
5,6,1*7$%/(0272512'(
371R
&$1B/
&$1B+
923
3$5713/3$5716. 3$5716. 3$5713/
&$1B/
&$1B+
&$1*1'
0
6(592
02725
12'(
9
3$573/
3$576.
(;7(16,21/220),77('219L0$&+,1(6
7+$7'2127+$9($6&5((1&/($1(512'(
1HR+R]
3$576&5((1&/($1,212'(
371R
&&7',$*5$0
&$1B/
&$1B+
&$1*1'
3$5713/3$5713/3$5716.16.
1HR+R]
&$1B/
&$1B+
&$1*1'
3$5716.
237,21,)),77('
3$5716.
3$57&$0(5$<0272512'(
371R
&$1B/
&$1B+
&$1*1'
3$5713/ 3$5716. 3$5713/
&$1B/
&$1B+
&$1*1'
3$57&$0(5$;0272512'(
371R
&$1B/
&$1B+
&$1*1'
3$5713/ 3$5716. 3$5713/
&$1B/
&$1B+
&$1*1'
1&
3$5716.
5
127(&$17(50,1$7255(6,6725
,63$572)/22025)259L0$&+,1(
6((&&76+7
127(&$0(5$;<0272512'(6$5(21/<
),77('210$&+,1(6210$&+,1(6
$&$17(50,1$725,6),77('72(,7+(5
13/2)6&5((1&/($112'(,)),77('
(/6(13/2)0$,10$&+,1(12'(
,)),77('6((127(%(/2:
3$576.
3$5713/$
3$5716.
3$573/
<&211(&725
3W1R
352)/2:3$67(&21',7,21
0272512'(
371R
3$5716.$
3$573/
3$5716.
3$5713/
6&5((1&/($1(5237,21,)),77('
0
6(592
02725
12'(
0
67(33(5
02725
12'(
0
67(33(5
02725
12'(
0
6(592
02725
12'(
0
6(592
02725
12'(
12'(1HR+R]
237,216&$1
%(),77('
%(7:((112'(6
$1'
6((6+((7
9$5,286&$112'(6&$1%(),77('%(7:((1
12'(6'(3(1',1*21:+$70$&+,1(
237,216$5(),77('
6((6+((7)25)857+(50$&+,1(237,216
9$5,286237,2166((6+((7,)),77('
176
'5$:1
'$7(
'5$:,1*6&$/(
'21276&$/(
25,*,1$/6&$/(
3/27
&$'
$&7,9(352)/2:237,21,)),77('
THIS DRAWING AND THE
COPYRIGHT IN IT, IS THE
PROPERTY OF ASM ASSEMBLY
SYSTEMS WEYMOUTH Ltd,
IT MAY NOT BE COPIED,
REPRODUCED, PUBLISHED OR
DISCLOSED IN WHOLE
OR IN PART WITHOUT OUR
WRITTEN CONSENT.
COPYRIGHT © BY ASM ASSEMBLY SYSTEMS
WEYMOUTH Ltd

Electrical Drawings 33
185593S2 Issue 21 CAN Distribution Circuit Diagram
1'&
')25721
$
%
&
&
%
$
'
(
)
*
+
,
'
(
)
*
+
,
$
2)
6+
7,7/(
'5$:,1*180%(5
'$7( ,1,7,$/'&5
/$7(67
,668(
1R
&$1',675,%87,21
&,5&8,7',$*5$0
3$57276029,1*5$,/
67(33(512'(
371R
3$575$,/:,'7+
67(33(512'(
371R
&$1B/
&$1B/
&$1B+
&$1B+
&$1*1'
&$1*1'
3$5716.
3$5713/
3$5713/
3$5716.
3$5716.
3$5716.$
3$5716.
3$5716.
&$1B/
&$1B+
&$1*1'
57&/5
3$57%2$5'/2$'
6(59212'(
371R
&$1B/
&$1B+
&$1*1'
3$5716. 3$5713/
&$1B/
&$1B+
&$1*1'
3$5716.
3$5713/%
3$5713/
3$5713/
2761HR+R]237,2121/<
1HR+R]276237,2121/<
1HR+R]276237,2121/<
0
6(592
02725
12'(
0
0
67(33(5
02725
12'(
67(33(5
02725
12'(
3$5716.
3$5716.
3$5716.$
3$5716.
3$57756
12'(
371R
57&5/
3$57%2$5'/2$'
6(59212'(
371R
&$1B/
&$1B/
&$1B+
&$1B+
&$1*1'
&$1*1'
3$5713/
3$5716.
3$5713/
3$5713/
&$1B/
&$1B/
&$1B+
&$1B+
&$1*1'
&$1*1'
0
6(592
02725
12'(
25
25
25
3$5716.
3$57276,212'(
371R
&&7',$*5$03712
&$1B/
&$1B+
&$1*1'
3$5713/
3$5713/
&$1B/
&$1B+
&$1*1'
3$5716.3$5716.
3$5716.
57&237,21,)),77('
3$5716.16.
3$5713/
3$57'8$//$1(
67(33(512'(
371R
&$1B/
&$1B+
&$1*1'
3$5716. 3$5713/
&$1B/
&$1B+
&$1*1'
0
67(33(5
02725
12'(
3$5716.
3$5713/
'8$//$1(237,21,)),77('
3$5716.
3$5716.
/2201275(48,5(':,7+57&0$&+,1(6
7+,1:$)(575$16)(5
6(59212'(
371R
&$1B/
&$1B+
&$1*1'
3$5716. 3$5713/
&$1B/
&$1B+
&$1*1'
0
6(592
02725
12'(
3$5716.
3$5713/
3$5716.
3$5716.
)520
12'(
7212'(
,)),77('
)520
12'(
7212'(
,)),77('6((127(
3$5716.
3$5713/
127(
,)81'(56&5((1&/($1(5127),77('7+(1),716.,1727+(&$0(5$<0272513/+2:(9(5
,),7,6$10$&+,1(:,7+126&5((1&/($1(525+$612527$5<&$0(5$027256
7+(1&211(&77(50,1$725'(.317216.
7+,1:$)(575$16)(5+($9<3$//(77(237,21,)),77('
756237,21,)),77(' 276237,21625,)),77('
176
'5$:1
'$7(
'5$:,1*6&$/(
'21276&$/(
25,*,1$/6&$/(
3/27
&$'
THIS DRAWING AND THE
COPYRIGHT IN IT, IS THE
PROPERTY OF ASM ASSEMBLY
SYSTEMS WEYMOUTH Ltd,
IT MAY NOT BE COPIED,
REPRODUCED, PUBLISHED OR
DISCLOSED IN WHOLE
OR IN PART WITHOUT OUR
WRITTEN CONSENT.
COPYRIGHT © BY ASM ASSEMBLY SYSTEMS
WEYMOUTH Ltd

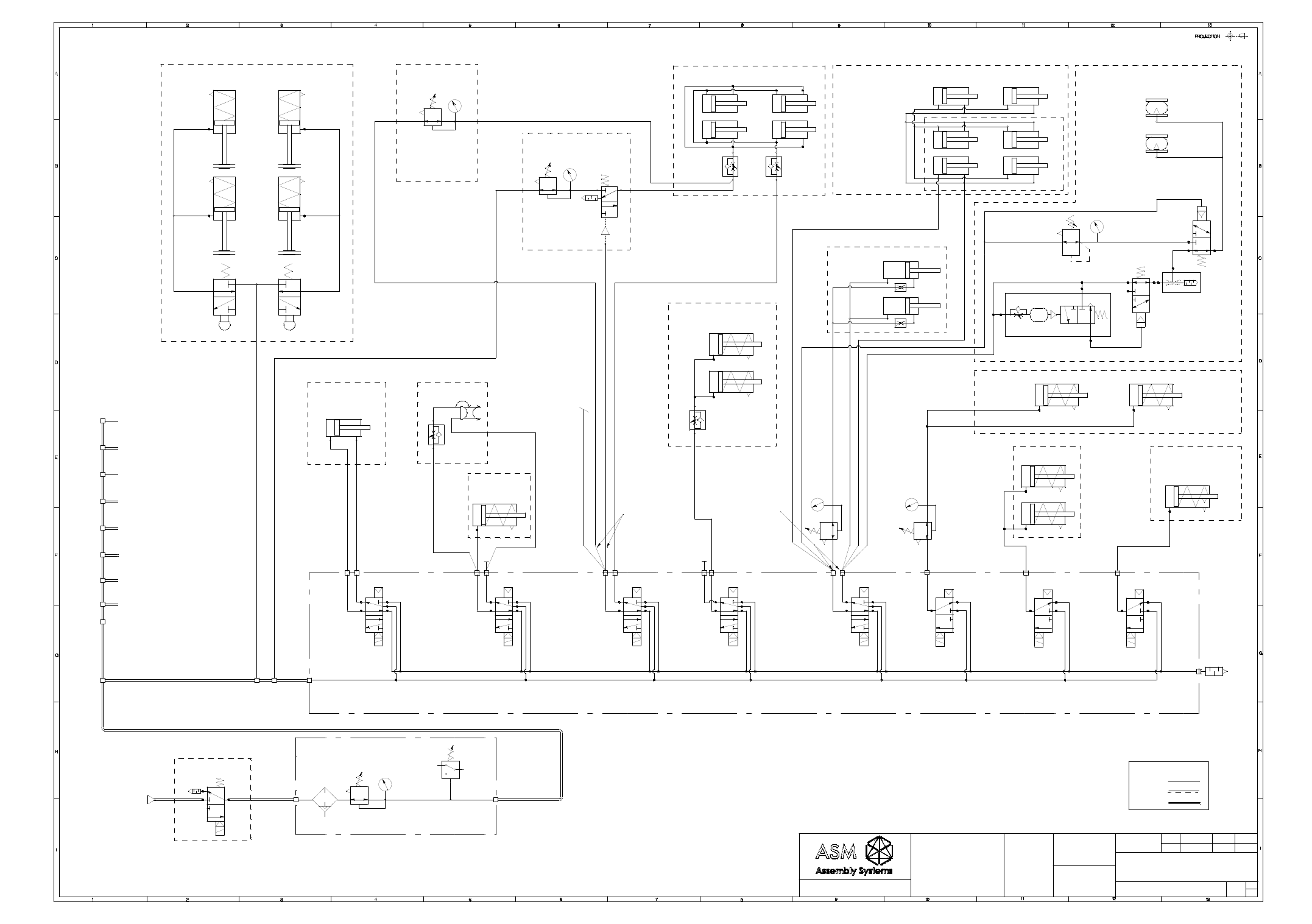
34 Electrical Drawings
188794S1 Issue 22 Pneumatics Circuit Diagram
IN OUT
FILTER / REGULATOR ASSEMBLY
MAINS AIR IN
AT 5 BAR
MINIMUM
TUBING
Ø4.0 :-
Ø8.0 :-
PRESSURE SENSE
P
HEAVY PALETTE RAILS
SNUGGER
RTC VANE CLAMP LIFT SOL/
LID BOLT
SQUEEGEE BAR
SCREEN CLEAN
Ø6.0 :-
ASM SCREEN CLAMPS
AAB
A
B
EbyDEK BOARD CLAMP
BOARD CLAMP
REGULATOR
REGULATOR
BOARD CLAMPS / HEAVY PALETTE
CAMERA MOUNTED
BOARD STOP /
RTC RAIL WIDTH
A
B
16SOL31B
16SOL22
CHASE CLAMPS
SCREEN CLAMPS - STANDARD (6 CLAMPS)
SEE NOTE 1.
SEE NOTE 1
TO GRID-LOK CONTROL UNIT
SEE SHEET 2
REMOTE
BOARD STOP
TO GRID-LOK
CONTROL UNIT
SEE SHEET 2
TO STINGER
SEE SHEET 2
TO O.T.S.
SEE 202994
TO PRINT CARRIAGE MANIFOLD
SEE 197550
OPTION
MACHINED CHASE ONLY
(4 CLAMPS)
TO SNUGGERS
SEE SHEET 2
PNEUMATIC DUMP VALVE
NOTE: ONLY FITTED ON MACHINES
EQUIPPED WITH M39 EMO
12
12
RAIL CLAMPS
LEFT
RAIL CLAMPS
RIGHT
ASM RAIL LOCK
TO TRS
SEE 212335
TO HTC AUX. CONVEYORS (OPTIONAL)
SEE SHEET 2
1
2
1
2
14
1
2
3
IN
IN
OUT
OUT
TO VENTURI VACUUM
SEE SHEET 2
2
1
23
45
A
B
16SOL14
2
1
23
45
A
B
16SOL10
2
1
23
45
16SOL08
1
23
45
A
B
16SOL07
2
1
23
45
1
3
2
16SOL31A
1
3
2
16SOL03
1
3
2
RTC OUTROAD
BOARD STOP
1
3
2
NDC
22
0
PNEUMATICS
A
OF
SH.
TITLE
DRAWING NUMBER
DATE INITIALDCR
LATEST
ISSUE
No.
188794
1
2
DWG^CIRCUIT DIAGRAM^
29/03/2018
44942
M. PHILPOT
08/01/04
NTS
DRAWN
DATE
DRAWING SCALE
DO NOT SCALE
ORIGINAL SCALE
(PLOT)
(CAD) 1:1
THIS DRAWING AND THE COPYRIGHT
IN IT, IS THE PROPERTY OF ASM
ASSEMBLY SYSTEMS WEYMOUTH
Ltd, IT MAY NOT BE COPIED,
REPRODUCED, PUBLISHED OR
DISCLOSED IN WHOLE OR IN PART
WITHOUT OUR WRITTEN CONSENT.
COPYRIGHT © BY ASM ASSEMBLY SYSTEMS
WEYMOUTH Ltd
NOTE:-
ONLY ONE CONNECTION
WILL BE MADE DEPENDING
ON THE CHASE TYPE
FITTED.
AWSM 2 SCREEN CLAMPS
NOTE:-
ONLY ONE CONNECTION
WILL BE MADE DEPENDING
ON PRINTER TYPE.