03217894-01-01 E By DEK Electrical Drawings - 第42页
36 Electrical Drawings 190633 Issue 9 Rising T able Circuit Diagram 1'& $ % & & % $ ' ( ) * + , ' ( ) * + , $ 2) 6+ 7,7/( '5$:…

Electrical Drawings 35
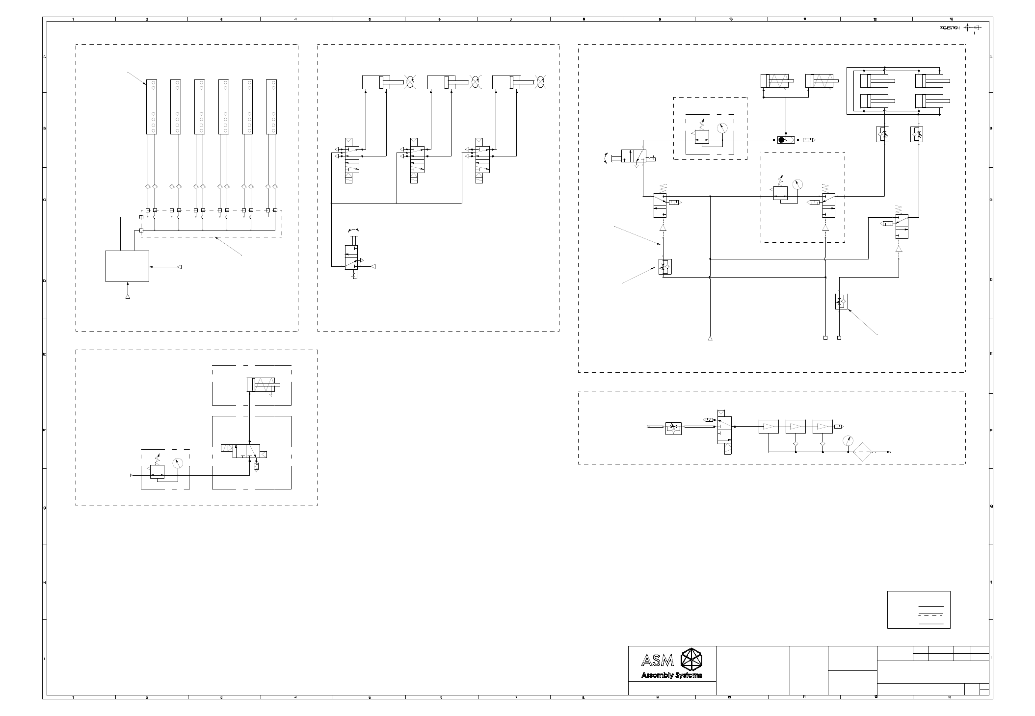
188794S2 Issue 22 Pneumatics Circuit Diagram
FROM
MAIN AIR SUPPLY
SHEET 1
HTC AUX CONVEYOR BOARD STOPS
L-R DIR.= L/H D'LINE B. STOP
R-L DIR.= L/H UPLINE B. STOP
TUBING
Ø4.0 :-
Ø8.0 :-
Ø6.0 :-
AB
FROM
16SOL10
SHEET 1
BOARD CLAMPS
PRESSURE CONTROL
IN
OUT
SNUGGERS ON
SNUGGERS
SNUGGERS OPTION
NOTE:
THIS TUBE TO BE
0.5 TO 1M LONG
SNUGGER
DELAY
CONTROL
UNCLAMP DELAY CONTROL
FITTED AT SOLENOID
VALVE ON REAR OF M/C
GRID-LOK MANIFOLD
TOOLING MODULES
FROM
MAIN AIR SUPPLY
SHEET 1
GRID-LOK
CONTROL
UNIT
FROM
16SOL10 PORT A
SHEET 1
GRID-LOK TOOLING OPTION
TO AIR
SUPPLY
SEE SHT 1
FROM
MAIN AIR SUPPLY
SHEET 1
12
12
1
2
1
2
14
1
2
3
2
11
BOARD CLAMP
REGULATOR
14
1
2
3
IN
OUT
14
1
2
3
M27SOL02 M27SOL01 M27SOL03
L-R DIR.= R/H UPLINE B. STOP
R-L DIR.= R/H D'LINE B. STOP
L-R DIR.= R/H D'LINE B. STOP
R-L DIR.= L/H D'LINE B. STOP
1
2
2
3
4
5
1
2
3
1
2
3
4
5
1
2
3
4
5
1
2
3
FROM
MAIN AIR SUPPLY
SHEET 1
IN
OUT
STINGER CONTROL UNIT
STINGER DISPENSE
STINGER OPTION
TO VACUUM TOOLING
VENTURI VACUUM (OPTIONAL)
12
1
3
2
1
3
2
FROM
MAIN AIR SUPPLY
SHEET 1
NDC
22
0
PNEUMATICS
A
OF
SH.
TITLE
DRAWING NUMBER
DATE INITIALDCR
LATEST
ISSUE
No.
188794
2
2
DWG^CIRCUIT DIAGRAM^
29/03/2018
44942
M. PHILPOT
08/01/04
NTS
DRAWN
DATE
DRAWING SCALE
DO NOT SCALE
ORIGINAL SCALE
(PLOT)
(CAD) 1:1
THIS DRAWING AND THE COPYRIGHT
IN IT, IS THE PROPERTY OF ASM
ASSEMBLY SYSTEMS WEYMOUTH
Ltd, IT MAY NOT BE COPIED,
REPRODUCED, PUBLISHED OR
DISCLOSED IN WHOLE OR IN PART
WITHOUT OUR WRITTEN CONSENT.
COPYRIGHT © BY ASM ASSEMBLY SYSTEMS
WEYMOUTH Ltd

36 Electrical Drawings
190633 Issue 9 Rising Table Circuit Diagram
1'&
$
%
&
&
%
$
'
(
)
*
+
,
'
(
)
*
+
,
$
2)
6+
7,7/(
'5$:,1*180%(5
'$7( ,1,7,$/'&5
/$7(67
,668(
1R
':*A&,5&8,7',$*5$0A
5,6,1*7$%/(
3$57&21752/(1&/2685(
371R
&&7',$*5$0
3$573&
43W1R
&&7',$*5$0
+3&:(63W1R
&&7',$*5$0
+(%'3W1R
&&7',$*5$0
86%
6.
86%
3$57352&(6625&$5'
06.
9'&
9
9
9'&
3$57
03/
3$57
06.
3$5732:(56833/<(1&/2685(
371R
371R(6(5,(6
&&7',$*5$0
3$57
03/
&$1B+
9'&
9
&$1B/
3$57
06.
6(
7$%/(+20(
)25.2372
287
9
6(
9
287
0
5,6,1*7$%/(0272512'(
371R
3/
1(;7029(
(6&$5'
03/
6(
5$,//,)7('/()7
6(
9
287
6(
5$,//,)7('5,*+7
6(
9
287
3$57
3/
3$57
6.
3$57
3/
3$57
6.
3$57
03/
3$57
06.
3$57
03/
3$57
06.
9
9
',*,1
9
9
',*,1
3$57
3$57
6(592'&6833/<
95(7851
8602725/2*,&
13/
16.
16.
&$1287
13/
&$1B/
&$1B+
&$1*1'
13/
&$1B+
9
9'&
16.
9
6,*1$/
9
16.
13/
0
&$1B/
7235,17&$55,$*(
,212'(
/
/
/
/
56&5((1
176
'5$:1
'$7(
'5$:,1*6&$/(
'21276&$/(
25,*,1$/6&$/(
3/27
&$'
THIS DRAWING AND THE
COPYRIGHT IN IT, IS THE
PROPERTY OF ASM ASSEMBLY
SYSTEMS WEYMOUTH Ltd,
IT MAY NOT BE COPIED,
REPRODUCED, PUBLISHED OR
DISCLOSED IN WHOLE
OR IN PART WITHOUT OUR
WRITTEN CONSENT.
COPYRIGHT © BY ASM ASSEMBLY SYSTEMS
WEYMOUTH Ltd

Electrical Drawings 37
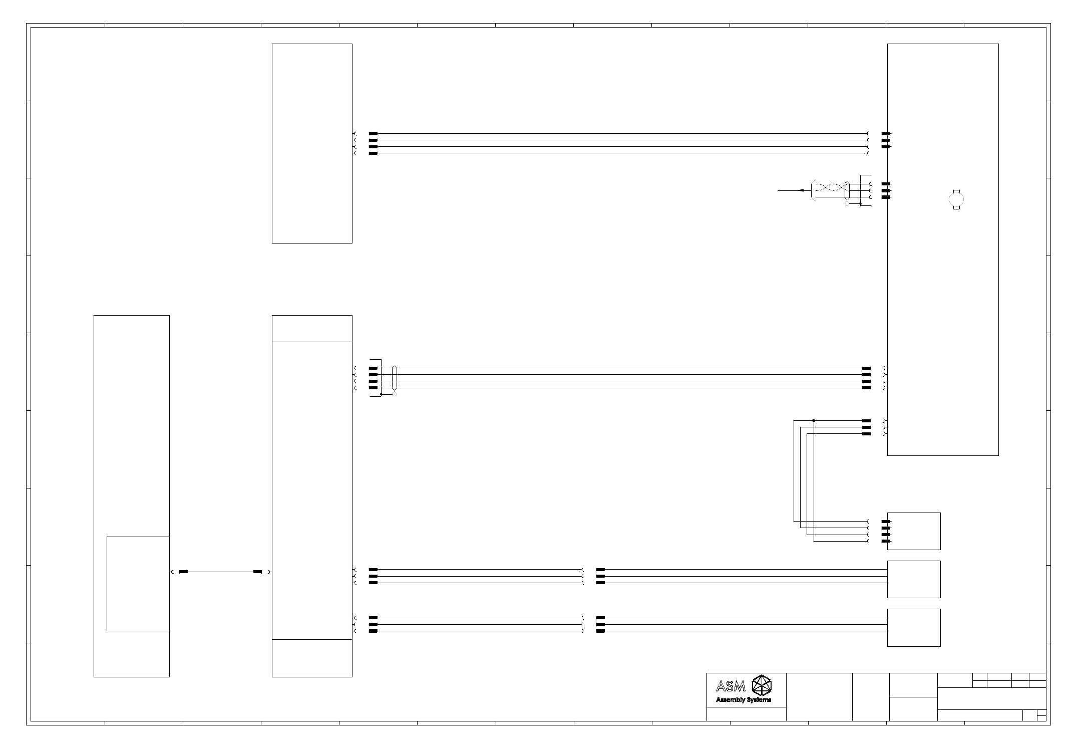
197550 Issue 4 Print Carriage Pneumatic Circuit Diagram
NTS
1
1
197550
D GREEN
03/09/08
DRW^CCT DIAGRAM^
TUBING
Ø4.0 :-
Ø8.0 :-
Ø6.0 :-
ALL VERSIONS OF PROFLOW EVOLUTION
REQUIRE SOL30 TO BE FITTED TO THE PRINT
CARRIAGE.
PRINT CARRIAGE^PNEUMATICS
FROM
188794
SHEET 1
PRO-FLOW + SCAR OPTION
B
AA
9SOL29
SCREEN LOAD ACTUATOR
A
9SOL27
AUTO DRIP TRAY
AB
9SOL25
PASTE DISPENSE TILT
PASTE DISPENSE
WITH NO PRO-FLOW ATX OPTION FITTED
PASTE DISPENSE OPTION
AB
AA
9SOL28
9SOL26
AB
AND PASTE DISPENSE OPTION FITTEDWITH BOTH PRO-FLOW ATX OPTION
PRO-FLOW ATX
WITH NO PASTE DISPENSER OPTION FITTED
PRO-FLOW ATX OPTION
FROM
9SOL26
PORT A
PRO-FLOW PASSIVE 3 CARTRIDGE OPTION
PRO-FLOW PASSIVE 2 CARTRIDGE OPTION
PRO-FLOW PASSIVE SINGLE CARTRIDGE OPTION
ONLY FITTED
WITH PRO-FLOW
ATX OPTION
1
2
1
2
1
2
1
2
1
2
1
2
1
2
2
11
2
1
2
2
3
4
5
1
2
2
3
4
5
1
2
2
3
4
5
1
2
2
3
4
5
1
2
2
3
4
5
2
BB
FROM
9SOL30
PORT A
TO
9SOL30
PORT A
FROM
9SOL30
PORT A
FROM
9SOL30
PORT A
IN
OUT
14
FROM
9SOL30
PORT A
TO
OPTIONS
JAR RELEASE
IN
IN
OUT
OUT
FROM
9SOL26
PORT B
FROM
9SOL26
PORT A
FROM
9SOL26
PORT A
TO
OPTIONS
SCAR
UNIT
9SOL30
1
2
2
3
4
5
22
1
2
3
4
5
WITH NO PRO-FLOW ATX OPTION FITTED
SOLDER JAR DISPENSER
THIS DRAWING AND THE COPYRIGHT
IN IT, IS THE PROPERTY OF ASM
ASSEMBLY SYSTEMS SWITZERLAND
GmbH, IT MAY NOT BE COPIED,
REPRODUCED, PUBLISHED OR
DISCLOSED IN WHOLE OR IN PART
WITHOUT OUR WRITTEN CONSENT.
COPYRIGHT © BY ASM ASSEMBLY SYSTEMS
SWITZERLAND GmbH