PTS-XPFS-02JE - 第145页
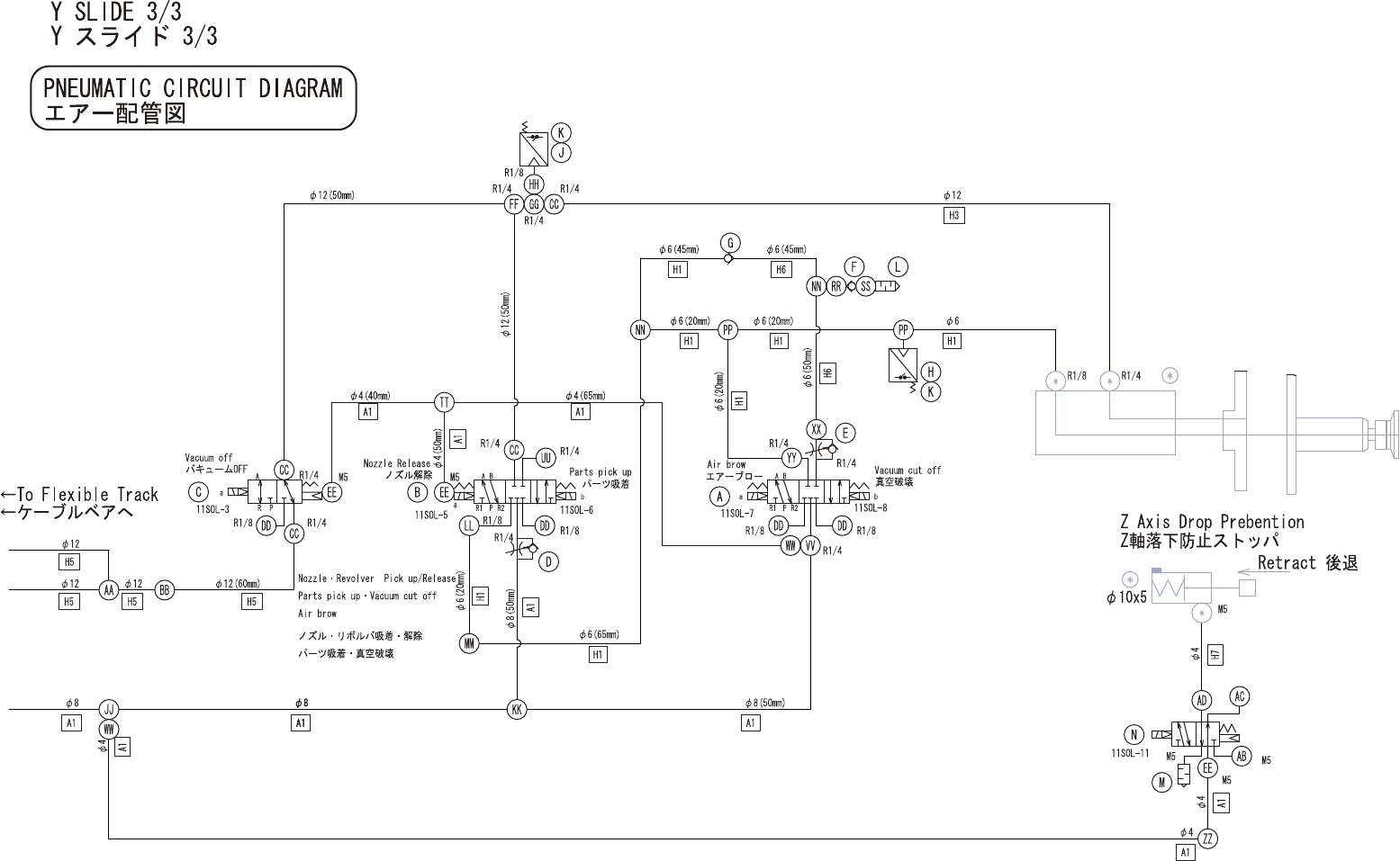
Y SLIDE 3/3 Y スライド 3/3 AGGSY9013 No. Drg.No. & Code No. QTY Description Rating Materials Remarks 番号 図番 & コード番号 個 数 品名 規格 材質 備考 A H1124G 1 VALVE, SOL バルブ SOL VQZ3321-5M-02 OT B H1124E 1 VALVE, SOL バルブ SOL VQZ3321…

AGGSY9013
144
PTS-XPFS-02JE

Y SLIDE 3/3
Y スライド 3/3
AGGSY9013
No. Drg.No. & Code No. QTY Description Rating Materials Remarks
番号 図番 & コード番号 個数 品名 規格 材質 備考
A H1124G 1 VALVE, SOL バルブ SOL VQZ3321-5M-02 OT
B H1124E 1 VALVE, SOL バルブ SOL VQZ3321R-5M-02 OT
C H1124F 1 VALVE, SOL バルブ SOL VQZ342R-5M-02 OT
D K5346T 1 CONTROLLER, SPEED コントローラ スピード AS2211F-02-08S OT
E K5343A 1 CONTROLLER, SPEED コントローラ スピード AS2201F-02-06S OT
F H1052B 1 VALVE, CHECK バルブ チェック AKH08-00 OT
G H10518 1 VALVE, CHECK バルブ チェック AKH06-00 OT
H S40332 1 SENSOR, PRESSURE センサ 圧力 PSE543-R06 OT
J S40331 1 SENSOR, PRESSURE センサ 圧力 PSE543-01 OT
K S40330 2 SENSOR, PRESSURE センサ 圧力 PSE304-ML OT
L S10581 1 SILENCER サイレンサ AN200-KM8 OT
M S1058A 1 SILENCER サイレンサ AN120-M5 OT
N H1124B 1 VALVE, SOL バルブ SOL VQZ1121-5M-C4 OT
AA A4066W 1 ELBOW エルボ KQ2LU12-00 OT
BB A40684 1 ELBOW エルボ KQ2L12-00 OT
CC Y3081C 4 UNION, ELBOW ユニオン エルボ KQ2L12-02S OT
DD A3034A 4 PLUG 埋栓 PT1/8 OT
EE Y3049G 3 UNION, ELBOW ユニオン エルボ KJL04-M5(シロ) OT
FF Y3044X 1 UNION, ELBOW ユニオン エルボ KQ2VD12-02S OT
GG A41510 1 ELBOW エルボ SUTPT8A OT
HH A41513 1 ELBOW エルボ SUTPB12 OT
JJ Y3071H 1 UNION ユニオン KQ2T08-00 OT
KK Y3077L 1 UNION, ELBOW ユニオン エルボ KQ2LU08-00 OT
LL Y3049W 1 UNION, ELBOW ユニオン エルボ KJL06-01S(シロ) OT
MM Y30775 1 UNION, ELBOW ユニオン エルボ KQ2L06-00 OT
NN Y3037S 2 UNION ユニオン KQ2D06-00 OT
PP Y3070A 2 UNION ユニオン KQ2T06-00 OT
RR N2033W 1 NIPPLE ニップル KQ2N06-08 OT
SS A4066R 1 ELBOW エルボ KQ2L08-99 OT
TT Y30742 1 UNION ユニオン KQ2U04-00 OT
UU A3033A 1 PLUG 埋栓 PT1/4 OT
VV Y3081K 1 UNION, ELBOW ユニオン エルボ KQ2VD08-02S OT
WW A4066S 2 ELBOW エルボ KQ2L04-08 OT
XX Y3079H 1 UNION, ELBOW ユニオン エルボ KQ2L06-99 OT
YY Y3079A 1 UNION, ELBOW ユニオン エルボ KQ2L06-02S OT
ZZ Y3077R 1 UNION, ELBOW ユニオン エル
ボ
KQ2L04-00 OT
145
PTS-XPFS-02JE

REVERSE FLOW
AA
BB
AA
BB
CC
CC
DD
EE
DD
EE
24
25
46
75
79
82
34
26
73
89
27
86
77
36
30
81
48
84
2
11
12
20
23
13
18
14
13
15
17
19
8
9
5
4
61
62
49
50
52
31
63
53
71
51
56
60
59
58
55
33
72
70
65
68
67
64
46
75
78
48
74
41
39
37
37
43
38
70
78
80
76
81
80
77
76
66
85
69
32
35
28
29
40
47
54
57
47
83
1
3
6
7
10
22
21
87
88
87
88
74.1
43.1
38.1
45
90
91
92
93
94
95
96
97
98
99
100
101
107
108
105
106
109
111
110
112
113
16
16.1
16.2
11.1
120
121
122
123
124
125
126
127
128
129
130
131
AGGQC9004
146
PTS-XPFS-02JE