PTS-XPFS-02JE - 第70页
AGGAB9502 70 PTS-XPFS-02JE

This page intentionally blank.
69
PTS-XPFS-02JE

AGGAB9502
70
PTS-XPFS-02JE

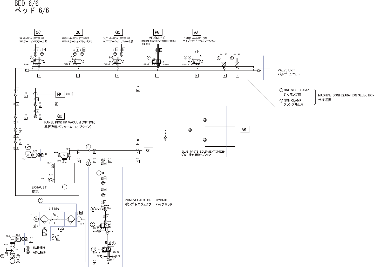
BED 6/6
ベッド 6/6 AGGAB9502
No. Drg.No. & Code No. QTY Description Rating Materials Remarks
番号 図番 & コード番号 個数 品名 規格 材質 備考
AA S5023H 1 SOCKET ソケット 30SH OT
BB K1086T 1 COUPLER カプラ 30PM OT
CC H1046A 1 VALVE, STOP バルブ ストップ A3/8X100 OT
DD H1059T 1 VALVE, BALL バルブ ボール RP-LL-3/8 ロックハンドルツキ OT
EE K2027R 1 KEY キー C1000-50 OT
FF H1282A 3 PIPE, DOUBLE ENDED パイプ 両口 3/8X 25 OT
GG A4061A 1 ELBOW エルボ 39149 OT
HH Y30666 1 UNION ユニオン KQ2E10-03 OT
JJ A4066H 2 ELBOW エルボ KQ2L10-99 OT
KK Y3081A 1 UNION, ELBOW ユニオン エルボ KQ2L10-03S OT
LL Y31017 1 UNION, ELBOW ユニオン エルボ KQ2Z10-03S OT
MM Y3121A 1 UNION, ELBOW ユニオン エルボ KQ2VS04-01S OT
NN Y3077Z 1 UNION, ELBOW ユニオン エルボ KQ2L04-M5 OT
PP Y30682 6 UNION ユニオン KQ2R04-06 OT
RR Y3080A 3 UNION, ELBOW ユニオン エルボ KQ2L10-02S OT
SS A3034A 3 PLUG 埋栓 PT1/8 OT
TT H3145S 1 PLUG プラグ KQ2P-10 OT
UU Y3085A 1 UNION, HALF ユニオン ハーフ KQ2H10-02S OT
VV Y3081D 1 UNION, ELBOW ユニオン エルボ KQ2L12-03S OT
WW A40684 2 ELBOW エルボ KQ2L12-00 OT
XX Y3035C 1 UNION ユニオン KQ2U12-00 OT
YY T4042A 1 TEE ティー 39149 OT
ZZ K50769 1 CONNECTOR コネクタ KQ2U12-03S OT
AB Y3079X 1 UNION, ELBOW ユニオン エルボ KQ2L08-03S OT
AC A3036B 1 PLUG 埋栓 PT3/8(ステンレス) OT
AD Y3081G 1 UNION, ELBOW ユニオン エルボ KQ2L16-03S OT
AE A40687 1 ELBOW エルボ KQ2L16-99 OT
AF A4066R 1 ELBOW エルボ KQ2L08-99 OT
AG Y30662 1 UNION ユニオン KQ2E08-02 OT
AH H1216A 1 PIPE, DOUBLE ENDED パイプ 両口 1/4X 35 OT
AJ A4053A 1 ELBOW エルボ 39086 OT
AK Y3074W 2 UNION ユニオン KQ2T10-08 OT
AL K50767 1 CONNECTOR コネクタ KQ2U08-10 OT
AM Y3071H 1 UNION ユニオン KQ2T08-00 OT
AN Y3077L 2 UNION, ELBOW ユニオン エルボ KQ2LU08-00 OT
AP K2007Z 2 CAP キャップ KQ2C08-00 OT
AQ Y30744 2 UNION ユニオン KQ2U04-06 OT
AR K50766 1 CONNECTOR コネクタ KQ2U06-08 OT
71
PTS-XPFS-02JE