P-0217-001 - 第109页
0301-001 Key N o. P AR T No. P AR T NAME Q’ty REMARKS NOTE 107 N-2 PF-321 1 101 630 1 10 2535 P L A T E 1 755N--010-101 10 3 630 101 2582 SHAFT 1 7 5 5N--010-103 10 5 630 103 8308 BRACKET 1 75 5N--010-105 10 8 630 1 10 4…

0301-001
106
テープフィーダ TAPE FEEDER
PF-3211 PF-3211
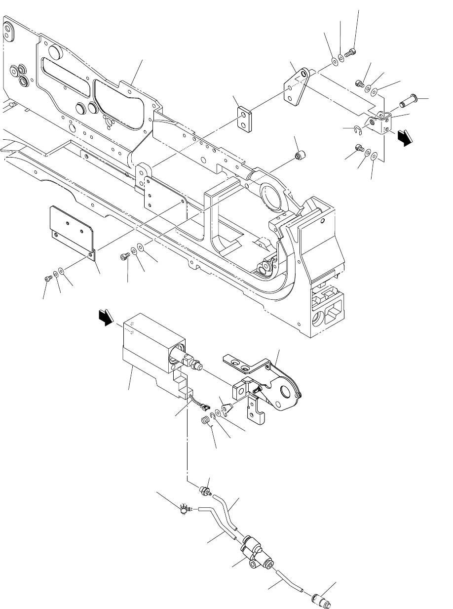
Fig. N-2 テープ送り部 Tape Feeder Driving Section
101
See Fig.N-1
Key No.1
See Fig.N-6
Key No.521
See Fig.N-1
Key No.18
128
127
121
117
114
115
103
105
120
109
108
119
110
113
117
118
115
114
112
111
114
115
122
125
A
A
130
152
116
133
129
131
114
115
126
Fig.N-2

0301-001
Key No. PART No. PART NAME Q’ty REMARKS
NOTE
107
N-2
PF-3211
101 630 110 2535 PLATE 1 755N--010-101
103 630 101 2582 SHAFT 1 755N--010-103
105 630 103 8308 BRACKET 1 755N--010-105
108 630 110 4287 ASSY,LEVER 1 755N--010-108
109 630 041 4912 LEVER(RATCHET CLICK) 1 755N--010-109
110 630 039 3033 SPRING,TORSION 1 755N--010-110
111 630 103 6595 PIN,GUIDE 1 755N--010-111
112 630 000 7510 BOLT,HEX-SCT 1 755N--010-718
113 630 036 8444 PIPE FITTINGS 1 755N--010-113
114 411 141 2806 WASHER SPR 3 5 755N--010-114
115 411 141 3902 WASHER V 3X7X0.5 5 755N--010-115
116 411 041 8908 SCR PAN 3X6 2 755N--010-042
117 630 000 7503 BOLT,HEX-SCT 2 755N--010-117
118 411 000 9809 RING E 3 1 755N--010-118
119 411 000 9304 RING E 2 1 755N--010-119
120 411 141 5807 WASHER F 3X6X0.5 1 755N--010-120
121 630 000 7633 BOLT,HEX-SCT 2 755N--010-121
122 630 110 2924 CYLINDER 1 755N--010-122
125 630 110 2542 SPACER 1 755N--010-125
126 630 110 2696 BRACKET 1 755N--010-126
127 411 141 2905 WASHER SPR 4 2 755N--010-035
128 411 141 4008 WASHER V 4X9X0.8 2 755N--010-036
129 630 119 7517 TUBE 1 755N--010-129
130 630 119 7524 TUBE 1 755N--010-130
131 630 119 7548 TUBE 1 755N--010-131
133 630 003 7692 PIPE FITTINGS 1 755N--010-811
152 630 113 8121 ASSY,CORD 1

0301-001
108
テープフィーダ TAPE FEEDER
PF-3211 PF-3211
Fig. N-3 送りギア部 Feeder Gear Section
204
203
209
213
215
220
220
214
216
See Fig.N-1
Key No.1
See Fig.N-2
Key No.108
202
Fig.N-3
212