P-0217-001 - 第118页
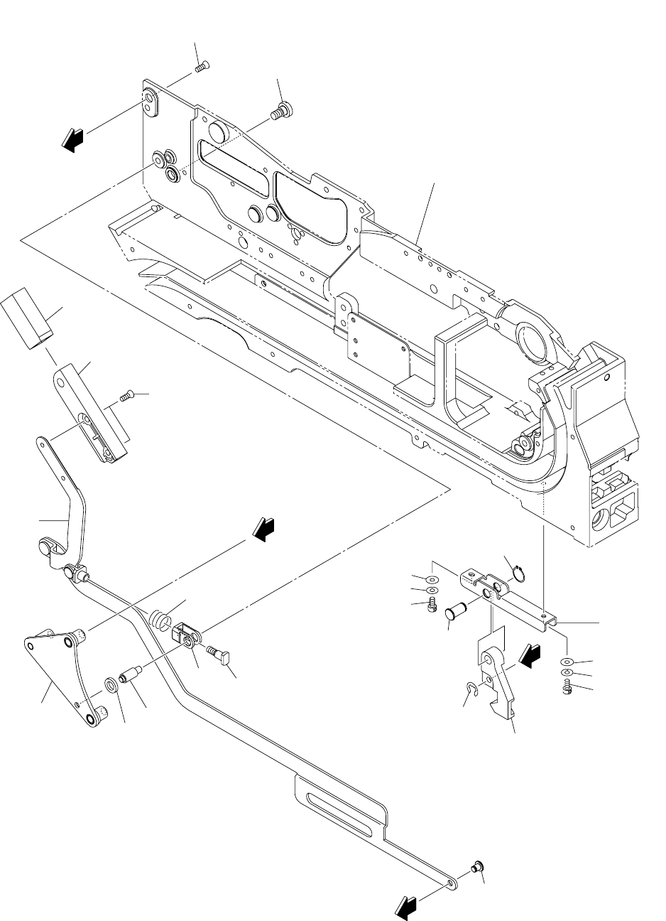
0301-001 116 テープフィーダ T APE FEEDER PF-321 1 PF-321 1 Fig. N-8 クランプ部 Clamp Section 715 708 720 717 702 See Fig.N-1 Key No.1 701 707 71 1 723 722 718 709 719 713 710 723 712 722 718 A B A B 704 703 706 714 Fig.N-8 705

0301-001
Key No. PART No. PART NAME Q’ty REMARKS
NOTE
115
N-6
PF-3211
502 630 110 3099 SPRING,TENTION 1 755N--010-502
503 630 119 6176 DISK(REEL DRIVE) 1 755N--010-503
505 630 110 4195 ASSY,DISK 1 755N--010-505
516 630 101 1547 MACHINE SCREW 1 755N--010-516
518 630 036 8444 PIPE FITTINGS 2 755N--010-113
519 630 110 2931 CYLINDER 1 755N--010-519
520 630 110 5611 AIR LINE EQPT 2 755N--010-520
521 630 046 5556 PIPE FITTINGS 1 755N--010-521
522 630 110 5628 SOLENOID VALVE 1 755N--010-522
523 630 048 4656 PIPE FITTINGS 2 755N--010-523
524 630 110 2511 SPACER 1 755N--010-524
525 630 110 2719 PLATE 1 755N--010-525
527 630 118 1714 PIN,LOCATE 2 755N--010-527
528 630 119 7555 TUBE 2 755N--010-132
531 630 000 7527 BOLT,HEX-SCT 3 755N--010-721
532 630 000 7510 BOLT,HEX-SCT 2 755N--010-718
533 630 000 7534 BOLT,HEX-SCT 2 755N--010-044
534 411 041 5600 SCR PAN 3X4 2 755N--010-128
535 411 141 2806 WASHER SPR 3 5 755N--010-114
536 411 141 3902 WASHER V 3X7X0.5 2 755N--010-115
537 411 141 5807 WASHER F 3X6X0.5 3 755N--010-120

0301-001
116
テープフィーダ TAPE FEEDER
PF-3211 PF-3211
Fig. N-8 クランプ部 Clamp Section
715
708
720
717
702
See Fig.N-1
Key No.1
701
707
711
723
722
718
709
719
713
710
723
712
722
718
A
B
A
B
704
703
706
714
Fig.N-8
705

0301-001
Key No. PART No. PART NAME Q’ty REMARKS
NOTE
117
N-8
PF-3211
701 630 096 0273 ASSY,PLATE 1 755N--010-701
702 630 101 2735 PIN,LOCATE 1 755N--010-702
703 630 101 2728 PIN,LOCATE 1 755N--010-703
704 630 101 2797 WASHER 1 755N--010-704
705 630 101 2148 BLOCK 1 755N--010-705
706 630 101 2711 PIN,GUIDE 1 755N--010-706
707 630 110 4294 ASSY,LEVER 1 755N--010-707
708 630 104 9397 GRIP 1 755N--010-708
709 630 101 2469 SHAFT 1 755N--010-709
710 630 101 2056 LEVER 1 755N--010-710
711 630 101 2476 SHAFT 1 755N--010-711
712 630 101 2063 BLOCK 1 755N--010-712
713 411 016 0203 RING E 2.5 1 755N--010-713
714 630 114 6522 SPRING,COMP 1 755N--010-714
715 630 105 1376 TUBE,WIRING 1 BLUE 755N--010-715
717 411 002 4307 SCR FLT 5X10 1 755N--010-717
718 630 000 7510 BOLT,HEX-SCT 2 755N--010-718
719 630 001 0558 RING 1 755N--010-719
720 411 108 7103 SCR FLT 3X10 2 755N--010-720
722 411 141 2806 WASHER SPR 3 2 755N--010-114
723 411 141 3902 WASHER V 3X7X0.5 2 755N--010-115