P-0217-001 - 第13页
Key No . P AR T No. P AR T NAME Q’ty REMARKS NOTE 0301-002 11 W-2 PF-0810 PF-081 1 PF-0812 PF-0813 PF-0814 10 1 630 103 8315 P L A T E 1 1 1 1 1 755W--010-101 10 2 630 103 2658 SHAFT 1 1 1 1 1 755W--010-102 10 3 630 101 …

0301-002
10
テープフィーダ TAPE FEEDER
PF-
0810, 0811, 0812, 0813, 0814
PF-
0810, 0811, 0812, 0813, 0814
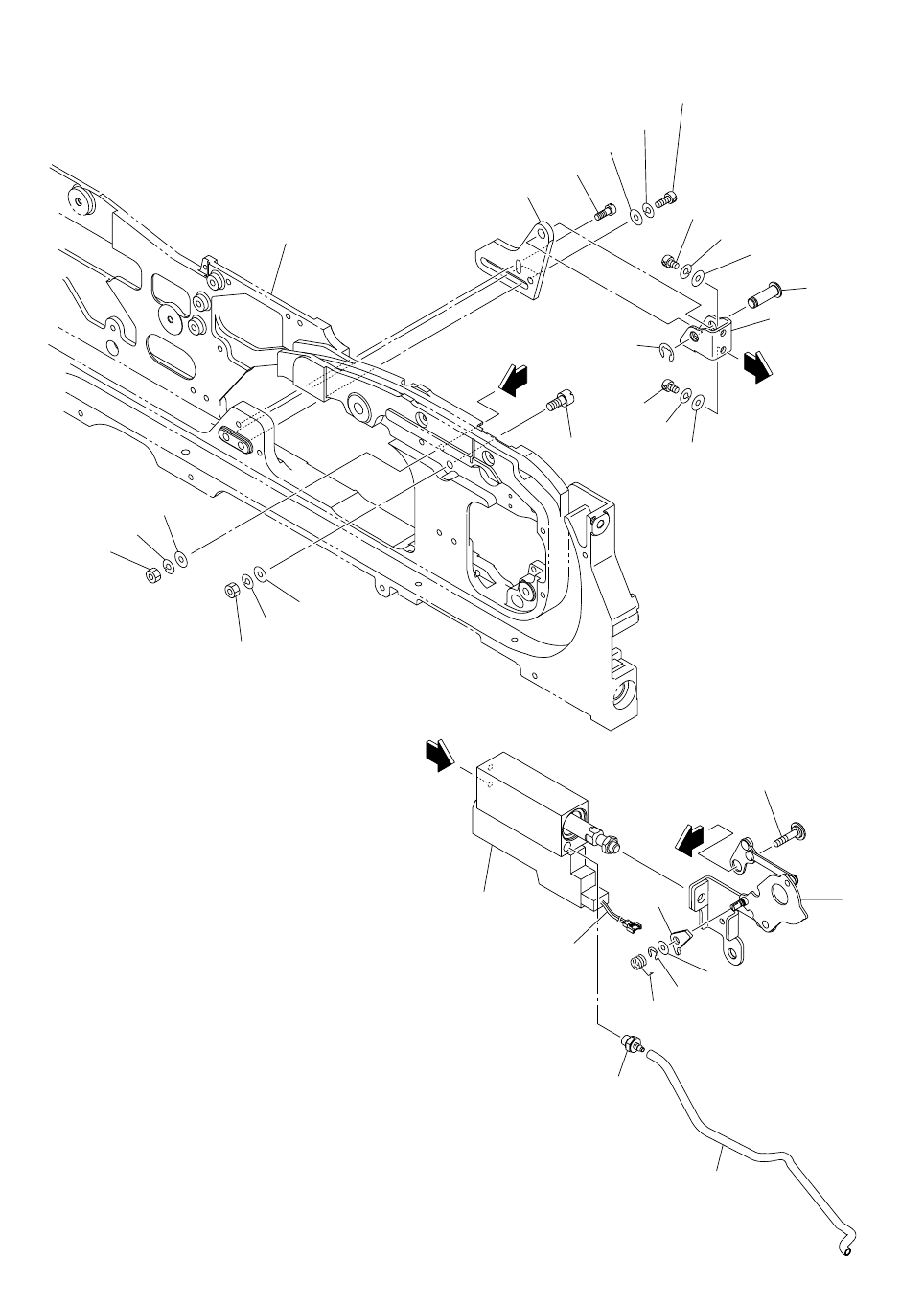
Fig. W-2 テープ送り駆動部 Tape Feeder Driving Section
101
See Fig.W-1
Key No.1
102
130
129
121
117
114
115
103
105
117
118
130
129
128
115
114
116
111
A
B
114
115
Fig.W-2
B
120
109
108
112
A
119
110
113
123
122
152

Key No. PART No. PART NAME Q’ty REMARKS
NOTE
0301-002
11
W-2
PF-0810
PF-0811
PF-0812
PF-0813
PF-0814
101 630 103 8315 PLATE 1 1 1 1 1 755W--010-101
102 630 103 2658 SHAFT 1 1 1 1 1 755W--010-102
103 630 101 2582 SHAFT 1 1 1 1 1 755W--010-103
105 630 103 8308 BRACKET 1 1 1 1 1 755W--010-105
108 630 103 6762 ASSY,LEVER 1 1 755W--010-108
108 630 115 1397 ASSY,LEVER 1 1 1 755C--010-108
109 630 041 4912 LEVER(RATCHET CLICK) 1 1 1 1 1 755W--010-109
110 630 039 3033 SPRING,TORSION 1 1 1 1 1 755W--010-110
111 630 101 2551 PIN,GUIDE 1 1 1 1 1 755W--010-111
112 630 101 2933 PIN,LOCATE 1 1 1 1 1 755W--010-112
113 630 036 8444 PIPE FITTINGS 1 1 1 1 1 755W--010-113
114 411 141 2806 WASHER SPR 3 3 3 3 3 3 755W--010-114
115 411 141 3902 WASHER V 3X7X0.5 3 3 3 3 3 755W--010-115
116 411 140 9905 NUT HEX 3 1 1 1 1 1 755W--010-116
117 630 000 7503 BOLT,HEX-SCT 2 2 2 2 2 755W--010-117
118 411 000 9809 RING E 3 1 1 1 1 1 755W--010-118
119 411 000 9304 RING E 2 1 1 1 1 1 755W--010-119
120 411 141 5807 WASHER V 3X6X0.5 1 1 1 1 1 755W--010-120
121 630 000 7640 BOLT,HEX-SCT 2 2 2 2 2 755W--010-121
122 630 116 9217 CYLINDER 1 1 1 1 1 755W--010-122
123 630 106 8909 TUBE 1 1 1 1 1 755W--010-123
128 411 141 0307 NUT HEX 4 1 1 1 1 1 755W--010-034
129 411 141 2905 WASHER SPR 4 3 3 3 3 3 755W--010-035
130 411 141 4008 WASHER V 4X9X0.8 3 3 3 3 3 755W--010-036
152 630 113 8121 ASSY,CORD 1 1 1 1 1

0301-002
12
テープフィーダ TAPE FEEDER
PF-
0810, 0811, 0812, 0813, 0814
PF-
0810, 0811, 0812, 0813, 0814
Fig. W-3 送りギア部 Feeder Gear Section
204
203
209
201
208
207
205
206
219
218
217
215
210
214
216
215
See Fig.W-1
Key No.1
See Fig.W-2
Key No.108
214
216
202
Fig.W-3