P-0217-001 - 第19页
Key No . P AR T No. P AR T NAME Q’ty REMARKS NOTE 0301-002 17 W-5 PF-0810 PF-081 1 PF-0812 PF-0813 PF-0814 40 2 630 102 6145 PIN,LOCA TE 1 1 1 1 1 755W--010-402 40 4 630 102 7418 PIN,LOCA TE 1 1 1 1 1 755W--010-404 40 5 …

0301-002
16
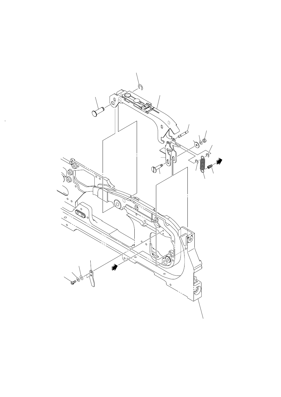
テープフィーダ TAPE FEEDER
PF-
0810, 0811, 0812, 0813,0814 PF-0810, 0811, 0812, 0813,0814
Fig. W-5 サプレッサ部 Suppressor Section
See Fig.W-1
Key No.1
A
A
402
415
409
407
427
408
411
421
424
423
422
427
404
406
405
425
426
Fig.W-5

Key No. PART No. PART NAME Q’ty REMARKS
NOTE
0301-002
17
W-5
PF-0810
PF-0811
PF-0812
PF-0813
PF-0814
402 630 102 6145 PIN,LOCATE 1 1 1 1 1 755W--010-402
404 630 102 7418 PIN,LOCATE 1 1 1 1 1 755W--010-404
405 630 101 2506 COLLAR 1 1 1 1 1 755W--010-405
406 630 102 7333 LEVER 1 1 1 1 1 755W--010-406
407 630 102 7357 HOOK 1 1 1 1 1 755W--010-407
408 630 101 2490 PIN,LOCATE 1 1 1 1 1 755W--010-408
409 630 103 7615 ASSY,LEVER 1 755W--010-409
409 630 103 7622 ASSY,LEVER 1 755BC-010-409
409 630 103 7639 ASSY,LEVER 1 755C--010-409
409 630 117 1630 ASSY,LEVER 1 755B--010-409
409 630 108 5081 ASSY,LEVER 1 755E--010-409
411 630 002 8720 SPRING,TENSION 1 1 1 1 1 755W--010-411
415 411 001 0003 RING E 4 1 1 1 1 1 755W--010-415
421 630 110 6007 PLATE 1 1 1 1 1 755W--010-421
422 630 012 3791 BOLT,HEX-SCT 2 2 2 2 2 755W--010-422
423 411 141 6606 WASHER SPR 2.5 2 2 2 2 2 755W--010-423
424 411 141 5708 WASHER F 2.5X5X0.5 2 2 2 2 2 755W--010-424
425 411 141 2806 WASHER SPR 3 1 1 1 1 1 755W--010-114
426 411 140 9905 NUT HEX 3 1 1 1 1 1 755W--010-116
427 411 000 9304 RING E 2 2 2 2 2 2 755W--010-119

0301-002
18
テープフィーダ TAPE FEEDER
PF-
0810, 0811, 0812, 0813, 0814 PF-0810, 0811, 0812, 0813, 0814
Fig. W-6 カバーテープ巻取り部 Cover Tape Winding Section
502
501
516
505
507
515
508
517
528
See Fig.W-1
Key No.1
Fig.W-6
509