P-0217-001 - 第22页
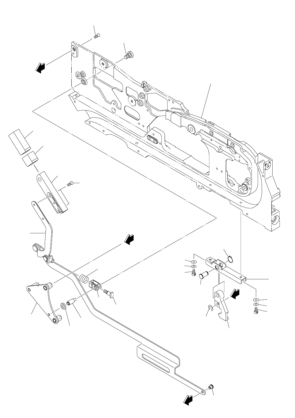
0301-002 20 テープフィーダ T APE FEEDER PF- 0810, 081 1, 0812, 0813, 0814 PF-0810, 081 1, 0812, 0813, 0814 Fig. W-8 クランプ部 Clamp Section 716 708 702 See Fig.W-1 Key No.1 701 707 71 1 709 719 713 710 712 A A 704 703 706 714 705 F…

Key No. PART No. PART NAME Q’ty REMARKS
NOTE
0301-002
19
W-6
PF-0810
PF-0811
PF-0812
PF-0813
PF-0814
501 630 108 3629 DISK(REEL DRIVE) 1 1 1 1 1 755W--010-501
502 630 101 4326 SPRING,TENSION 1 1 1 1 1 755W--010-502
505 630 095 6603 ASSY,DISK 1 1 1 1 1 755W--010-505
507 630 100 5867 SPRING,FLAT 1 1 1 1 1 755W--010-507
508 630 102 7012 PIN,LOCATE 3 3 3 3 3 755W--010-508
509 630 097 3075 ROLLER 3 3 3 3 3 755W--010-509
515 630 037 3042 MACHINE SCREW(TAP PAN2X5) 2 2 2 2 2 755W--010-515
516 630 093 0856 MACHINE SCREW 1 1 1 1 1 755W--010-516
517 411 161 9700 SCR FLT 3X14 3 3 3 3 3 755W--010-517
528 411 000 9809 RING E 3 1 1 1 1 1 755W--010-118

0301-002
20
テープフィーダ TAPE FEEDER
PF-
0810, 0811, 0812, 0813, 0814 PF-0810, 0811, 0812, 0813, 0814
Fig. W-8 クランプ部 Clamp Section
716
708
702
See Fig.W-1
Key No.1
701
707
711
709
719
713
710
712
A
A
704
703
706
714
705
Fig.W-8
715
B
B
720
717
723
722
718
723
722
718

Key No. PART No. PART NAME Q’ty REMARKS
NOTE
0301-002
21
W-8
PF-0810
PF-0811
PF-0812
PF-0813
PF-0814
701 630 096 0273 ASSY,PLATE 1 1 1 1 1 755W--010-701
702 630 101 2735 PIN,LOCATE 1 1 1 1 1 755W--010-702
703 630 101 2728 PIN,LOCATE 1 1 1 1 1 755W--010-703
704 630 101 2797 WASHER 1 1 1 1 1 755W--010-704
705 630 101 2148 BLOCK 1 1 1 1 1 755W--010-705
706 630 101 2711 PIN,GUIDE 1 1 1 1 1 755W--010-706
707 630 096 3236 ASSY,LEVER 1 1 1 1 1 755W--010-707
708 630 104 9397 GRIP 1 1 1 1 1 755W--010-708
709 630 101 2469 SHAFT 1 1 1 1 1 755W--010-709
710 630 101 2056 LEVER 1 1 1 1 1 755W--010-710
711 630 101 2476 SHAFT 1 1 1 1 1 755W--010-711
712 630 101 2063 BLOCK 1 1 1 1 1 755W--010-712
713 411 016 0203 RING E 2.5 1 1 1 1 1 755W--010-713
714 630 094 9261 SPRING,COMP 1 1 1 1 1 755W--010-714
715 630 041 6817 TUBE,WIRING 1 1 YELLOW 755W--010-715
715 630 042 6021 TUBE,WIRING 1 RED 755C--010-715
715 630 105 1376 TUBE,WIRING 1 BLUE 755B--010-715
715 630 105 1406 TUBE,WIRING 1 BLACK 755E--010-715
716 630 105 1413 TUBE,WIRING 1 BLUE 755BC-010-716
717 411 002 4307 SCR FLT 5X10 1 1 1 1 1 755W--010-717
718 630 000 7510 BOLT,HEX-SCT 2 2 2 2 2 755W--010-718
719 630 001 0558 RING 1 1 1 1 1 755W--010-719
720 411 108 7103 SCR FLT 3X10 2 2 2 2 2 755W--010-720
722 411 141 2806 WASHER SPR 3 2 2 2 2 2 755W--010-114
723 411 141 3902 WASHER V 3X7X0.5 2 2 2 2 2 755W--010-115