NXTIII PartList - 第296页
MODULE Z CLAMP MODULE Y CLAMP MODULE Z CLAMP MODULE Y CLAMP MODULE Z CLAMP MODULE Y CLAMP MODULE Z CLAMP MODULE Y CLAMP B:ア ン ク ラ ンプ Aでク ラ ン プ B: UNCLAMP A : CLAMP B:ア ン ク ラ ンプ Aでク ラ ン プ B: UNCLAMP A : CLAMP B:ア ン ク ラ ンプ…
ࡇࡢ࣮࣌ࢪࡣࣈࣛࣥࢡ࣮࣌ࢪ࡛ࡍࠋ
This page is intentionally blank.
295
PTS-NXT3-02JE

MODULE Z CLAMP MODULE Y CLAMP MODULE Z CLAMP MODULE Y CLAMP MODULE Z CLAMP MODULE Y CLAMP MODULE Z CLAMP MODULE Y CLAMP
B:アンクランプ
Aでクランプ
B: UNCLAMP
A
: CLAMP
B:アンクランプ
Aでクランプ
B: UNCLAMP
A
: CLAMP
B:アンクランプ
Aでクランプ
B: UNCLAMP
A
: CLAMP
B:アンクランプ
Aでクランプ
B: UNCLAMP
A
: CLAMP
B:アンクランプ
Aでクランプ
B: UNCLAMP
A
: CLAMP
B:アンクランプ
Aでクランプ
B: UNCLAMP
A
: CLAMP
B:アンクランプ
Aでクランプ
B: UNCLAMP
A
: CLAMP
B:アンクランプ
Aでクランプ
B: UNCLAMP
A
: CLAMP
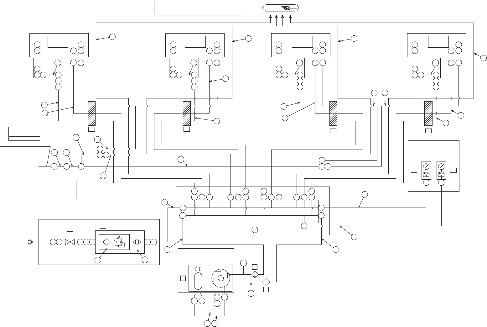
M3 MODULE NUMBER FROM THE LEFT SIDE OF THE FRONT
FRONT SLIDE
REAR SLIDE
FRONT SLIDE
REAR SLIDE
FRONT SLIDE
REAR SLIDE
FRONT SLIDE
REAR SLIDE
METER OUT
METER OUT METER OUT METER OUT METER OUT METER OUTMETER OUT METER OUT
METER OUT
METER OUT
METER OUT METER OUT
METER OUT METER OUT
METER OUT
METER OUT
࢚࣮㓄⟶ᅗ
31(80$7,&&,5&8,7',$*5$0
ձ
A
A
Ref.ղ
ベース手前から見て左からのM3モジュールの番号
モジュールZクランプ
(φ32x25 4ヶ)
モジュールYクランプ
[4] [3] [2]
[1]
モジュールYクランプ
(φ32x25 4ヶ)
モジュールZクランプ モジュールYクランプ
(φ32x25 4ヶ)
モジュールZクランプ モジュールYクランプ
(φ32x25)
モジュールZクランプ
(φ63x81)(φ63x81)(φ63x81)(φ63x81)
後側後側後側 後側
M1LS15A
M1LS15B
M1LS25A
M1LS25B
M1LS35A
M1LS35B
M1LS45A
M1LS45B
φ6
φ6
φ6
φ6
φ6
φ6
φ6
φ6
φ6
φ6
φ6
φ6
φ6
φ6 φ6φ6
φ6
φ6
φ6
φ6
φ6
φ6
M1LS14B
M1LS14A
M1LS24B
M1LS24A
M1LS34B
M1LS34AM1LS44A
M1LS44B
前側
φ6
φ6
φ6 φ6
φ6φ6φ6 φ6
φ6φ6
φ6
φ6
前側前側
φ6
φ6
φ6 φ6
φ6φ6 φ6 φ6
φ6φ6
φ6
φ6
前側
φ6
φ6
φ6
φ6
φ6 φ6
メータ アウト
メータ アウト メータ アウト メータ アウト メータ アウト メータ アウトメータ アウト メータ アウト
メータ アウト
メータ アウト
メータ アウト メータ アウト
メータ アウト メータ アウト
メータ アウト
メータ アウト
φ6 φ6
φ6
φ6φ6
φ6
φ6φ6
φ6 φ6
φ6
φ6
φ6
φ6
φ6
φ6
φ8
φ6φ6
φ6 φ6
φ8φ8
φ6
φ6
φ6 φ6
φ8
HH HH
B
AA
B
G
K
L
G
I I
JJJ
I
J
I
K
KKKK
K
I
J
I
JJJ
II
G
L
K
G
B
AA
BB
AA
B
G
K
L
G
I I
JJJ
I
J
I
K
KK KK
K
I
J
I
JJJ
II
G
L
K
G
B
AA
B
133
124
123
132
131
115
121 121
130
127
124
129
128
125
122
121
121
124
115
107
106
104
126
101
103
104
106
101
103
115
117
120
119
118
116
113
106
102
111
109
108
108
107
112
110
110
105
102
101
105
104
103
110
123
116
2120
23
23
20
23
23
21
23
20
23
21
23
20 21
23
27 27 27 27
26
26
27 27 2727 24 24
25
25
27 27 27 27
26
26
27 27 27 27 24 24
25
25
27 27 27 27
26
26
27 27 27 27 24 24
25
25
27 27 27 27
26
26
27 27 27 27 2424
155
156
156
156
156 156
156 156
156
155
156
156
156 156
156
155
156
156
156
25
25
158
155
158
158
158
158
158
158
158
HH HHHHHHHHHH
2UGTBB000100
0,,,࣮࣋ࢫ
0,,,%$6(
296
PTS-NXT3-02JE

モジュール側
MODULE SIDE
モジュール側
MODULE SIDE
モジュール側
MODULE SIDE
モジュール側
MODULE SIDE
(オプション)
バキュームバックアップ用真空ポンプ
工場出荷オプション
バキュームバックアップ仕様時取付け
FACTORY-OPTION
BEFORE SHIPMENT
SET WHEN VACUUM BACK-UP PIN IS USED
PUMP FOR VACUUM BACK-UP PIN
(OPTION)
VACUUM PUMP FOR NOZZLES
POS PRESS NEG PRESS
A
A
Ref.
ձ
φ8 φ8
φ8
φ8
φ12
φ12
φ12 φ12
φ10 φ10φ10
φ12x2 φ12x2 φ12x2
−59kPa
0.4MPa
正圧
負圧
φ6
φ6
φ12
φ16
φ16
φ12
φ6
φ6
φ16
φ4
φ4
3/8
1/2
1/2
1/4
1/4 1/4
1/4
1/4 1/4 1/4 1/4
1/8
1/2
φ16
吸着ノズル用真空ポンプ
φ16
φ16
1/2
1/2
1/8
φ16
φ16
φ10 φ10
φ16
0.5MPa
3/8
3/8
3/8
3/8
1/2
M5M5
φ12x2
φ10
φ16
࢚࣮㓄⟶ᅗ
31(80$7,&&,5&8,7',$*5$0
ղ
E
A
B
F
D
D
C
12 343 56
10
32
11 8 8 11 10
32
10
32
11 8 8 11 10
32
29
7
13
9
15 15
32
323232
604
604
603
601
501501
605
503
504
504
602
504
504
502
604
604
202
203
201
702
701
505
151
505
201 701
702
202
203
151
203
202
151
505
201 701
702
202
203
201
702
701
505
151
28
150
149
3131
29 29
30
29
28
121718
19
1616
12
28
1718
19
16
12
28
1718
19
16
12
28
1718
19
154
153
145
146
157 152
148
148
147
143
140
137
134
138
141
135
136
144
140
139
142
M
M
M
14
M
2UGTBB000100
0,,,࣮࣋ࢫ
0,,,%$6(
297
PTS-NXT3-02JE