KE2040取扱説明書Ver.2.01和文Rev.04 - 第59页
1 - 41 表 表 表 表 1-4- 1 本体正面左側のコネクタ表 本体正面左側のコネクタ表 本体正面左側のコネクタ表 本体正面左側のコネクタ表 信号名 搬送方向 右流れ 信号名 搬送方向 左流れ 使用コネクタ 1 READY OUT + READY IN + 2 READY OUT − READY IN − ( GND ) AMP 3 BOAD AVAILABLE IN + BOAD AVAILABLE OUT + 206043−1…

1 - 40
⑥は、トラックボール用コネクタ(9 pin)です。
トラックボール用コネクタのピン配置は表 1-4-5 参照。
⑦は、キーボード用コネクタ(5 pin)です。
キーボード用コネクタのピン配置は表 1-4-4 参照。
⑧は、ハンドヘルド操作盤(HOD)用コネクタ(50 pin)です。
図
図図
図 1-4-3
本体正面右側
本体正面右側本体正面右側
本体正面右側
トラックボールとキーボードのコネクタは同形状になっております。接続を間違えると機械のシス
テムが立ち上がりません。
注意
注意注意
注意 :
⑥
⑦
⑧

1 - 41
表
表表
表 1-4-1
本体正面左側のコネクタ表
本体正面左側のコネクタ表本体正面左側のコネクタ表
本体正面左側のコネクタ表
信号名 搬送方向 右流れ 信号名 搬送方向 左流れ 使用コネクタ
1 READY OUT + READY IN +
2 READY OUT − READY IN − (GND) AMP
3 BOAD AVAILABLE IN + BOAD AVAILABLE OUT + 206043−1
4 BOAD AVAILABLE IN − (GND) BOAD AVAILABLE OUT −
5 N.C. N.C.
6 N.C. N.C. ケーブル側
7 N.C. N.C. 接続コネクタ
8 N.C. N.C. 206044−1
9 N.C. N.C.
10 N.C. N.C.
11 N.C. N.C.
12 N.C. N.C.
13 N.C. N.C.
14 N.C. N.C.
表
表表
表 1-4-2
本体正面右側のコネクタ表
本体正面右側のコネクタ表本体正面右側のコネクタ表
本体正面右側のコネクタ表
信号名 搬送方向 右流れ 信号名 搬送方向 左流れ 使用コネクタ
1 READY IN + READY OUT +
2 READY IN − (GND) READY OUT − AMP
3 BOAD AVAILABLE OUT + BOAD AVAILABLE IN + 206043−1
4 BOAD AVAILABLE OUT − BOAD AVAILABLE IN − (GND)
5 N.C. N.C.
6 N.C. N.C. ケーブル側
7 N.C. N.C. 接続コネクタ
8 N.C. N.C. 206044−1
9 N.C. N.C.
10 N.C. N.C.
11 N.C. N.C.
12 N.C. N.C.
13 N.C. N.C.
14 N.C. N.C.

1 - 42
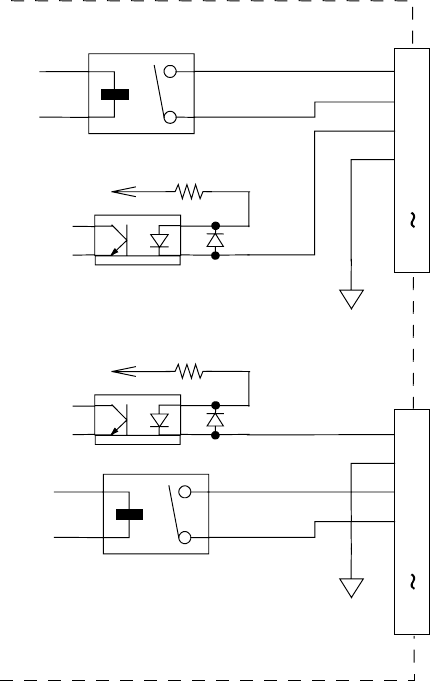
レディアウト(イン)信号と、ボードアベイラブル信号のインターフェイス回路を 図 1-4-4 に示し
ます。
SMEMA規格に準拠しています。
GND
(
24V
)
+
+ 24
V
_
3.3K 1/4W
READY OUT +
BOAD AVAILABLE IN +
READY OUT -
BOAD AVAILABLE IN -
N.C.
1
2
3
4
5
14
READY IN +
BOAD AVAILABLE OUT +
READY IN -
BOAD AVAILABLE OUT -
N.C.
1
2
3
4
5
14
+ 24
V
_
3.3K 1/4W
+
GND
(
24V
)
図
図図
図 1-4-4