KE-3010A_KE-3020VA_KE-3020VRA-Rev14PDFA - 第176页
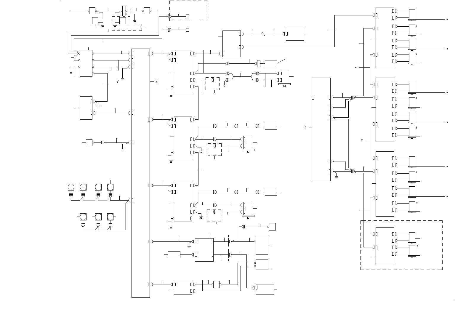
- 169 - 85. SYSTEM DIAGRAM(1) SYSTEM DIAGRA M(1) 34 40 38 77 78 78 78 83 79 79 7 9 79 79 79 78 83 77 82 76 76 76 76 77 82 38 80 18 21 38 39 36 35 37 40 39 49 53 51 52 50 37 54 57 37 59 58 56 39 53 40 65 66 67 68 7 4 75 6…

- 168 -
NOTE( 注記 ) #01....FOR EN EN 用
#02....FOR 950MM 950 MM 用
REF.NO NOTE PART NO D E S C R I P T I O N
品 名
Qty
1 401-72826 TROLLEY_ASM
トロリー組
1
2
#01
401-79202 TROLLEY_ASM_EN
トロリー組_EN
1
3
#02
401-79205 TROLLEY_ASM_950
トロリー組_950
1
4 401-72827 TROLLEY_UPPER_ASM
トロリーアッパー組
(1)
5 400-94881 TROLLEY_SHAFT_L70
トロリーシャフト_L70
(1)
6 401-77434 TROLLEY_UPPER
トロリーアッパー
(1)
7 400-01730 SCALE MARKS SEAL
メモリシール
(2)
8 400-89239 E_TROLLEY_PLATE
Eトロリープレート
(4)
9 401-75735 TROLLEY_STOPPER_BLOCK_R
トロリーストッパーブロックR
(1)
10 401-75734 TROLLEY_STOPPER_BLOCK_L
トロリーストッパーブロックL
(1)
11 SL-6082092-TN SCREW M8 L=20
座金付き六角穴ボルト M8 L=20
(6)
12 WP-0621036-SP WASHER
平座金
(4)
13 SM-3061052-TN SCREW M6 L=10
丸ねじ M6 L=10
(4)
14 E2703-721-000 TROLLEY SHAFT
トロリーシャフト
(1)
15 SB-8160005-C0 BEARING
ころがり軸受
(4)
16 SM-6040602-TN SCREW
六角穴ボルト
(16)
17 400-01748 TROLLEY SUB GUIDE
トロリーサブガイド
(2)
18 SL-6062592-TN SCREW M6 L=25
座金付き六角穴ボルト M6 L=25
(2)
19 401-22302 ASM_TROLLEY_BOTTOM
トロリーボトム組
(1)
20 401-10302 TROLLEY_BOTTOM
トロリーボトム
(1)
21 NM-6060001-SC NUT M6X1 TYPE1
六角ナット M6X1 1種
(4)
22 400-94859 CASTER_107N
キャスター 107N
(4)
23 SL-6082092-TN SCREW M8 L=20
座金付き六角穴ボルト M8 L=20
(16)
24 SL-6061492-TN SCREW M6 L=14
座金付き六角穴ボルト M6 L=14
(4)
25 E2711-721-000 TROLLEY STOPPER
トロリーストッパー
(2)
26 SL-6041292-TN SCREW M4 L=12
座金付き六角穴ボルト M4 L=12
(1)
27 400-23476 FG GUM SHEET
FGゴムシート
(1)
28 WP-0430801-SC WASHER M4
平座金 M4
(1)
29 SL-6083092-TN SCREW M8 L=30
座金付き六角穴ボルト M8 L=30
(6)
30 400-94928 TROLLEY_HANDLE_ASM
トロリーハンドル組
(2)
31 SL-6030642-TN SCREW M3 L=6
座金付き六角穴ボルト M3 L=6
(1)
32 SL-6040642-TN SCREW M4 L=6
座金付き六角穴ボルト M4 L=6
(1)
33 E2641-729-000 HANDLE CLIP
ハンドルグリップ
(1)
34 400-94854 HANDLE_SHAFT_ET
ハンドルシャフトET
(1)
35 400-21920 TROLLEY HANDLE
トロリーハンドル
(1)
36 PS-0400122-KP SPRING PIN TYPE W 4X12
スプリングピン W形 4X12
(2)
37 PS-0600182-KP SPRING PIN TYPE W 6X18
スプリングピン W形 6X18
(1)
38 E2635-729-000 HANDLE SLIDER
ハンドルスライダ
(1)
39 CM-3002000-03 FINGER INJURY CAUTION LABEL (31.5)
指怪我注意シール (31.5)
(1)
40 SM-6125052-TR SCREW M12 L=150
六角穴ボルト M12 L=150
(2)
41 WP-1052001-SC WASHER 10
平座金みがき丸 M10
(4)
42 SL-6102042-TN SCREW M10 L=20
座金付き六角穴ボルト M10 L=20
(4)
43 401-72828 TROLLEY_BANK_PL_ASM
トロリーバンクプレート組
(1)
44 401-75709 REGURATION_BR
レギュレーションBR
(2)
45 SL-6061092-TN SCREW M6 L=10
座金付き六角穴ボルト M6 L=10
(4)
46 401-81438 REGURATION_BAR
レギュレーションバー
(1)
47 SL-4040891-SC SCREW M4X8
座金付きなべ小ねじ M4 L=8
(4)
48 401-19292 ETF_POSITION_LABEL(40)_2
ETFポジションラベル(40)_2
(1)
49 E5721-729-000 LABEL
荷重禁止シール
(1)
50 401-75713 BANK_PLATE_L
バンクプレートL
(1)
51 401-75714 BANK_PLATE_R
バンクプレートR
(1)
52 401-28047 LINEAR_SHAFT
リニアシャフト
(2)
53 400-98942 SUPPORT_SHAFT
サポートシャフト
(2)
54 SM-8060552-TP SCREW M6 L=5
止めねじ
(4)
55 401-72829 TROLLEY_SAFTY_COVER
トロリーセーフティカバー
1
56 401-75727 TROLLEY_SAFETY_COVER_R
トロリーセーフティカバーR
(1)
57 401-75726 TROLLEY_SAFETY_COVER_L
トロリーセーフティカバーL
(1)
58 SL-6061092-TN SCREW M6 L=10
座金付き六角穴ボルト M6 L=10
(2)
59 400-94723 TOROLLEY_COV_BR
トロリーカバーブラケット
(2)
60 SL-6061092-TN SCREW M6 L=10
座金付き六角穴ボルト M6 L=10
(4)
61 SL-4040891-SC SCREW M4X8
座金付きなべ小ねじ M4 L=8
(4)
62 CM-3002000-03 FINGER INJURY CAUTION LABEL (31.5)
指怪我注意シール (31.5)
(2)
63 401-75728 TROLLEY_SAFETY_COVER_R_A
トロリーセーフティカバーR_A
(1)
64 SL-6040892-TN SCREW M4 L=8
座金付き六角穴ボルト M4 L=8
(2)
65 401-72830 TROLLEY_TAPE_GUIDE_ASM_REV_B
トロリーテープガイド組
1
66 401-63525 TAPE_GUIDE_A
テープガイドA
(1)
67 SM-6061202-TN SCREW
六角穴ボルト
(2)
68 WP-0641601-SC WASHER M6
平座金みがき丸 M6
(4)
69 401-11174 TGI_POST
TGI_ポスト
(2)
70 401-26049 TAPE_GUIDE_B_ASM_TROLLEY
テープガイド_B_組_トロリー
(1)
71 401-61919 TAPE_GUIDE_B
テープガイドB
(1)
72 401-26047 SHUTER_ASM
シャッター組
(1)
73 401-38829 SHUTTER_PLATE
シャッタープレート
(1)
74 401-38835 MAGNET_RUBBER_SHEET
マグネットラバーシート
(2)
75 401-38837 UPDC_HANDLE_BR
UPDCハンドルブラケット
(1)
76 SM-3030552-TN SCREW M3 L=5
丸ねじ M3 L=5
(4)
77 SL-6030692-TN SCREW M3 L=6
座金付き六角穴ボルト M3 L=6
(2)
78 401-38507 WSHER_TM-147-1
抜け止め防止ワッシャTM−147−1
(2)
79 401-26048 SLIDE_GUIDE_ASM_TROLLEY
スライドガイド組_トロリー
(1)
80 401-38830 SLIDE_GUIDE
スライドガイド
(1)
81 401-38838 SHUTTER_FILM
シャッター_フィルム
(1)
82 E2732-721-000 BANK GUIDE ROLLER
バンクガイドローラ
(2)
83 WP-0641601-SC WASHER M6
平座金みがき丸 M6
(2)
84 WS-0610002-KN SPRING WASHER M6
ばね座金 M6
(2)
85 NM-6060001-SC NUT M6X1 TYPE1
六角ナット M6X1 1種
(2)
86 401-50864 GUIDE_SPACER_55
ガイドスペーサ_55
(2)
87 400-98072 SLIDE_WASHER
スライドワッシャー
(4)
88 WP-0451016-SP WASHER 4.5X20X1
平座金 4.5X20X1
(2)
89 400-56921 SPRING STUD
スプリングスタッド
(2)
90 WP-0430801-SC WASHER M4
平座金 M4
(2)
91 WS-0410002-KN SPRING WASHER M4
ばね座金 M4
(2)
92 NM-6040001-SC NUT M4X0.7 TYPE1
六角ナット M4X0.7 1種
(2)
93 401-11184 SLIDE_GUIDE_SP
スライドガイド_SP
(2)
94 401-75732 BASE_GUIDE_BR_A
ベースガイドBR_A
(1)
95 401-75731 BASE_GUIDE_BR_B
ベースガイドBR_B
(1)
96 SL-6061292-TN SCREW M6 L=12
座金付き六角穴ボルト M6 L=12
(4)
97 401-50866 BRG_SUPPORT
BRG_サポート
(2)
98 E2732-721-000 BANK GUIDE ROLLER
バンクガイドローラ
(2)
99 WP-0641601-SC WASHER M6
平座金みがき丸 M6
(2)
100 WS-0610002-KN SPRING WASHER M6
ばね座金 M6
(2)
101 NM-6060001-SC NUT M6X1 TYPE1
六角ナット M6X1 1種
(2)
102 401-50865 GUIDE_SPACER_135
ガイドスペーサ_135
(2)
103 SL-6061292-TN SCREW M6 L=12
座金付き六角穴ボルト M6 L=12
(6)
104 401-75729 BASE_GUIDE_BR_L
ベースガイドBR_L
(1)
105 401-75730 BASE_GUIDE_BR_R
ベースガイドBR_R
(1)
106 SL-6061492-TN SCREW M6 L=14
座金付き六角穴ボルト M6 L=14
(4)
107 400-94856 TH_LOCK_BR
THロックブラケット
2
108 SL-4030691-SC SCREW M3 L=6
座金付きなべ小ねじ M3 L=6
4
109 401-19277 ST_COVER
ST_カバー
2
110 SL-6040892-TN SCREW M4 L=8
座金付き六角穴ボルト M4 L=8
3
111 400-94860 TH_CASTER
THキャスター
4
112 SL-4040891-SC SCREW M4X8
座金付きなべ小ねじ M4 L=8
16
113 400-94861 SLIDE_BOLT
スライドボルト
2
114 SL-4030691-SC SCREW M3 L=6
座金付きなべ小ねじ M3 L=6
8
115 HX-0029400-00 FIXED BASE
固定ベース
3
116 SM-4040601-SC SCREW M4X0.7 L=6
なべ小ねじ M4X0.7 L=6
3
117 EA-9500B02-00 CABLE BAND 150
束線バンド 150
3
118 NM-6040001-SC NUT M4X0.7 TYPE1
六角ナット M4X0.7 1種
1
119 WP-0430801-SC WASHER M4
平座金 M4
1
120 WS-0410002-KN SPRING WASHER M4
ばね座金 M4
1

- 169 -
85.SYSTEM DIAGRAM(1)
SYSTEM DIAGRAM(1)
34
40
38
77
7878
78
83
79 79 79797979
78 83
77 82
76
76
76
76
77 8238
80
18 21
38
39
36
35
37
40
39
49
53
51
52
50
37
54
57
37
59
58
56
39
53
40
65
66
67
68 74
75
60
64
63
72
71
73
69
70
62
61
5546
29
30
30
30
30
30
30
30
28
26
27
25
41
42
43
44
32
33
81
31
47
4545
47
24
23
22
18 21
17
13 15
16
12
11
10
9
8
7
6
84
4
3
2
1
FANFANFANFAN
FANFANFAN
INPUT
NFB
SURGE
PROTECTOR
TF1
LF1
BLOCK CAPACITOR
5
EN ONLY
MAIN SW 1/2
1-3D
CN06
CN06
CN07
CN07
MTS PWR(L)
MTC PWR(R)
200V
200V
34V
100V
ETF POWER UNIT
1/2
CN04
GND
3-3B
POWER UNIT
1/5
CN01
CN03
CN11
CN04
GND
CN12
CN2003
VACUUM PUMP
COPLA-PS
1-4B
PWR29
[CTRL UNIT]
[BASE R SIDE]
[POWER UNIT]
[BASE L SIDE]
CN063
CN13
X SERVO AMP
MR-J4-70B-KM012
1/2
CNP1
2CH NET
CN1A
CNP2
CN2
CN1B
CNP3
4-1D
E
YL SERVO AMP
MR-J4-200B-KM012
1/2
CNP2
CNP1
CN1A
CN2
CNP3
CN1B
4-5A
E
YR SERVO AMP
MR-J4-200B-KM012
1/2
CNP1
CN1A
CNP2
CN2
CNP3
CN1B
E
POSITION BOARD
1CH DI
2CH NET
1CH NET
CN165
CN151
ENCX
3Turn
EN ONLY
ENCYL
MOTOR YLCN2
SCALE YLCN2L
SENSYL
Y MOTOR
YL 1500W
SENSYL
EN ONLY
3 Turn
ENCYR
SENSYR
SCALE YRCN2L
MOTOR YRCN2
Y MOTOR
YR 1500W
YRMTR
3Turn
EN ONLY
PS-ON
ATX13
CN3
BATTERY
CN3
CP
INLET
MAIN
ATX-POWER
1/2
BATT
12V
4-5C
CN2
CN1
COPLA-POWER
SCALE HEAD Y
MAIN SW 2/2
CPCI
BACK
BOARD
XY11
CPCI BACK
BOARD (COPLA)
4-5A
COPLA MONITOR
SWITCH BOARD
1/2
4-5A
CN4
1-2A
2-5B
CN11
S-XY RELAY PCB
1/3
SENSX
XENC
XMTR
SCALE HEAD X
SERVO MOTOR
750W
SCALE HEAD Y
POWER UNIT 2/5
1-2D
CN21
CN13
CN37
CN14
CN15
CN38
2-3B
ZTPWR2
2-2B
CNP2C
CN2C
CNP2D
CN2D
CN1A
CNP1
4AXIS SERVO AMP(4)
1/2
2-2B
CN1B
CN1A
CNP1
CNP2A
CN2B
CNP2B
CN2A
CNP2C
CN2D
CNP2D
CN2C
2-2A
CN1B
CN1A
CNP1
CNP2A
CN2B
CNP2B
CN2A
CNP2C
ZTPWR1
Z2 MOTOR
HC-BP0336LW4-S10
2 MOTOR
HC-BP0136D-S8
4AXIS SERVO AMP(3)
1/2
4AXIS SERVO AMP(2)
1/2
4AXIS SERVO AMP(1)
1/2
Z1 MOTOR
HC-BP0336LW4-S10
1 MOTOR
HC-BP0136D-S8
ONLY 3020V 3020VR
7 MOTOR
HC-BP0336LW4-S10
Z7 MOTOR
HC-BP0336LW
4-S10
6 MOTOR
HC-BP0136D-S8
Z6 MOTOR
HC-BP0336LW4-S10
5 MOTOR
HC-BP0136D-S8
Z5 MOTOR
HC-BP0336LW4-S10
Z3 MOTOR
HC-BP0336LW4-S10
Z4 MOTOR
HC-BP0336LW4-S10
3MOTOR
HC-BP0136D-S8
4 MOTOR
HC-BP0136D-S8
CN2D
CNP2D
CN2C
CNP2C
CNP2B
CN2B
CN2A
CNP2A
2-2B
CN1A
CNP1
CN1B
78 83 78 83 78 83 78 83
ONLY 3010A/20VA/20VRA

- 170 -
NOTE( 注記 ) #01....FOR EN EN 用
#02....FOR 3010A 3010 A 用
#03....FOR 3010A(EN),3010ACL(EN) 3010 A(EN),3010 ACL(EN)用
#04....FOR 3020VA,3020VRA 3020 VA,3020 VRA 用
#05....FOR 3020VA(EN),3020VRA(EN) 3020 VA(EN),3020 VRA(EN)用
#06....FOR 3010A,3010ACL 3010 A,3010 ACL 用
#07....EXCEPT 3010ACL 3010 ACL を除く
REF.NO NOTE PART NO D E S C R I P T I O N
品 名
Qty
1 401-46386 NFB-LF CABLE ASM
NFB−LFケーブル組
1
2 401-33966 MAIN SW INPUT CABLE ASM
メインスイッチ入力束線組
1
3 401-48269 AC INPUT UNIT FG CABLE ASM
AC入力ユニットFGケーブル組
1
4 401-29262 AC INPUT SURGE PROTECTOR ASM
AC入力サージプロテクタ組
1
5 400-92401 AC INPUT NO.26 CABLE ASM
AC入力ユニット No.26ケーブル組
1
6 401-46437 MTC/MTS PWR CONNECTOR ASM
MTC/MTS電源コネクタ組
1
7 401-46387 MAIN SW-TF CABLE ASM
メインSW−TFケーブル組
1
8 401-46436 MTC/MTS PWR CABLE ASM
MTC/MTS電源ケーブル組
1
9 401-35052 TRANSFORMER
トランス
1
10 401-33971 TF INPUT CABLE (DELTA) ASM
変圧器入力端子デルタ結線束線組
1
11 401-09925 TF FG CABLE ASM
トランスFGケーブル組
1
12 401-09926 TF 200V OUTPUT CABLE ASM
TF200V出力ケーブル組
1
13 401-09927 TF 34V OUTPUT CABLE ASM
TF34V出力ケーブル組
1
14
#01
401-13637 SAFETY U 34V IN CABLE ASM(EN)
セーフティ U 34V IN ケーブル組(EN)
1
15
#01
401-13638 SAFETY U 34V OUT CABLE ASM(EN)
セーフティ U 34V OUT ケーブル組(EN)
1
16 401-09928 TF 100VA OUTPUT CABLE ASM
TF100VA出力ケーブル組
1
17 401-09929 TF 200VB OUTPUT CABLE ASM
TF200VA出力ケーブル組
1
18
#06
401-49489 POWER SUPPLY UNIT 10 ASM
電源ユニット10組
1
19
#03
401-49490 POWER SUPPLY UNIT 10(EN) ASM
電源ユニット10(EN)組
1
20
#04
401-49556 POWER SUPPLY UNIT 20 ASM
電源ユニット20組
1
21
#05
401-49559 POWER SUPPLY UNIT 20(EN) ASM
電源ユニット20(EN)組
1
22 401-09930 X PWR CABLE ASM
X電源ケーブル組
1
23 401-29652 X AXIS DRIVER
X軸ドライバ
1
24 401-09933 X DRV FG CABLE ASM
XドライバFGケーブル組
1
25 401-14533 ETF_POWER_ASM
ETF電源組
1
26 401-13635 GND COMMON CABLE ASM
GND COMMONケーブル組
1
27 401-29244 VACUUM PUMP ASM
真空ポンプ組
1
28 401-46409 VACUUM PUMP RELAY CABLE ASM
真空ポンプ中継ケーブル組
1
29 401-48286 FAN CABLE ASM
ファンケーブル組
1
30 401-33768 DC FAN
DCファン
1
31 400-44540 16AXIS 2CH SERVO CONTROLLER
16軸 2CHポジションボード
1
32 401-09948 POS BOARD1 1CH CABLE ASM
ポジションボード1 1CHケーブル組
1
33 400-97614 XY-RELAY POS RELAY CABLE ASM
XY−RELAY ポジション中継ケーブル組
1
34 400-48070 OPTICAL FIBER CABLE 7M
光ファイバケーブル7M
1
35 401-46367 X ENC CABLE ASM
X ENC ケーブル組
1
36 401-09943 X MOTOR CABLE ASM
Xモータケーブル組
1
37
#01
HN-0015500-00 CORE
コア
1
38 401-46388 XY BEAR CABLES ASM
XY ベアケーブル組
1
39 401-46380 Y BEAR CABLES ASM
Y ベアケーブル組
1
40 401-29630 XY LINEAR SCALE HEAD
XYリニアスケールヘッド
1
41 400-44545 X MOTOR ENCODER CABLE
X軸エンコーダ中継ケーブル
1
42 400-44546 X MTR POWER CABLE
X MTR電源ケーブル
1
43 401-29653 X AXIS MOTOR
X軸モータ
1
44 401-06795 S-XY RELAY PCB ASM
S−XYリレー基板組
1
45 401-29654 Y AXIS DRIVER
Y軸ドライバ
1
46 401-09931 YL POWR CABLE ASM
YL電源ケーブル組
1
47 400-92416 DRV FG CABLE ASM
ドライバFGケーブル組
1
48 401-29627 OPTICAL FIBER CABLE 1M
光ファイバケーブル1M
1
49 401-46383 YL LINEAR SENS CABLE ASM
YL リニアセンサケーブル組
1
50 401-46368 YL ENC CABLE ASM
YL ENCケーブル組
1
51 401-46381 YL ENCODER CABLE ASM
YL エンコーダケーブル組
1
52 401-46439 YL MOTOR CABLE ASM
YL モータケーブル組
1
53 401-46348 Y AXIS SERVO MOTOR
Y軸モータ
1
54 401-29628 OPTICAL FIBER CABLE 0.15M
光ファイバケーブル0.15M
1
55 401-09932 YR PWR CABLE ASM
YR電源ケーブル組
1
56 401-46384 YR LINEAR SENSER CABLE ASM
YR リニアセンサケーブル組
1
57 401-46369 YR ENC CABLE SAM
YR ENCケーブル組
1
58 401-46382 YR ENCODER CABLE ASM
YR エンコーダケーブル組
1
59 401-46440 YR MOTOR CABLE ASM
YR モータケーブル組
1
60 401-46346 ATX PSU
ATX電源
1
61 401-46431 ATX POWER CABLE ASM
ATX電源ケーブル組
1
62 401-46347 BATTERY
バッテリー
1
63 401-63313 ATX MAIN CABLE ASM
ATXメインケーブル組
1
64 401-46426 ATX 12V CABLE ASM
ATX 12Vケーブル組
1
65 401-31764 ATX CTRL CABLE ASM
ATX電源制御束線組
1
66 401-63314 CPCI POWER CABLE ASM
CPCI電源ケーブル組
1
67 401-05681 MONITOR SWITCH PCB PWR CABLE ASM
モニタ切り替え基板電源ケーブル組
1
68 401-29625 CPCI BACK BOARD 6SLOT
CPCIバックボード6スロット
1
69 HX-0057700-00 POWER SUPPLY
パワーサプライ
1
70 400-97430 COPLA INPUT RELAY CABLE ASM
コプラ入力リレーケーブル組
1
71 400-97428 COPLA CPU POWER CABLE ASM
コプラCPU電源ケーブル組
1
72 400-97433 COPLA CPU GND CABLE ASM
コプラCPU GNDケーブル組
1
73 400-97432 COPLA CPU CP CABLE ASM
コプラCPU CPケーブル組
1
74 400-97423 CPCI BACK BOARD
CPCI バックボード
1
75 401-32154 COPLA MONITOR SWITCHING BOARD
コプラナリティ画面切り替え基板
1
76 401-29650 4AXIS INTEGRAL TYPE T AXIS DRIVER
4軸一体型軸ドライバ
1
77
#04
401-29628 OPTICAL FIBER CABLE 0.15M
光ファイバケーブル0.15M
1
78
#04
401-49143 SERVO MOTOR 30W
サーボモータ 30W
1
79 401-46452 SERVO MOTOR 10W
サーボモータ 10W
1
80 401-46396 LZT PWR RELAY CABLE ASM
LZT 電源中継ケーブル組
1
81 401-18621 OPTICAL FIBER CABLE 2M
光ファイバケーブル2M
1
82
#02
401-29628 OPTICAL FIBER CABLE 0.15M
光ファイバケーブル0.15M
1
83
#02
401-49143 SERVO MOTOR 30W
サーボモータ 30W
1
84
#07
401-46437 MTC/MTS PWR CONNECTOR ASM
MTC/MTS電源コネクタ組
1