00193891-0702_AI_LP_Barcode_DE EN - 第201页
Lw2 Connector 1 Dimensions / c able ty pe Cable w1, w2 dimensions Basic length acc. to par ts list Assembled ov erall length / tolerance Inscription label Cable type: Option: Material number: L in mm Stripped length Dime…

2 PCB barcode scanner assembly instructions SIPLACE
2.9 Electrical drawings 10/2009 Edition
200
2.9 Electrical drawings
Distributor f. PCB barcode scanner 00372356-xx
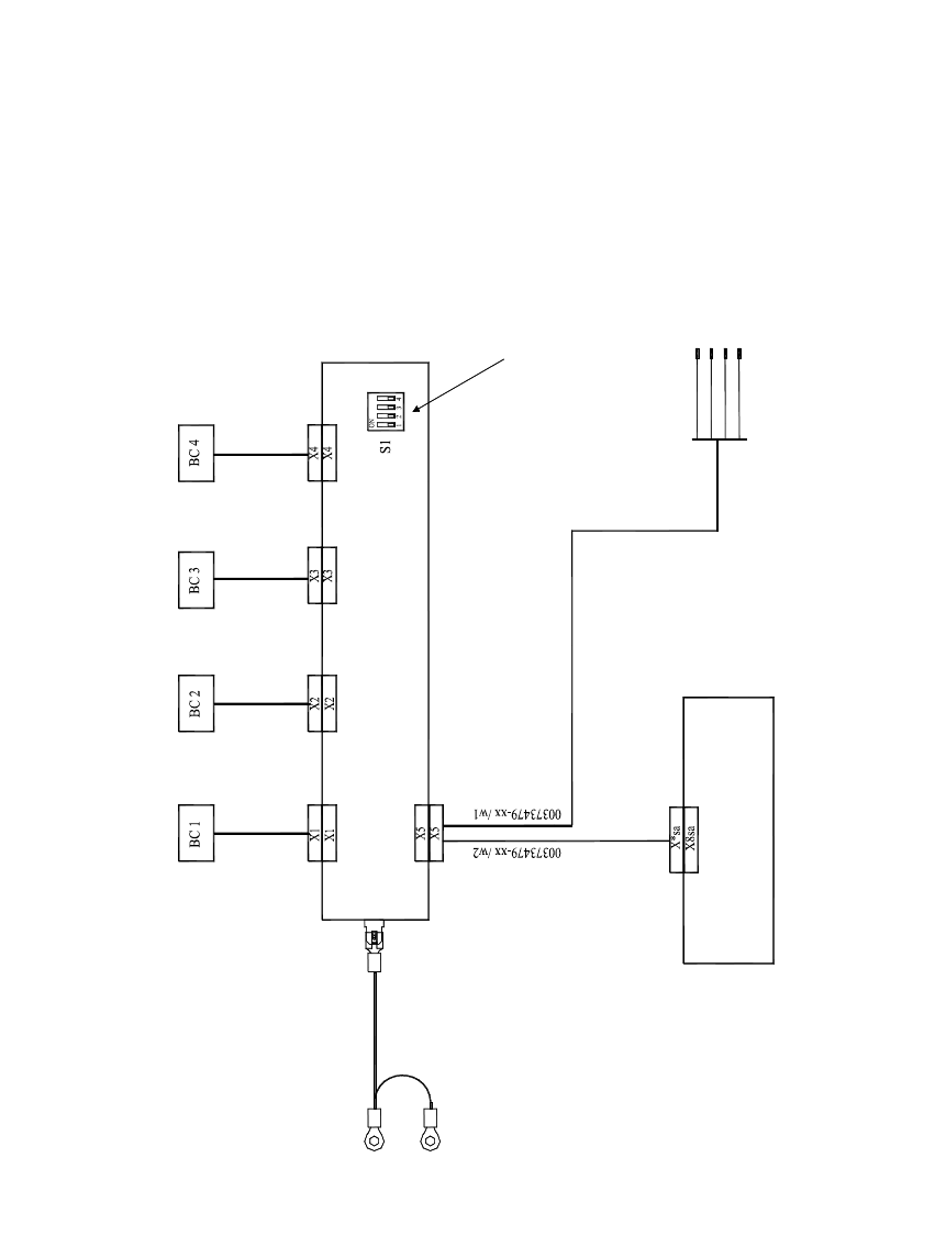
Barcode scanner
top
Conveyor track 1
Barcode scanner
bottom
Conveyor track 1
Barcode scanner
top
Conveyor track 2
Barcode scanner
bottom
TConveyor track 2
If no barcode scanner is connected to X1 ... X4,
Use caps to cover slots that are not used.
PCB barcode, conveyor track 1
Machine controller
PCB barcode, conveyor track 2
Wiring for S/F PCB barcode scanner
GN
BN
WH
YE
X212/4
X2kc:7
X212/3
X2kc:4
Connecting the terminal panel (left-hand side)
+24V
IO terminal A2 (Start signal, track 1)
GND
IO terminal A2 (Start signal, track 2)
03022166-xx
Extension kit
Replace grounding cable 00310192-xx by 03022166-xx.
Frame
Distributor grounding terminal
make sure to set the associated switch contact 1 ... 4 at S1 to ON.
2
Fig. 2.9 - 1 Wiring for PCB barcode scanner S/F (03016203-010301)

Lw2
Connector 1
Dimensions / cable type
Cable w1, w2 dimensions
Basic length acc. to parts list
Assembled overall length / tolerance
Inscription label
Cable type:
Option:
Material number:
L in mm
Stripped length
Dimension / inscription
The arrow always points to the upper left corner of the inscription label.
For details concerning the inscription and design of the labels, please refer to the inscription guidelines for cable sets which you will find included in the parts list.
Important:
Shrink cables separately when they are not connected.
Wire connection technology
A: Wire end ferrule
C: Crimp contact
C/So: Crimp contact, socket
C/CO: Crimp contact, connector
F: Flat pin bushing
L: Soldered joint
CR: Cable lugs (ring-type)
CP: Cable lugs (pin)
CF: Cable lugs (fork-type)
SA: Screen assembly
00373479-xx
50
700 /+50
3000/+100
3400
50
L1w2
Wire
color /
Wire no.
Connector 1:
X5
Pin
Connection
Jumpers KEY
Wiring
1
2
3
4
5
6
7
8
9
Wire
color /
Wire no.
Connector 2:
X23ao
Pin
Connection
Jumpers KEY
Fit screen on SUB-D casing with contact sleeve
A6106
Connector 1, connector 2
Orientation of the cable exit
Connector 2
Coding pin (for connector 1)
w1
w2
GN
BN
WH
YE
X212/4
X2kc:7
X212/3
X2kc:4
L3w1 L1w1
Lw1
Label wrapped round w1
and w2
3300/+100
50
technology
technology
SIPLACE 2 PCB barcode scanner assembly instructions
10/2009 Edition 2.9 Electrical drawings
201
2
Fig. 2.9 - 2 Cables for PCB barcode scanner S/F (00373479-010301)

L1w1
L1w3
Side 3
Wire color / wire no. Type Cross-section / hole
gnye 2.5-6 mm²F
Side 3
Connection technology
Lw2
L1w3
Inscription labels
Cable type:
Option:
Material number:
Lw1
L1w1
L in mm
Wiring
03022166-01
1500
330 +/-20
W1
H05V-K, UL-CSA 2.5 mm² gnge
Wire color / wire no. Type Cross-section / hole
gnye 2.5-6 mm² / 5 CR
Important:
Shrink cables separately when they are not connected.
Wire connection technology
A: Wire end ferrule
C: Crimp contact
C/So: Crimp contact, socket
C/CO: Crimp contact, connector
F: Flat pin bushing
L: Soldered joint
CR: Cable lugs (ring-type)
CP: Cable lugs (pin)
CF: Cable lugs (fork-type)
SA: Screen assembly
Side1
Connection technology
Wire color / wire no. Type Cross-section / hole
gnye 2.5-6 mm² / 5CR
Side 2
Connection technology
800 +/-20
100 +/-20
100 +/-20
W2
Dimension/connector designation/labeling
Lw2
The arrow always points to the upper left corner of the inscription label.
For details concerning the inscription and design of the labels,
please refer to the current TBL (technical ordering designations and terms of supply).
Dimensions / cable type
Cable W1 dimensions
Basic length acc. to parts list
Assembled overall length / tolerance
Side1
Side 2
Lw1
2 PCB barcode scanner assembly instructions SIPLACE
2.9 Electrical drawings 10/2009 Edition
202
2
Fig. 2.9 - 3 Grounding cable for distributor for PCB barcode scanner S/F (03022166-010101FD3