RH下部机械图-.pdf - 第4页
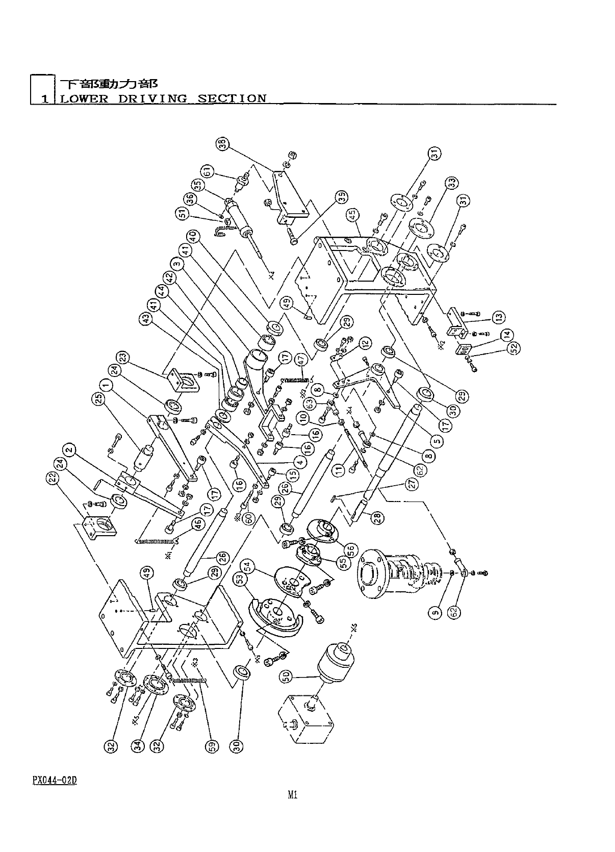
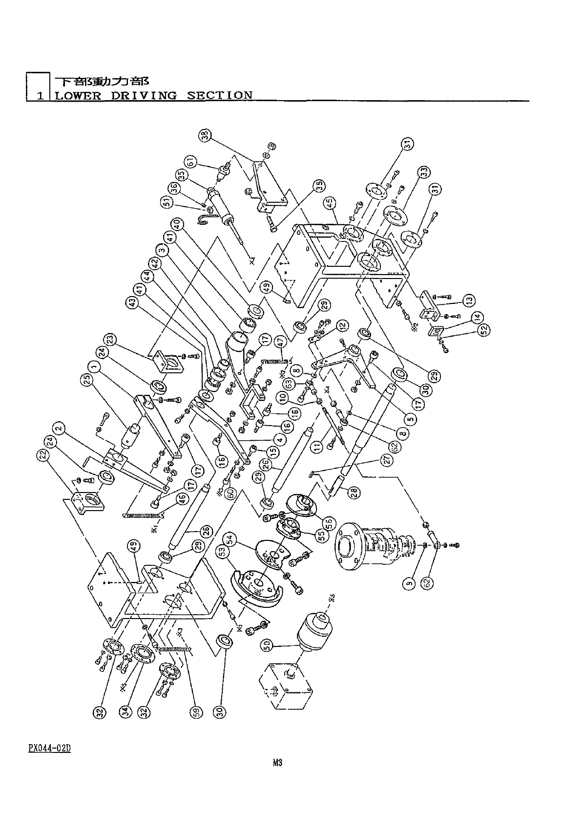
下部動力部 1 L O W E R D R I V I N G S E C T I O N 部 番 品 名 個数 備 考 品 No - Q . TY PART NAME REF REMARKS PART No . No . 上下 wr - ( A ) ANVIL UP / DOffK LEVER ( A ) X 005 - 023 上下 wr - ⑻ ANVIL UP / DOffN LEVER ( B ) X 005 - Q 24 2…

下部動力部
1
LOWER
DRIVING
SECTION
PX
044
-
02
D

下部動力部
1
LOWER
DRIVING
SECTION
部
番
品
名
個数
備
考
品
No
-
Q
.
TY
PART
NAME
REF
REMARKS
PART
No
.
No
.
上下
wr
-
(
A
)
ANVIL
UP
/
DOffK
LEVER
(
A
)
X
005
-
023
上下
wr
-
⑻
ANVIL
UP
/
DOffN
LEVER
(
B
)
X
005
-
Q
24
2
M
iM
WLI
CUT
CLINCH
LEVER
3
X
005
-
025
ny
I
9
y
上下
wr
-
GUIDE
PIN
DP
/
DOWW
LEVER
4
X
005
-
026
施回
W
\
—
-
ANVIL
ROTATION
LEVER
5
X
005
-
027
6
<
62
>
1
<
63
>
tl
-
COLLAR
8
X
005
-
03
Q
-
1
2
力卜
COLLAR
9
X
0
Q
5
-
Q
30
-
2
六角
fyf
(
左
)
M
8
C
左
)
HEXAGON
MUT
10
XNAM
8
L
連結棒
CONNECTING
ROD
X
005
-
033
11
止術
STOPPER
PLATE
12
X
005
-
Q
34
STOPPER
BRACKET
13
X
005
-
Q
36
x
卜
,
八
-
STOPPER
14
X
005
-
037
力厶
CAM
FOLLQffER
15
N
52
QCF
6
CF
-
6
U
ztgir
Cm
FOLLOWER
16
N
520
CF
8
3
CF
-
8
U
7
tn
7
-
17
CAM
FOLLOWER
N
52
QCF
10
4
CF
-
10
18
19
20
21
軸受
2
hA
BEARING
FRAME
22
XQQ
5
-
048
-
2
軸受
n
-
k
BEARING
FRAME
23
X
005
-
048
-
1
1
木
—
一办
V
7
]
)
v
!
l
BALL
BEARING
24
XLC
60
Q
5
ZZ
2
6
QQ
5
ZZ
支点軸
(
A
)
FULCRUM
SHAFT
(
A
)
25
XQQ
5
-
Q
50
支点軸
⑻
亂
CRUM
SHAFT
(
B
)
26
X
005
-
051
2
卜
(
両丸
)
27
KEY
XPA
5527
5
X
6
X
27
L
Tas
tm
LOffER
CAM
SHAFT
28
X
005
-
053
r
-
t
KVM
BALL
BEARING
29
XLC
6004
ZZ
4
6004
ZZ
n
KVM
BALL
BEARING
30
XLC
6205
ZZ
2
62
Q
52
Z
31
X
0
Q
5
-
056
COLLAR
2
rrj
'
f
FLANGE
32
X
005
-
Q
57
2
i
7
-
COLLAR
33
XOQ
5
-
058
liW
X
005
-
059
FLANGE
34
17
"
WLL
AIR
CYLINDER
35
X
005
-
061
-
2
E
]
)
yr
E
-
BING
36
XUC
6
ETff
-
6
37
<
61
>
册夕一
-
r
38
XQ
05
-
064
CYLINDER
BRACKET
又卜
*
/
A
—
才
》
Jl
/
卜
STOPPER
BOLT
39
X
005
-
178
PX
0
AM
2
D
M
2

下部動力部
1
LOWER
DRIVING
SKCTION
EX
044
-
02
D