00192216-01.pdf - 第18页
1 Nachrüstanleitung für Option Keram iksubstrat-Zentrierung SIPL ACE 80 S-20 / S-23HM/ F4 / F4-6 / F 5 1.4 Ablauf der Nachrüs tung Ausgabe 04/2000 18 Å Mon tieren S ie die ( Substrat- ) "Führu ng kurz" u nd die…

SIPLACE 80 S-20 / S-23HM/ F4 / F4-6 / F5 1 Nachrüstanleitung für Option Keramiksubstrat-Zentrierung
Ausgabe 04/2000 1.4 Ablauf der Nachrüstung
17
Abb. 1.4.2 Montage: Klemmkörper mit Schwinge und Druckstückhalter, Schwingenbetätiger
HINWEIS:
Schrauben Sie nachfolgend genannte Substrat-Führungsteile (Rollenleisten) noch nicht ganz
fest, da die Flucht der Rollenleisten in einem späteren Arbeitsschritt noch eingestellt werden muß.

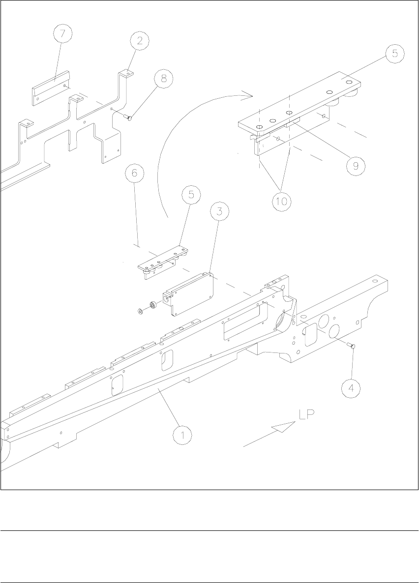
1 Nachrüstanleitung für Option Keramiksubstrat-Zentrierung SIPLACE 80 S-20 / S-23HM/ F4 / F4-6 / F5
1.4 Ablauf der Nachrüstung Ausgabe 04/2000
18
Å Montieren Sie die (Substrat-) "Führung kurz" und die (Substrat-) Leiste auf der bewegliche
Transportseite (siehe Abb. 1.4.3 -> 7, 8, 9):
-> Verwenden Sie dazu die vorher demontierten 2 Innensechskantschrauben M3 x 8.
Å Montieren Sie die (Substrat-) "Führungsleiste rechts" auf der festen Transportseite (siehe Abb.
1.4.3):
-> Verwenden Sie die vorher demontierten 4 Innensechskantschrauben M3 x 8.
HINWEIS:
Die im Nachrüstsatz enthaltenen 2 Verbindungsleisten für die Niederhalter werden nicht montiert,
da sie nur für die Zurückrüstung auf LP-Zentrierung benötigt werden (siehe Abschn. 1.5).
Bewahren Sie alle derzeit nicht benötigten Teile, wie die 2 Verbindungsleisten, LP-Führungslei-
sten und ausgebaute Kugellager mit Welle und Schrauben so auf, daß Sie für eine Zurückrüstung
auf LP-Transport bzw. Änderung der Substratgröße wieder zur Verfügung stehen.
Legende zu Abb. 1.4.3:
1. Transportbaugruppe, feste Seite
2. Niederhalter für feste Seite *)
3. Niederhalter für bewegliche Seite *)
4. Klemmkörper mit Schwinge, montiert *)
5. Druckstückhalter (Zentrierung in Y-Richtung) *)
6. Schwingenbetätiger *)
7. Führung, kurz (mit Rollen) *)
8. Leiste (mit Rollen) *)
9. Befestigung: je 2 Innensechskantschrauben M3 x 8 *)
10.Führungsleiste rechts, komplett (lang, mit Rollen) *)
11.Befestigung: 4 Innensechskantschrauben M3 x 8 *)
12.induktiver Näherungsschalter Keramiksubstrat-Zentrierung *)
13.Kabel Näherungsschalter Keramiksubstrat-Zentrierung *)
14.LP-Niederhaltewinkel (an fester und beweglicher Seite) *)
nur für Zurückrüstung auf LP-Zentrierung benötigt
15.Befestigung: je 6 Senkschrauben M3 x 6 *)
nur für Zurückrüstung auf LP-Zentrierung benötigt
*) im Nachrüstsatz enthalten

SIPLACE 80 S-20 / S-23HM/ F4 / F4-6 / F5 1 Nachrüstanleitung für Option Keramiksubstrat-Zentrierung
Ausgabe 04/2000 1.4 Ablauf der Nachrüstung
19
Abb. 1.4.3 Montage Niederhalter, Führungsleisten, Zentriereinheit; Anschluß der Zentriereinheit