TR7700_SII_Hardware_ch-v2.51_20120621 - 第68页
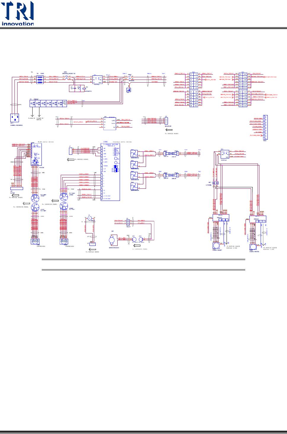
Test Research Inc. 56 TR 7700 User Guide -- Ha rdw are 6.2 系統接線圖 6.2.1 系統電源 (S YSTEM P OWER ) 圖 111 :系統接線圖 – 系統電源

Test Research Inc.
TR7700 SII User Guide--Hardware 55
6.1.3
電力面板配置圖
圖
110
:電力面板配置圖

Test Research Inc.
56 TR7700 User Guide--Hardware
6.2
系統接線圖
6.2.1
系統電源
(SYSTEM POWER)
圖
111
:系統接線圖
–
系統電源

Test Research Inc.
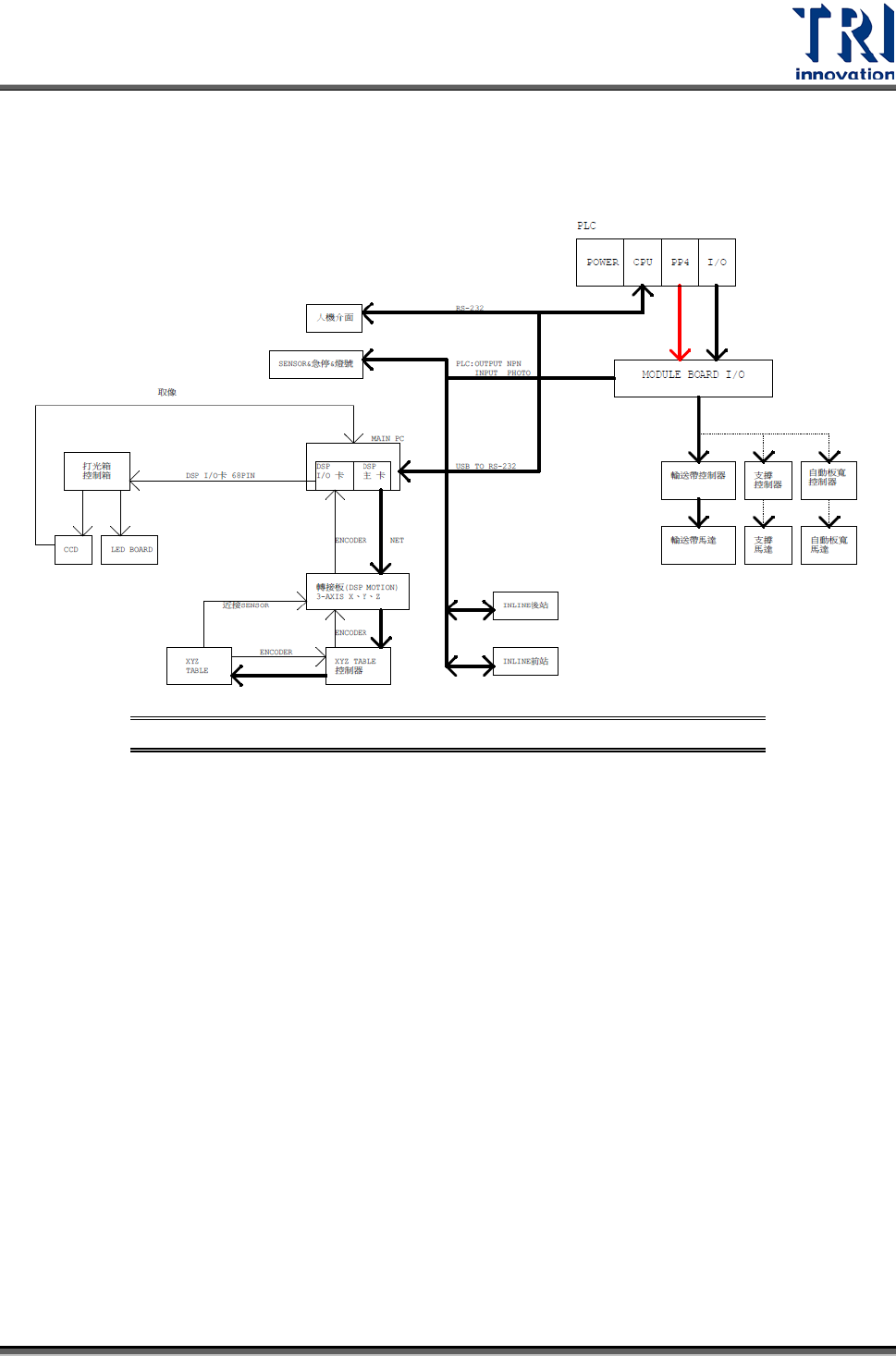
TR7700 SII User Guide--Hardware 57
6.2.2 7700 SII PLC BLOCK
圖
112
:系統接線圖
–7700 SII PLC Block