TR7700_SII_Hardware_ch-v2.51_20120621 - 第75页
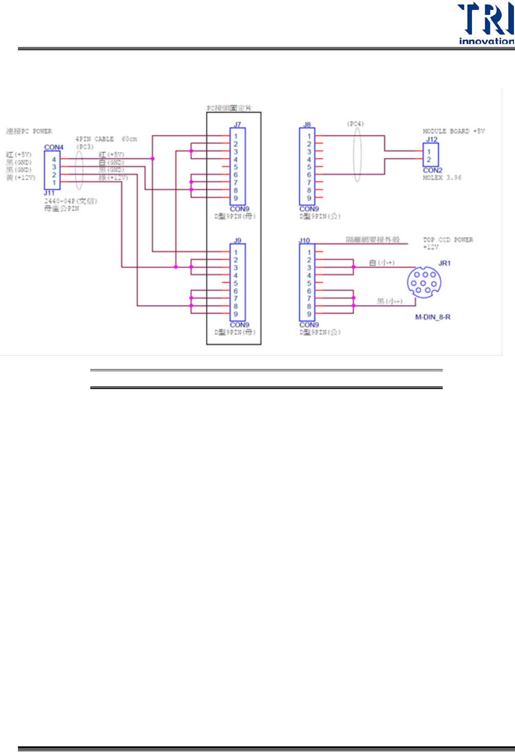
Test Research Inc. TR 7700 SII User Guide -- Hardware 63 6.2.8 PC POWE R OUTPUT P O RT 圖 118 :系統接線 圖 – PC POWER OUTPUT Po rt

Test Research Inc.
62 TR7700 User Guide--Hardware
6.2.7 MOTION SLAVE MODULE
圖
117
:系統接線圖
–Motion Slave Module

Test Research Inc.
TR7700 SII User Guide--Hardware 63
6.2.8 PC POWER OUTPUT PORT
圖
118
:系統接線圖
–PC POWER OUTPUT Port

Test Research Inc.
64 TR7700 User Guide--Hardware
6.2.9
步進馬達驅動器
(STEPPING MOTOR DRIVER)
圖
119
:系統接線圖
–
步進馬達驅動器