TR6SNR_TR6SNV_TR6SNX-Rev05 - 第51页

- 48 - NOTE( 注記 ) #01....FOR TR6SNX ,TR6SXLX, TR 6 SNX,TR 6 SX LX, TR6SNV TR 6 S NV 用 REF.NO NOTE PART NO D E S C R I P T I O N 品 名 Qty 1 E9522- 716-0A0 I/F CABLE ASM. 1 I/F束線組1 1 2 400 -45200 I/F CABLE ASM. I/Fケーブル組 1 3…

100%1 / 58
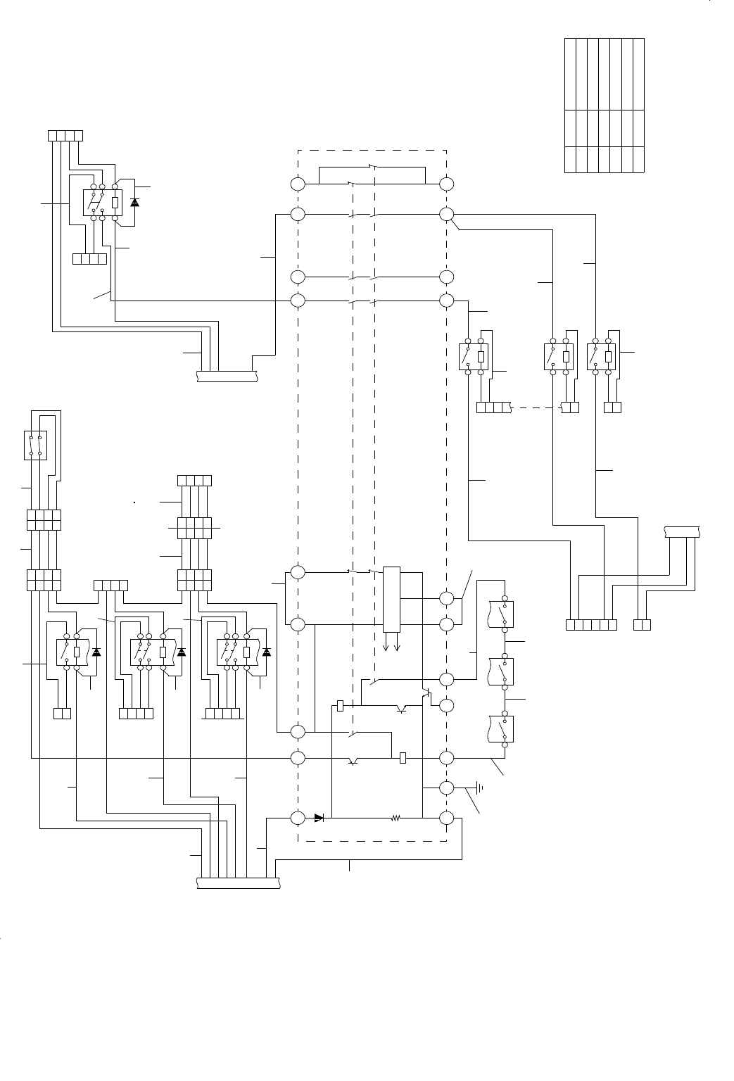
- 47 -
24. WIRING DIAGRAM (11)
WIRING DIAGRAM(11)
HOD LCD ASM
14
13
12
11
10
9
8
7
6
5
4
3
2
1
3
2
1
3
2
1
14
13
12
11
10
9
8
7
6
5
4
3
2
1
14
13
12
11
10
9
8
7
6
5
4
3
2
1
26
25
24
23
22
21
20
19
18
17
16
15
14
13
12
11
10
9
8
7
6
5
4
3
2
1
26
25
24
23
22
21
20
19
18
17
16
15
14
13
12
11
10
9
8
7
6
5
4
3
2
1
HOD BOX
OPERATION PCB
20
19
18
17
16
15
14
13
12
11
10
9
8
7
6
5
4
3
2
1
20
19
18
17
16
15
14
13
12
11
10
9
8
7
6
5
4
3
2
1
20
19
18
17
16
15
14
13
12
11
10
9
8
7
6
5
4
3
2
1
20
19
18
17
16
15
14
13
12
11
10
9
8
7
6
5
4
3
2
1
20
19
18
17
16
15
14
13
12
11
10
9
8
7
6
5
4
3
2
1
TRAY LED PCB 2
20
19
18
17
16
15
14
13
12
11
10
9
8
7
6
5
4
3
2
1
TRAY LED PCB 1
20
19
18
17
16
15
14
13
12
11
10
9
8
7
6
5
4
3
2
1
GND
GND
GND
+5V
+5V
+5V
POR
WR[N]
RD[N]
CSTRAY[N]
D4
D3
D2
D1
D0
+5V
+5V
GND
GND
GND
CN10
20
19
18
17
16
15
14
13
12
11
10
9
8
7
6
5
4
3
2
1
9_3B
B
B
B
B
B
B
B
B
B
B
B
B
B
B
B
B
B
B
B
B
B
B
B
B
B
25
24
23
22
21
20
19
18
17
16
15
14
13
12
11
10
9
8
7
6
5
4
3
2
1
A
A
A
A
A
A
A
A
A
A
A
A
A
A
A
A
A
A
A
A
A
A
A
A
A
50
25
49
24
48
23
47
22
46
21
45
20
44
19
43
18
42
17
41
16
40
15
39
14
38
13
37
12
36
11
35
10
34
9
33
8
32
7
31
6
30
5
29
4
28
3
27
2
26
1
+5V
+5V
RS[N]
R[N]/W
LCDENABLE[N]
D0
D1
D2
D3
D4
D5
D6
D7
GND
SW_D3
SW_D2
SW_D1
SW_D0
SW_SL2[N]
SW_SL1[N]
SW_SL0[N]
LED3[N]
LED2[N]
LED1[N]
GND
GND
26
25
24
23
22
21
20
19
18
17
16
15
14
13
12
11
10
9
8
7
6
5
4
3
2
1
26
25
24
23
22
21
20
19
18
17
16
15
14
13
12
11
10
9
8
7
6
5
4
3
2
1
50
49
48
47
46
45
44
43
42
41
40
39
38
37
36
35
34
33
32
31
30
29
28
27
26
25
24
23
22
21
20
19
18
17
16
15
14
13
12
11
10
9
8
7
6
5
4
3
2
1
50
49
48
47
46
45
44
43
42
41
40
39
38
37
36
35
34
33
32
31
30
29
28
27
26
25
24
23
22
21
20
19
18
17
16
15
14
13
12
11
10
9
8
7
6
5
4
3
2
1
Inside of TR6SInside of TR6S
25
24
23
22
21
20
19
18
17
16
15
14
13
12
11
10
9
8
7
6
5
4
3
2
1
50
25
49
24
48
23
47
22
46
21
45
20
44
19
43
18
42
17
41
16
40
15
39
14
38
13
37
12
36
11
35
10
34
9
33
8
32
7
31
6
30
5
29
4
28
3
27
2
26
1
N.C
N.C
N.C
N.C
N.C
N.C
N.C
N.C
N.C
N.C
I/F +5V
I/F +5V
I/F +5V
I/F +5V
N.C
C_OPEN
MTC_EMG[N]
EMG
POWER_ON[N]
RDY[N]/BSY1
I/F GND
RDY/BSY0[N]
I/F GND
WRITE0[N]
I/F GND
WRITE1[N]
I/F GND
I/F GND
WDATA7
WDATA6
WDATA5
WDATA4
I/F GND
I/F GND
WDATA3
WDATA2
WDATA1
WDATA0
I/F GND
I/F GND
RDATA7
RDATA6
RDATA5
RDATA4
I/F GND
I/F GND
RDATA3
RDATA2
RDATA1
RDATA0
CN09
MAIN PCB(8/8)
I/F
J04 J010P010 C N2 2
DB7
DB6
DB5
DB4
DB3
DB2
DB1
DB0
E
R/W[N]
RS
VEE
VDD
VSS
LED_K
N.C
LED_A
CN03 HOD03
CN02 HOD02HOD01CN01
CN118 TRA Y02 CN01TRAY01 CN01
MAIN10
MAIN09
MAIN22
1
2
3
4
5
6
7
MTC/MTS I/F
I/F I/F
I/F
20
19
18
17
16
15
14
13
12
11
10
9
8
7
6
5
4
3
2
1
20
19
18
17
16
15
14
13
20
19
18
17
16
15
14
13
12
11
10
9
8
7
6
5
4
3
2
1
12
11
10
9
8
7
6
5
4
3
2
1
CN422
12
11
10
9
8
7
6
5
4
3
2
1
12
11
10
9
8
7
6
5
4
3
2
1
EMG[N]
+24V
CV_OP[N]
+24V
TxD-
TxD+
+24V
RxD-
RxD+
MTC_OPEN[N]
MTC_EMG2[N]
POWER_ON2[N]
CN422
8
9
- 48 -
NOTE( 注記 ) #01....FOR TR6SNX,TR6SXLX, TR SNX,TR SXLX,
TR6SNV TR NV
REF.NO NOTE PART NO D E S C R I P T I O N
品 名
Qty
1 E9522-716-0A0 I/F CABLE ASM. 1
I/F束線組1
1
2 400-45200 I/F CABLE ASM.
I/Fケーブル組
1
3 400-45201 PANEL CABLE ASM.
パネルケーブル組
1
4 400-46243 LCD I/F CABLE ASM.
LCD I/Fケーブル組
1
5 400-46244 LCD BL CABLE ASM
LCD BL ケーブル組
1
6 400-45202 TRAY LED CABLE 1 ASM.
トレイLEDケーブル1組
1
7 400-46209 TRAY LED CABLE 2 ASM.
トレイLEDケーブル2組
1
8
#01
400-94573 I/F CABLE ASM
I/Fケーブル組
1
9
#01
400-96157 MTC/MTS I/F CABLE ASM
MTC/MTS I/Fケーブル組
1
- 49 -
25. WIRING DIAGRAM (12)
WIRING DIAGRAM(12)
1_1D
(CE)
1_1B
(CE)
5_4B
(CE)
10_2C
(CE)
5_4C
(CE)
CN117
4
2
3
1
4
5_5B
(CE)
5_5C
(CE)
1
CN107-A
CN059-B
MY2 DC24V
MY2 DC24V
MY2 DC24V
G7SA-3A1B DC24V
G7SA-3A1B DC24V
G7SA-3A1B DC24V
G7SA-3A1B DC24V
OMRON
OMRON
OMRON
OMRON
OMRON
OMRON
OMRON
RLY17
RLY16
RLY14
RLY12
RLY11
RLY10
RLY9
CN072-A
BR
1413
8
RLY17
12
1413
8
RLY16
12
1413
8
RLY14
12_2B
RLY11
33 34
12_2A
RLY10
33 34
12_2A
10_2C
(CE)
D8
RLY12
D7
12_2C
12_2C
D6
12_1C
44
43
34
33
3
2
CN077
2324
4344
4
2
3
1
RLY11
10
2324
4344
4344
D5
1_5C
(CE)
1_5B
(CE)
CN059-A
2
1
CN067-A
6
5
4
2
3
1
1
0
4
2
3
1
5_5C
(CE)
2
1
CN080
CN072-B
4
2
3
1
BR
CN071CN071
4
2
3
1
4
2
3
1
CN070
CN107-B
4
2
3
1
4
2
3
1
RLY10
10
4
2
3
1
CN069CN068
4
2
3
1
4
2
3
1
4
2
3
1
4
2
3
1
CN067-B
TB2
-
-
-
2
1
6
5
4
3
2
1
12
OMRON
G9SA-301
SRLY
41
4234
33
24
23
+
-
+
+
TB2
14
13T32
b
a
BA
Control
Circuit
T31
RLY9
33 34
K1
K2
K2
b
aK1
T23 T22T21PE
T12
A2
T11A1
-
+
-
-
-
RLY9
10
31
11
COVER OPEN SW
32
12
+
+
+
TB2
1
2
3
4
56
18
19
20
23
21
22
7
8
11
12
13
14
17
9
10
15
16
37
27
26
28
25
24
29
34
33
31
36
35
30
32