YSM20R_KMK-000_cwd - 第12页
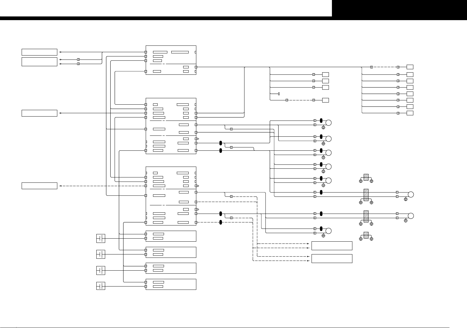
Confidential & P roprietary P A G E CVS1 CN5 CVS2 CN8 I/O C ONVEYOR -4- CN41 CV+24V CVP CN1 J0401 POW BOARD ASSY P091 J0402 48V PO W IC POW CAMERA SEL P OW 48V/24V/ EMG CV C/R I/O UNIT ASSY CVP CN3 CN3 CN1 CN4 CN2 XT…

Confidential & Proprietary
PAGE
I/O CONVEYOR -4-
CN41
CV+24V
CVP CN1J0401
POW BOARD ASSY P091
J0402
48V POW
IC POW
CAMERA SEL POW48V/24V/EMG
CV C/R I/O UNIT ASSY
CVP CN3
CN3
CN1
CN4CN2
XT31
QF53
See Page 2
CVP CN2
J0080POWER CIRCUIT
ENC BOARD ASSY P095
INC ENC 2CN2
INC ENC 1CN1
CN8 BATTERY
CN4MOTOR 2
CN1MOTOR 1
DI2 CN5CN8B ETHER OUT
CVD1 CN5
CN5 MOTOR POW
DRV BOARD ASSY P094
J0404 CVE1 CN8
W2P
W2M
M16
FAN CN5
HE CN5
J0416
SER ENC1 CN3
SER ENC2 CN4
E41
E42
FLEXIBLE
DUCT W2
J0428
J0427
DUCT W1
FLEXIBLE
CV1P
CV1M
M11
E51
W2M
W2P
E57
W1M
W1P
M15
E56
CV3M
CV3P
M13
E53
CV4M
CV4P
M14
E54
CV2M
CV2P
M12
E52
J0056
J0424CVE1 CN4
J0423CVE1 CN3
W1M
J0421
J0422
CVD1 CN1
CVD1 CN4
J0673
J0674
J0252
CV EMG
CN33
W1P
□42 100W
□42 100W
□42 100W
□42 100W
□42 100W
□42 100W
W2-AXIS
W1-AXIS
CV4-AXIS
CV3-AXIS
CV2-AXIS
CV1-AXIS
CV1 RCVI CN7 J0411
I/O BOARD ASSY P092
DO INCN6
J0403 CVI CN6
CN8DO1
CN7DO0
N2300001/T2300701
SQ071
CV SENSOR 1 (Only for R>L)
CV1
N2300000
(L>R,EXIT)
(R>L,ENTRANCE)
CONVEYOR1 RIGHT SENSOR
J0441
(Ext.Conv.op.)
SQ041
CV SEN CV SEN CV1 R
CONTROL BOX -3-
SYS LAN3
CVS1 CN8
CVS1 CN6
SRV BOARD ASSY P093
CV C/R SERVO UNIT ASSY-1
CN8A ETHER IN
OPTION IF CN1
S-POWERCN6
DOCN7
CVS1 CN7
J0195
J0196 CVS1 CN5
CVS1 CN3
VAC CN2
DI1 CN3
W3P
W3M
M17
CN4SER ENC2
DI2 CN5CN8B ETHER OUT
CVD2 CN5
CN1MOTOR 1
CN5 MOTOR POW
MOTOR 2 CN4
CVE2 CN8J0405
INC ENC 2CN2
INC ENC 1CN1
CN8 BATTERY
SER ENC1 CN3
FAN CN5
BATT BOARD ASSY-1 P101
DRV BOARD ASSY P097
ENC BOARD ASSY P098
E43
E44
J0417
HE CN5 FLEXIBLE
DUCT W3
J0430
J0429
DUCT W4
FLEXIBLE
W3M
W3P
E58
W4M
W4P
M18
E59
J0805
J0426CVE2 CN3
CVE2 CN4
ATAP
J0675
J0676
J1707
J0809
CVD2 CN1 J0425
CVD2 CN4
ATAM
J0412R ATS LAN
REAR ATS
REAR ATS
ATHBP
ATHBM
FRONT ATS
ATHAP
ATHAM
FRONT ATS(Option)
REAR ATS(Option)
REAR ATS(Option)
□42 100W
□42 100W
W4-AXIS
W3-AXIS
CN2 BATT OUT
CN1 BATT IN
GB11 BAT1 CN2
BATT BOARD ASSY-2 P102
CN2 BATT OUT
CN1 BATT IN
GB12 BAT2 CN2
BATT BOARD ASSY-3 P103
CVS2 CN6
SRV BOARD ASSY P096
CV C/R SERVO UNIT ASSY-2
CN8A ETHER IN
OPTION IF CN1
S-POWERCN6
DOCN7
CVS2 CN8
DI1 CN3
VAC CN2
CVS CN5
BAT3 CN2
CN2 BATT OUT
CN1 BATT IN
GB13
BATT BOARD ASSY-4 P104
BAT4 CN2
CN2 BATT OUT
CN1 BATT IN
GB14
N2300002/T2300702
SQ072
CV2
CV SENSOR 2
N2300003/T2300703
SQ073
CV3
CV SENSOR 3
N2301002/T2301701
CV SENSOR 8
SQ078
CV8
N2300004/T2300704
SQ074
CV4
CV SENSOR 4
N2300005/T2300705
SQ075
CV5
CV SENSOR 5
CV6
N2301000/T2300707
CV SENSOR 6
SQ076
CV SENSOR 7
CV7
N2301001/T2301700
SQ077
N2301003/T2301702
CV9
SQ079
CV SENSOR 9
N2301004/T2301703
CV SENSOR 10 (Only for L>R)
CV10
SQ080
CV4 L J0443
N2301007
(R>L,EXIT)
(L>R,ENTRANCE)
CONVEYOR4 LEFT SENSOR
SQ042
(Ext.Conv.op.)
CV SEN CV SEN CV4 L
CV1 L
See Page 23,25
See Page 23,25
See Page 22,24
See Page 13
See Page 7
CC.V0
8
CONVEYOR C/R(DS)
YSM20R-2

Confidential & Proprietary
PAGE
CVS1 CN5
CVS2 CN8
I/O CONVEYOR -4-
CN41
CV+24V
CVP CN1J0401
POW BOARD ASSY P091
J0402
48V POW
IC POW
CAMERA SEL POW48V/24V/EMG
CV C/R I/O UNIT ASSY
CVP CN3
CN3
CN1
CN4CN2
XT31
QF53
See Page 2
CVP CN2
J0080POWER CIRCUIT
ENC BOARD ASSY P095
INC ENC 2CN2
INC ENC 1CN1
CN8 BATTERY
CN4MOTOR 2
CN1MOTOR 1
J0196
DI2 CN5CN8B ETHER OUT
CVD1 CN5
CN5 MOTOR POW
DRV BOARD ASSY P094
J0404 CVE1 CN8
CN4SER ENC2
DI2 CN5CN8B ETHER OUT
CVD2 CN5
CN1MOTOR 1
CN5 MOTOR POW
MOTOR 2 CN4
CVE2 CN8J0405
INC ENC 2CN2
INC ENC 1CN1
CN8 BATTERY
SER ENC1 CN3
FAN CN5
BATT BOARD ASSY-1 P101
DRV BOARD ASSY P097
ENC BOARD ASSY P098
E43
E44
J0417
FAN CN5
HE CN5
J0416
SER ENC1 CN3
SER ENC2 CN4
E41
E42
CV1P
CV1M
M11
E51
W1M
W1P
M15
E56
J0056
J0424CVE1 CN4
J0423CVE1 CN3
W1M
J0421
J0422
CVD1 CN1
CVD1 CN4
J0805
J0426CVE2 CN3
CVE2 CN4
ATAP
W4P
CV2P
CV2M
CV3P
CV3M
CV4P
CV4M
W2P
W2M
W3P
J0252
CV EMG
CN33
W1P
J0809
CVD2 CN1 J0425
CVD2 CN4
ATAM
W4M
W3M
HE CN5
J0412
REAR ATS
ATHBP
ATHBM
FRONT ATS
ATHAP
ATHAM
FRONT ATS(Option)
REAR ATS(Option)
CV1-AXIS
□42 100W
□42 100W
W1-AXIS
CVS CN5
J0411CVI CN7 CV1 R
I/O BOARD ASSY P092
DO INCN6
J0403 CVI CN6
CN8DO1
CN7DO0
J0441
(Ext.Conv.op.)
SQ041
CV SEN CV SEN CV1 R
SQ074
CV4
CONVEYOR1 RIGHT SENSOR
N2302000
N2302005/T2302705
N2302001/T2302701
CV SENSOR 2
N2302002/T2302702
CV SENSOR 3
N2302003/T2302703
CV SENSOR 4
N2302004/T2302704
SQ071
CV1
SQ072
CV2
SQ073
CV3
SQ075
CV5
CONTROL BOX -3-
SYS LAN3
CVS1 CN8
CVS1 CN6
SRV BOARD ASSY P093
CV C/R SERVO UNIT ASSY-1
CN8A ETHER IN
OPTION IF CN1
S-POWERCN6
DOCN7
CVS1 CN7
J0195 CVS1 CN3
VAC CN2
DI1 CN3
CVS2 CN6
SRV BOARD ASSY P096
CV C/R SERVO UNIT ASSY-2
CN8A ETHER IN
OPTION IF CN1
S-POWERCN6
DOCN7
J1707
R ATS LAN
REAR ATS
REAR ATS(Option)
DI1 CN3
VAC CN2
CN2 BATT OUT
CN1 BATT IN
GB11 BAT1 CN2
BATT BOARD ASSY-2 P102
CN2 BATT OUT
CN1 BATT IN
GB12 BAT2 CN2
BATT BOARD ASSY-3 P103
BAT3 CN2
CN2 BATT OUT
CN1 BATT IN
GB13
BATT BOARD ASSY-4 P104
BAT4 CN2
CN2 BATT OUT
CN1 BATT IN
GB14
CV6
CV7
CV8
CV9
CV10
N2302006
CONVEYOR1 LEFT SENSOR
CV1 L J0443
SQ042
(Ext.Conv.op.)
CV1 LCV SEN CV SEN
CV4 L
See Page 23,25
See Page 22,24
(R>L EXIT)
(L>R ENTRANCE)
(L>R EXIT)
(R>L ENTRANCE)
See Page 23,25
See Page 7
See Page 13
CV SENSOR 1(L510/L810 Conv.op.)
CV SENSOR 5(L510/L810 Conv.op.)
CC.V0
9
CONVEYOR C/R(SL)
YSM20R-2

Confidential & Proprietary
PAGE
F
CONVEYOR SELECT
DS CONVEYOR
SL CONVEYOR
CONVEYOR SELECT
DS CONVEYOR
SL CONVEYOR
I/O CONVEYOR BOARD ASSY P021
DC24V IN CN1
CN2FAN
CN3DI2,3
F1 FEEDER STRUCTURE FORWARD
N01003A2
DO0,1 CN6
R2 FLT
R2 FEEDER FLOAT
R2 FLT POW
N01003E5
R2 FEEDER FLOAT SENSOR
R1 FLT
R1 FEEDER FLOAT SENSOR
R1 FEEDER FLOAT
N01003E4
F2 FLT
F2 FEEDER FLOAT
F2 FLT POW
N01003E3
F2 FEEDER FLOAT SENSOR
F1 FLT
F1 FEEDER FLOAT SENSOR
F1 FEEDER FLOAT
F1 FLT POW
N01003E2
FEEDER FLOAT SENSOR(FES32 Spec.)
R1 FLT POW
DI6,7 CN7
F1 FLT
F1 FEEDER FLOAT
N01003E2
F FEEDER FLOAT SENSOR
F2 FLT POW
R1 FLT
R1 FEEDER FLOAT
N01003E4
R FEEDER FLOAT SENSOR
FEEDER FLOAT SENSOR(FIX70 Spec.)
R2 FLT POW
I/O CONVEYOR BOARD ASSY CN7
R2 FLT
F2 FLT
R1 FLT POW
F1 FLT POW
CN8DI7,8
CN8
CN9DI8
CN10DO1,2
PREVIOUS CN12
CN11NEXT
CN11
CN12
IONIZER CN13
GS22
See Page 2
POWER CIRCUIT
N0100381
FAN 2
FAN1 REAR L
N0100380
REAR LEFT
FAN 1
FAN16 R1 TOP
N0100397
TOP REAR RIGHT
FAN 16
FAN15 F1 TOP
N0100396
TOP FRONT LEFT
FAN 15
N0100395
Y-FRAME REAR LEFT
FAN 14
N0100394
Y-FRAME REAR RIGHT
FAN 13
N0100393
Y-FRAME FRONT RIGHT
FAN 12
N0100392
Y-FRAME FRONT LEFT
FAN 11
FAN10 C/R R2
N0100391
C/R RIGHT-2
FAN 10
FAN9 C/R R1
N0100390
C/R RIGHT-1
FAN 9
J0301CN2
CN1 J0051
CN6 J0351
XA ORG SENSOR
HEAD XA FAN DI HEAD A
XB ORG SENSOR
HEAD XB FAN DI HEAD B
CN7 J0304
J0305
J0352CN10
IONIZER ASSY(Option)
J0943
N0100422
FRONT IONIZER A21
FRONT SAFETY COVER
REAR IONIZER A22
REAR SAFETY COVER
R IONIZER
F IONIZER
ALARM DI :
ALARM DI :
J0942
R IONIZER
F IONIZER
CN13 J0941
24E CN14 KM11
J0309CN14
CN15DI11,DO4
CN15
CN16BLOW
CN16
R1 PIN ST
R1 PIN STATION UP
T0100045
YV073
R2 PIN STATION UP
T0100043
YV074
R2 PIN ST
J0310
J0311
SAFETY UNIT(Standard)
SF22
SF21
REAR IONIZER FLOW METER
FRONT IONIZER FLOW METER
F
R ION FLOW
F ION FLOW
CN28
I/O CONVEYOR -3-
N01004C7
N01004D0
N0100425
SQ131
SQ143B
SQ143A
SQ141B
SQ141A
SQ141B
SQ141A
SQ142B
SQ142A
SQ143B
SQ143A
SQ144B
SQ144A
DI3,4 CN4
CN5DI4,5,6
CN5 J0303
FES DO
FES32 FEEDERJ0302CN3
F1 FWD
FES DI/DO
FES32 FEEDER STRUCTURE Spec.
REAR2 FES32 YV024
FRONT1 FES32 YV021
T0100000/T0100001
FRONT2 FES32 YV022
T0100002/T0100003
REAR1 FES32 YV023
T0100004/T0100005
T0100006/T0100007
UNCLAMP
UNCLAMP
UNCLAMP
UNCLAMP
CLAMP
CLAMP
CLAMP
CLAMP
FAN11 Y F1
FAN12 Y F2
FAN13 Y R1
FAN14 Y R2
FAN7 C/R L2
N0100386
C/R LEFT-2
FAN 7
FAN6 C/R L1
N0100385
C/R LEFT-1
FAN 6
N0100384
REAR RIGHT-2
FAN 5
FAN4 REAR R1
N0100383
REAR RIGHT-1
FAN 4
FAN3 TM11
N0100382
POWER TRANSFORMER
FAN 3
FAN5 REAR R2
POWER SUPPLY-2
N0100387
FAN 8FAN8 P.SUPPLY2
FAN2 P.SUPPLY1
POWER SUPPLY-1
F2 FEEDER STRUCTURE FORWARD
N01003A5
SQ132
F2 FWD
R1 FEEDER STRUCTURE FORWARD
N01003B0
SQ133
R1 FWD
R2 FEEDER STRUCTURE FORWARD
N01003B3
SQ134
R2 FWD
COVER SW
I/O CONVEYOR -3-
R2 PIN STATION DOWN
N0100433
R2 PIN DOWN
SQ189
R2 PIN STATION UP
N0100432
F1 PIN STATION UP
T0100042
YV071
R2 PIN UP
F1 PIN ST
SQ188
R2 PIN STATION(Option)
F1 PIN STATION DOWN
N0100431
F1 PIN DOWN
SQ182
F1 PIN STATION UP
N0100430
F1 PIN UP
SQ181
F1 PIN STATION(Option)
R1 PIN DOWN
R1 PIN STATION DOWN
N0100437
SQ187
R1 PIN UP
F2 PIN ST
R1 PIN STATION UP
N0100436
F2 PIN STATION UP
T0100044
YV072
SQ186
R1 PIN STATION(Option)
F2 PIN DOWN
F2 PIN STATION DOWN
N0100435
SQ184
F2 PIN UP
F2 PIN STATION UP
N0100434
SQ183
F2 PIN STATION(Option)
See Page 12
See Page 16
See Page 14
See Page 15
See Page 17
See Page 18
See Page 14
See Page 15
See Page 12
See Page 22-25
F1 CLAMP
F2 CLAMP
R1 CLAMP
R2 CLAMPR2 UNCLAMP
R1 UNCLAMP
F2 UNCLAMP
F1 UNCLAMP
CC.V0
10
I/O CONVEYOR -1-
YSM20R-2