SM321 Technical Reference_Ver3 - 第111页
Page SAMSUNG TECHWIN 1 1 1 SM321 E le ct ric C irc ui t D ia gra m (3/ 6) 9B 9B 1B 1B 10A 2A 3A A B 11A 14B 6A 4A A B 12B A B 13B 5A B A 7A 15B A B 16B 8A 10B 2B TO REAR MONITOR (PC+VME ASSY POWER) TO CONTROL BOX TO FRON…

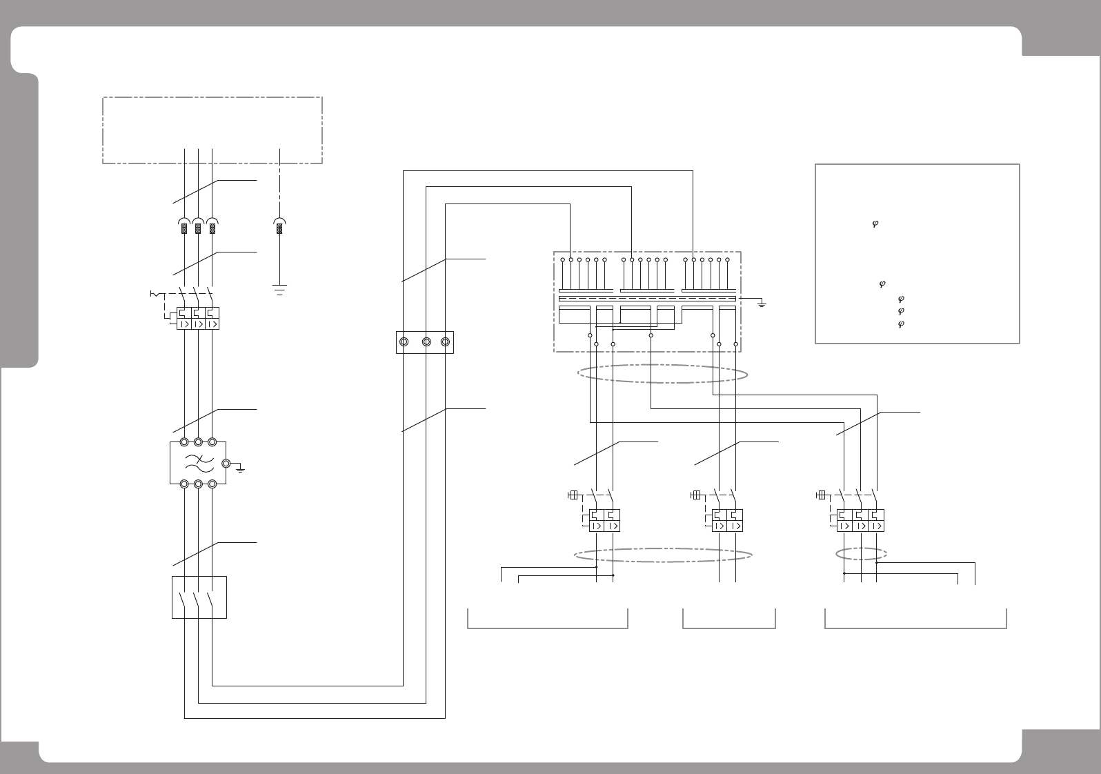
Page
SAMSUNG TECHWIN
110
SM321
Electric Circuit Diagram (2/6)
G R A P HIC S Y MB OL
2 4 6
1 3 5
1
4 5 6
2 3
2
1
2 64
321
1 3 5
4
4
3
42
1 3
2 4
1 3
6
5
11R
240
(S M21_P W005)
(S M_P W004)
3.5 mm
3.5 mm
-MAIN S/W
(600VAC,20A)
L32
L33
L31
-NF1
(3Ø, 20A)
L22
L21
L23
2P-C16
-CP1
TF1L1
(S M_P W003)
(S M_P W002)
(S M_P W001)
3.5 mm
FACTORY MAIN POWER
3.5 mm
3.5 mm
(3Ø/PE 60HZ 200~415VAC)
-MCCB1
(3?, 18A)
L13
L12
L11
-MAIN CON.
TR S
APPROX. 5KVA)
T
SR
-EARTH PLATE
PE
PE
-TRANS
220V
208200 220
L31
PE
(S M_P W007)
11T
to TB1-1,TB1-9
1L1
1L2
2P-C16
-CP2
2.0 mm
TF1L2 TF2L1 TF2L2
2.0 mm
22S
22R
(S M_P W008)
22T
3P-C16
-CP3
TF3L1
TF3L2
TF3L3
(S M_P W006)
220V
0V 110V
220V
0V 220V
200220415380 200 208 380240 415
L32
415208220 380240
L33
2.0 mm
X,Y1,Y2,SW,WD AXIS
to MC2
5. RATED PRIMARY VOLTAGE : 220V
RATED PRIMARY CURRENT : 12.3A
7.SECONDARY #1 : 1 110-0.4KVA
SECONDARY #2 : 1 220-1.8KVA
SECONDARY #3 : 3 220-2.5KVA
2.FREQUENCY : 50/60Hz
1.CAPACITY : 4.7KVA
3.PHASE : 3
4. CONNECTION: Y-Y
<TRANS SPECIFICATION>
6.PRIMARY : 3 200/208/220/240/380/415 4.7KVA
(23860) (23860) (23880)
SERVO DRIVER
CONVEYOR AC MOTOR
Z1~Z6AXIS
SERVO DRIVER
to MC1to TB1-17,TB1-20 to TB1-31,TB1-34
22R 22T11R 11T
CONTROL BOX(PC+VME)
MONITOR1,2
DC POWER SUPPLY(+24V)
AC FAN
-TB2
(S M21_P W030)
3.5 mm
2
2
PE01
2
2
2
22
PE02
2
2

Page
SAMSUNG TECHWIN
111
SM321
Electric Circuit Diagram (3/6)
9B 9B
1B 1B
10A
2A 3A
A
B
11A 14B
6A4A
A
B
12B
A
B
13B
5A
B
A
7A
15B
A
B
16B
8A
10B
2B
TO REAR MONITOR
(PC+VME ASSY POWER)
TO CONTROL BOX TO FRONT MONITOR
1L1 1L2
FROM CP2
1L2
1L1
-TB1 (1~16 : 1Ø 220V 1L1,1L2)
1.25mm 1.25mm
(RIGHT SIDE)
-FAN1
-FAN2
1L1 1L2(F3)
1.25mm
1L1 1L2
POWER INLET
1L1 1L2 1L1 1L2
(OPTION)
-PS1
1.25mm
1L1 1L2(F1)
1L21L1
-FUSE1 (AC250V,10A)
1.25mm
TO SC-CN2
+24V 24G +24VM 24G
1L1 1L2(F2)
-FUSE2 (AC250V,10A)
1.25mm
1L1 1L2
-PS2
TO SF-CN1
-FUSE3 (AC250V,5A)
-FAN3
(LEFT SIDE)
-FAN4
1L1
1L1
1L2(F4)
-FUSE4 (AC250V,5A)
1L2
1.25mm
(SERVO DRIVER RACK)
-FAN5
-FAN6
1L2(F5)
-FUSE5 (AC250V,5A)
1L2
1.25mm
1L1
1L1
AC220V
(S M_P W010)
(S M_P W011) (S M_P W012) (S M_P W013)
(GENERAL IO) (STEPPING/FEEDER)
PE04
2 2
PE05
2
PE03
DC POWER SUPPLY
(+)
PE06
(-)
AC IN
2
24VDC
2
DC POWER SUPPLY
(-)
24VDC
(+)
AC IN
2
PE07
2 2

Page
SAMSUNG TECHWIN
112
SM321
Electric Circuit Diagram (4/6)
23A
27A
20A
17A
24B23B
27B 28B
20B
17B
21B
18B
25B 26B
29B 30B
22B
19B
1 2
5 6
0.75mm0.75mm
11L1
11L2
11T
FROM CP1
11R
0.75mm
(S M_P W009)
1.25mm
(S M_P W016)
1.25mm
(S M_P W017)
1.25mm
(S M21_P W021-1)
1.25mm
-TB1 (17~30 : 1Ø 110V)
CN7
-MC1
AC110V
LC1D096BD-20A
(S M_P W015)
PE08
Z1-AXIS
30W
U
-M1
3~
M
WV E
3~
-M2
M
U V
PE09
W E
SERVO DRIVER
r
-SD1
L3L1
t r t
-SD2
L3L1
PE10
U
-M3
3~
M
V W E V
M
3~
-M4
U
PE11
W E
r
-SD3
L3L1
t tr
-SD4
L3L1
2
2
2
2
PE13
E
PE12
-M5
3~
M
WU V U
-M6
3~
M
V W E
L3
-SD5
r
L1
t r
-SD6
L3
t
L1
2
2
2
Z2-AXIS
30W
Z3-AXIS
30W
Z4-AXIS
30W
Z5-AXIS
30W
Z6-AXIS
30W
CONVEYOR
PACK B/D
SERVO DRIVERSERVO DRIVER SERVO DRIVERSERVO DRIVERSERVO DRIVER
3