SM321 Technical Reference_Ver3 - 第114页
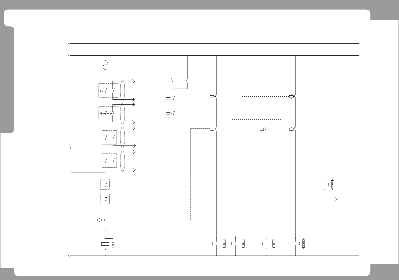
Page SAMSUNG TECHWIN 1 14 SM321 E le ct ric C irc ui t D ia gra m (6/ 6) E E 13 14 5 9 -A2 +A1 -A2 +A1 13 14 13 14 13 14 24G +24V -FUSE1 -K1 -K1 -MC1 -MC2 -MC1 -READY S/W -K1 -K3 (FRONT) (REAR) -MC2 -K2 -K1 -K3 -K3 (250V…

Page
SAMSUNG TECHWIN
113
SM321
Electric Circuit Diagram (5/6)
38B37B
40B
43B
41B
44B
34B
31B
35B
32B
39B
45B
42B
36B
33B31A
34A
37A
40A
43A
1
3
5
2
4
6
0.75mm0.75mm
22L1
22L3
22L2
22T
22R
0.75mm
(S M_P W018)
1.25mm
(S M- P W019)
1.25mm
(S M_P W020)
1.25mm
-TB1 (31~45 : 3Ø 220V)
FROM CP3
-MC2
AC220V
22R
22S
22T
LC1D096BD-20A
(S M_P W009)
PE14
U
-M7
3~
M
WV E
3~
-M8
M
U V
PE15
W E
L3
SERVO DRIVER
r
-SD7
L1
t r t
-SD8
L3L1
PE16
U
-M9
3~
M
V W E V
M
3~
-M10
U
PE17
W E
r
-SD9
L2L1
t t
L3
r
-SD10
L2 L3L1
2
2
2
2
E
PE18
-M11
3~
M
WU V
L2
-SD11
r
L1
t
L3
2
2
50W
SW-AXIS
100W
WD-AXIS
750W
X-AXIS
1KW
Y2-AXIS
1KW
Y1-AXIS
SERVO DRIVER SERVO DRIVER SERVO DRIVER SERVO DRIVER

Page
SAMSUNG TECHWIN
114
SM321
Electric Circuit Diagram (6/6)
E E
13
14
5
9
-A2
+A1
-A2
+A1
13
14
13
14
13
14
24G
+24V
-FUSE1
-K1
-K1
-MC1
-MC2
-MC1
-READY S/W
-K1
-K3
(FRONT)
(REAR)
-MC2 -K2
-K1
-K3
-K3
(250V,0.5A)
11
7
K3
9
5
K2
12
8
MCEN1
10
6
MCA1
-K4
-K2
NO1A
9
5
NO1B
D24V(STEPPING & FEEDER POWER)
K1
MC2
MC1
CN19-1
CN19-2
CN18-2
CN18-1
CN3-3
CN3-4
CN4-3
CN4-4
22
12
-EM S/W1
21
11
(CONV.CN17-3)
EM1
-EM S/W2
22
12
21
11
EM2
(CONV.CN18-3)
(FRONT)
(REAR)
21
22
11
12
21
11
22
12
-DOOR S/W1
(FRONT)
-DOOR S/W2
(REAR)
DOOR1
(CONV.CN17-4)
DOOR2
24G
(CONV.CN17-5)
(CONV.CN18-4)
24G
(CONV.CN18-5)
24G
(CONV.CN17-6)
24G
(CONV.CN18-6)
READY OUT
REM1
FD1
RD1
TF3
K1
TF2
-EM SPARE1
-EM SPARE2
TF1
-SAFEGUARD
OVERRIDE KEY
K1
DIP SW-1
DIP SW-4
DIP SW-3
DIP SW-2

Page
SAMSUNG TECHWIN
115
SM321
Docking Cart Interface
FEEDER CONTROL
FEEDER INPUT
BOARD
EXT.BOARD
CN6CN5
JJ1 JJ2 JJ4JJ3 JJ5 JJ6 JJ8JJ7 JJ12JJ11JJ10JJ9
FEEDER BASE B/D LEFT FEEDER BASE B/D RIGHT
JK1 JK2 JK3 JK4 JK6JK5 JK7 JK8 JK9 JK10 JK11 JK12
F24V/G
D24V/G
D_CAN+/- D_CAN+/-
D24V/G
F24V/G
CN2 CN3CN7 CN8
S M_F D014 S M_F D015
S M_F D012
S M_F D013
CN3
CN4
CN10
CN11 CN1
CAN
P24V/G
FRONT/REAR SELECT SIG
DOCKING CART I/F PROBE UNIT
S M_DC 003
S M_F D016
RELAY
DOCKING CART IT TEST PORT
D-SUB 9PIN
(MY2N-D2)
S M_DC 004
S M_F D017
1
2
3
4
5
6
7