SM321 Technical Reference_Ver3 - 第117页
Page SAMSUNG TECHWIN 1 17 SM321 A rt ic les o f C on sum pt ion P a r t L i s t Reference NO. LEVEL PART NO. PART NAME Q'TY TYPE Old No. Stock 1 J9055276A LIGHT MAPPING TOOL ASSY[J9055276A] 1 J9055276A ..2 J9055249A…

Page
SAMSUNG TECHWIN
115
SM321
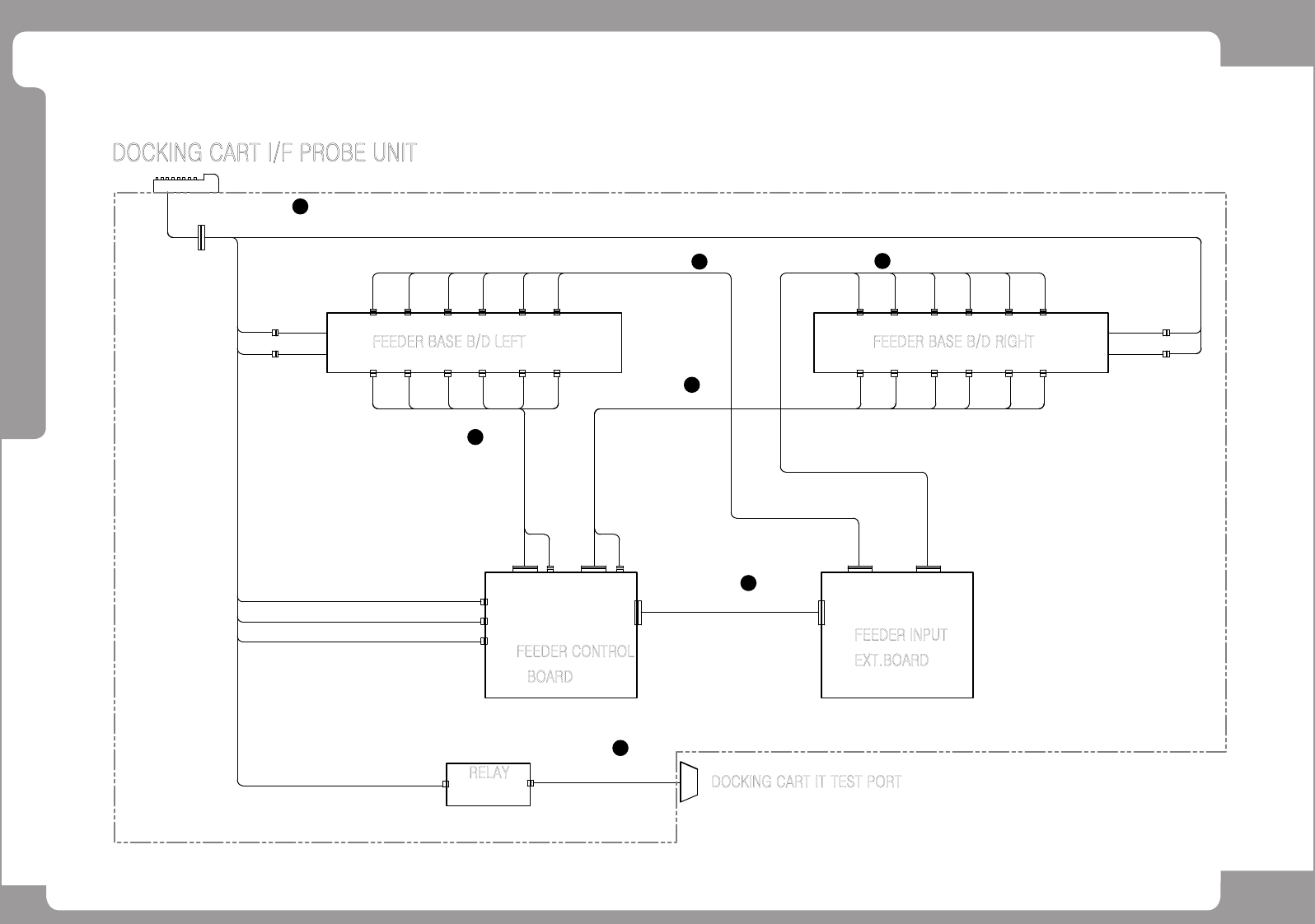
Docking Cart Interface
FEEDER CONTROL
FEEDER INPUT
BOARD
EXT.BOARD
CN6CN5
JJ1 JJ2 JJ4JJ3 JJ5 JJ6 JJ8JJ7 JJ12JJ11JJ10JJ9
FEEDER BASE B/D LEFT FEEDER BASE B/D RIGHT
JK1 JK2 JK3 JK4 JK6JK5 JK7 JK8 JK9 JK10 JK11 JK12
F24V/G
D24V/G
D_CAN+/- D_CAN+/-
D24V/G
F24V/G
CN2 CN3CN7 CN8
S M_F D014 S M_F D015
S M_F D012
S M_F D013
CN3
CN4
CN10
CN11 CN1
CAN
P24V/G
FRONT/REAR SELECT SIG
DOCKING CART I/F PROBE UNIT
S M_DC 003
S M_F D016
RELAY
DOCKING CART IT TEST PORT
D-SUB 9PIN
(MY2N-D2)
S M_DC 004
S M_F D017
1
2
3
4
5
6
7

Page
SAMSUNG TECHWIN
116
SM321
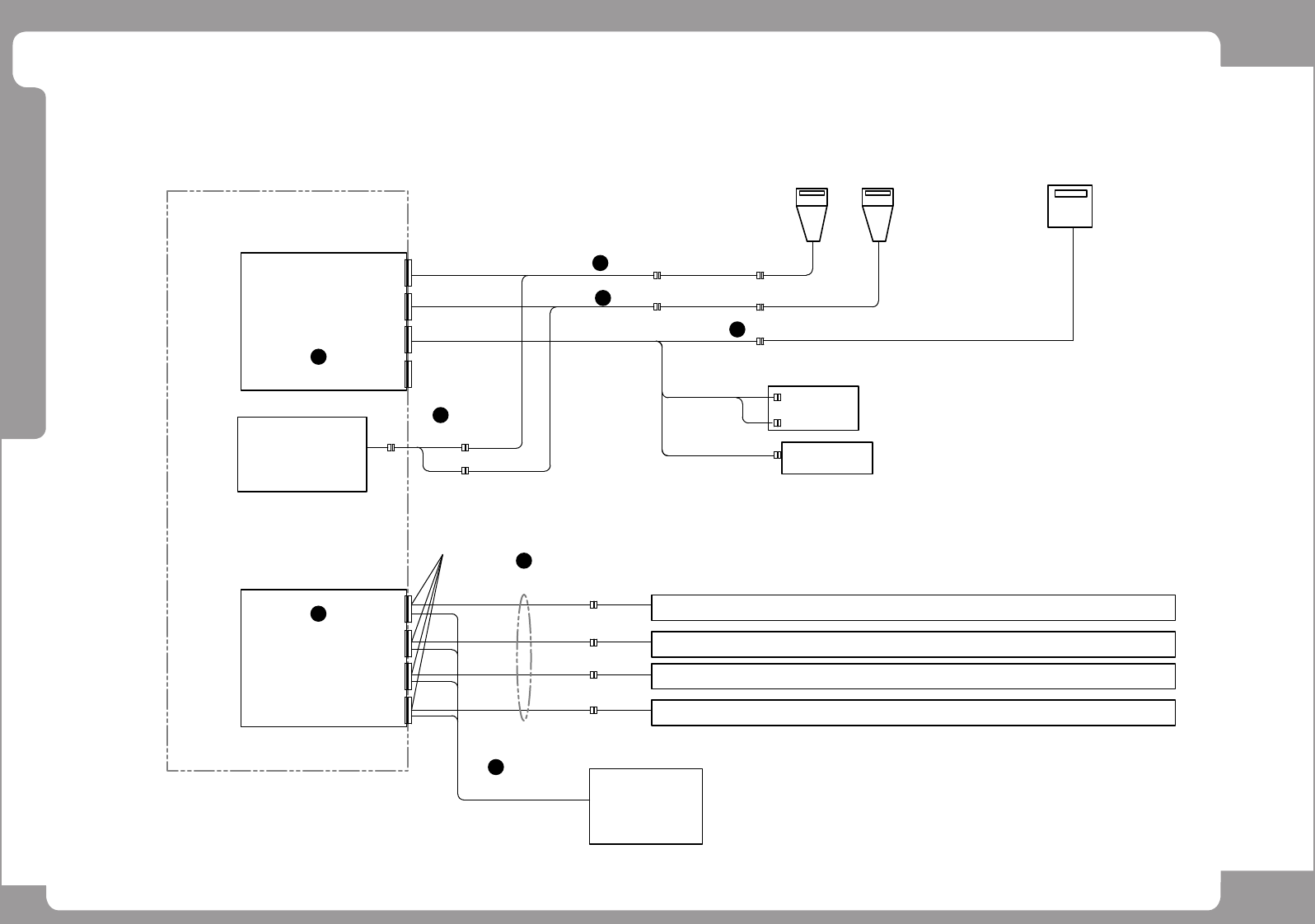
IT Option Inferface
CAN+/-
S M-F D019
S M-IT 003
S M-IT 002
CAN_CH3
CAN_CH4
CAN_CH2
CAN_CH1
+24V/G
POWER SUPPLY
S M-F D021
CH4
CH3
CH2
MASTER BOARD
DEVICE NET
CH1
+5V/G
+5V/G
PORT4
S M-IT 001
PORT3
PORT2
PORT1
BOARD(ISA)
MULTI-PORT
INDUSTRIAL PC
REAR FEEDER BASE LEFT B/D
REAR FEEDER BASE RIGHT B/D
FRONT FEEDER BASE RIGHT B/D
#1 DC POWER SUPPLY
FRONT FEEDER BASE LEFT B/D
+24V/G
CN3
STEP/FEEDER PW B/D
TRIGGER
PCB-IN SENSOR
PCB-IN SENSOR
S M-IT 006
S M-IT 005
S M-IT 004
READER
R-BARCODE
READER
F-BARCODE
SCANNER
PCB-BARCODE
1
2
4
3
5
6
7
8

Page
SAMSUNG TECHWIN
117
SM321
Articles of Consumption
P art L is t
Reference
NO. LEVEL PART NO. PART NAME Q'TY TYPE Old No. Stock
1 J9055276A LIGHT MAPPING TOOL ASSY[J9055276A]
1
J9055276A
..2 J9055249A LIGHT MAPPING TOOL ASSY[J9055249A]
1
J9055249A
○
..2 J9055250A LIGHT MAPPING TOOL ASSY[J9055250A]
1
J9055250A
○
2 J9055354A NOZZLE ASSY[J9055354A]
1
J9055354A
..2 J9055134C NOZZLE CN040 ASSY[J9055134C]
6
J9055134C
○
..2 J9055136C NOZZLE CN065 ASSY[J9055136C]
6
J9055136C
○
..2 J9055256A NOZZLE CN140 ASSY[J9055256A]
2
J9055256A
○
..2 J9055351A NOZZLE CN220 ASSY(CERAMIC)[J9055351A]
2
J9055351A
○
..2 J9068024A CALIBRATION PLATE[J9068024A]
1
J9068024A
○
3 J90551108A NOZZLE_ASSY-SELECT J90551108A
1
J90551108A
..2 J9055248B CALIBRATION TOOL ASSY[J9055248B]
1
J9055248B
4 J90640062B PACKING BOX ASSY
1
SM320 PACKING BOX ASSY
..2 J7055140A STEEL BALL [DIA2, SUS304]
20
DIA2, SUS304
○
..2 J7255021B
J9055257A
J7255076ASILICON TUBE(BLACK 무광) [J7255021B]
6
SA0705-100B
○
..2 J7458002A FILTER ELEMENT[LF-M5-60-Z-ELEMENT]
6
LF-M5-60-Z-ELEMENT
○
..2 J7500003B BACK UP PIN[J7500003B]
6
J7500003B
○
..2 J8001072A STICKER REMOVER SPRAY [450ML]
1
450ML
○
..2 J8001073A TRI-FLOW [59ML]
1
59ML
○
..2 J81000118B CLEANING KIT
1
A/S용 자재
○
..2 J9064035B TOOL SET [J9064035B]
1
J9064035B
○
...3 J8001065A DRIVER (+,-양용) [KL 207(6), 150mm]
1
KL 207(6), 150MM
○
...3 J5104001A CD-R (RECORDABLE) [MMI BACKUP CD]
1
MMI BACKUP CD
○