SM321 Technical Reference_Ver3 - 第48页
Page SAMSUNG TECHWIN 48 SM321 A ir Ass ’y (A ) # 7 # 2 C 1 C 2 B 1 B 2 U2-4-12*8 U2-4-12*8 J71581001A 1 8 D 2 2 3 3 4 5 5 6 6 7 7 8 7 4 7 7 8 9 1 0 1 1 1 1 a 1 0 9 a A I R P R E S S U R E R E G U L A T O R 1 3 1 4 1 5

Page
SAMSUNG TECHWIN
47
SM321
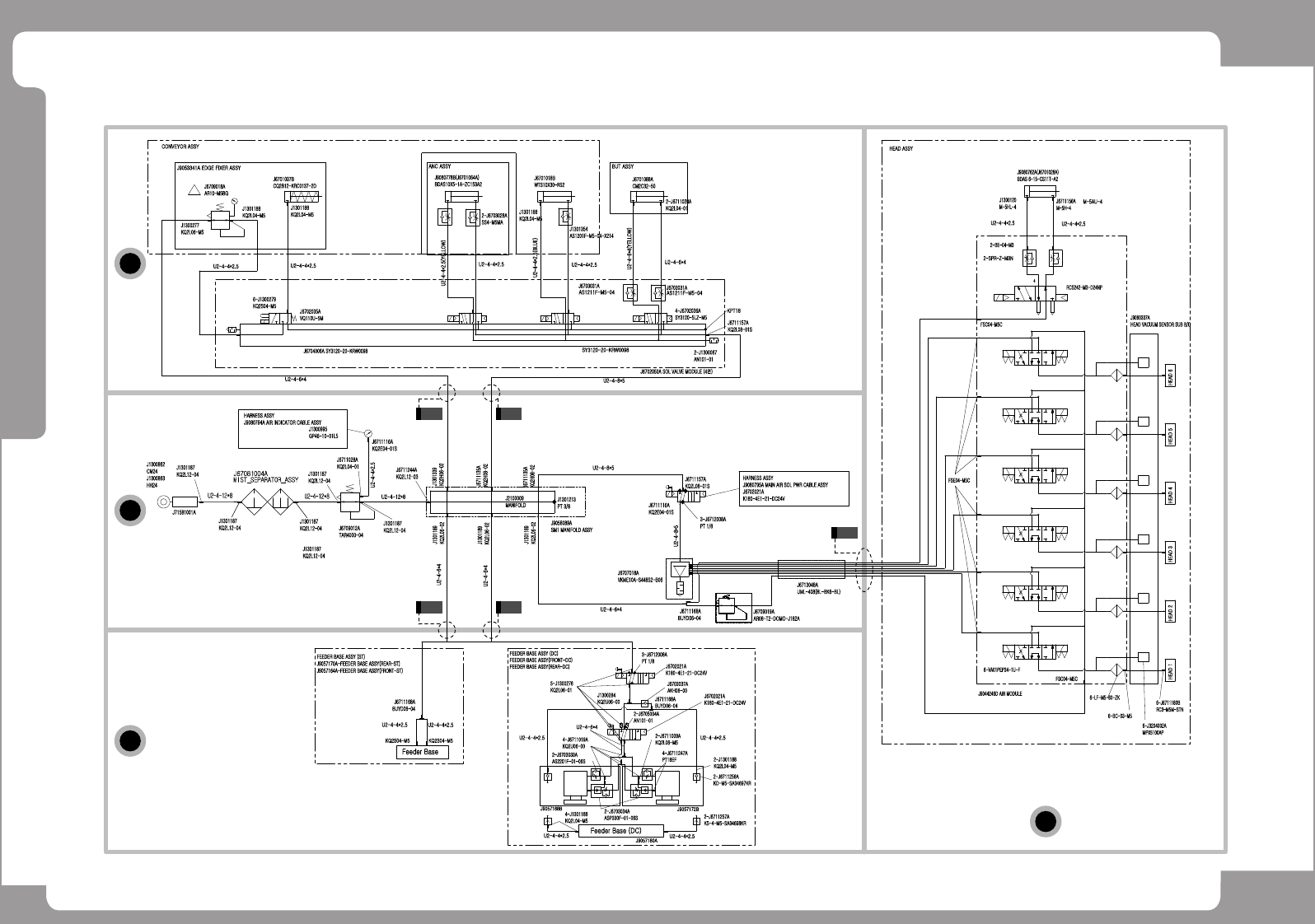
Air Ass’y
C
A
B
D
C 1 C 2
B 1 B 2
U2-4-6*4
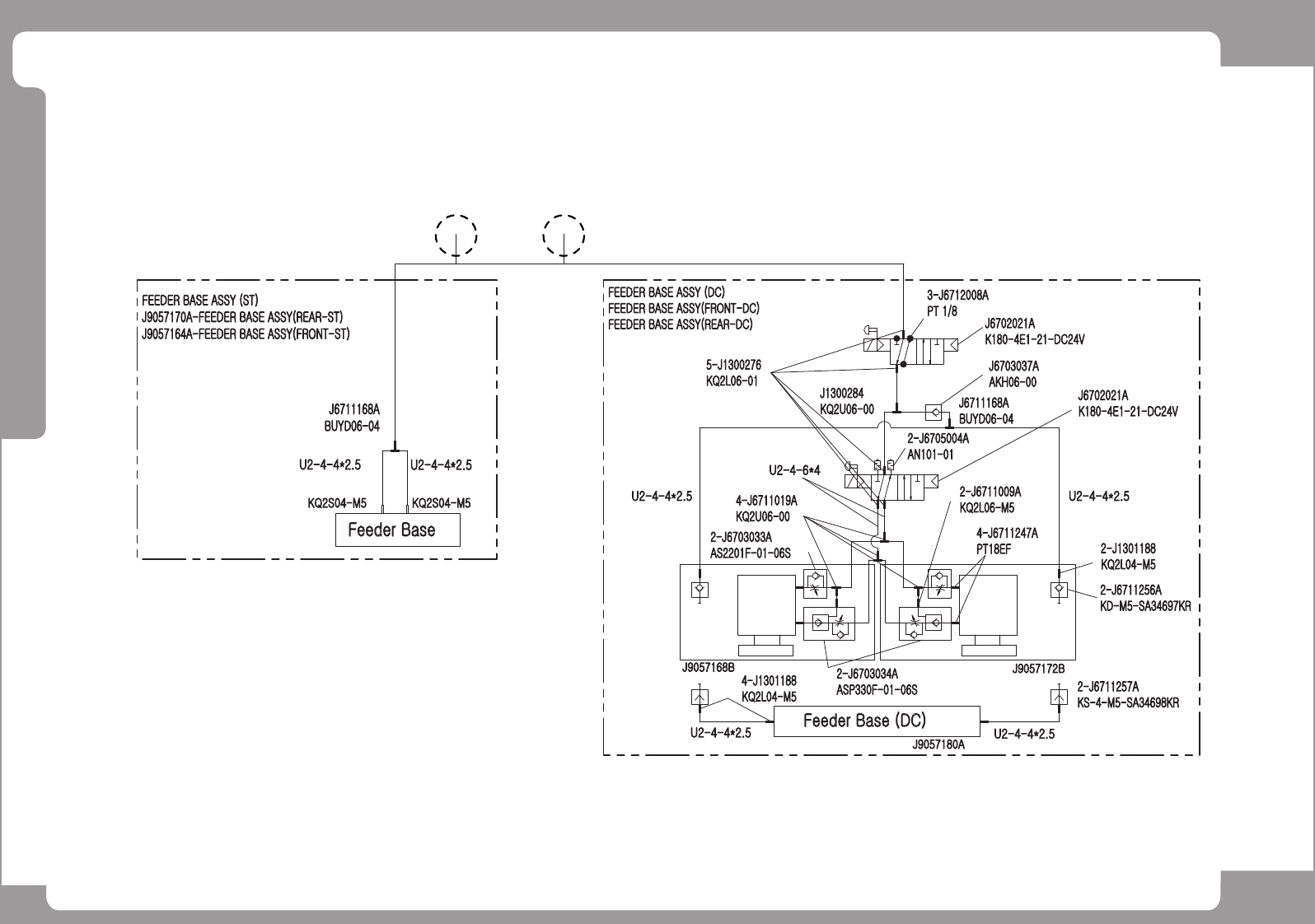
FEEDER BASE ASSY (DC)
FEEDER BASE ASSY(FRONT-DC)
FEEDER BASE ASSY(REAR-DC)
5-J1300276
KQ2L06-01
Feeder Base (DC)
U2-4-4*2.5
J9057168B
U2-4-4*2.5
4-J6711019A
KQ2U06-00
U2-4-4*2.5
2-J6711257A
KS-4-M5-SA34698KR
J9057172B
2-J6711256A
KD-M5-SA34697KR
3-J6712008A
PT 1/8
J1300284
KQ2U06-00
J6711168A
BUYD06-04
U2-4-4*2.5
2-J6705004A
AN101-01
J6703037A
AKH06-00
J9057180A
J6702021A
K180-4E1-21-DC24V
J6702021A
K180-4E1-21-DC24V
2-J6703033A
AS2201F-01-06S
2-J6711009A
KQ2L06-M5
4-J6711247A
PT18EF
2-J1301188
KQ2L04-M5
2-J6703034A
ASP330F-01-06S
4-J1301188
KQ2L04-M5
U2-4-6*4(YELLOW)
AS1211F-M5-04
U2-4-4*2.5(BLUE)
U2-4-4*2.5(YELLOW)
SY3120-20-KRW0098
U2-4-8*5
U2-4-6*4
ANC ASSY
BUT ASSY
J6702050A SOL VALVE MODULE (4연)
AS1211F-M5-04
KPT18
CONVEYOR ASSY
J6701088A
CM2C32-50
2-J6711028A
KQ2L04-01
J9080778B(J6701064A)
BDAS10X5-1A-ZC153A2
J6701018B
WTS10X30-RS2
2-J6703028A
SS4-M5MA
J9053341A EDGE FIXER ASSY
J6701037B
CQ2B12-KRC0137-2D
J1301188
KQ2L04-M5
J1301188
KQ2L04-M5
J1300277
KQ2L06-M5
J6709018A
AR10-M5BG
U2-4-4*2.5
U2-4-4*2.5
J1301354
AS1201F-M5-04-X214
U2-4-4*2.5
U2-4-4*2.5
U2-4-6*4
J1301188
KQ2L04-M5
J6704006A SY3120-20-KRW0098
4-J6702036A
SY3120-5LZ-M5
J6702035A
VQ110U-5M
6-J1300279
KQ2S04-M5
J6711157A
KQ2L08-01S
2-J1300067
AN101-01
J6703031A
J6703031A
U2-4-4*2.5
2-SPR-Z-M3N
U2-4-4*2.5
HEAD ASSY
4
HEAD 6HEAD 5HEAD 4HEAD 3HEAD 2HEAD 1
J1300120
M-5HL-4
M-5AU-4
J6711156A
M-5H-4
J9080762A(J6701028A)
BDAS 6-15-CS11T-A2
J9044246D AIR MODULE
6-LF-M5-60-ZK
6-J3204002A
MPX5100AP
J9060337A
HEAD VACUUM SENSOR SUB B/D
6-J6711180B
RC3-M5M-STN
6-BC-03-M5
2-BE-04-M3
FSC04-M5C
FSC04-M5C
FSE04-M5C
6-VA01PEP34-1U-F
RCS242-M3-D24NP
U2-4-12*8
J67081004A
MIST_SEPARATOR_ASSY
U2-4-12*8
J71581001A
1
8
D

Page
SAMSUNG TECHWIN
48
SM321
Air Ass’y (A)
#7
#2
C 1 C 2
B 1 B 2
U2-4-12*8
U2-4-12*8
J71581001A
1
8
D
2
2
3
3
4
5
5
6
6
7
7
8
7
4
7
7
8
9
10
11
11
a
10
9
a
A
I
R
P
R
E
S
S
U
R
E
R
E
G
U
L
A
T
O
R
13
14
15

Page
SAMSUNG TECHWIN
49
SM321
Air Ass’y (B)
U2-4-6*4
FEEDER BASE ASSY (DC)
FEEDER BASE ASSY(FRONT-DC)
FEEDER BASE ASSY(REAR-DC)
5-J1300276
KQ2L06-01
Feeder Base (DC)
U2-4-4*2.5
J9057168B
U2-4-4*2.5
4-J6711019A
KQ2U06-00
U2-4-4*2.5
2-J6711257A
KS-4-M5-SA34698KR
J9057172B
2-J6711256A
KD-M5-SA34697KR
3-J6712008A
PT 1/8
J1300284
KQ2U06-00
J6711168A
BUYD06-04
U2-4-4*2.5
2-J6705004A
AN101-01
J6703037A
AKH06-00
J9057180A
J6702021A
K180-4E1-21-DC24V
J6702021A
K180-4E1-21-DC24V
2-J6703033A
AS2201F-01-06S
2-J6711009A
KQ2L06-M5
4-J6711247A
PT18EF
2-J1301188
KQ2L04-M5
2-J6703034A
ASP330F-01-06S
4-J1301188
KQ2L04-M5