SM321 Technical Reference_Ver3 - 第80页
Page SAMSUNG TECHWIN 80 SM321 M is ce lla ne ous O pti on Reference P a r t L i s t NO. LEVEL PART NO. PART NAME Q'TY TYPE Old No. Stock 27 .....5 J90800690D Z1,Z2 DRV COMMAND CABLE ASSY 1 SM-VM005 No.3 at 98 page 2…

Page
SAMSUNG TECHWIN
79
SM321
Miscellaneous Option
P art L is t
Reference
NO. LEVEL PART NO. PART NAME Q'TY TYPE Old No. Stock
1 J90721002A IT-OPTION-ASSY
1
J90721002A
2 ..2 J9060364A IT FEEDER MASTER BOARD ASSY[J9060364A]
1
J9060364A ○ No.1 at 116 page
3 ..2 J9080848A DEVICE NET CABLE ASSY[SM_FD019]
1
SM_FD019 ○ No.2 at 116 page
4 ..2 J9083205A FRONT BARCODE CABLE ASSY[SM21-IT002]
1
SM21-IT002 No.3 at 116 page
5 ..2 J9083206A REAR BARCODE CABLE ASSY[SM21-IT003]
1
SM21-IT003 No.4 at 116 page
6 ..2 J9060381A MULTI PORT BOARD(4PORT)[MULTI-4J/ISA RS2
1
MULTI-4J/ISA RS232 ○ No.5 at 116 page
7 ..2 J9072146A BARCODE READER ASSY[SM321-IT-01]
2
SM321-IT-01 ○ No.6 at 116 page
8 ..2 J9080850B DEVICE NET POWER CABLE ASSY[SM_FD021]
1
SM_FD021 No.7 at 116 page
9 J9099221A (SM320)NON-SCANNER ASSY[J9099221A]
1
J9099221A
10 J90721005A AREA_SENSOR_OPTION_ASSY
1
J90721005A
11 ..2 J90831003B FRONT_AREA_SENSOR_CABLE_ASSY
1
SM21-CV016 ○ No.1 at 89 page
12 ..2 J90831004B REAR_AREA_SENSOR_CABLE_ASSY
1
SM21-CV018 ○
○
○
○
○
○
○
○
○
○
○
○
No.2 at 89 page
13 J90611063A SM321_HARNESS_MODULE_7_ASSY SM321_HARNES
1
SM321_HARNESS_MODULE_7_ASSY
14 .....5 J90800800E X MOTOR ENC EXT CABLE ASSY
1
SM-MD002 No.1 at 97 page
15 .....5 J90800806D Z1 MOTOR ENC CABLE ASSY SM_MD009
1
SM_MD009 No.1 at 98 page
16 .....5 J90800808D Z2 MOTOR ENC CABLE ASSY SM_MD011
1
SM_MD011 No.2 at 98 page
17 .....5 J90800810D Z3 MOTOR ENC CABLE ASSY SM_MD013
1
SM_MD013 No.1 at 99 page
18 .....5 J90800814D Z5 MOTOR ENC CABLE ASSY SM_MD017
1
SM_MD017 No.1 at 100 page
19 .....5 J90800816D Z6 MOTOR ENC CABLE ASSY SM_MD019
1
SM_MD019 No.2 at 100 page
20 .....5 J90800818D SWING MOTOR ENC CABLE ASSY SM_MD021
1
SM_MD021 No.1 at 101 page
21 .....5 J90800812D Z4 MOTOR ENC CABLE ASSY SM_MD015
1
SM_MD015 No.2 at 99 page
22 .....5 J90830164B REAR EM/DOOR/FD CHANGE SW CABLE
1
SM21-SC002
23 .....5 J90800688E Y1,Y2 DRV COMMAND CABLE ASSY
1
SM-VM003 No.2 at 96, 97 page
24 .....5 J90800689D X DRV COMMAND CABLE ASSY SM-VM004
1
SM-VM004

Page
SAMSUNG TECHWIN
80
SM321
Miscellaneous Option
Reference
P art L is t
NO. LEVEL PART NO. PART NAME Q'TY TYPE Old No. Stock
27 .....5 J90800690D Z1,Z2 DRV COMMAND CABLE ASSY
1
SM-VM005 No.3 at 98 page
28 .....5 J90800691C Z3,Z4 DRV COMMAND CABLE ASSY SM-VM006
1
SM-VM006 No.3 at 99 page
29 .....5 J90800692C Z5,Z6 DRV COMMAND CABLE ASSY SM-VM007
1
SM-VM007 No.3 at 100 page
30 .....5 J90800693C SW,WD DRV COMMAND CABLE ASSY SM-VM008
1
SM-VM008 No.2 at 101 page
31 .....5 J90830153D R12,R34 DRV COMMAND CABLE ASSY
1
SM21-VM009 No.1 at 102 page
32 .....5 J90830154D R56,WORK DRV COMMAND CABLE ASSY
1
SM21-VM010 No.2 at 102,103 page
33 .....5 J90830163B FRONT EM/DOOR READY SW CABLE ASS
1
SM21-SC001
34 .....5 J90800820C WIDTH MOTOR ENC CABLE ASSY SM_MD023
1
SM_MD023 No.1 at 101 page
35 ...3 J2909003A CLAMP FILTER FOR CABLE[ZCAT3035-1330-M-K
2
ZCAT3035-1330-M-K
36 ...3 J3406005A LOAD SWITCH[PI-25]
1
PI-25
37 ...3 J9080745B SAFEGUARD OVERRIDE KEY SW CABLE ASSY[SM-
1
SM-SC008
38 J90701012A ELEC_PANEL_ASSY_UNDER_4SPIN_FOP ELEC_PAN
1
ELEC_PANEL_ASSY_UNDER_4SPIN_FO
39 ...3 J31521005A MOTOR_DRIVER KR-55ME-2Z-2Z
1
KR-55ME-2Z-2Z
40 ....4 J90830167B MC1 ENABLE CABLE ASSY
1
SM21-SC006
41 ....4 J90830168B MC2 ENABLE CABLE ASSY
1
SM21-SC007
42 J91671117A SM321_CABLE_ASSY_4SPINDLE SM321_CABLE_AS
1
SM321_CABLE_ASSY_4SPINDLE
43 ...3 J90800792C SMEMA CABLE ASSY
1
SM-CV024 No.3 at 86, 89 page
44 ...3 J90830191B FLAT CABLE ASSY
1
SM21-FL001
45
46
47
48
49
50
51
○
○
○
○
○
○
○
○
○
○
○

Page
SAMSUNG TECHWIN
81
SM321
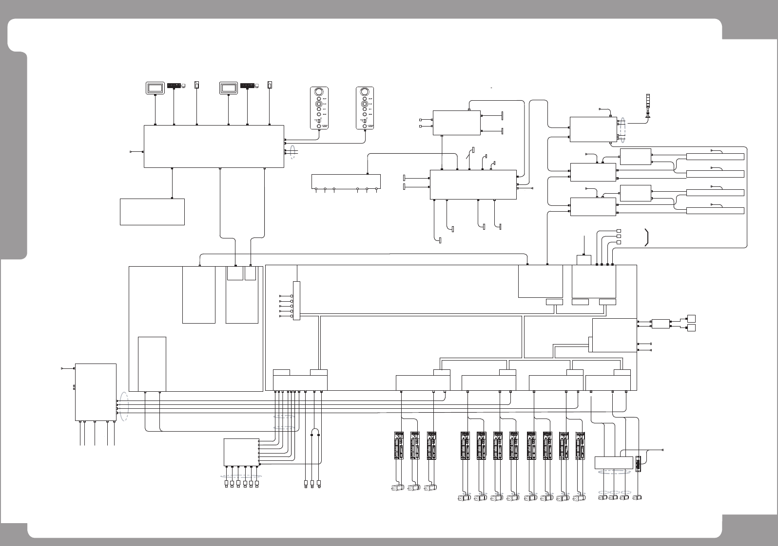
SM321 Wiring Diagram
CN2 CN1 CN2 CN1 CN2
CN1 CN2
CN3 CN3 CN3
CN3
TWIN SERVO B'D
X7043 AXIS B'D
J1-BACKPLAIN
CAN MASTER
VME-162 MAIN
BOARD
BOARD
VME IO B/D
CN2
CN3
CN1
FIX LED#1
FIX LED#2
CN7
CN1 CN12
USB-IN
VGA-IN
CN2
MONITOR-A
CN3
MONITOR-B
CN13
F-USB
CN14
R-USB
CN4
CPU1 ETHERNET
CONSOLE1
CONSOLE2
CONSOLE3
CONSOLE4
D-SUB 25PIN
CONSOLE
LAN
F-FEEDER I/F
BOARD
R-FEEDER I/F
BOARD
CONVEYOR I/F
BOARD
HEAD ILL.B/D
HEAD IO B/D
CN2
CN3
CN3
CN2
CN2
CN5
CN6
TOWER LAMP & GENERAL I/O
+5V
5G
+12V
-12V
12G
CAN
CAN
CAN
CAN
RS232 SERIAL
CH2
+24V,24G
+24V,24G
+24V,+24VP,24G
->RED
->YELLOW
->GREEN
+24V,+24VP,24G
CN4
+24V,+24VP,24G
JOG/A
CN9
JOG/B
CN11
P1 P1 P1
P1
CN1
P1P2P1
PCI
TRANSCEIVER
210TS
CH1
CN3
CN6
CN4
FIX LED
I/F B'D
CNA28
CN2
CAN
CAN
H1~H6
OUTER LED
H1~H6
SIDE LED
FIDUCIAL OUTER LED
CN3
CN4
CN9
<--> OP PANEL
+24VP,24G
R56R34
(STEPPING MOTOR)
R12
WORK
NEXTEYE
VISION
B/D
CN11
CN1
VISION I/F
CN1
CN2 CN3
CN4
ANALOG
J4J3J2
J1
J5J6
BOARD
J4
J3
J2
J1
CAMERA
IO B'D
J5
J6
FLY CAMERA1~6
FIX
HD+/-,VD+/-,+12V,12G
CAM #1,#2
FIDUCIAL
CAMERA
PCI I/O
BOARD
SBC
INDUSTRIAL
PC
MONITOR
PORT
USB1
PORT
CN11
CN10 CN5CN6CN7
CN14
CN15CN13CN4 CN12
SIDE ILL UP/DOWN
R12,R34,R56
AUX.SEN
SIDE ILL. UP/DN SEN
CN8
Z 1~6 HOME SEN
SENSORSENSORSENSORSENSOR
VAC. VAC.VAC.VAC.
H1 H2 H3 H4
VACUUM SENSOR B'D(H1~H6)
H6H5
VAC. VAC.
SENSOR SENSOR
VME
CN1
CN2
CN3
CN5
CN6
CN4
CN1
FEEDER
EXT.BOARD
CN5CN4
CN3
CN2CN1
CN9
CN8
CN7
CN6
CN20
CN19
CN10
BOARD
AXIS
+24V,24G
Z1~Z6 HOME/SW HOME/R 12,34,56 HOME
X HOME/+LIMIT/-LIMIT
Y2_INDEX
Y1 HOME/+LIMIT/-LIMIT
WD_HOME/+LIMIT/-LIMIT
SM21
_MD024
SM21
_MD039
SM_MD025
SM21_VM004 SM_VM005 SM_VM006 SM_MD007 SM_VM008
SM21_VM009
SM21_VM010
SM21_PW022
SM21_CA001
SM_CA002
SM_CA003
SM21_VIS011
SM21_VIS010
SM_VIS009
SM_VIS006
SM_VIS001
SM_VIS007
SM_VIS008
SM_VIS002
SM21_VIS004(SM21_VIS012
SM_AX002
SM_AX003
SM_AX006
SM_AX004
SM_AX005
SM21_AX001
SM_AX007
SM21_VI001
SM21_VI002
SM21_VI003
SM21_VI004
FLAT
SM_FD004
SM_FD003
(FROM SAFETY
SM_FD005
SM21_FD001
SM21_FD002
CN3
CN2
SM_FD007
SM_FD006
SM21_CA006
SM21_HD005
SM21_HD006
SM21_HI001
SM_HD007
SM21_HD009
SM21_HD008
SM21_HD013
SM21_KV001
SM21_KV003
SM21_KV005
SM_VM011
REAR FEEDER BASE LEFT B/D
REAR FEEDER BASE RIGHT B/D
FRONT FEEDER BASE RIGHT B/D
FRONT FEEDER BASE LEFT B/D
F24V/G,D24V/G
F24V/G,D24V/G
F24V/G,D24V/G
F24V/G,D24V/G
SM21
_MD038
SM21
_MD040
R-STEPPING
SM21_PW022-1
CN1
SM21_VM003
X7043 AXIS B'D
(DAUGHTER)
X7043 AXIS B'D
(MOTHER)
CH1 CH2
<FRONT>
<REAR>
MON.
KBD MOUSE T-BOX
MON.
KBD MOUSE T-BOX
SM21_KV003
SM21_KV005
SM21_CV023
SM_KV003
SM21_KV005
SM21_CV023
CN8
CN10
SM21_CV023
SM21_CV001
CN5
FIDUCIAL INNER LED
+24V,24G
HEAD HOME
CN1
+24V,24G
SM21_HD001
CN1
R12,34,56 HOME SEN
SM21_HD002
SM21_HD014
SW HOME SEN
Z1
(30W)
Z2
(30W)
Z3
(30W)
Z4
(30W)
Z5
(30W)
Z6
(30W)
(100W)
WD
(50W)
SW
SM_MD008
SM_MD009
SM_MD010
SM_MD011
SM_MD012
SM_MD013
SM_MD014
SM_MD015A
SM_MD016
SM_MD017
SM_MD018
SM_MD019
SM_MD020
SM_MD021
SM_MD022
SM_MD023
SM_M
D026
SM_M
D027
SM_M
D028
SM_M
D029
SM_M
D030
SM_M
D031
SM_M
D032
X
(750W)
SM_MD001
SM_MD002
(1KW)
Y2
(1KW)
Y1
SM_MD004
SM_MD005
SM_MD007
SM_MD006
<FRONT-OP> <REAR-OP>
G
S
T
M
E
O
P
C
R
E
E
N
Y
LOCK
CHANGE
F/FEEDER
0N
RESET
STOP
START
READY
G
LOCK
S
T
M
E
CHANGE
F/FEEDER
RESET
0N
STOP
START
READY
O
P
C
R
E
E
N
Y
(MOTHER)
(DAUGHTER)
FR-OPERATE(KVMS) BOARD
SENSOR
SENSOR
INPUT
FEEDER
EXT.BOARD
SM_FD005
CN3
CN2
SM_FD007
SM_FD006
INPUT
SOL
CONTROL B/D)
(FROM SAFETY
CONTROL B/D)
(FROM SAFETY CONTROL B/D CN26)
DRIVER
CN7
CN7
CONV.SUB I/F BOARD
SM21_KV008
(TO CONVEYOR I/F B/D CN26)
SM21_KV006
SM21_KV007
(TO CONVEYOR I/F B/D CN27)
H 1~6 VAC SOL
H 1~6 BLOW SOL
SM21_HD011
SM21_HD012
(TO VME IO B/D CN9)
HEAD VAC/BLOW SOL
<--> CONV.SUB I/F B/D, KVMS B'D