OM-1076-001.pdf - 第67页
(a) Both right and left electrodes are identical in size. (b) When the whole image of the component is reflected brightly , then set this data to "0". (c) When the electrodes are located in the user direction o…

B01 Shape Data (B01_02)
0107-001 2-42 Tg0502-PM-CL
(b) Example: T ≠ t
Side View
(3) Elctd Size [mm]
Set the width of the component's electrode.
This data is used exclusively for front lighting recognition.
Unit: mm
Data Input Range: 0.00 to 99.99
Applicable Component: Square
Fig. B85
0.10
Elctd Size [mm]
Mold Size
Fig. B84
Fig. B86

(a) Both right and left electrodes are identical in size.
(b) When the whole image of the component is reflected brightly, then
set this data to "0".
(c) When the electrodes are located in the user direction of component
feed as shown in the figure below, create each data as component
library data assuming that the electrodes are located as shown in the
figure above and set "90°" in the "Direction of the label "Carrier Data".
B01 Shape Data (B01_02)
0206-002 2-43 Tg0502-PM-CL
Fig. B88

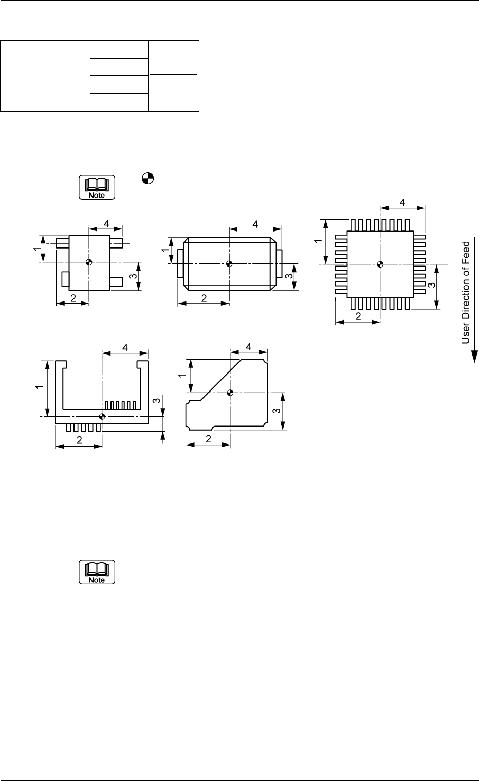
(B01_03) Outward Length 1 [mm], 2 [mm], 3 [mm], 4 [mm]
Set the dimensions between the center of the mold and the outmost
edges.
The
mark indicates the center of the mold.
Top View of Component
Unit: mm
Data Input Range: 0.01 to 150.00
(a) As for "Connector (Complex)" and "Other Leaded (Complex)", "Out-
ward Length 1, 2, 3, 4" and "Gp Ctr Pos (Latl Dir) n" & "Gp Prior Pos
(Long Dir) n" in "Lead Data" must be set based on the same refer-
ence position.
(b) As for the deform (complex) components, the reference position to
set parameters for "Outward Length" must be the same as the refer-
ence position to set parameter "St Coord X and Y" in "Linear Edge
Data".
Applicable Components : Deform (Simple), Deform (Complex), IC
(Simple), IC (Complex), Connector (Simple),
Connector (Complex), Other Leaded
(Simple), and Other Leaded (Complex)
B01 Shape Data (B01_03)
0107-001 2-44 Tg0502-PM-CL
Outward length
1.65
1.85
1.65
1.85
Fig. B89
1 [mm]
2 [mm]
3 [mm]
4 [mm]
Fig. B90