OM-1076-001.pdf - 第92页

0107-001 2-66 Tg0502-PM-CL B01 Shape Data (B01_10) Fig. B139 T ype No. 1 Lead No. 1 Fig. B138 Edit Window (Example) for IC (Simple) Components (B01_10) Lead Group Data Set the position, the direction, the array , etc., o…

100%1 / 237
Fig. B137
Full length [mm]
0.01
Lead type
No.
1
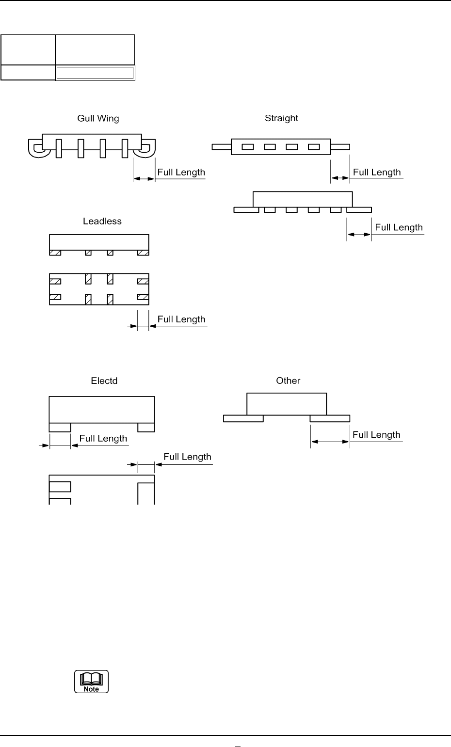
(4) Lead Type Full Length [mm]
Set the full length of the lead in the text box.
IC
Connector and Other Leaded
Unit: mm
Data Input Range: 00.00 to 99.99
Applicable Components : IC (Simple), IC (Complex), Connector
(Simple), Connector (Complex), Other
Leaded (Simple), and Other Leaded
(Complex)
Set a parameter in the "Full length" text box only when "J Bend", "Straight",
or "Leadless" is selected in the "Type" text box for ICs. A parameter must
be set only when "Electd" or "Other" is selected in the "Type" text box for
connectors or other leaded.
B01 Shape Data (B01_09)
0206-002 2-65-1 Tg0502-PM-CL
Fig. B137-1
0107-001 2-66 Tg0502-PM-CL
B01 Shape Data (B01_10)
Fig. B139
Type No.
1
Lead
No.
1
Fig. B138 Edit Window (Example) for IC (Simple) Components
(B01_10) Lead Group Data
Set the position, the direction, the array, etc., of the lead group formed
with the leads of the same type.
(1) Lead Group Type No.
Set the lead type data No. related to the group of leads.
Unit: Type
Data Input Range: 1 to 4
Applicable Components : IC (Simple), IC (Complex), Connector
(Simple), Connector (Complex), Other
Leaded (Simple), and Other Leaded
(Complex)
(2) Lead Group Direction [°]
Set the direction (angle) of the lead group in the text box.
Top View of Component
When "IC (Simple)", "Connector (Simple)", or "Other Leaded
(Simple)" is selected, choose one of the following options.
Up (0°), Left (90°), Down (180°), Right (270°)
When "IC (Complex)", "Connector (Complex)", or "Other Leaded
(Complex)" is selected, set a parameter based on the following.
Unit: °(degrees)
Data Input Range: 0 to 359
Example:
Top View of Component
Table B16-1
Lead Group Data 1 2
Lead Group Direction 0° 180°
Applicable Components : IC (Simple), IC (Complex),
Connector (Simple), Connector
(Complex), Other Leaded (Simple), and
Other Leaded (Complex)
0111-002 2-67 Tg0502-PM-CL
B01 Shape Data (B01_10)
Fig. B140
Direction [°]
000
Lead
No.
1
Fig. B141
Fig. B141-1