文档中心
/
PTS-GPX-04JE
PTS-GPX-04JE - 第120页
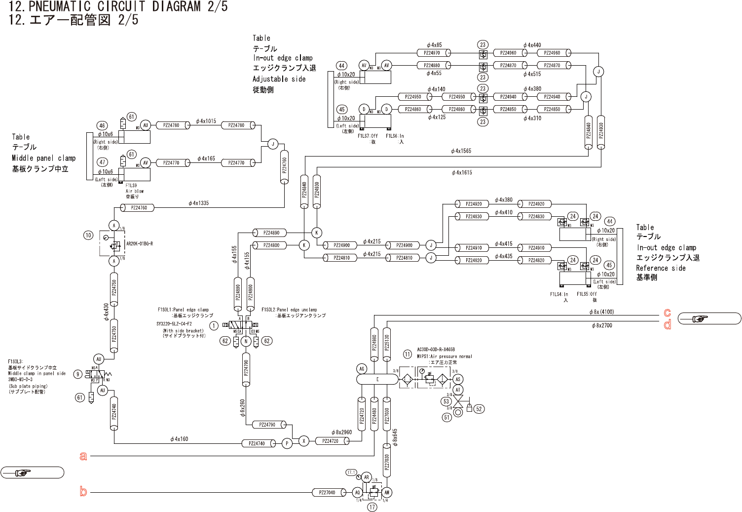
Ref.2/ c d Ref.4/ e 120 PTS-GPX-04JE
目录
100%
显示:宽度
宽度
1 / 137
回到旧版
旧版
?
Ref.1/
a
b
Ref.3/
c
d
119
PTS-GPX-04JE
Ref.2/
c
d
Ref.4/
e
120
PTS-GPX-04JE
e
Ref.3/
121
PTS-GPX-04JE
该页面需要启用 JavaScript 才能进行交互式预览。