00195652-03 SM FSE DE - 第36页
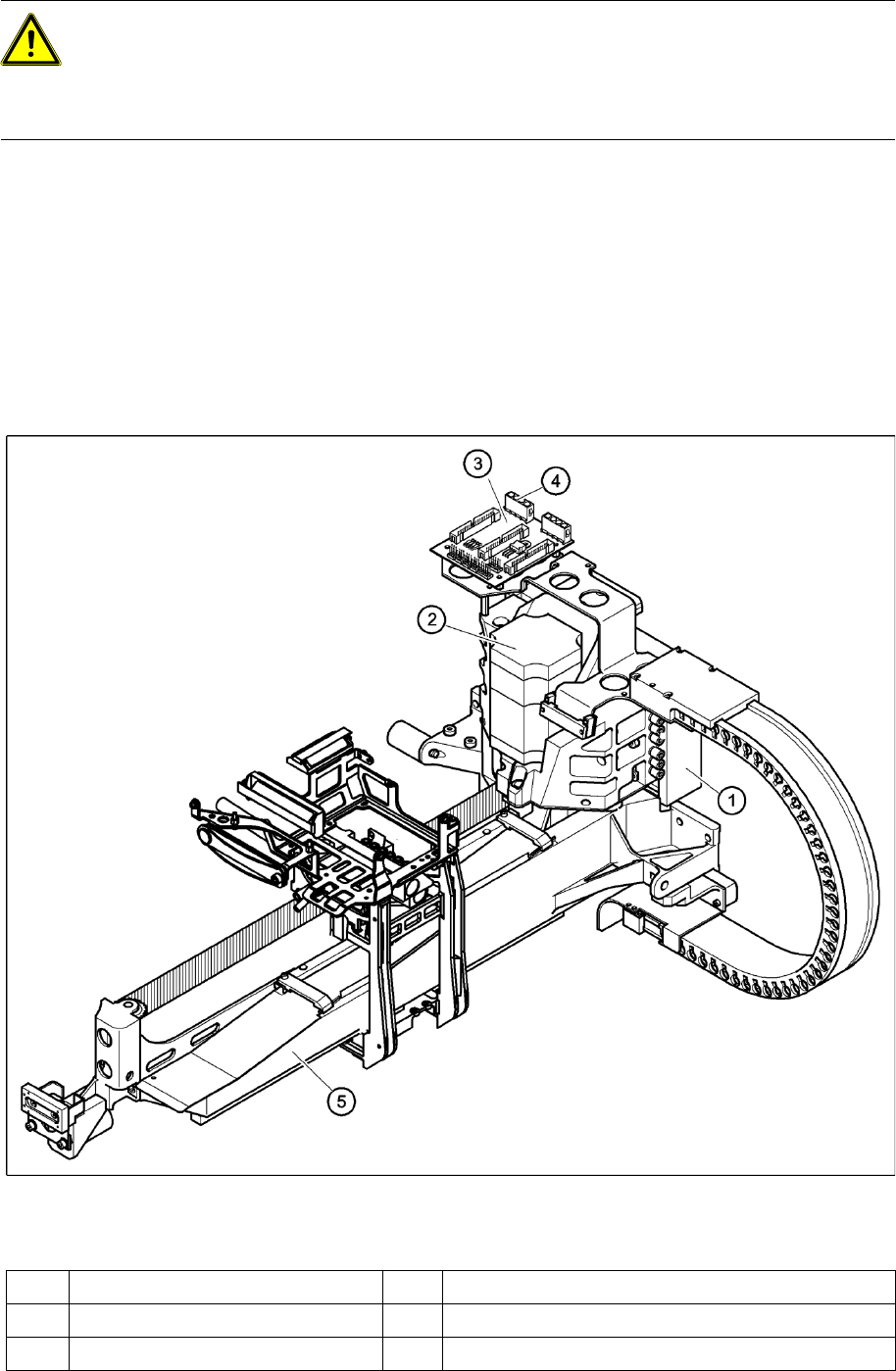
Service-Arbeiten Portal D1/D2 36 SIPLACE D-Serie Serviceanleitung (internal version) 4-11: Linearmotor - Primärteil tauschen (D4) Legende 1. X-Motoreinheit 2. Linearmotor – Primärteil 3. Innensechskantschraube M5x20 , 9 …

Service-Arbeiten
D1/D2 Portal
SIPLACE D-Serie Serviceanleitung (internal version)
35
X Entfernen Sie die blauen Auflagen. Ziehen Sie dazu die Magnetabdeckung ab.
X Lösen Sie dazu die 8 bzw. 16 Innensechskantschrauben M6x14 des Permanentmagneten (1).
X Heben Sie den Permanentmagneten ab und legen Sie ihn auf eine saubere, nicht ferromagnetische
Unterlage (beispielsweise ein Holzbrett).
X Schieben Sie das Portal auf den freien Bereich und ziehen Sie die Magnetabdeckung unter dem Y-
Motor heraus.
Primärteil des Linearmotors ausbauen
X Bauen Sie die X-Motoreinheit aus, wie dies im Abschnitt (4.1.2.5 X-Motoreinheit tauschen
[00333167-xx]
J
38 ) beschrieben ist.
4-10: Linearmotor – Primärteil tauschen (D4)
Legende
VORSICHT: Permanentmagnet
Wenn Permanentmagnete auf eine ferromagnetische Unterlage abgelegt werden (z. B. Eisen,
Nickel, Stahl), besteht die Gefahr, dass Hände oder Finger zwischen der Unterlage und dem
Permanentmagneten gequetscht werden. Der Magnet lässt sich nicht mehr ohne weiteres von
der Unterlage abheben.
(1) Linearmotor - Primärteil (4) Steckplatz X4 für Anschlusskabel des Primärteils
(2) X-Motoreinheit (5) Portal
(3) X/Y-Verteiler

Service-Arbeiten
Portal D1/D2
36 SIPLACE D-Serie Serviceanleitung (internal version)
4-11: Linearmotor - Primärteil tauschen (D4)
Legende
1. X-Motoreinheit
2. Linearmotor – Primärteil
3. Innensechskantschraube M5x20, 9 Stück
4. Motorträger mit Steckverbindung (Pneumatik)
5. Konterleiste
X Lösen Sie die neun Innensechskantschrauben
M5x20 (3) und nehmen Sie das Primärteil (2)
ab.
X Achten Sie darauf, dass die Konterleisten
nicht herunter fallen.

Service-Arbeiten
D1/D2 Portal
SIPLACE D-Serie Serviceanleitung (internal version)
37
Primärteil des Linearmotors einbauen
Einstellarbeiten
4-12: Linearmotor - Primärteil tauschen (D4)
X Bringen Sie an der Unterkante des Primärteils
ein Klebeband an, damit die Konterleisten (5)
bei der Montage nicht herausfallen.
X Schieben Sie das Primärteil von der Seite her
ein.
X Befestigen Sie das Primärteil (2) mit den neun
Innensechskantschrauben M5x20 (3) am
Motorträger (4).
X Achten Sie darauf, dass das Primärteil parallel
zum Permanentmagneten ausgerichtet ist.
X Bauen Sie die X-Motoreinheit ein, wie dies im
Abschnitt (4.1.2.5 X-Motoreinheit tauschen
[00333167-xx]
J
38 ) beschrieben ist.
X Fixieren Sie alle Kabel mit Kabelbindern.
VORSICHT:
X Überprüfen Sie, dass die Kabel fest
sitzen. Aufgrund der hohen
Beschleunigungskräfte könnten
sonst Kabel verrutschen und
abgeschert werden.
X Bauen Sie die Permanentmagneten (4 bzw.
16 Innensechskantschrauben M6x12) ein.
Unten muss der Abstand 0,8 mm betragen.
Benutzen Sie dazu eine entsprechende
Fühlerlehre oder Kunststoffstreifen. Zwischen
den Magnetplatten soll ein Sichtspalt von ca.
0,8 mm sein.
X Montieren Sie die Abdeckungen an der
Quertraverse oberhalb des betreffenden
Portals (3 Innensechskantschrauben M6x8).
4-13: X-Motoreinheit tauschen (D4)
X Stellen Sie die X-Zahnriemenspannkraft mit
dem Riemenspannungsmessgerät auf
44 Hz +/-1 Hz.
VORSICHT:
X Überdehnen Sie beim Spannen den
Zahnriemen nicht.
X Sichern Sie die Innensechskantschraube
M4x35 (2) mit der Kontermutter (8).
X Überprüfen Sie die Achsdynamik der
ausgebauten Antriebe.