00195652-03 SM FSE DE - 第39页
Service-Arbeiten D1/D2 Portal SIPLACE D-Serie Serviceanleitung (internal version) 39 X Schalten Sie den Automate n aus und sicher n Sie ihn gegen Wiedereinsch alten. 1 Portal D1 (2 Portale D2) X Bauen Sie die Abd eckleis…

Service-Arbeiten
Portal D1/D2
38 SIPLACE D-Serie Serviceanleitung (internal version)
4.1.2.5 X-Motoreinheit tauschen [00333167-xx]
Werkzeuge und Hilfsmittel
Sechskantstiftschlüssel, Satz DIN 911
Kabelbinder
Riemenspannungsmessgerät TSM [00326015-xx]
Bedienungsanleitung "Riemenspannungen messen"
Teile
X-Motoreinheit [00333167-xx]
Für SIPLACE D1-Maschinen: Nachrüstanleitung Kühlkörper f. X-Achse [00195618-xx]
X-Motoreinheit ausbauen
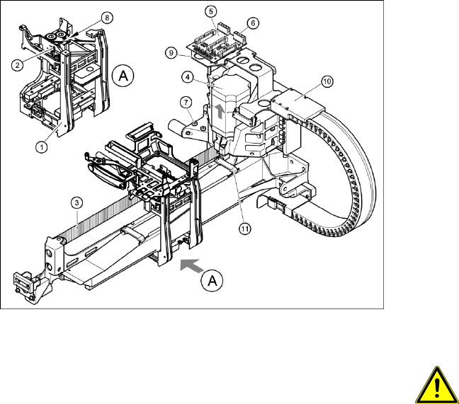
4-14: X-Motoreinheit tauschen (am Beispiel D4)
Legende
1 Kopfhalterung 7 Innensechskantschrauben M6 x 14, 2 Stück
2 Innensechskantschraube M4 x 35 zum
Spannen des X-Zahnriemens
8 Kontermutter
3 Synchroflex X-Zahnriemen 9 Platinenhalter
4 X-Motoreinheit 10 Kabelhalter
5 X/Y-Verteiler 11 Kabelklemme
6 X5 Steckplatz für X-Motor

Service-Arbeiten
D1/D2 Portal
SIPLACE D-Serie Serviceanleitung (internal version)
39
X Schalten Sie den Automaten aus und sichern Sie ihn gegen Wiedereinschalten.
1 Portal D1 (2 Portale D2)
X Bauen Sie die Abdeckleiste an der Traverse oberhalb des jeweiligen Portals ab:
Ziehen Sie dazu das Lüfterkabel vom Stecker ab. Der Lüfter ist an der Abdeckleiste befestigt.
Entfernen Sie die Abdeckleiste (3 Innensechskantschrauben, M6 x 8).
X Trennen Sie die Kabelbinder zum Fixieren der X-Motorleitung durch.
X Entfernen Sie die Kabelklemme für das Flachbandkabel (11).
X Ziehen Sie alle Stecker vom X/Y-Verteiler (5) ab.
X Entfernen Sie den X/Y-Verteiler (5).
X Entfernen Sie den Platinenhalter des X/Y-Verteilers (9).
X Entfernen Sie den Kabelhalter (10) des Kabelschlepps.
X Zum Entspannen des Zahnriemens (3) gehen Sie wie folgt vor:
lösen Sie die Kontermutter (8) und
drehen Sie die Innensechskantschraube (2) gegen den Uhrzeigersinn.
X Lockern Sie beide Innensechskantschrauben M6 x 14 (7) zum Klemmen der X-Motoreinheit (4).
X Ziehen Sie die X-Motoreinheit (4) nach oben heraus.
X Drücken Sie dazu den Platinenhalter leicht zur Seite.
GEFAHR: STARKES MAGNETFELD
X Beachten Sie die speziellen Sicherheitshinweise für Arbeiten in der Nähe starker
Magnetfelder.

Service-Arbeiten
Portal D1/D2
40 SIPLACE D-Serie Serviceanleitung (internal version)
X-Motoreinheit einbauen
X Bei SIPLACE D1-Maschinen muss der Kühlkörper vom alten X-Motor auf den neuen montiert
werden. Detaillierte Hinweise finden Sie dazu in der Nachrüstanleitung [00195618-xx].
4-15: X-Motoreinheit tauschen (am Beispiel D4)
1 Portal D1 (2 Portale D2)
X Setzen Sie die X-Motoreinheit (4) vorsichtig
bis zum Anschlag ein.
Achten Sie darauf, dass dabei der Zahnriemen
nicht beschädigt wird. Das Motoranschluss-
kabel zeigt in Richtung Permanentmagnete
des Linearantriebs.
X Klemmen Sie die X-Motoreinheit mit beiden
Innensechskantschrauben (7).
X Montieren Sie den Kabelhalter des
Kabelschlepps (10).
X Montieren Sie den Platinenhalter (9).
X Montieren Sie den X/Y-Verteiler (5).
X Stecken Sie alle Stecker auf die Steckplätze
des X/Y-Verteilers auf (5).
X Fixieren Sie das Flachbandkabel mit der
Kabelklemme (11).
X Fixieren Sie alle Kabel mit Kabelbindern.
VORSICHT:
Überprüfen Sie, dass alle Kabel fest
sitzen. Aufgrund der hohen
Beschleunigungskräfte könnten sonst
Kabel verrutschen und abgeschert
werden.
X Spannen Sie den X-Zahnriemen mit der
Innensechskantschraube (2) vor.
X Montieren Sie die Abdeckleiste an der
Traverse oberhalb des jeweiligen Portals mit
den drei Innensechskantschrauben M6 x 8.
X Schließen Sie den Lüftermotor an.