00195652-03 SM FSE DE - 第81页
Service-Arbeiten D4 Portal SIPLACE D-Serie Serviceanleitung (internal version) 81 Maßstab für Y-Achse montieren X Verschieben Sie beide Portale nach rechts. VORSICHT: Verdrehen oder verkr atzen Sie den Inkrementalmaßstab…

Service-Arbeiten
Portal D4
80 SIPLACE D-Serie Serviceanleitung (internal version)
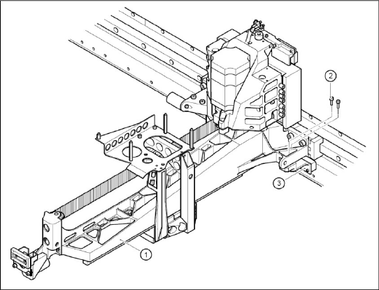
4-20: Y-Maßstab demontieren
Legende
1. Inkrementalmaßstab der y-Achse
2. Ansatzpunkt für Stechbeitel
3. Stift
4. Führungsschiene der Y-Kugelumlaufeinheit
T = Leiterplattentransportrichtung
X Ziehen Sie Arbeitshandschuhe an.
X Beginnen Sie auf der rechten Seite des
Automaten. Lösen Sie mit dem Stechbeitel (2)
den Y-Maßstab (1) von der Auflagefläche bis
zu den beiden Grundportalen auf der linken
Seite.
X Verschieben Sie beide Portale nach rechts,
um den restlichen Teil des
Inkrementalmaßstabs ablösen zu können.
VORSICHT:
Setzen Sie im Bereich der Bohrung (3)
den Stechbeitel vorsichtig zum
Ablösen an, um diese nicht zu
beschädigen.
X Entfernen Sie den Inkrementalmaßstab.
VORSICHT:
Verwinden oder verkanten Sie den
Maßstab beim Herausziehen nicht.
X Befreien Sie die Auflagefläche mit dem
Stechbeitel von Kleberresten.
X Entfernen Sie übrige Kleberreste mit dem
Multiflex-Pad.
X Reinigen Sie die Auflagefläche mit einem mit
Äthylalkohol getränkten flusenfreien Tuch.
ACHTUNG:
Die Auflagefläche muss vollkommen
frei von Kleberresten sein.

Service-Arbeiten
D4 Portal
SIPLACE D-Serie Serviceanleitung (internal version)
81
Maßstab für Y-Achse montieren
X Verschieben Sie beide Portale nach rechts.
VORSICHT:
Verdrehen oder verkratzen Sie den
Inkrementalmaßstab nicht!
X Legen Sie den Maßstab auf eine saubere und
ebene Unterlage.
X Kleben Sie die Schutzfolie auf die Vorderseite
des Maßstabes (Zählspurseite).
X Kleben Sie das doppelseitige Klebeband mittig
auf die Rückseite des Maßstabes. Achten Sie
darauf dass die Klebefläche sauber ist.
Lassen Sie im Bereich der Bohrung das
doppelseitige Klebeband weg.
X Bringen Sie den Maßstab so in die Maschine,
dass die Bohrung im Maßstab links ist.
X Ziehen Sie die durchsichtige Schutzfolie etwas
zurück.
X Ziehen Sie die Abdeckfolie auf dem
Klebestreifen an der Rückseite des
Maßstabes etwa 5 cm weit ab.
X Bringen Sie den Maßstab so an, dass der
Stift (3) in die Bohrung des Maßstabs gleitet.
X Setzen Sie eine der beiden Führungen
unmittelbar rechts neben dem Stift auf die
Führungsschiene der
Y-Kugelumlaufeinheit (4) auf und fixieren Sie
diese mit der Schraube.
X Verschieben Sie beide Grundportale ca. 10 –
20 cm nach links.
X Ziehen Sie die transparente Abdeckfolie ganz
ab.
X Bringen Sie die zweite Führung an der rechten
Seite der Führungsschiene der Y-
Kugelumlaufeinheit an und fixieren Sie damit
den Maßstab in der richtigen Lage.
VORSICHT:
Verdrehen Sie den Maßstab nicht!
X Verschieben Sie beide Grundportale so weit
wie möglich nach rechts.

Service-Arbeiten
Portal D4
82 SIPLACE D-Serie Serviceanleitung (internal version)
Klebevorrichtung einsetzen
X Ziehen Sie den langen Stift aus der Klebevorrichtung heraus.
X Setzen Sie die Klebevorrichtung auf die Führungsschiene der Y-Kugelumlaufeinheit auf der linken
Seite auf.
X Setzen Sie den langen Stift in die Klebevorrichtung so ein, dass der Maßstab zwischen den beiden
Führungsstiften der Klebevorrichtung und dem langen Stift verläuft.
X Legen Sie die Schutzfolie vom Klebeband des Maßstabes um den langen Stift, ziehen Sie nach
rechts und spannen Sie mit der rechten Hand. Ziehen Sie die Schutzfolie der Maßstab-Vorderseite
vor der Klebevorrichtung ab.
Maßstab ankleben
X Drücken Sie mit der linken Hand auf die Klebevorrichtung und die Andruckrolle.
X Führen Sie den Maßstab mit der rechten Hand und ziehen Sie die Schutzfolien vor der
Klebevorrichtung ab. Bewegen Sie die Klebevorrichtung dabei nach rechts.
Klebevorrichtung auf die rechte Seite der Portale umsetzen
X Ziehen Sie den langen Stift aus der Klebevorrichtung.
X Heben Sie die Klebevorrichtung von der Führungsschiene der Y-Kugelumlaufeinheit ab.
X Verschieben Sie die beiden Grundportale ganz nach links.
X Setzen Sie die Klebevorrichtung an derjenigen Position ein, an der sie zuvor entfernt wurde.
X Setzen Sie die Klebevorrichtung wie oben beschrieben wieder ein und setzen Sie den Klebevorgang
fort.
X Entfernen Sie die rechte Führung und den Rest der Schutzfolie.
X Schieben Sie die Klebevorrichtung bis zum rechten Anschlag.
X Entnehmen Sie die Klebevorrichtung.
X Drücken Sie den Rest des Maßstabs mit der Hand und mit Hilfe der reißfesten Wischtücher an.
X Entnehmen Sie den Zentrierstift auf der linken Maßstabsseite.
X Reinigen Sie den Maßstab mit einem mit Äthylalkohol getränkten Tuch.
X Reinigen Sie die Lesefläche beider Y-Inkrementalgeber mit einem mit Äthylalkohol getränkten Tuch.
Einstellarbeiten
X Überprüfen Sie die Spursignale an beiden Inkrementalgebern.
X Kalibrieren Sie die Y-Nullpunktkorrekturen an beiden Portalen.
X Schrauben Sie beide Y-Inkrementalgeber (3)
mit je zwei Innensechskantschrauben M3x10
(2) am Grundportal locker an.
X Stellen Sie mit der Abstandslehre die
Spaltbreite 0,4 mm zwischen Y-
Inkrementalgeber und Maßstab ein und
ziehen Sie die Befestigungsschrauben an.