00195652-03 SM FSE DE - 第86页
Service-Arbeiten Portal D4 86 SIPLACE D-Serie Serviceanleitung (internal version) 4.1.4.4 Y -Linearmotor – Primärteil t auschen [00333148-02] Werkzeuge und Hilfsmittel Sechskantstiftschlüssel, Satz D IN 911 Kabelbind…

Service-Arbeiten
D4 Portal
SIPLACE D-Serie Serviceanleitung (internal version)
85
X Demontieren Sie für das jeweilige Portal die Permanentmagneten:
X Entfernen Sie das Magnetabdeckblech wie folgt:
Heben Sie das Abdeckblech an beiden Seiten gleichzeitig hoch.
Ziehen Sie es auf einer Seite heraus bis es am Portal ansteht.
Dann stecken Sie den Falz des kurzen Endes in die Fuge zwischen den Magnetleisten.
Fahren Sie das Portal über diese Fuge hinweg, bis das Abdeckblech zu entnehmen ist.
X Entfernen Sie die blauen Auflagen vorsichtig z. B. mit einem Schraubendreher.
X Lösen Sie die 4 (1A oder 2D) bzw. 16 (alle anderen) Innensechskantschrauben M6x12 des
Permanentmagneten.
X Heben Sie den jeweiligen Permanentmagneten ab und legen Sie ihn auf eine saubere, nicht
ferromagnetische Unterlage (beispielsweise ein Holzbrett).
Stellen Sie sicher dass Fremdteile oder weitere Magnete sicher weit genug entfernt abgelegt
werden.
Einbau
Einstellarbeiten
X Überprüfen Sie die Achsdynamik der ausgebauten Antriebe.
Sehen Sie dazu auch...
J
4.1.4.5 X-Motoreinheit tauschen [00333167-03] [
J
89]
X Bauen Sie die Permanentmagneten (4 bzw.
16 Innensechskantschrauben M6x12) ein.
Unten muss der Abstand 0,8 mm betragen.
Benutzen Sie dazu eine entsprechende
Fühlerlehre oder Kunststoffstreifen. Zwischen
den Magnetplatten soll ein Sichtspalt von ca.
0,8 mm sein.
X Montieren Sie die Abdeckungen an der
Quertraverse oberhalb des betreffenden
Portals (3 Innensechskantschrauben M6x8).

Service-Arbeiten
Portal D4
86 SIPLACE D-Serie Serviceanleitung (internal version)
4.1.4.4 Y-Linearmotor – Primärteil tauschen [00333148-02]
Werkzeuge und Hilfsmittel
Sechskantstiftschlüssel, Satz DIN 911
Kabelbinder
Riemenspannungsmessgerät TSM [00326015-01]
Bedienungsanleitung "Riemenspannungen messen"
SITEST-Programm
Teile
Linearmotor – Primärteil [00333148-02]
Primärteil des Linearmotors ausbauen
X Bauen Sie die X-Motoreinheit aus, wie dies im Abschnitt (4.1.4.5 X-Motoreinheit tauschen
[00333167-03]
J
89 ) beschrieben ist.
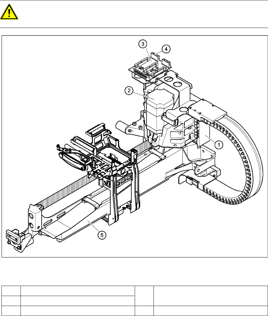
4-22: Linearmotor - Primärteil tauschen (1)
Legende
VORSICHT: Vorbedingung
Es muss mindestens die Magnetleiste hinter dem Linearmotor abgebaut sein (siehe Abschnitt
(4.1.4.3 Y-Linearmotor – Sekundärteil tauschen
J
83 ) ).
(1) Linearmotor - Primärteil (4) Steckplatz X4 für Anschlusskabel des
Primärteils
(2) X-Motoreinheit
(3) X/Y-Verteiler (5) Portal

Service-Arbeiten
D4 Portal
SIPLACE D-Serie Serviceanleitung (internal version)
87
4-23: Linearmotor - Primärteil tauschen (2)
Legende
X Lösen Sie die neun Innensechskantschrauben M5x20 (3) und nehmen Sie das Primärteil (2) ab.
X Achten Sie darauf, dass die Konterleisten nicht herunter fallen.
(1) X-Motoreinheit (4) Motorträger mit Steckverbindung (Pneumatik)
(2) Linearmotor - Primärteil (5) Konterleiste
(3) Innensechskantschraube M5x20, 9 Stück