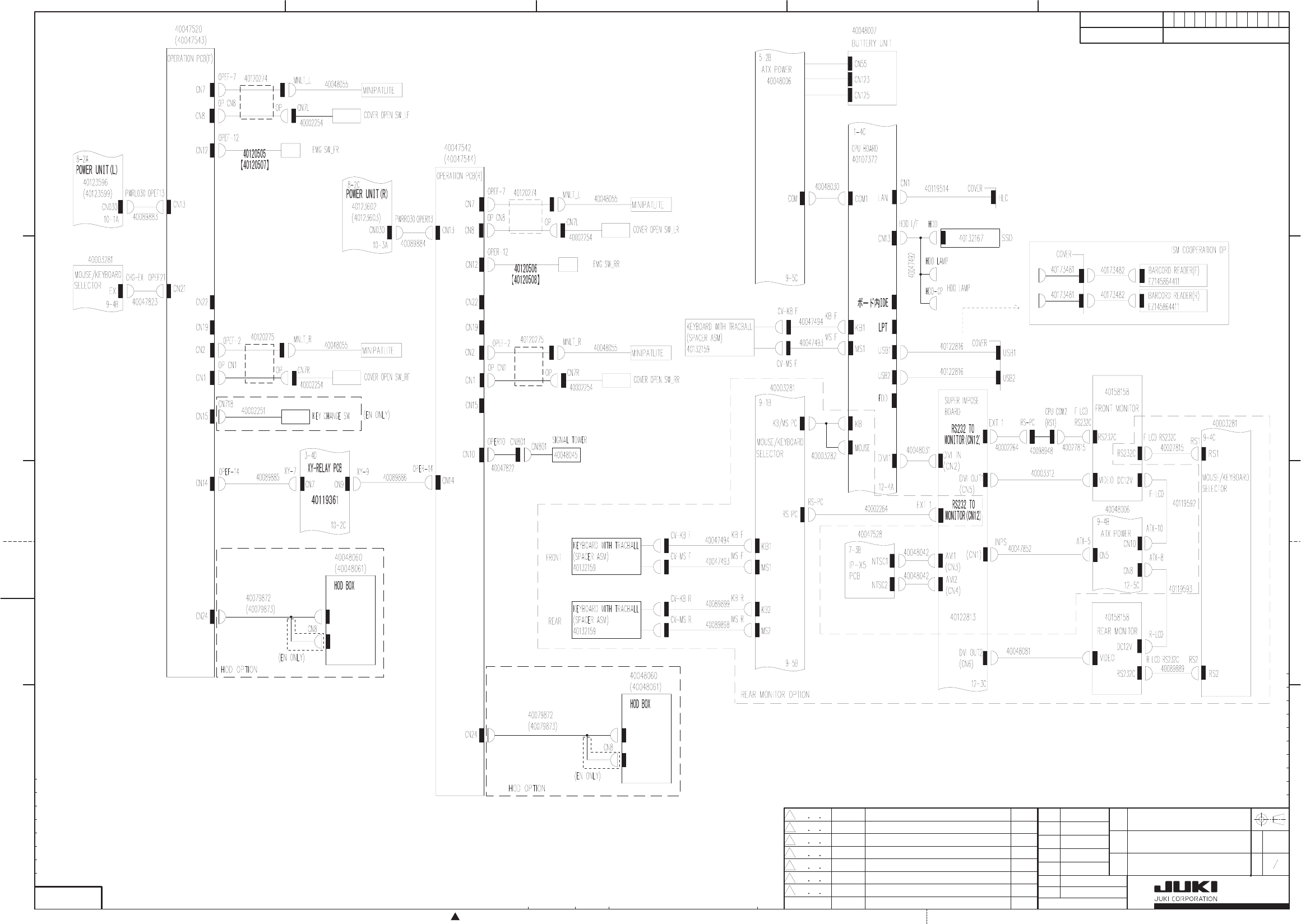
FX-3RA_电路图 - 第15页
(''&'456#6+10 (:4# 5[UVGO&KCITCO 40

㸨
23(5$7,21&38021,725
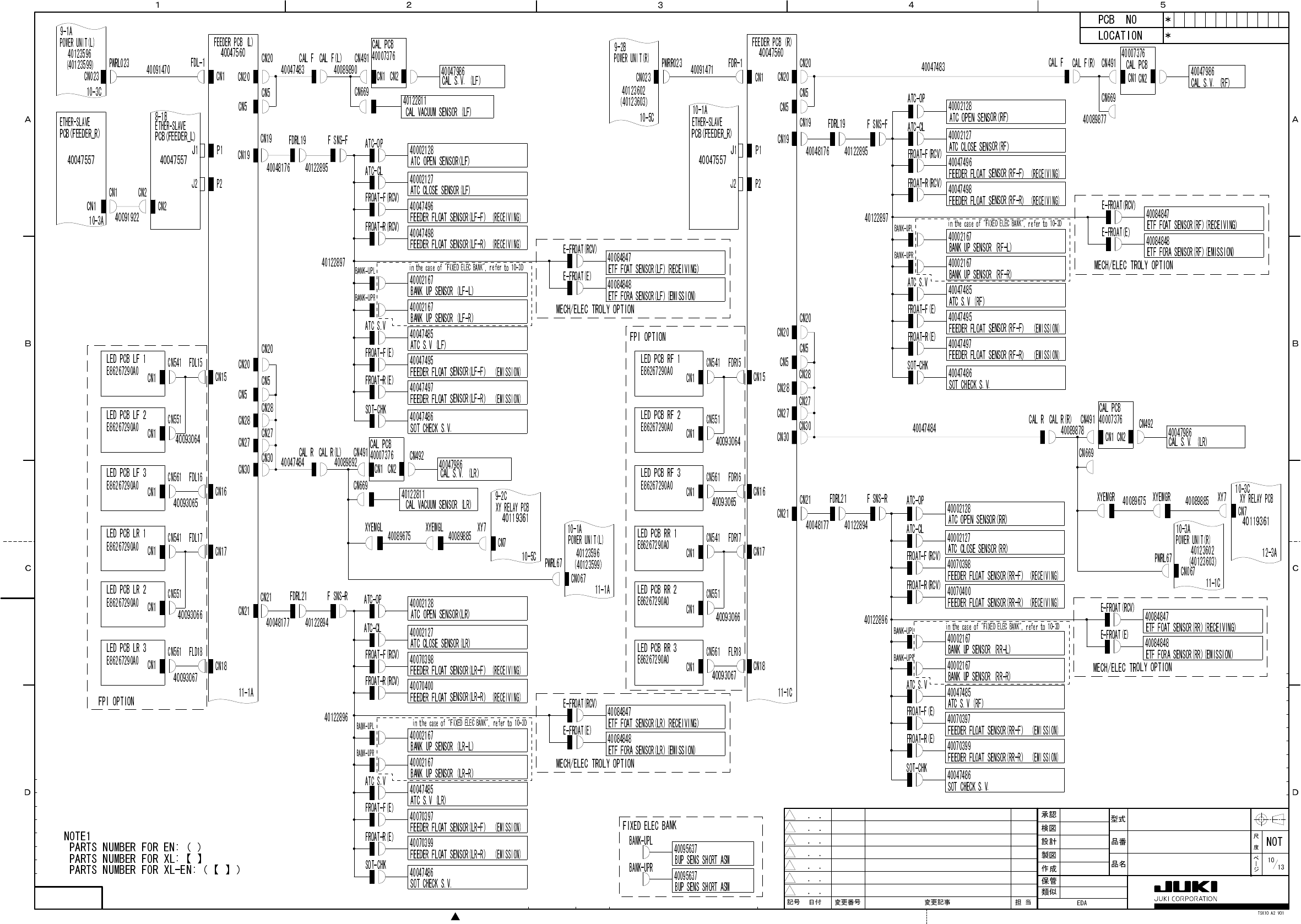
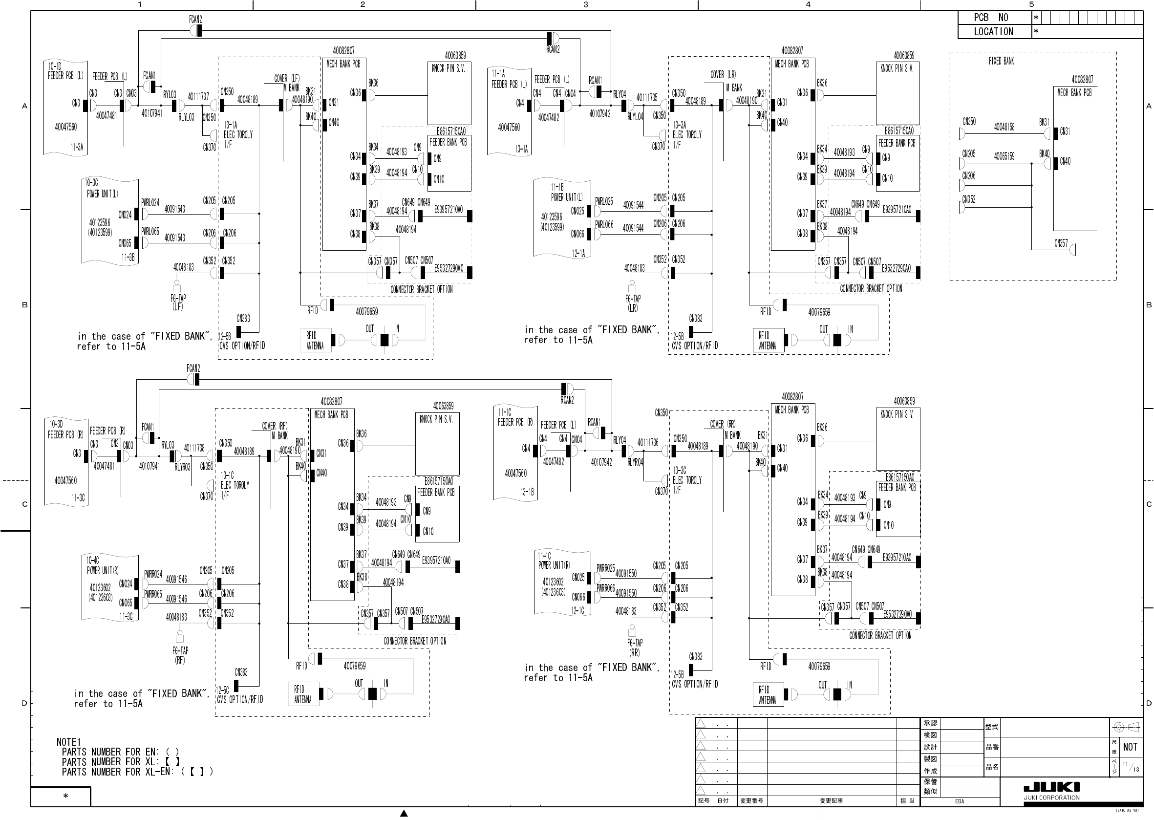
127(
3$576180%(5)25(1㸦㸧
3$576180%(5)25;/࠙ࠚ
3$576180%(5)25;/(1㸦࠙ࠚ㸧
);5$
6\VWHP'LDJUDP
127
ᑻ
ᗘ
࣌
勖
ࢪ
ᆺᘧ
ရ␒
ရྡ
ᢎㄆ
᳨ᅗ
タィ
〇ᅗ
సᡂ
ಖ⟶
㢮ఝ
ᢸᙜグྕ ᪥ ኚ᭦␒ྕ ኚ᭦グ
51
㹂
㹁
㹀
㸿
3&%12
/2&$7,21
㸳㸲㸱㸰㸯
㹁
㹀
㸿
㹂
76.$9
('$

(''&'456#6+10
(:4#
5[UVGO&KCITCO
40

/'%*6141.;+(
(:4#
5[UVGO&KCITCO
40