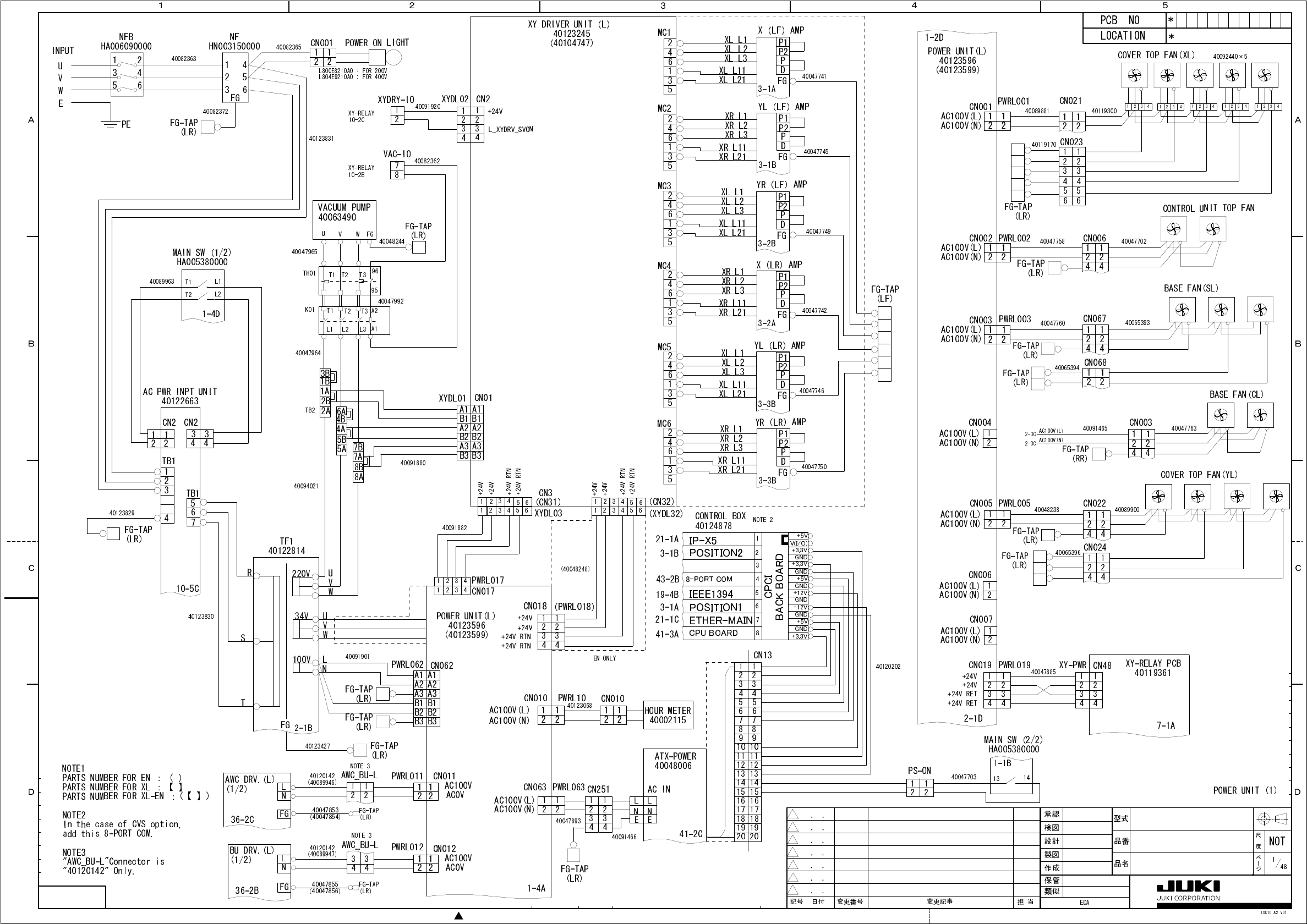
FX-3RA_电路图 - 第32页
4. WIRING DI AGRAM

3
3
*
*
*
MPC-CAN
FX-3RA
40169114
NOT
尺
度
ペ
ジ
型式
品番
品名
承認
検図
設計
製図
作成
保管
類似
担 当記号 日付 変更番号 変更記事
R/N
D
C
B
A
PCB NO
LOCATION
54321
C
B
A
D
TSK10-A2-V01
EDA
4. WIRING DIAGRAM

(:4#
9+4+0)&+#)4#/
40
4. WIRING DI AGRAM

