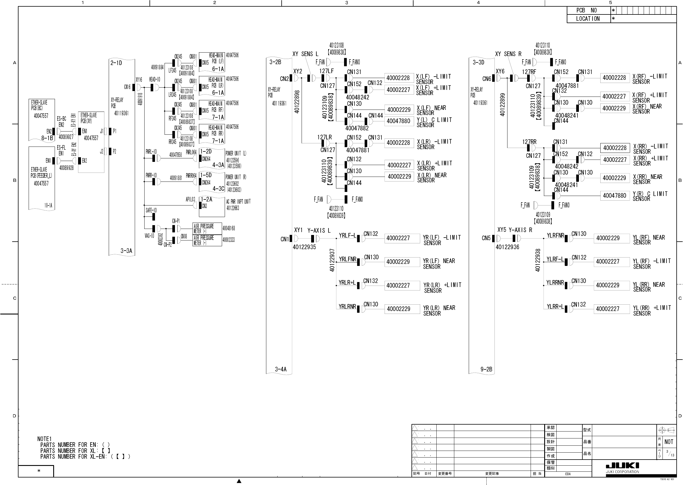
FX-3RA_电路图 - 第7页
5'481/1614 (:4# 5[UVGO&KCITCO 40

(:4#
5[UVGO&KCITCO
$7&4+8'4.
+0276
#%8
%0
:;&.
2510
%0
%0
%0
%0
%0
%0
:;&.
294.
294.
294.
294.
294.
294.
8#%+1
:;&4;+1
:;294
294.
294.
294.
294.
:;&.
/%6*
:;4'.#;2%$
%0
%0
#
%0
%0
8#%77/
27/2
/#+059
()6#2
.4
()6#2
.4
%2%+$#%-$1#4&
+2:
215+6+10
+'''
215+6+10
'6*'4/#+0
%27$1#4&
#6:219'4
%0
#9%&4+8'4.
6(
%0
%0
%0
%0
%0
%0
#%8
%0
()
#%8
#%8
%0
%0
%0
%0
:;&4+8'4
70+6.
%0
219'470+6.
%0
.'#(148
.'#(148
6$
/#+059
&
29410
.+)*6
0(
0($
6$
%0
294.
*174/'6'4
%0
%0
()6#2
.4
#9%&4+8'44
#%+0
#%+0
()
()
$7&4+8'44
()6#2
44
()6#2
44
%0
:;&4
%0
:;&4
#%8
%04
%0
%04
%04
2944
2944
:;&4
:;&4;+1
2944
2944
2944
2944
2944
2944
$
:;4'.#;2%$
%0
%0
%0
%0
%0
%0
%0
%0
219'470+64
%0
:;&4+8'4
70+64
%0
%0
#%8
#%8
%0
#%8
%0
%0
%0
%0
:;
:;
()
#%+0
()
#%+0
219'470+6
#%8
%0
%0
%0
:;&4
2944
#%8
%04
%04
%0
2944
294)0&
294.
%0
:;&.
%0
294.
%0
%0
%04
#%+0
6(
%0
%10641.70+6612(#0
$#5'(#05.
%18'4612(#0:.
()6#2.4
()6#2.4
()6#2.4
()6#2.4
()6#2.4
()6#2.4
%18'4612(#0;.
()6#2.4
()6#2.4
()6#2.4
()6#2.4
()6#244
()6#244
()6#244
()6#244
()6#244
$#5'(#054
$#5'(#0%4
%18'4612(#0;4
$#5'(#0%.
()6#244
#9%A$7.
#9%A$7.
016'
016'
$#5+%(#0#5/
%0
%18'4612(#0:4
$#5+%(#0#5/
#9%A$74
016'
#9%A$74
016'
40

5'481/1614
(:4#
5[UVGO&KCITCO
40

:;4'.#;
(:4#
5[UVGO&KCITCO
40