FX-3RA_电路图 - 第70页
9+4+0)&+#)4#/ (:4# 40

9+4+0)&+#)4#/
(:4#
40

9+4+0)&+#)4#/
(:4#
40

39
48
*
*
*
NOTE1
PARTS NUMBER FOR EN :( )
PARTS NUMBER FOR XL :【 】
PARTS NUMBER FOR XL-EN :(【 】)
㻿㻼㻱㻯
㻯㻭㻾㻾㼅
㻰㻵㻾㻱㻯㼀㻵㻻㻺
㻾㻱㻸㻭㼅
㻯㻭㻮㻸㻱
㻿㻱㻺㻿㻻㻾
㻿㻮㻸㻞㻙㻟㻦㻠㻜㻜㻢㻡㻝㻤㻡
㻿㻮㻾㻞㻙㻟㻦㻠㻜㻜㻢㻡㻝㻤㻢
㻿㻱㻸㻞㻙㻟㻦㻠㻜㻜㻢㻡㻝㻤㻢
㻿㻮㻾㻞㻙㻟㻦㻠㻜㻜㻢㻡㻝㻤㻡
㻿㻮㻸㻞㻙㻟㻦㻠㻜㻜㻤㻥㻥㻟㻜
㻿㻮㻾㻞㻙㻟㻦㻠㻜㻜㻤㻥㻥㻟㻞
㼄㻸 㻰㼛㼚㻓㼠㻌㻯㼍㼞㼑 㻸㻤㻞㻥㻱㻡㻞㻝㻜㻭㻜
㻸㻾
㻾㻸
㻠㻜㻜㻢㻡㻝㻤㻠㻸
NOTE2
NOTE2
NOTE2
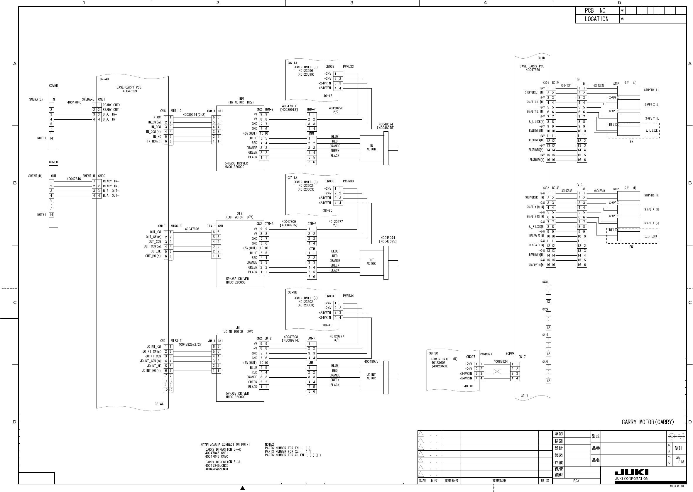
WIRING DIAGRAM
FX-3RA
40123557
CARRY SENSOR
BASE CARRY PCB
40047559
38-4D
11
22
33
CN25 SPWR-L
11
22
33
CN27 SENS-L
44
55
66
77
88
99
10 10
11 11
12 12
13 13
14 14
15 15
16 16
+24V
N.C.
GND
IN SENS
WAIT_L SENS
WAIT_L TEACHING
STOP_L SENS
STOP_L TEACHING
COUT_L SENS
COUT_L TEACHING
BU_L ORG SENS
BU PIN_L SENS
BU_L LOCK SENS
TPIN_L SENS
AWC_L ORG SENS
RESERVE IN1
RESERVE IN2
RESERVE IN3
RESERVE OUT1
11
22
33
44
55
66
77
88
99
10 10
11
22
33
11
22
33
44
11
22
33
44
11
22
33
44
11
22
33
11
22
33
11
22
33
11
22
33
11
22
33
SPWR-R
SENS-R
CN21
CN26
+24V
N.C.
GND
OUT SENS
WAIT_R SENS
WAIT_R TEACHING
STOP_R SENS
STOP_R TEACHING
COUT_R SENS
COUT_R TEACHING
BU_R ORG SENS
BU PIN_R SENS
BU_R LOCK SENS
TPIN_R SENS
AWC_R ORG SENS
RESERVE IN4
RESERVE IN5
RESERVE IN6
RESERVE OUT2
S1 S1
P2 P2
P1 P1
S4 S4
S3 S3
S2 S2
S7 S7
S6 S6
S5 S5
S8 S8
1A
S1 1B
2A
1A
S2 1B
2A
1A
S3 1B
2A
1A
S4 1B
2A
1A
S5 1B
2A
1A
S6 1B
2A
1A
S7 1B
2A
1A
S8 1B
2A
11
22
33
44
55
66
77
88
99
10 10
S1 S1
P2 P2
P1 P1
S4 S4
S3 S3
S2 S2
S7 S7
S6 S6
S5 S5
S8 S8
1A
S1 1B
2A
1A
S2 1B
2A
1A
S3 1B
2A
1A
S4 1B
2A
1A
S5 1B
2A
1A
S6 1B
2A
1A
S7 1B
2A
1A
S8 1B
2A
11
22
11
22
33
11
22
33
44
55
66
77
88
99
10 10
11 11
12 12
13 13
14 14
15 15
16 16
11
22
33
11
22
33
44
11
22
33
44
11
22
33
44
11
22
33
11
22
33
S1 S1
P2 P2
P1 P1
S4 S4
S3 S3
S2 S2
S7 S7
S6 S6
S5 S5
S8 S8
1A
S1 1B
2A
1A
S2 1B
2A
1A
S3 1B
2A
1A
S4 1B
2A
1A
S5 1B
2A
1A
S6 1B
2A
1A
S7 1B
2A
1A
S8 1B
2A
11
22
33
44
55
66
77
88
99
10 10
S1 S1
P2 P2
P1 P1
S4 S4
S3 S3
S2 S2
S7 S7
S6 S6
S5 S5
S8 S8
1A
S1 1B
2A
1A
S2 1B
2A
1A
S3 1B
2A
1A
S4 1B
2A
1A
S5 1B
2A
1A
S6 1B
2A
1A
S7 1B
2A
1A
S8 1B
2A
11
22
11
22
33
44
55
66
77
88
99
10 10 1 1
22
33
44
55
66
77
88
11
22
33
44
55
66
77
88
SBL1
40047904
40047906
40047908
SBL1/2
PWR2
SBL2
SBR1
40047905
SBR1/2
40047907
SBR2
40047909
SBL1
SBL2
SBR2SBR1
CN437
40047910
40047912
CSL-3
40047913
CSL-4
40047914
CSL-5
CN409L
40047915
CN446
40047916
CN442
40047917
CN445
40047918
PWR2
CN438
40047920
40047922
CSR-3
40047923
CSR-4
40047924
CSR-5
CN409L
40047925
CN446
40047926
EN ONLY
EN ONLY
40002208
40002210
40002124
40002241
40002122
40002120
40002124
40002241
11
22
33
40089929
11
22
33
40089931
40047903
【40089926】
40047902
【40089925】
BPIN OUT-L
BPIN OUT-R
L829E1210A0
L829E1210A0
XL ONLY
XL ONLY
11
22
33
11
22
33
11
22
33
CN442
40047927
CN445
40047928
40002122
40002120
40219322
40219321
[40187863]
[40187865]
[40187864]
40219323
40219325
40219324
[40187866]
[40187868]
[40187867]
NOT
尺
度
ペ
ジ
型式
品番
品名
承認
検図
設計
製図
作成
保管
類似
担 当記号 日付 変更番号 変更記事
R/N
D
C
B
A
PCB NO
LOCATION
54321
C
B
A
D
TSK10-A2-V01
EDA