KE-3020_KE-3020R-Rev04 - 第129页
- 12 2 - REF .NO N O TE PART NO D E S C R I P T I O N 品 名 Q ty 1 40 0-94 743 AW C_ 302 0_M EC H ANI C_ AS M 自動幅調3020メカニック組 1 2 400-00768 AW C PU L LEY A ASM. AWC プーリ A 組 (1) 3 E 21 53- 7 25-0 00 A W C PUL LEY A AWC プーリ A…

- 121 -
OPTION
オプション
61.AWC COMPONENTS
AWC 関係
19
3
9
20
6
4
7
8
13
16
23
30
1
22
24
26
25
28
10
21
2
5
17
11
12
15
27
14
18
11
12
15
29

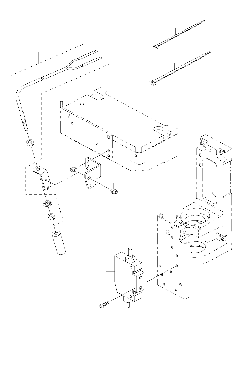
- 122 -
REF.NO NOTE PART NO D E S C R I P T I O N
品 名
Qty
1 400-94743 AWC_3020_MECHANIC_ASM
自動幅調3020メカニック組
1
2 400-00768 AWC PULLEY A ASM.
AWC プーリ A 組
(1)
3 E2153-725-000 AWC PULLEY A
AWC プーリ A
(1)
4 SM-8040602-TP SCREW M4X0.7 L=6
止めねじ
(2)
5 400-00769 AWC PULLEY B ASM.
AWC プーリ B 組
(1)
6 E2154-725-000 AWC PULLEY B
AWC プーリ B
(1)
7 SM-8040402-TP SCREW M4X0.7 L=4
止めねじ M 4 X 0.7 L =4
(2)
8 SM-8040602-TP SCREW M4X0.7 L=6
止めねじ
(2)
9 400-92577 AWC ORG SENS ASM
AWC 原点センサ組
(1)
10 SL-6031092-TN SCREW
座金付き六角穴ボルト
(2)
11 400-94550 SENSOR_BRACKET_AWC
センサブラケット_ AWC
(2)
12 SL-6031092-TN SCREW
座金付き六角穴ボルト
(4)
13 400-92569 BU PIN SENSOR EMISSION ASM
BU PIN 投光センサ組
(1)
14 400-92575 BU PIN SENSOR RECEIVER ASM
BU PIN 受光センサ組
(1)
15 SL-6031092-TN SCREW
座金付き六角穴ボルト
(4)
16 400-48077 AWC MOTOR ASM
幅調モータ組
(1)
17 E2163-725-000 AWC BRACKET E
AWC ブラケット E
(1)
18 E2160-725-000 AWC BELT (E)
AWC ベルト (E)
(1)
19 E2161-725-000 AWC OP DOG (E)
AWC OP ドグ (E)
(1)
20 SL-6030692-TN BOLT
座金付き六角穴ボルト M 3 L =6
(2)
21 E4805-729-000 AWC SENSOR BRACKET B (E)
AWC センサブラケット B(E)
(1)
22 SM-4030501-SN SCREW M3 L=5
皿小ねじ M 3 X 0.5 L =5
(1)
23 SL-6041092-TN SCREW
座金付き六角穴ボルト
(4)
24 SL-4031091-SC SCREW M3 X 10
なべ小ねじ セムス
(2)
25 HX-0034400-00 HARNESS PARTS
束線パーツ
(1)
26 SL-6030692-TN BOLT
座金付き六角穴ボルト M 3 L =6
(1)
27 EA-9500B01-00 CABLE BAND
束線バンド
(2)
28 HX-0052200-00 SPIRAL TUBE
スパイラルチューブ
(0.32)
29 400-65488 BU PIN SENSOR DOG
BU ピンセンサドグ
(1)
30 SL-6051492-TN BOLT
座金付き六角穴ボルト
(2)

- 123 -
62.BAD MARK READER COMPONENTS
バッドマークリーダ関係
5
6
3
4
1
8
9
2
7
2