KE-3020_KE-3020R-Rev04 - 第196页
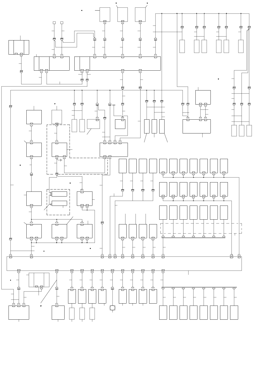
- 18 9 - 9 5 .SY STE M DI AG RA M( 2) SYSTEM DIAGRAM(2) NO ZZ LE UP SV A SM NOZZL E DOWN SENSO R IC NOZZL E DOWN SENSO R L NOZZL E DOWN SENSO R R FA N Z7 BL W SV Z7 V AC SV Z6 BL W SV Z6 V AC SV Z5 BL W SV Z5 V AC SV Z4 …

- 188 -
NOTE( 注記 ) #01....TYPE XL XL 仕様
REF.NO NOTE PART NO D E S C R I P T I O N
品 名
Qty
1 400-92410 BREAKER INPUT CABLE ASM
ブレーカ入力ケーブル組
1
2 400-92412 POWER ON LAMP RELAY CABLE ASM
パワーオンランプ中継ケーブル組
1
3 401-06608 POWER LAMP 200V CABLE ASM パワーランプ200 V 束線組 1
4 401-06609 POWER LAMP 400V CABLE ASM パワーランプ400 V 束線組 1
5 400-92411 BREAKER OUT CABLE ASM
ブレーカ出力ケーブル組
1
6 400-92439 MTC PWR WIRE L ASM
MTC 電源 L ケーブル組
1
7 400-02063 MTC POWER WIRE R ASM
MTC(R)電源ケーブル組
1
8 400-94708 AC INPUT UNIT
AC _インプットユニット
1
9 400-92413 MAIN SW OUTPUT CABLE ASM メインスイッチ出力ケーブル組 1
10 400-02056 INPUT UNIT FG CABLE ASM インプットユニット F G ケーブル組 1
11 400-92414 TF INPUT CABLE ASM
トランス入力ケーブル組
1
12 400-92664 TF INPUT DELTA CABLE ASM
トランス入力デルタ結線ケーブル組
1
13 400-94736 POWER UNIT
電源ユニット
1
14 400-71184 TRANSFOMER
トランス
1
15 400-92415 TF FG CABLE ASM
トランス F G ケーブル組
1
16 400-92417 TF 220V OUTPUT CABLE ASM TF 220 V 出力ケーブル組 1
17 400-92418 TF 34V OUTPUT CABLE ASM TF 34 V 出力ケーブル組 1
18 400-95136 TF 100VA OUTPUT CABLE ASM
TF 100 VA 出力ケーブル組
1
19 400-95137 TF 100VB OUTPUT CABLE ASM
TF 100 VB 出力ケーブル組
1
20 400-95135 VAC PUMP POWER CABLE ASM
バキュームポンプ電源ケーブル組
1
21 400-76121 VACUUM PUMP
バキュームポンプ
1
22 400-92424 VACUUM PUMP FG CABLE ASM バキ ュームポンプ FG ケーブル組 1
23 HB-0006400-00 HOUR METER アワーメーター 1
24 400-99144 HOUR METER ASM
アワーメータ組
1
25 400-92440 BASIC FAN ASM
ファン組
18
26 400-44533 SERVO MOTOR 10W
サーボモータ10 W
8
27 400-44541 OPTICAL FIBER CABLE 0.15M
光ファイバケーブル0.15 M
1
28 400-92461 LZT PWR RELAY CABLE ASM LZ T パワーリレーケーブル組 1
29 400-44541 OPTICAL FIBER CABLE 0.15M 光ファイバケーブル0.15 M 1
30 400-44541 OPTICAL FIBER CABLE 0.15M
光ファイバケーブル0.15 M
1
31 400-92441 FAN CABLE ASM_1
ファンケーブル組1
1
32 400-92442 FAN CABLE ASM_2
ファンケーブル組2
1
33 400-92443 FAN CABLE ASM_3
ファンケーブル組3
1
34 400-92444 FAN CABLE ASM_4
ファンケーブル組4
1
35 400-92446 FAN CABLE RELAY ASM_5 ファ ンケーブル中継組5 1
36 400-92445 FAN CABLE ASM_5 ファ ンケーブル組5 1
37 400-97602 FAN CABLE ASM_7
ファンケーブル組7
1
38 400-97601 FAN CABLE ASM_6
ファンケーブル組6
1
39 400-92420 X PWR CABLE ASM
X 電源ケーブル組
1
40 400-92436 X MOTOR RB CABLE ASM
X 回生抵抗 ケーブル組
1
41 400-92421 YL PWR CABLE ASM YL 電源ケーブル組 1
42 400-92437 YL MOTOR RB CABLE ASM YL 回生抵抗 ケーブル組 1
43 400-92422 YR PWR CABLE ASM
YR 電源ケーブル組
1
44 400-92438 YR MOTOR RB CABLE ASM
YR 回生抵抗 ケーブル組
1
45 400-47893 ATX PWR CABLE ASM
ATX 電源 ケーブル組
1
46 400-44538 SERVO AMP 750W
X 軸サーボアンプ750 W
1
47 400-92416 DRV FG CABLE ASM
ドライバ F G ケーブル組
1
48 400-54885 REGENERATIVE RESISTOR 回生 抵抗 RB −12 1
49 400-44541 OPTICAL FIBER CABLE 0.15M 光ファイバケーブル0.15 M 1
50 400-44539 SERVO AMP 2000W
Y 軸サーボアンプ2000 W
2
51 400-92416 DRV FG CABLE ASM
ドライバ F G ケーブル組
1
52 400-92658 REGENERATIVE REGISTOR
回生抵抗
1
53 400-44541 OPTICAL FIBER CABLE 0.15M
光ファイバケーブル0.15 M
1
54 400-92416 DRV FG CABLE ASM ドライバ F G ケーブル組 1
55 400-92658 REGENERATIVE REGISTOR 回生抵抗 1
56 400-47894 ATX PWR RLY CABLE ASM
ATX 電源 中継ケーブル組
1
57 400-48007 BATTERY UNIT
バッテリユニット
1
58 400-92447 OPTICAL FIBER CABLE 2.4M
光ファイバーケーブル 2.4 M
1
59 400-45395 XL ENC CABLE ASM
XL ENC ケーブル組
1
60 400-92657 XL MTR CABLE ASM
XL モーターケーブル組
1
61 400-44540 16AXIS 2CH SERVO CONTROLLER 16軸 2 CH ポジションボード 1
62 400-92450 Y BEAR CABLES ASM Y ベアケーブ ル組 1
63
#01
400-92638 Y BEAR CABLES ASM XL
Y ベアケーブル組 XL
1
64 400-47930 POS BOARD1 1CH CABLE ASM
ポジションボード1 1 CH ケーブル組
1
65 400-97614 XY-RELAY POS RELAY CABLE ASM
XY − RELAY ポジション中継ケ ーブル組
1
66 400-71676 XY RELAY PCB ASM
XY リレー基板組
1
67 400-92448 OPTICAL FIBER CABLE 6.5M 光ファイバーケーブル 6.5 M 1
68 400-44545 X MOTOR ENCODER CABLE X 軸エンコーダ中継ケーブル 1
69 400-44546 X MTR PWR CABLE
X MTR パワーケーブル
1
70 400-68914 SERVO MOTOR 750W
サーボモーター 750 W
1
71 400-97581 X ENC RELAY CABLE ASM
X ENC リレーケーブル組
1
72 400-44531 MAGNETIC SCALE X SENSOR UNIT
マグネチックスケール X センサユニッ ト
1
73 400-92449 XY BEAR CABLES ASM XY ベアケーブル組 1
74 #01 400-92637 XY BEAR CABLES ASM XL XY ベアケーブル組 X L 1
75 400-97578 X LINEAR SENSOR CABLE ASM
X リニアセンサケーブル組
1
76 400-92451 YL ENCODER CABLE ASM
YL エンコーダケーブル組
1
77 400-92453 YL MOTOR CABLE ASM
YL モーターケーブル組
1
78 400-76136 SARVO MOTOR 1500W
サーボモータ1500 W
2
79 400-97582 YL ENC RELAY CABLE ASM
YL ENC リレーケーブル組
1
80 400-44532 MAGNETIC SCALE Y SENOR UNIT マグネチックスケール Y センサユニッ ト 1
81 400-02171 YL ORG SENSOR ASM YL 原点センサ組 1
82 400-92450 Y BEAR CABLES ASM
Y ベアケーブル組
1
83
#01
400-92638 Y BEAR CABLES ASM XL
Y ベアケーブル組 XL
1
84 400-97579 YL LINEAR SENSOR CABLE ASM
YL リニアセンサケーブル組
1
85 400-97584 YL ORG SENSOR CABLE ASM
YL ORG センサケーブル組
1
86 400-92452 YR ENCODER CABLE ASM YR エンコーダケーブル組 1
87 400-92454 YR MOTOR CABLE ASM YR モーターケーブル組 1
88 400-97583 YR ENC RELAY CABLE ASM
YR ENC リレーケーブル組
1
89 400-44532 MAGNETIC SCALE Y SENOR UNIT
マグネチックスケール Y センサユニッ ト
1
90 400-02172 YR ORG SENSOR ASM
YR 原点センサ組
1
91 400-92450 Y BEAR CABLES ASM
Y ベアケーブル組
1
92
#01
400-92638 Y BEAR CABLES ASM XL
Y ベアケーブル組 XL
1
93 400-97580 YR LINEAR SENSOR CABLE ASM YR リニアセンサケーブル組 1
94 400-97585 YR ORG SENSOR CABLE ASM YR ORG センサケーブル組 1
95 400-48006 ATX PSU
ATX 電源
1
96 400-92435 CPCI POWER CABLE ASM
CPCI パ ワーケーブル組
1
97 400-95130 MAGNETIC SCALE PCB ASM
マグネスケール基板組
1
98 400-97586 MAGNE SCALE PCB PWR CABLE ASM
マグネスケール PCB パワーケーブル組
1
99 400-44535 4AXIS SERVO AMP 4軸一体型サーボアンプ 4
100 400-92449 XY BEAR CABLES ASM XY ベアケーブル組 1
101
#01
400-92637 XY BEAR CABLES ASM XL
XY ベアケーブル組 XL
1
102 400-44534 SERVO MOTOR 30W
サーボモータ30 W
6
103 400-97430 COPLA INPUT RELAY CABLE ASM
コプラ入力リレーケーブル組
1
104 401-05684 2.00C 0367A03 A INSTALL ASM
2.00 C 0367 A 03 インストール組
1
105 400-97432 COPLA CPU CP CABLE ASM
コプラ CP U CP ケーブル組
1
106 400-97434 COPLA MONITOR SWITCH BOARD コプラモニタ切換えボード 1
107 400-97428 COPLA CPU POWER CABLE ASM コプラ CP U 電源ケーブル 組 1
108 400-97433 COPLA CPU GND CABLE ASM
コプラ CP U GND ケーブル組
1
109 HX-0057700-00 POWER SUPPLY
電源
1

- 189 -
95.SYSTEM DIAGRAM(2)
SYSTEM DIAGRAM(2)
NO ZZ LE
UP
SV A SM
NOZZL E
DOWN
SENSO R IC
NOZZL E
DOWN
SENSO R L
NOZZL E
DOWN
SENSO R R
FAN
Z7 BLW SVZ7 V AC SV
Z6 BLW SVZ6 V AC SV
Z5 BLW SVZ5 V AC SV
Z4 BLW SVZ4 V AC SV
Z3 BLW SVZ3 V AC SV
Z2 BLW SVZ2 V AC SV
Z1 BLW SVZ1 VAC S V
Z7
P RESSU RE
S ENSOR
Z6
P RESSU RE
S ENSOR
Z5
P RESSU RE
S ENSOR
Z4
P RESSU RE
S ENSOR
Z3
P RESSU RE
S ENSOR
Z2
P RESSU RE
S ENSOR
Z1
P RESSU RE
S ENSOR
T 7 SLO W
DOWN
SENSOR
Z 7 SLO W
DOWN
SENSOR
Z 6 SLO W
DOWN
SENSOR
Z 5 SLO W
DOWN
SENSOR
Z 4 SLO W
DOWN
SENSOR
Z 3 SLO W
DOWN
SENSOR
Z 2 SLO W
DOWN
SENSOR
Z1 SLOW
DO WN
SE NSOR
OCC A
LIGHT
PCB ASM
OCC A
LIGHT
PCB ASM
OCC A
LIGHT
PCB ASM
OCC A
LIGHT
PCB ASM
OCC C
LIGHT
PCB ASM
OC C C
LIGHT
PC B AS M
OCC
CAMERA
OCC
CAMERA
ES F
NZ D WN2
NZ DW N1
NZ D WN3
CN19
XY10
CN30
CN2 8
CN16
CN
32
CN12
TEM PERAT URE
SEN SOR
PWB ASM
C N23
CN2 6
CN2 5
BR1
CN2 4
BR2
C N27
LIGHT-A2 CN 8 LIGHT-A2C N11
LIGHT-A1 CN 7 LIGHT-A1CN10
LIGHT-C CN 6 LIGHT-CCN9
O CCL CN31 OCC RCN1
3 -3B
4-2 C
ETHER
SLAVE
PCB
EN 1
EN2
LIGHT
CTRL PCB
CN813
EN1
CDS A MP
CN20
CDS
FIBER
B/M A MP
CN14
B/M
FIBER
HMS A MP
C N32
HMS
HEADR
1-3B
FMLA
4-1D
CN2
CN4 78
AC3
IP-X7
PC B
2-4A
2-5 B
COM1
CPU
BOARD
4-4 C
CH 1
IEEE1394
BOARD
CH 1
C N245
LNC60
CH 2
IEEE1394a
REPEATER
XY02
XY 01
XY08
3-4B
CN14
OPERATION
PCB (R)
3-4A
CN14
OPERATION
PCB (F)
4-4A
CO M2
CPU
BOARD
CN9
CN7
CN33
CN901
ION P WR
IONIZER
ION IZER
CN 20 1
CN13
CN20CN 064
CN26
CN17
POWER
UNIT
CN15
CN127
CN 13 1
CN130
CN132
CN130
CN131
X
NEA R
SENSO R
X +LI MIT
SENSO R
X -LI MIT
SENSO R
CN 4 30
CN431
CN139
CN143
CN138
CN137
FEEDER DET
SENS(EMI)
FEEDER DET
SENS(REC)
Y +LI MIT
SENSO R
Y NEA R
SENSO R
Y ++LINIT
SENSOR
Y -LI MIT
SENSO R
XY04
CN2
CN064
CNP 2
CNP1
SAFE IO
HEAD IO
MTC I/F
MTS I/F
I/ F R
I/ F L
CN2
CN1
XY05
CN34
XY03
3-2 A
ETHER
SLAVE
PCB
EN1
EN2
FEEDER
PC B
4-2 A
ETHER
SLAVE
PCB
EN 1
EN2
BASE I/O
PCB
ETHER
SLAVE
PCB
EN 1
EN2
AIR PRES S
METE R (- )
AIR PRES S
METE R (+ )
SAFTY
UNIT
(EN)
1-3A
CN16
XY-R ELAY
PCB
J8
ETHER
MAIN PCB
CN848
COMJ4
SCM3
PCB
CN 1
LNC60
1-5D1-5C
1-5B
1-5A
CN4D
CN5CN4C
4AXIS SERV O
AMP(4 )
CN4 D
CN5CN4 B
4A XIS SE RVO
AM P(3)
CN4 D
CN5CN4 B
4A XIS SE RVO
AM P(2)
CN4 D
CN
19 CN5CN4 B
4AXI S SERV O
AMP( 1)
HEAD MAIN PCB
EN 1
EN2
EN3
1
2
4
3
5
6
7
8
913
14
15 17
19
21
23 25 27
16 18 20 22 24 26 28 29 31
30 32 33 34 35 36 37 38
10
11
12
40
41
43
44
45
46
47
48
49
50
53
54
55
56
57
58
59
60
133
61
62
63
64
65
66
67
120
68
69
70
72
73 74 75 76 77
78
79 80 81 82
85
86
87
88 89
91 92
93
94
95
96
98
99
100
101
102 103 104
105
106
107
108
109
110
111
112
113
114
115
116
117
83
71
23 25 27
44
44
44
90
XYEN2
XYEN2
121 122
51
52
PILOT LAMP
PILOT LAMP
CO PLA
LA SER KE Y
1-3D
4-5A
COPLA
SENSOR HEAD
CN09
CN13
C OPLA L A
LED R
LED F
CN12
SCALE01
SCALE02
MAG NE
SCA LE PCB
97
119
118
126131
132131
124
125
127
39
123
130
129
128
84
42
60 133

- 190 -
NOTE( 注記 ) #01....FOR EN EN 用
#02....TYPE XL XL 仕様
#03....FOR KE-3020R KE −3020 R 用
#04....UNTIL MACHINE REV.C マシン Rev.C まで
#05....AFTER MACHINE REV.D マシン Rev.D 以降
REF.NO NOTE PART NO D E S C R I P T I O N 品 名 Qty
1
401-49647
ETHER MAIN BOARD
ETHER メイン基板
1
2 400-92626 BASE-IO ENC RLY CABLE ASM BASE − IO ENC 中継ケーブル組 1
3 400-92612 ETHER HEAD CABLE ASM
イーサケーブル HEAD 組
1
4 400-92613 E THER LIG HT CABLE ASM
イーサケーブル LIGHT 組
1
5 400-92449 XY BEAR CABLES ASM XY ベアケーブル組 1
6
#02
400-92637 XY BEAR CABLES ASM XL
XY ベアケーブル組 XL
1
7 400-66579 LIGHT CTRL PCB ASM
ライトコントロール基板組
1
8 400-47557 E THER-SLAV E PCB ASM ETHER − SLAVE 基板組 1
9 400-71300 I PX7 ASM
IPX 7組図
1
10 400-47942 O CC CABLE LF ASM
OCC ケーブル LF 組
1
11 400-92449 XY BEAR CABLES ASM XY ベアケーブル組 1
12
#02
400-92637 XY BEAR CABLES ASM XL
XY ベアケーブル組 XL
1
13 400-92616 S ENSOR
レーザセンサヘッド
1
14 400-92615 HIGHT SENSOR UNIT ASM HMS アンプケーブル組 1
15 HD-0013100-30 FIBER UNIT
ファイバユニット
1
16 400-47981 BAD MARK FIBER AMP ASM バッドマークファイバアンプ組 1
17 #03 HD-0026000-10 SENSOR センサ 1
18
#03
400-45484 NOZZLE SENSOR AMP ASM
ノズルセンサアンプ組
1
19 400-29824 TEMPERATURE SENSOR PCB ASM 温度センサ基板組 1
20 400-92499 BASE TEMP CABLE ASM ベース温度ケーブル組 1
21 400-92500 HEAD FAN CABLE ASM
ヘッド冷却ファンケーブル組
1
22 400-92500 HEAD FAN CABLE ASM ヘッド冷却ファンケーブル組 1
23 400-48028 O CC CAMERA OCC カメラ 2
24 400-92466 O CC CAMERA L CABLE ASM
OCC カメラ L ケーブル組
1
25 400-47512 O CC C LIGHT PCB ASM OCC C ライト基板組 2
26 400-92468 O CC C LIGHT CABLE ASM OCC C ライトケーブル組 1
27 400-47508 O CC A LIGHT PCB ASM
OCC A ライト基板組
2
28 400-92469 O CC A1 LIGHT CABLE ASM OCC A 1 ライトケーブル組 1
29 400-92470 O CC A2 LIGHT CABLE ASM OCC A 2 ライトケーブル組 1
30 400-92484 Z1 SLOW DOWN SENSOR ASM
Z 1スローダウンセンサケーブル組
1
31 400-92476 S LOW DOWN SENSOR RELAY CABLE ASM スローダウンセンサケーブル組 1
32 400-92485 Z2 SLOW DOWN SENSOR ASM Z 2スローダウンセンサケーブル組 1
33 400-92486 Z3 SLOW DOWN SENSOR ASM
Z 3スローダウンセンサケーブル組
1
34 400-92487 Z4 SLOW DOWN SENSOR ASM Z 4スローダウンセンサケーブル組 1
35 400-92488 Z5 SLOW DOWN SENSOR ASM Z 5スローダウンセンサケーブル組 1
36 400-92489 Z6 SLOW DOWN SENSOR ASM
Z 6スローダウンセンサケーブル組
1
37 400-92490 Z7 SLOW DOWN SENSOR ASM Z 7スローダウンセンサケーブル組 1
38 400-92491 T7 SLOW DOWN SENSOR ASM T 7スローダウンセンサケーブル組 1
39 400-66569 HEAD MAIN PCB ASM
ヘッドメイン基板組
1
40 400-92449 XY BEAR CABLES ASM XY ベアケーブル組 1
41 #02 400-92637 XY BEAR CABLES ASM XL XY ベアケーブル組 XL 1
42 400-92474 HEAD I/O CABLE ASM
ヘッド I / O ケーブル組
1
43 400-92498 Z-THETA SIGNAL CABLE ASM Z − θ 信号ケーブル組 1
44 400-44535 4AXIS SERVO AMP 4軸一体型サーボアンプ 4
45 400-80203 LNC60 I/F CABLE ASM
LNC 60 I / F ケーブル組
1
46 400-45547 L NC60 レーザセンサ 1
47 #03 E9345-721-0A0 CABLE AS M. LA センサー接続ケーブル組 1
48
#03
400-03264 FMLA SENSOR
FMLA センサ
1
49 400-92449 XY BEAR CABLES ASM XY ベアケーブル組 1
50 #02 400-92637 XY BEAR CABLES ASM XL XY ベアケーブル組 XL 1
51 400-44517 1394 ROB OT CAB LE ASM
1394ロボットケーブル組
1
52 #02 400-95138 1394 ROBOT CABLE ASM 1394ロボットケーブル組 1
53 400-44518 IEEE1394 REPEATER BOARD
IEEE 1394リピータボード
1
54
#03
400-92462 LA SENSOR RELAY CABLE ASM
LA センサ中継ケーブル組
1
55 #03 400-92463 SCM3 PCB PWR CABLE ASM SCM 3電源ケーブル組 1
56
#03
400-92460 S CM3 PCB
SCM 3 基板
1
57 400-44516 1394 RELAY CABLE ASM
1394中継ケーブル組
1
58 400-48003 IEEE1394 BOARD IEEE 1394ボード 1
59
#03
400-92464 FMLA SERIAL CABLE ASM
FMLA シリアルケーブル組
1
60
#04
400-44475 CPU BOARD
CPU ボード
1
61 400-48168 A IR PRESSURE SW ASM 正圧センサー組 1
62 400-47987 VACUUM PRESSURE SW ASM
負圧センサー 組
1
63 400-97626 IONIZER CABLE ASM
イオナイザケーブル組
1
64 400-97627 IONIZER PWR CABLE ASM イオナイザ電源ケーブル組 1
65 400-92665 P WR UNIT I/O CABLE ASM
電源ユニットI/Oケーブル組
1
66 400-92670 S AFETY U 901 CABLE ASM(EN)
安全ユニット 901 ケーブル組(EN)
1
67 400-97629 XY-RELAY I/O CABLE ASM XY − RELAY I / O ケーブル組 1
68 400-92449 XY BEAR CABLES ASM
XY ベアケーブル組
1
69
#02
400-92637 XY BEAR CABLES ASM XL
XY ベアケーブル組 XL
1
70 400-92465 HEAD MAIN PWR CABLE ASM ヘッドメイン電源ケーブル組 1
71 400-92493 NOZZLE UP SV A SM
ノズルアップケーブル組
1
72 400-92494 NOZZLE DOWN CABLE ASM
ノズルダウンケーブル組
1
73 400-92467 O CC CAMERA R CABLE ASM OCC カメラ R ケーブル組 1
74 400-92471 O CC C LIGHT CABLE ASM
OCC C ライトケーブル組
1
75 400-92472 O CC A1 LIGHT CABLE ASM
OCC A 1 ライトケーブル組
1
76 400-92473 O CC A2 LIGHT CABLE ASM OCC A 2 ライトケーブル組 1
77 400-92475 EJECTOR RELAY CABLE ASM
エジェクタ中継ケーブル組
1
78 400-92492 VACUUM SV CABLE ASM 3020
バキューム SV ケーブル組3020
1
79 400-92493 NOZZLE UP SV A SM ノズルアップケーブル組 1
80 400-92497 NOZZLE DOWN SENS IC ASM
ノズルダウンセンサ IC ケーブル組
1
81 400-92495 NOZZLE DOWN SENS L ASM
ノズルダウンセンサ L ケーブル組
1
82 400-92496 NOZZLE DOWN SENS R ASM ノズルダウンセンサ R ケーブル組 1
83 400-47954 ETHER CABLE FEEDER LR-RF ASM
イーサ フィーダ LR − RF ケーブル組
1
84 400-47560 FEEDER PCB ASM
フィーダ基板組
1
85 400-92611 ETHER CABLE BASE FEEDER ASM イーサケーブル ベースフィーダ組 1
86 400-71680 BASE IO PCB ASM
ベース IO 基板組
1
87 400-95125 MTC MTS I/ F CABLE ASM
MTC MTS I / F ケーブル組
1
88 400-95126 MTC MTS I/ F BR CABLE ASM MTC MTS I / F BR ケーブル組 1
89 400-95126 MTC MTS I/ F BR CABLE ASM
MTC MTS I / F BR ケーブル組
1
90 400-92610 ETHER CABL XY BASE ASM
イーサケーブル XY ベース組
1
91 400-95124 XY MTC MTS CABLE ASM XY MTC MTS ケーブル組 1
92 400-97618 X Y-RELA Y HOD 232C RELAY CABLE ASM
XY − RELAY HOD 232 C 中継ケーブル組
1
93 400-97623 X Y-RELA Y HOD 232C CABLE ASM
XY − RELAY HOD 232 C ケーブル組
1
94 400-97616 XY-RELAY I/O REALY CABLE ASM XY − RELAY I / O 中継ケーブル組 1
95 400-97619 XY-RELAY OPERATION RELAY CABLE ASM
XY − RELAY オペレーション中継ケーブル組
1
96 400-92581 OPERATION RLY CABLE F ASM
オペレーションリレーケーブル組
1
97 400-92433 XY-RELAY PWR CABLE ASM XY − RELAY 電源ケーブル組 1
98 400-97617 XY-RELAY PWR RELAY CABLE ASM
XY − RELAY 電源中継ケーブル組
1
99 400-97620 XY-RELAY OPERATION RELAY CABLE ASM
XY − RELAY オペレーション中継ケーブル組
1
100 400-92582 OPERATION RLY CABLE R ASM オペレーションリレーケーブル組 1
101 400-92408 OPERATION PCB FRONT10 ASM
オペレーション基板フロント10
1
102
#01
400-92482 OPERATION PCB FRONT10 ASM(EN)
オペレーション基板フロント10
1
103 400-92481 OPERATION PCB REAR10 ASM オペレーション基板リア10組 1
104
#01
400-92483 OPERATION PCB REAR10 ASM(EN)
オペレーション基板リア10組(EN)
1
105 400-97615 XY-RELAY SENSOR RELAY CABLE ASM
XY − RELAY センサ中継ケーブル組
1
106 400-95134 X Y-RELA Y SENSOR CAB LE ASM XY − RELAY センサケーブル組 1
107 400-92477 Y - LMT SENSOR ASM
Y マイナスリミットセンサ組
1
108 400-92479 Y++ LMT SENSOR ASM
Y プラスプラスリミットセンサ組
1
109 400-92480 Y NEAR SENSOR A SM Y 近傍センサ組 1
110 400-92478 Y + LMT SENSOR ASM
Y プラスリミットセンサ組
1
111 400-92524 FEEDER DETECT SENSOR(RECEIVING) ASM フィーダ検出センサ受光組 1
112 400-92523 FEEDER DETECT SENSOR(EMISSION) ASM フィーダ検出センサ投光組 1
113 400-02228 X MINUS LMT S ENSOR ASM
X 軸マイナスリミットセンサ組
1
114 400-92459 X NEG LMT SENSOR RELAY CAB LE ASM X 軸マイナスリミットセンサ組 1
115 400-92450 Y BEAR CABLES ASM Y ベアケーブル組 1
116
#02
400-92638 Y BEAR CABLES ASM XL
Y ベアケーブル組 XL
1
117 400-02227 X PLUS LMT SENSOR ASM X 軸プラスリミットセンサ組 1
118 400-02229 X ORG RANGE SENSOR ASM X 軸原点周囲センサ組 1
119 400-92459 X NEG LMT SENSOR RELAY CAB LE ASM
X 軸マイナスリミットセンサ組
1
120 400-93724 I ONIZER イオナイザ 1
121 400-97621 ETHER CABL XY BASE RELAY ASM イーサケーブル XY ベース中継組 1
122 400-97622 E THER CABLE MAIN-XY RELAY ASM
イーサケーブル MAIN − XY 中継組
1
123 400-97422 COPLANARITY SENSOR コプラナリティセンサー 1
124 400-97424 COPLA POWER CABLE ASM コプラ電源ケーブル組 1
125 400-97425 COPLA ENCODER CABLE ASM
コプラエンコーダケーブル組
1
126 400-95130 MAGNETIC SCALE PCB ASM マグネスケール基板組 1
127 400-99905 COPLA TRG CABLE A SM コプラトリガケーブル組 1
128 400-99904 KEY SWITCH CABLE ASM
キー SW ケーブル組
1
129 400-99907 P ILOT LAMP CABLE R A SM パイロットランプケーブル R 組 1
130 400-99906 P ILOT LAMP CABLE F ASM パイロットランプケーブル F 組 1
131 400-99903 P ILOT LAMP
パイロットランプ
2
132 400-99902 KEY SWITCH キースイッチ 1
133 #05 401-13723 CPU BOARD CPU ボード 1