KE-3020_KE-3020R-Rev04 - 第199页
- 19 2 - N OTE ( 注記 ) # 01 . ...FO R E N EN 用 RE F.NO NO TE P ART NO D E S C R I P T I O N 品 名 Q ty 1 4 00 -0 21 2 5 CA L V CU M SV A SM C AL VC UM SV 組 1 2 4 00 -0 73 7 6 CA LB LO C K PC B A S M C AL ブ ロック 基板 組 1 3 4 00…

- 191 -
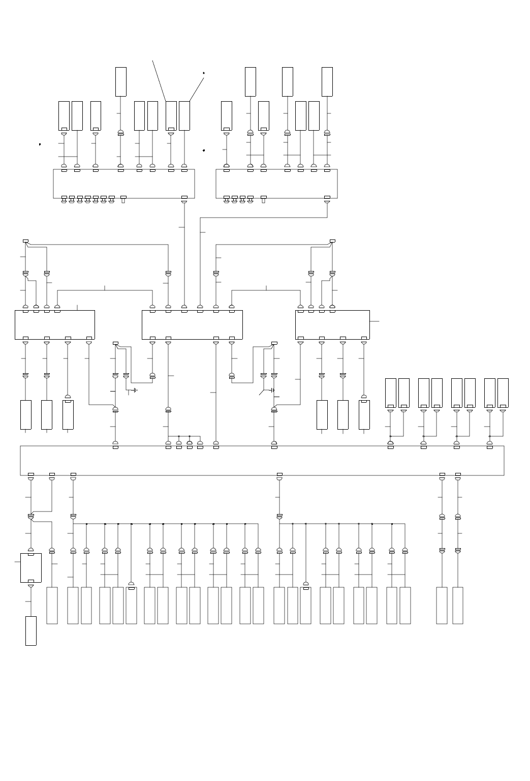
96.SYSTEM DIAGRAM(3)
SYSTEM DIAGRAM(3)
SIGNAL LIGHT
KE Y CH ANG E S W
FEEDER SW(R)
(NON-STOP
OPERATION)
NON-S TOP
SIGNA L
LIGHT (R)
COVE R(R) L OCK S V
COVER OPEN SW(R )
EM G S W_ R
HO D BO X
MOUS E
/KEY BOARD
SELE CTOR
KE Y CH ANG E S W
FEEDER SW(F)
(NON-STOP
OPERATION)
NON-S TOP
SIGNA L
LIGHT (F)
COVE R(F) L OCK S V
COVE R OPEN SW(F )
EM G S W_ F
LED
PCB(R-LL)
LED
PCB(R-LR)
LED
PCB(R-RL)
LED
PCB(R-RR)
LED
PCB(F-RR)
LED
PCB(F-RL)
LED
PCB(F-LR)
LED
PCB(F-LL)
M-EBANKSW
DRIVE CYLINDER
ASSY
DR IVE CYLINDER
AS SY
M-EBANKSW
DRIVE CYLINDER
ASSY
DRIVE CYLINDER
ASSY
ECUTTER(R)
ECUTTER(F)
CAL S.V
CAL
PCB
CAL VACUUM
SENSOR
E LEC F EE D FL OAT
S ENS (R )( EM I)
FEEDER FLOAT
SENS(RR)(EMI)
FEEDER FLOAT
SENS(RF)(EMI)
DRI VE CY L
SEN SOR R ASM
ELEC FEED FLOAT
SENS(R)(REC)
ELEC FEED DET
SENS(R)(REC)
BAN K UP SW
(R)
FEEDER FLOAT
SENS(RR)(REC)
FEEDER FLOAT
SENS(RF)(REC)
ELEC FEED DET
SENSOR(F)(EMI)
E LEC F EE D FL OAT
S ENS (F )( EM I)
FEEDER FLOAT
SENS(FR)(EMI)
FEEDER FLOAT
SENS(FF)(EMI)
ATC S.V
DRI VE CY L
SEN SOR F ASM
ELEC FEED FLOAT
SENS(F)(REC)
ELEC FEED DET
SENS(F)(REC)
BAN K UP SW
(F)
FEEDER FLOAT
SENS(FR)(REC)
FEEDER FLOAT
SENS(FF)(REC)
ATC CLOS E
SEN S
ATC OPEN
SEN S
CN7
MNLT
CN24
CN7
CN15
CN8
CN23
CN22
CN12
CN1
SW 5
SW 4
SW 2
2-5C
SW1
OPERATION
PCB (R)
CN13
4- 5A
MN LT
CN24
CN7
CN15
CN8
CN21
CN23
CN22
CN12
CN1
SW 7
SW 6
SW 5
SW 4
SW 3
SW 2
CN31
CN30
2-5C
SW1
OPERATION
PCB (F)
CN13
CN18
CN16
CN17
CN15
M-BANK(R)
CN1
CN2
CN7
CN8
CN5
CN6
CN 3
B K-RR
CN10
B K-RL
CN 9
BANK
PCB (F)
CN 2
CN3
C N66
C N25
CN3
C N65
CN7
C N24
M-BANK(F)
CN2
CN1
CN8
CN5
CN6
CN 3
B K-FR
CN10
B K-FL
CN 9
CN4
CN4
CN370
C N353
E BANK(R)
CN70
CN351
2-5A
CN 23
CN 69
CN 1
E-CUTT ER
CN24
CN354
E-CUTT ER
CN23
CN354
C N353
4- 4A
1-3B
POWER
UNIT
BANK
PCB (F)
CN351
CN 67
CN31
CN3 0
CN28
CA LR
CN27
CN1C N2 CN20
CN 669
CA LF
CN5
CN 424
CN 423
CN420
CN450
CN 425
CN 426
CN4 29
CN 422
CN421 CN21
CN21
CN416
CN415
CN 41 1
CN412
ATC
CN451
CN414
CN417
CN418
CN410
CN413
CN403
CN402
E BANK(F)CN370CN3
CN3
CN 2
FEEDER
PCB
CN19
CN19
1
2
3
4
5
6
7
8
9
21 31
30 32
33
34 35 36
37 38 39 40
10
11
12
13
14
15
16
17
18
19
20
22
23
24
25
26
27
28
42
43
45
44
46
47
48
49
50
51
52
53
54
55
56
57
58
59
60
61
62
63
64 65 66
67 68 69
70
71
72 73 74 75
41
76
77
78
8381
82
79
80
84
86
87
85
88
89
90
91
92
93
94
95
29
97
96
41
99
98

- 192 -
NOTE( 注記 ) #01....FOR EN EN 用
REF.NO NOTE PART NO D E S C R I P T I O N
品 名
Qty
1 400-02125 CAL VCUM SV ASM
CAL VCUM SV 組
1
2 400-07376 CALBLOCK PCB ASM
CAL ブロック基板組
1
3 400-92504 CAL BLOCK CABLE ASM
CAL ブロックケーブル組
1
4 400-47483 FEEDER CAL(F) CABLE ASM
CAL(F)ケーブル組
1
5 400-02126 CAL VACUUM SENSOR ASSY
CAL バキュームセンサ組
1
6 400-92508 ATC OPEN SENS ASM
ATC オープンセンサケーブル組
1
7 400-92506 FEEDER SENS CABLE F ASM
フィーダセンサケーブル 組(F)
1
8 400-48176 FEEDER SENS RELAY(F) CABLE ASM
フィーダセンサ中継ケー ブル(F)組
1
9 400-92509 ATC CLOSE SENS ASM
ATC クローズセンサケーブル組
1
10 400-92516 FD-FLOAT(FF)RECEIVE SENS ASM
フィーダ浮きセンサ(F F)受光組
1
11 400-92518 FD-FLOAT(FR)RECEIVE SENS ASM
フィーダ浮きセンサ(F R)受光組
1
12 400-92530 E-FD-DETECT(F)RECEIVE SENS ASM
電動フィーダ検知センサ (F)受光組
1
13 400-92526 E-FD-FLOAT(F)RECEIVE SENS ASM
電動フィーダ浮きセンサ (F)受光組
1
14 400-92513 DRIVE CYL SENSOR F ASM
ドライブシリンダセンサ F ケーブル組
1
15 400-92510 ATC SV CABLE ASM
ATC ソレノイドバル ブケーブル組
1
16 400-92515 FD-FLOAT(FF)EMISSIN SENS ASM
フィーダ浮きセンサ(F F)投光組
1
17 400-92517 FD-FLOAT(FR)EMISSIN SENS ASM
フィーダ浮きセンサ(F R)投光組
1
18 400-92525 E-FD-FLOAT(F)EMISSIN SENS ASM 電動フィ ーダ浮きセンサ(F)投光組 1
19 400-92529 E-FD-DETECT(F)EMISSIN SENS ASM
電動フィーダ検知センサ (F)投光組
1
20 400-92520 FD-FLOAT(RF)RECEIVE SENS ASM フ ィーダ浮きセンサ(RF)受光組 1
21 400-48177 FEEDER SENS RELAY(R) CABLE ASM
フィーダセンサ中継ケー ブル(R)組
1
22 400-92522 FD-FLOAT(RR)RECEIVE SENS ASM フィーダ浮きセンサ(RR)受光組 1
23 400-97588 REFLEX ARRAY SENSOR ASM
反射型アレイセンサ組
1
24 400-92528 E-FD-FLOAT(R)RECEIVE SENS ASM 電動フィ ーダ浮きセンサ(R)受光組 1
25 400-92514 DRIVE CYL SENSOR R ASM
ドライブシリンダセンサ R ケーブル組
1
26 400-92519 FD-FLOAT(RF)EMISSIN SENS ASM フィーダ浮きセンサ (RF)投光組 1
27 400-92521 FD-FLOAT(RR)EMISSIN SENS ASM
フィーダ浮きセンサ(R R)投光組
1
28 400-92527 E-FD-FLOAT(R)EMISSIN SENS ASM 電動フィーダ浮きセンサ (R)投光組 1
29 400-48045 SIGNAL TOWER LIGHT ASM
シグナルタワーライト組
1
30 400-92640 AUTO TAPE CUTTER CABLE ASM2 オートテープカッターケ ーブル組2 1
31 400-92639 AUTO TAPE CUTTER CABLE ASM1
オートテープカッターケ ーブル組1
1
32 400-92640 AUTO TAPE CUTTER CABLE ASM2 オートテープカッターケ ーブル組2 1
33 400-92659 AUTO TAPE CUTTER CABLE ASM7
オートテープカッターケ ーブル組7
1
34 400-00574 DRIVE CYLINDER ASSY
ドライブシリンダ組
1
3
5 400-00574 DRIVE CYLINDER ASSY
ドライブシリンダ組
1
36 400-92511 SWITCH D3DC-3
スイッチ D 3 DC −3
1
37 400-02244 BANK FR CABLE ASM
バンクFRケーブル組
1
38 400-02243 BANK FL CABLE ASM
バンクFLケーブル組
1
39 400-92604 M BANK SWITCH F CABLE ASM
メカバンクスイッチ F ケーブル組
1
40 401-10583 FEEDER IF F CABLE ASM
フィーダ IF F ケーブ ル組
1
41 400-66568 BANK PCB ASM
バンク基板組
2
42 400-92600 MECH BANK CONNECTOR F CABLE ASM
メカバンクコネクタ F ケーブル組
1
43 400-92599 MECH BANK CABLE ASM
メカバンクケーブル組
1
44 400-92602 M BANK DC PWR CABLE F ASM
メカバンク DC 電源 F ケーブル組
1
45 400-92601 BANK PWR CABLE F ASM
バンク電源 F ケーブ ル組
1
46 400-47481 FEEDER IF RELAY(F) CABLE ASM
フィーダ IF 中継ケーブル(F)組
1
47 401-11734 ELEC BANK RELAY WIRE ASM
ELEC バンク中継ワ イヤ組
1
48 400-84838 ELEC BANK FG WIRE ASM
ELEC バンク FG ワイヤ組
1
49 400-97590 ETF(F) PWR CABLE ASM
ETF(F)パワーケ− ブル組
1
50 400-47484 FEEDER CAL(R) CABLE ASM
CAL(R)ケーブル組
1
51 400-92505 FEEDER XY EMG CABLE ASM フィーダ XY E MG ケ−ブル組 1
52 400-92501 FEEDER PWR CABLE (F) ASM
フィーダ電源ケーブル組 (F)
1
53 400-97591 ETF(R) PWR CABLE ASM ETF(R) パワーケ−ブル組 1
54 400-92603 M BANK AC PWR CABLE F ASM
メカバンク AC 電源 F ケーブル組
1
55 400-92579 OPERATION PWR CABLE(F)ASM オペレーション電源ケーブル組 (F) 1
56 400-92580 OPERATION PWR CABLE(R)ASM
オペレーション電源ケー ブル組(R)
1
57 400-92608 M BANK AC PWR CABLE R ASM メ カバンク AC 電源 R ケーブ ル組 1
58 400-92599 MECH BANK CABLE ASM
メカバンクケーブル組
1
59 400-92606 BANK PWR CABLE R ASM バンク電源 R ケーブル組 1
60 400-47482 FEEDER IF RELAY(R) CABLE ASM
フィーダ IF 中継ケーブル(R)組
1
61 400-84838 ELEC BANK FG WIRE ASM E LEC バンク FG ワイ ヤ組 1
62 401-11734 ELEC BANK RELAY WIRE ASM
ELEC バンク中継ワ イヤ組
1
63 401-10584 FEEDER IF R CABLE ASM フ ィーダ IF R ケーブル組 1
64 400-00574 DRIVE CYLINDER ASSY
ドライブシリンダ組
1
65 400-00574 DRIVE CYLINDER ASSY ドライブシリンダ組 1
66 400-92511 SWITCH D3DC-3
スイッチ D 3 DC −3
1
67 400-02245 BANK RL CABLE ASM
バンクRLケーブル組
1
68 400-02246 BANK RR CABLE ASM
バンクRRケーブル組
1
6
9 400-92609 M BANK SWITCH R CABLE ASM
メカバンクスイッチ R ケーブル組
1
70 400-92607 M BANK DC PWR CABLE R ASM
メカバンク DC 電源 R ケーブル組
1
71 400-92605 MECH BANK CONNECTOR R CABLE AS
メカバンクコネクタ R ケーブル組
1
72 400-92533 FPI LED CABLE(FL)ASM
FPI レッド FL ケーブル組
1
73 400-92534 FPI LED CABLE(FR)ASM
FPI レッド FR ケーブル組
1
74 400-92535 FPI LED CABLE(RL)ASM
FPI レッド RL ケーブル組
1
75 400-92536 FPI LED CABLE(RR)ASM
FPI レッド RR ケーブル組
1
76 400-92833 EMG SW(F) ASM
非常停止スイッチ(F) 組
1
77
#01
400-92645 EM SW F CABLE ASM (EN)
EMG スイッチ F ケーブル組 EN
1
78 400-02254 COVER OPEN SWITCH CABLE ASM
カバーオープン SW
1
79 400-92587 COVER LOCK SV ASM
カバーロック SV 組
1
80 400-92584 MINI SIGNAL RLY CABLE F ASM
ミニパトリレーケーブル 組(F)
1
81 400-48035 L_FEEDER SW ASM
レフトフィーダ SW 組
1
82 400-48036 CONSOLE SW ASM
コンソール SW 組
1
83 400-47823 CONSOLE SELECT CABLE ASM
コンソール切換えケーブ ル組
1
84 400-48055 MINI PATLITE ASM
ミニパトライト組
1
85 400-03281 MOUSE/KEYBOARD SELECTOR
マウス/キーボード切換 器
1
86 E9649-729-000 HOD ASM. HOD 組 1
87
#01
E9662-729-000 HOD (EN)
HOD(EN)
1
88 400-92860 EMG SW(R) ASM 非常停止スイッチ( R)組 1
89
#01
400-92646 EM SW R CABLE ASM (EN)
EMG スイッチ R ケーブル組 EN
1
90 400-97605 COVER OPEN RELAY CABLE ASM カバーオープン中継 ケーブル組 1
91 400-02254 COVER OPEN SWITCH CABLE ASM
カバーオープン SW
1
92 400-92587 COVER LOCK SV ASM カバーロック SV 組 1
93 400-92585 MINI SIGNAL RLY CABLE R ASM
ミニパトリレーケーブル 組(R)
1
94 400-48055 MINI PATLITE ASM ミニパトライト組 1
95 400-48035 L_FEEDER SW ASM
レフトフィーダ SW 組
1
96 400-48036 CONSOLE SW ASM コンソール SW 組 1
97 400-92586 SIGNAL LIGHT RLY CABLE ASM
シグナルライトリレーケ ーブル組
1
98 401-07942 FEEDER IF RELAY-04 CABLE ASM フィーダ IF RELAY −04ケーブル組 1
99 401-07941 FEEDER IF RELAY-03 CABLE ASM
フィーダ IF RELAY −03 ケーブル組
1

- 193 -
97.SYSTEM DIAGRAM(4)
SYSTEM DIAGRAM(4)
M O N I T O R ( F )
M O N I T O R ( R )
A T X - P O W E R
M O U S E
K E Y B O A R D
M O U S E
K E Y B O A R D
V C S C A M E R A
V C S C A M E R A
L E N Z E
O P
L E N Z E
S T
V C S S . V .
C A B L E A S M
V C S S T S E N S O R
A S M
V C S O P S E N S O R
A S M
L O A D C E L L
A S M
L O A D
C E L L A M P
R I G H T S E N S O R
A W C O R G
S E N S O R
T . P I N S E N S O R
B U P I N S E N S O R
( R E C E I V I N G )
B U L O C K
S E N S O R
B U O R G S E N S O R
C O U T S E N S O R
S T O P S E N S O R
W A I T S E N S O R
B U P I N S E N S O R
( E M I S S I O N )
L E F T S E N S O R
S M E M A
( U P P E R
U N I T )
S M E M A
( L O W E R
U N I T )
( B U L L O C K S V )
S H A P E Y S V
A W C
M O T O R
5 P H A S E D R I V E R
A W C
M O T O R
B U U P
E N C O D E R
B U U P
M O T O R
5 P H A S E D R I V E R
O U T
M O T O R
C E N T
M O T O R
I N
M O T O R
O U T M O T O R D R V
C E N T M O T O R D R V
I N M O T O R D R V
S T O P P E R S V
3 - 5 B
1 - 2 D
R S 2 3 2 C
D C 1 2 V
V I D E O
R S 2 3 2 C
C N 8
C N 1 0
H O S T
C O M
R S 2
N T S C 1
0 O N S O L
S W
R S P C
D C I N
V I D E O
D C 1 2 V
C N 5
L C D B
L C D A
R S 1
M S 2
K B 2
M S 1
K B 1
K B / M S P C
C N 2 2
V O U T
A C 2
A C 1
2 - 1 B
I P - X 7
P C B
C O A X I A L
L I G H T P C B
2 - 1 A
S I D E L I G H T
U N I T
B A C K
L I G H T P C B
L I G H T
C T R L P C B
B O T T O M
L I G H T P C B
C N 4 1NC3NC1NC
C N 1C N 2
C N 4 7 6
C N 4 7 4
C N 4 7 5
C N 4 7 1
( C N 4 7 0 )
C N 1 6NC2NC C N 1 0
C N 1
C N 8
C N 5
C N 1 5
F L U X E R
U N I T A S M
( B A N K )
F L U X B A N K
4 P
2 P
F L U X E R
U N I T A S M
( B A S E )
F L U X E R 1
F L U X S V
E V
C N 8
C N 2 1
S B 2
C N 1 0
C N 9
C N 2 3
C N 2 2
S B 1
C N 4
C N 3
C N 9 0 9
( S A F T Y U N I T )
C N 1 3
C N 2 5
C N 2 7
C N 1 2
C N 1 6
A W C M
C N 1 1
A W C E
B U E
B U M
C N 1 2
C N 1 4
C N 1 4
C N 1 7
C N 1 8
C N 1 7
C N 1 5
C N 1 4
C N 3 3
C N 3 5
C N 3 4
I N M - P
I N M
I N M - P
I N M
I N M - P
I N M
C N 2C N 1
C N 2C N 1
C N 2C N 1
C N 1 6
C N 1 2
2 - 5 B
B A S E I / O
P C B
3 - 3 B
P O W E R
U N I T
1
2
3
4
5 7 9
1 1
1 2
1 3
1 4
1 5
1 6
1 7
1 8
1 9
2 0
2 1
2 2
2 3
2 4
2 5
2 6
2 7
2 8
2 9
3 0 3 2
3 1 3 3
4 2
4 3
4 4 4 5
3 4
3 5
3 7
3 9
3 6
4 0
4 6 4 8
4 94 7
5 0
5 1
5 3
5 4 5 6
5 75 55 2
6 0
6 1
6 2
5 8
5 9
6 3
6 4
9 9
9 8
9 7
9 4
9 5
9 6
9 3
9 2
9 1
9 0
8 98 88 4
8 5
8 6
8 7
8 2
8 3
8 0
8 1
7 8
7 9
7 57 2
7 6
7 7
7 3
7 0
6 9 7 1 7 4
1 0 7
1 0 8
1 0 9
1 1 0
1 1 1
1 1 2
1 1 6
1 1 7
1 1 8
1 1 9
1 2 0
1 1 4
1 1 5
1 1 3
1 2 1
1 2 2
8
1 0 0
1 06
6 5
6 6
6 7
6 8
5 0 5 0
5 3 5 3
I E E E 1 3 9 4 B O A R D
C V S
C O N T A C T ( - )
C V S
C O N T A C T ( + )
C N 3
C N 1
C N 2
C N 2 8
C V S P C B
C O M C
2 - 4 B
C O M D
C O M B
C O M A
C O P L A
S E N S O R H E A D
C O P L A M O N I T O R
S W I T C H B O A R D
C O P L A C P U B O A D
S S D
C P U B O A R D
S U P E R
I M P O S E
B O A R D
1 - 2 D
1 - 4 A
NAL2NAL
L A N 1L A N
D V I 1
C N 2
C N 3
C N 1
2 - 5 B
L A M P
L A M P
H D D
U S B
U S B
D V I 1
K B
M O U S E
H O S T
1 2 8
1 0 7
1 0 8
1 0 3
1 0 2
1 0 1
1 0 4
1 4 3
1 2 4
1 2 5
1 0 6
1 3 0
1 0 5
1 2 7
1 2 6
1 2 9
1 2 3
1 3 6
1 3 4
1 3 7
1 4 1
1 4 0
1 3 9
1 3 1
1 3 2
1 3 5
3 8
4 1
1 3 3
1 3 8 1 4 2
F L U X E R 2