KE-3020_KE-3020R-Rev04 - 第200页
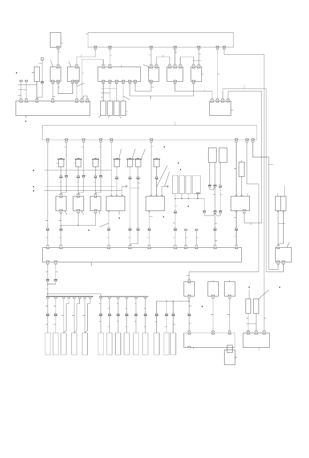
- 193 - 97. SYSTEM DIAGRAM(4) SYSTEM DI AGRAM(4) M O N I T O R ( F ) M O N I T O R ( R ) A T X - P O W E R M O U S E K E Y B O A R D M O U S E K E Y B O A R D V C S C A M E R A V C S C A M E R A L E N Z E O P L E N Z E S…

- 192 -
NOTE( 注記 ) #01....FOR EN EN 用
REF.NO NOTE PART NO D E S C R I P T I O N
品 名
Qty
1 400-02125 CAL VCUM SV ASM
CAL VCUM SV 組
1
2 400-07376 CALBLOCK PCB ASM
CAL ブロック基板組
1
3 400-92504 CAL BLOCK CABLE ASM
CAL ブロックケーブル組
1
4 400-47483 FEEDER CAL(F) CABLE ASM
CAL(F)ケーブル組
1
5 400-02126 CAL VACUUM SENSOR ASSY
CAL バキュームセンサ組
1
6 400-92508 ATC OPEN SENS ASM
ATC オープンセンサケーブル組
1
7 400-92506 FEEDER SENS CABLE F ASM
フィーダセンサケーブル 組(F)
1
8 400-48176 FEEDER SENS RELAY(F) CABLE ASM
フィーダセンサ中継ケー ブル(F)組
1
9 400-92509 ATC CLOSE SENS ASM
ATC クローズセンサケーブル組
1
10 400-92516 FD-FLOAT(FF)RECEIVE SENS ASM
フィーダ浮きセンサ(F F)受光組
1
11 400-92518 FD-FLOAT(FR)RECEIVE SENS ASM
フィーダ浮きセンサ(F R)受光組
1
12 400-92530 E-FD-DETECT(F)RECEIVE SENS ASM
電動フィーダ検知センサ (F)受光組
1
13 400-92526 E-FD-FLOAT(F)RECEIVE SENS ASM
電動フィーダ浮きセンサ (F)受光組
1
14 400-92513 DRIVE CYL SENSOR F ASM
ドライブシリンダセンサ F ケーブル組
1
15 400-92510 ATC SV CABLE ASM
ATC ソレノイドバル ブケーブル組
1
16 400-92515 FD-FLOAT(FF)EMISSIN SENS ASM
フィーダ浮きセンサ(F F)投光組
1
17 400-92517 FD-FLOAT(FR)EMISSIN SENS ASM
フィーダ浮きセンサ(F R)投光組
1
18 400-92525 E-FD-FLOAT(F)EMISSIN SENS ASM 電動フィ ーダ浮きセンサ(F)投光組 1
19 400-92529 E-FD-DETECT(F)EMISSIN SENS ASM
電動フィーダ検知センサ (F)投光組
1
20 400-92520 FD-FLOAT(RF)RECEIVE SENS ASM フ ィーダ浮きセンサ(RF)受光組 1
21 400-48177 FEEDER SENS RELAY(R) CABLE ASM
フィーダセンサ中継ケー ブル(R)組
1
22 400-92522 FD-FLOAT(RR)RECEIVE SENS ASM フィーダ浮きセンサ(RR)受光組 1
23 400-97588 REFLEX ARRAY SENSOR ASM
反射型アレイセンサ組
1
24 400-92528 E-FD-FLOAT(R)RECEIVE SENS ASM 電動フィ ーダ浮きセンサ(R)受光組 1
25 400-92514 DRIVE CYL SENSOR R ASM
ドライブシリンダセンサ R ケーブル組
1
26 400-92519 FD-FLOAT(RF)EMISSIN SENS ASM フィーダ浮きセンサ (RF)投光組 1
27 400-92521 FD-FLOAT(RR)EMISSIN SENS ASM
フィーダ浮きセンサ(R R)投光組
1
28 400-92527 E-FD-FLOAT(R)EMISSIN SENS ASM 電動フィーダ浮きセンサ (R)投光組 1
29 400-48045 SIGNAL TOWER LIGHT ASM
シグナルタワーライト組
1
30 400-92640 AUTO TAPE CUTTER CABLE ASM2 オートテープカッターケ ーブル組2 1
31 400-92639 AUTO TAPE CUTTER CABLE ASM1
オートテープカッターケ ーブル組1
1
32 400-92640 AUTO TAPE CUTTER CABLE ASM2 オートテープカッターケ ーブル組2 1
33 400-92659 AUTO TAPE CUTTER CABLE ASM7
オートテープカッターケ ーブル組7
1
34 400-00574 DRIVE CYLINDER ASSY
ドライブシリンダ組
1
3
5 400-00574 DRIVE CYLINDER ASSY
ドライブシリンダ組
1
36 400-92511 SWITCH D3DC-3
スイッチ D 3 DC −3
1
37 400-02244 BANK FR CABLE ASM
バンクFRケーブル組
1
38 400-02243 BANK FL CABLE ASM
バンクFLケーブル組
1
39 400-92604 M BANK SWITCH F CABLE ASM
メカバンクスイッチ F ケーブル組
1
40 401-10583 FEEDER IF F CABLE ASM
フィーダ IF F ケーブ ル組
1
41 400-66568 BANK PCB ASM
バンク基板組
2
42 400-92600 MECH BANK CONNECTOR F CABLE ASM
メカバンクコネクタ F ケーブル組
1
43 400-92599 MECH BANK CABLE ASM
メカバンクケーブル組
1
44 400-92602 M BANK DC PWR CABLE F ASM
メカバンク DC 電源 F ケーブル組
1
45 400-92601 BANK PWR CABLE F ASM
バンク電源 F ケーブ ル組
1
46 400-47481 FEEDER IF RELAY(F) CABLE ASM
フィーダ IF 中継ケーブル(F)組
1
47 401-11734 ELEC BANK RELAY WIRE ASM
ELEC バンク中継ワ イヤ組
1
48 400-84838 ELEC BANK FG WIRE ASM
ELEC バンク FG ワイヤ組
1
49 400-97590 ETF(F) PWR CABLE ASM
ETF(F)パワーケ− ブル組
1
50 400-47484 FEEDER CAL(R) CABLE ASM
CAL(R)ケーブル組
1
51 400-92505 FEEDER XY EMG CABLE ASM フィーダ XY E MG ケ−ブル組 1
52 400-92501 FEEDER PWR CABLE (F) ASM
フィーダ電源ケーブル組 (F)
1
53 400-97591 ETF(R) PWR CABLE ASM ETF(R) パワーケ−ブル組 1
54 400-92603 M BANK AC PWR CABLE F ASM
メカバンク AC 電源 F ケーブル組
1
55 400-92579 OPERATION PWR CABLE(F)ASM オペレーション電源ケーブル組 (F) 1
56 400-92580 OPERATION PWR CABLE(R)ASM
オペレーション電源ケー ブル組(R)
1
57 400-92608 M BANK AC PWR CABLE R ASM メ カバンク AC 電源 R ケーブ ル組 1
58 400-92599 MECH BANK CABLE ASM
メカバンクケーブル組
1
59 400-92606 BANK PWR CABLE R ASM バンク電源 R ケーブル組 1
60 400-47482 FEEDER IF RELAY(R) CABLE ASM
フィーダ IF 中継ケーブル(R)組
1
61 400-84838 ELEC BANK FG WIRE ASM E LEC バンク FG ワイ ヤ組 1
62 401-11734 ELEC BANK RELAY WIRE ASM
ELEC バンク中継ワ イヤ組
1
63 401-10584 FEEDER IF R CABLE ASM フ ィーダ IF R ケーブル組 1
64 400-00574 DRIVE CYLINDER ASSY
ドライブシリンダ組
1
65 400-00574 DRIVE CYLINDER ASSY ドライブシリンダ組 1
66 400-92511 SWITCH D3DC-3
スイッチ D 3 DC −3
1
67 400-02245 BANK RL CABLE ASM
バンクRLケーブル組
1
68 400-02246 BANK RR CABLE ASM
バンクRRケーブル組
1
6
9 400-92609 M BANK SWITCH R CABLE ASM
メカバンクスイッチ R ケーブル組
1
70 400-92607 M BANK DC PWR CABLE R ASM
メカバンク DC 電源 R ケーブル組
1
71 400-92605 MECH BANK CONNECTOR R CABLE AS
メカバンクコネクタ R ケーブル組
1
72 400-92533 FPI LED CABLE(FL)ASM
FPI レッド FL ケーブル組
1
73 400-92534 FPI LED CABLE(FR)ASM
FPI レッド FR ケーブル組
1
74 400-92535 FPI LED CABLE(RL)ASM
FPI レッド RL ケーブル組
1
75 400-92536 FPI LED CABLE(RR)ASM
FPI レッド RR ケーブル組
1
76 400-92833 EMG SW(F) ASM
非常停止スイッチ(F) 組
1
77
#01
400-92645 EM SW F CABLE ASM (EN)
EMG スイッチ F ケーブル組 EN
1
78 400-02254 COVER OPEN SWITCH CABLE ASM
カバーオープン SW
1
79 400-92587 COVER LOCK SV ASM
カバーロック SV 組
1
80 400-92584 MINI SIGNAL RLY CABLE F ASM
ミニパトリレーケーブル 組(F)
1
81 400-48035 L_FEEDER SW ASM
レフトフィーダ SW 組
1
82 400-48036 CONSOLE SW ASM
コンソール SW 組
1
83 400-47823 CONSOLE SELECT CABLE ASM
コンソール切換えケーブ ル組
1
84 400-48055 MINI PATLITE ASM
ミニパトライト組
1
85 400-03281 MOUSE/KEYBOARD SELECTOR
マウス/キーボード切換 器
1
86 E9649-729-000 HOD ASM. HOD 組 1
87
#01
E9662-729-000 HOD (EN)
HOD(EN)
1
88 400-92860 EMG SW(R) ASM 非常停止スイッチ( R)組 1
89
#01
400-92646 EM SW R CABLE ASM (EN)
EMG スイッチ R ケーブル組 EN
1
90 400-97605 COVER OPEN RELAY CABLE ASM カバーオープン中継 ケーブル組 1
91 400-02254 COVER OPEN SWITCH CABLE ASM
カバーオープン SW
1
92 400-92587 COVER LOCK SV ASM カバーロック SV 組 1
93 400-92585 MINI SIGNAL RLY CABLE R ASM
ミニパトリレーケーブル 組(R)
1
94 400-48055 MINI PATLITE ASM ミニパトライト組 1
95 400-48035 L_FEEDER SW ASM
レフトフィーダ SW 組
1
96 400-48036 CONSOLE SW ASM コンソール SW 組 1
97 400-92586 SIGNAL LIGHT RLY CABLE ASM
シグナルライトリレーケ ーブル組
1
98 401-07942 FEEDER IF RELAY-04 CABLE ASM フィーダ IF RELAY −04ケーブル組 1
99 401-07941 FEEDER IF RELAY-03 CABLE ASM
フィーダ IF RELAY −03 ケーブル組
1

- 193 -
97.SYSTEM DIAGRAM(4)
SYSTEM DIAGRAM(4)
M O N I T O R ( F )
M O N I T O R ( R )
A T X - P O W E R
M O U S E
K E Y B O A R D
M O U S E
K E Y B O A R D
V C S C A M E R A
V C S C A M E R A
L E N Z E
O P
L E N Z E
S T
V C S S . V .
C A B L E A S M
V C S S T S E N S O R
A S M
V C S O P S E N S O R
A S M
L O A D C E L L
A S M
L O A D
C E L L A M P
R I G H T S E N S O R
A W C O R G
S E N S O R
T . P I N S E N S O R
B U P I N S E N S O R
( R E C E I V I N G )
B U L O C K
S E N S O R
B U O R G S E N S O R
C O U T S E N S O R
S T O P S E N S O R
W A I T S E N S O R
B U P I N S E N S O R
( E M I S S I O N )
L E F T S E N S O R
S M E M A
( U P P E R
U N I T )
S M E M A
( L O W E R
U N I T )
( B U L L O C K S V )
S H A P E Y S V
A W C
M O T O R
5 P H A S E D R I V E R
A W C
M O T O R
B U U P
E N C O D E R
B U U P
M O T O R
5 P H A S E D R I V E R
O U T
M O T O R
C E N T
M O T O R
I N
M O T O R
O U T M O T O R D R V
C E N T M O T O R D R V
I N M O T O R D R V
S T O P P E R S V
3 - 5 B
1 - 2 D
R S 2 3 2 C
D C 1 2 V
V I D E O
R S 2 3 2 C
C N 8
C N 1 0
H O S T
C O M
R S 2
N T S C 1
0 O N S O L
S W
R S P C
D C I N
V I D E O
D C 1 2 V
C N 5
L C D B
L C D A
R S 1
M S 2
K B 2
M S 1
K B 1
K B / M S P C
C N 2 2
V O U T
A C 2
A C 1
2 - 1 B
I P - X 7
P C B
C O A X I A L
L I G H T P C B
2 - 1 A
S I D E L I G H T
U N I T
B A C K
L I G H T P C B
L I G H T
C T R L P C B
B O T T O M
L I G H T P C B
C N 4 1NC3NC1NC
C N 1C N 2
C N 4 7 6
C N 4 7 4
C N 4 7 5
C N 4 7 1
( C N 4 7 0 )
C N 1 6NC2NC C N 1 0
C N 1
C N 8
C N 5
C N 1 5
F L U X E R
U N I T A S M
( B A N K )
F L U X B A N K
4 P
2 P
F L U X E R
U N I T A S M
( B A S E )
F L U X E R 1
F L U X S V
E V
C N 8
C N 2 1
S B 2
C N 1 0
C N 9
C N 2 3
C N 2 2
S B 1
C N 4
C N 3
C N 9 0 9
( S A F T Y U N I T )
C N 1 3
C N 2 5
C N 2 7
C N 1 2
C N 1 6
A W C M
C N 1 1
A W C E
B U E
B U M
C N 1 2
C N 1 4
C N 1 4
C N 1 7
C N 1 8
C N 1 7
C N 1 5
C N 1 4
C N 3 3
C N 3 5
C N 3 4
I N M - P
I N M
I N M - P
I N M
I N M - P
I N M
C N 2C N 1
C N 2C N 1
C N 2C N 1
C N 1 6
C N 1 2
2 - 5 B
B A S E I / O
P C B
3 - 3 B
P O W E R
U N I T
1
2
3
4
5 7 9
1 1
1 2
1 3
1 4
1 5
1 6
1 7
1 8
1 9
2 0
2 1
2 2
2 3
2 4
2 5
2 6
2 7
2 8
2 9
3 0 3 2
3 1 3 3
4 2
4 3
4 4 4 5
3 4
3 5
3 7
3 9
3 6
4 0
4 6 4 8
4 94 7
5 0
5 1
5 3
5 4 5 6
5 75 55 2
6 0
6 1
6 2
5 8
5 9
6 3
6 4
9 9
9 8
9 7
9 4
9 5
9 6
9 3
9 2
9 1
9 0
8 98 88 4
8 5
8 6
8 7
8 2
8 3
8 0
8 1
7 8
7 9
7 57 2
7 6
7 7
7 3
7 0
6 9 7 1 7 4
1 0 7
1 0 8
1 0 9
1 1 0
1 1 1
1 1 2
1 1 6
1 1 7
1 1 8
1 1 9
1 2 0
1 1 4
1 1 5
1 1 3
1 2 1
1 2 2
8
1 0 0
1 06
6 5
6 6
6 7
6 8
5 0 5 0
5 3 5 3
I E E E 1 3 9 4 B O A R D
C V S
C O N T A C T ( - )
C V S
C O N T A C T ( + )
C N 3
C N 1
C N 2
C N 2 8
C V S P C B
C O M C
2 - 4 B
C O M D
C O M B
C O M A
C O P L A
S E N S O R H E A D
C O P L A M O N I T O R
S W I T C H B O A R D
C O P L A C P U B O A D
S S D
C P U B O A R D
S U P E R
I M P O S E
B O A R D
1 - 2 D
1 - 4 A
NAL2NAL
L A N 1L A N
D V I 1
C N 2
C N 3
C N 1
2 - 5 B
L A M P
L A M P
H D D
U S B
U S B
D V I 1
K B
M O U S E
H O S T
1 2 8
1 0 7
1 0 8
1 0 3
1 0 2
1 0 1
1 0 4
1 4 3
1 2 4
1 2 5
1 0 6
1 3 0
1 0 5
1 2 7
1 2 6
1 2 9
1 2 3
1 3 6
1 3 4
1 3 7
1 4 1
1 4 0
1 3 9
1 3 1
1 3 2
1 3 5
3 8
4 1
1 3 3
1 3 8 1 4 2
F L U X E R 2

- 194 -
NOTE ( 注 記 ) #01....FOR EN EN 用
# 02....OPTIONAL PARTS オプ ション部品
# 03....UNTIL MACHINE REV.C マシン Rev.C まで
# 04....AFTER MACHINE REV.D マシ ン Rev.D 以降
REF.NO NOTE PART NO D E S C R I P T I O N
品 名
Qty
1 400-92568 LEFT SENS ASM
レ フトセ ンサ 組
1
2 400-92557 LEFT SENS CABLE ASM
レ フトセ ンサ ケーブ ル組
1
3 400-92569 BU PIN SENSOR EMISSION ASM
B U P IN 投光 セン サ組
1
4 400-92558 BU PIN(EMISSION) CABLE ASM
B U P IN 投光 セン サケー ブル 組
1
5 400-92570 WAIT SENSOR ASM
ウ ェイト セン サ組
1
6 400-48083 15INCH LCD MODULE
1 5イン チ LCD モジ ュー ル
1
7 400-92571 STOP SENSOR ASM
S TOP センサ 組
1
8 400-48032 PANEL LINK CABLE 4.5M
パ ネルリ ンク ケーブ ル 4.5 M
1
9 400-92572 C.OUT SENSOR ASM
C .OU T センサ組
1
10 400-02264 OP-232C CABLE ASM
オ プショ ン2 32 C ケ ーブ ル組
1
11 400-92573 BU ORG SENS ASM
B U 原点 センサ 組
1
12 400-92562 BU ORG SENS CABLE ASM
B U 原点 センサ ケー ブル組
1
13 400-92574 BU LOCK SENS ASM
B U ロ ック センサ 組
1
14 400-92563 BU LOCK SENS CABLE ASM
B U ロ ック センサ ケー ブル組
1
15 400-92575 BU PIN SENSOR RECEIVER ASM
B U P IN 受光 セン サ組
1
16 400-92564 BU PIN(RECEVING) CABLE ASM
B U P IN 受光 セン サケー ブル 組
1
17 400-92576 T.PIN SENS ASM
T PIN セ ンサ組
1
18 400-92565 TPIN SENS CABLE ASM
T PIN セ ンサケ ーブ ル組
1
19 400-92577 AWC ORG SENS ASM A WC 原点センサ組 1
20 400-92566 AWC ORG SENS CABLE ASM A WC 原点セン サケ ーブル 組 1
21 400-92578 RIGHT SENS ASM ラ イトセ ンサ 組 1
22 400-92567 RIGHT SENS CABLE ASM ラ イトセ ンサ ケーブ ル組 1
23 400-02147 VCS OP SENS ASM VCS OP セ ンサ 組 1
24 400-02146 VCS ST SENS ASM V CS ST セ ンサ 組 1
25 400-02148 VCS SV CABLE ASM V CS SV ケーブ ル組 1
26 400-66578 BOTTOM LIGHT PCB ASM ボ トムラ イト 基板組 1
27 #0 1 400-02145 VCS LIGHT RELAY CABLE ASM V CS ラ イトリ レーケーブ ル組 1
28 400-92595 VCS LIGHT CABLE ASM V CS ライトケーブ ル組 1
29 #0 2 400-92596 VCS LIGHT (OP) CABLE ASM V CS ラ イトケ ーブ ル組( OP) 1
30 400-02142 BACKLIGHT WIRE ASM バ ックライト ワイヤ 組 1
31 400-66577 BACK LIGHT PCB ASM バ ックラ イト 基板組 1
32 400-02143 SIDELIGHT WIRE ASM サイドラ イト ワイヤ 組 1
33 400-71183 SIDE LIGHT ASM
サ イドラ イト 組
1
34 400-66576 COAXIAL LIGHT PCB ASM 同 軸照明 基板 組 1
35 400-92597 VCS CAMERA ST CABLE ASM V CS カ メラケ ーブ ル組( ST ) 1
36 400-71669 VCS CAMERA VCS カメラ 1
37 400-92598 VCS CAMERA OP CABLE ASM V CS カ メラケ ーブ ル組( OP ) 1
38 400-71669 VCS CAMERA VCS カメラ 1
39 E9623-721-000 PORTRAIT MONITOR CABLE ASM 画 像モニ タケ ーブル 1
40 400-71668 LENZE STD レンズSTD 1
41 400-71667 LENZE OPT レンズ OPT 1
42 400-92594 LIGHT CONTROL POWER ASM ラ イトコ ント ロール 電源 ケーブ ル組 1
43 400-92556 SB CABLE ASM センサブロッ ク束線 組 1
44 400-92634 BASE-IO SPWR-LR RLY CABLE ASM BASE − IO SP WR − LR 中 継ケ ーブル 組 1
45 400-92631 BASE-IO SENS RLY CABLE ASM BASE − IO SE NS 中継 ケー ブル組 1
46 400-92630 BASE-IO POWER RLY CABLE ASM BASE − IO パワ ー中 継ケー ブル 組 1
47 400-92552 BASE-IO PWR CABLE ASM B ASE − IO 電源 ケー ブル組 1
48 400-92628 BASE-IO MTR1-3 RLY CABLE ASM B ASE − IO MT R 1− 3中 継ケー ブル 組 1
49 400-92543 MT1-3 PULSE CABLE ASM
モ ータ1 −3 パルス ケー ブル組
1
50 HM-0013200-00 MOTOR DRIVER
モ ータド ライ バ
3
51 400-92540 IN-MOTOR CABLE ASM
I N モ ータ リレー ケー ブル組
1
52 400-92537 IN MOTOR PWR CABLE ASM
I N モ ータ 電源ケ ーブ ル組
1
53 400-48074 CENTER MOTOR ASM
セ ンタモ ータ 組
3
54 400-92541 CENT-MOTOR CABLE ASM
C ENT モ ータリ レー ケーブ ル組
1
55 400-92538 CENT MOTOR PWR CABLE ASM
C ENT モ ータ電 源ケ ーブル 組
1
56 400-92542 OUT-MOTOR CABLE ASM
O UT モー タリレ ーケ ーブル 組
1
57 400-92539 OUT MOTOR PWR CABLE ASM
O UT モー タ電源 ケー ブル組
1
58 HX-0042000-00 5 PHASE STEP DRIVER
5 相ステ ッピ ングモ ータ ドライ バ
1
59
#0 1
HX-0054500-00 5 PHASE STEP DRIVER
5 相ステ ッピ ングモ ータ ドライ バ
1
60 400-92629 BASE-IO MTR4-5 RLY CABLE ASM
B ASE − IO MT R 4−5中 継ケー ブル組
1
61 400-92544 BU DRIVE CABLE ASM
バ ックア ップ モータ ケー ブル組
1
62
#0 1
400-92545 BU DRIVE CABLE ASM(EN)
バ ックア ップ モータ ケー ブル組 (E N)
1
63 400-92429 BU DRV PWR CABLE ASM
B
U ド ライ バ電源 ケー ブル組
1
64
#0 1
400-92430 BU DRV PWR CABLE ASM(EN)
B U ド ライ バ電源 ケー ブル組 (E N)
1
65 400-92546 BU MOTOR CABLE ASM
バ ックア ップ モータ ケー ブル組
1
66
#0 1
400-92547 BU MOTOR CABLE ASM(EN)
バ ックア ップ モータ ケー ブル組 (E N)
1
67 400-92431 BU DRV FG CABLE ASM
B U ド ライ バ F G ケーブ ル組
1
68
#0 1
400-92432 BU DRV FG CABLE ASM(EN)
B U ド ライ バ F G ケーブ ル組
1
69 400-48076 BACK UP MOTOR ASM
バ ックア ップ モータ 組
1
70 400-92548 BU ENC CABLE ASM
B U エ ンコ ーダケ ーブ ル組
1
71 E9433-729-0A0 BU ENC ASM.
B U E NC 組
1
72 400-92626 BASE-IO ENC RLY CABLE ASM
B ASE − IO EN C 中継ケ ーブ ル組
1
73 400-92551 AWC ENC CABLE ASM
A WC エン コーダ ケー ブル組
1
74 400-48077 AWC MOTOR ASM
幅 調モー タ組
1
75 400-92629 BASE-IO MTR4-5 RLY CABLE ASM
B ASE − IO MT R 4−5中 継ケー ブル組
1
76 400-92660 AWC DRIVE CABLE ASM
A WC モ ータケ ーブ ル組
1
77
#0 1
400-92661 AWC DRIVE CABLE ASM(EN)
A WC モ ータケ ーブ ル組( EN )
1
78 400-92425 AWC DRV PWR CABLE ASM
A WC ドラ イバ電 源ケ ーブル 組
1
79 #0 1 400-92426 AWC DRV PWR CABLE ASM(EN) A WC ドラ イバ電 源ケ ーブル 組 1
80 400-92549 AWC MOTOR CABLE ASM AWC モー タケー ブル 組 1
81 #0 1 400-92550 AWC MOTOR CABLE ASM(EN) A WC モー タケー ブル 組(E N) 1
82 400-92427 AWC DRV FG CABLE ASM AWC ドラ イバ FG ケー ブル 組 1
83 #0 1 400-92428 AWC DRV FG CABLE ASM(EN) AWC ドラ イバ FG ケー ブル 組 1
84 400-92633 BASE-IO SOL RLY CABLE ASM B ASE − IO SO L 中継ケ ーブ ル組 1
85 400-97625 SV CABLE ASM ソレノイドバ ルブケ ーブ ル組 1
86 400-97606 SV WIRE ASM ソ レノイ ドバ ルブ ワイ ヤー組 1
87 #0 1 400-97607 SV WIRE ASM (EN) ソ レノイ ドバ ルブ( EN )ワイ ヤ組 1
88 400-92554 SM EMA IN CABLE ASM ス メマ IN ケ ーブ ル組 1
89 400-92555 SM EMA OUT CABLE ASM ス メマ OU T ケ ーブ ル組 1
90 400-92632
BASE-IO SENS-FX RLY CABLE ASM B
ASE − IO SE NS − FX 中 継ケ ーブル組 1
91 400-97608 FLUXER RELAY CABLE ASM フ ラクサ 中継 ケーブ ル組 1
92 400-99908 FLUXER BASE RELAY CABLE ASM フ ラクサ ベー ス中継 ケーブル組 1
93 400-99909 FLUXER BANK RELAY CABLE ASM フ ラクサ バン ク中継 ケー ブル組 1
94 400-92624 BASE-IO AN-IN RLY CABLE ASM B ASE − IO AN − IN 中 継ケー ブル 組 1
95 400-95132 LOAD CELL ANAROG CABLE ASM ロ ードセ ルア ナログ ケー ブル組 1
96 400-32128 LOAD CELL AMPLIFIER ロードセ ルア ンプ 1
97 400-92592 LOAD CELL CTRL CABLE ASM ロ ードセ ルコ ントロ ール ケーブ ル組 1
98 400-31620 LOAD CELL ASM ロードセ ル組 1
99 400-92591 LOAD CELL AMP PWR CABLE ASM ロードセ ルア ンプ電 源ケ ーブル 組 1
100 400-92589 R LCD POWER CABLE ASM リア L CD 電源 ケー ブル組 1
101 400-44522 USB RELAY CABLE U SB 延 長ケー ブル 1
102 400-44522 USB RELAY CABLE U SB 延 長ケー ブル 1
103 400-47492 HDD I/F CABLE ASM H DD イ ンター フェ イスケ ーブ ル組 1
104 #0 3 400-71558 SSD ASM SSD 組 1
105 400-03312 PANEL LINK CABLE パ ネルリ ンク ケーブ ル 1
106 400-03282 MOUSE/KEYBOARD SELECTOR CABLE ASM マ ウス/ キー ボード 切換 器ケー ブル 組 1
107 400-03318 KEY BOARD SP ASM キ ーボー ドス ペーサ 追加 組 2
108 400-80173 OPTICAL SCROLL MOUSE 光学式ス クロ ールマ ウス 2
109 400-02302 KEYBOARD CABLE ASM
キ ーボー ドケ ーブル 組
1
110 400-02301 MOUSE CABLE ASM
マ ウスケ ーブ ル組
1
111 400-99474 R-KEY BOARD CABLE ASM
R −キー ボード ケー ブル組
1
112 400-99473 R-MOUSE CABLE ASM
R −マウ スケー ブル 組
1
113 400-03281 MOUSE/KEYBOARD SELECTOR
マ ウス/ キー ボード 切換 器
1
114 400-02264 OP-232C CABLE ASM
オ プショ ン2 32 C ケ ーブ ル組
1
115 400-48082 SUPER INPAUSE BOARD
ス ーパー イン ポーズ ボー ド
1
116 400-47937 OP-232C CABLE (R) ASM
2 32 C ケーブル(R )組
1
117 400-27815 F-232C CABLE ASM
F−232Cケーブル組
1
118 400-48083 15INCH LCD MODULE
1 5イン チ LCD モジ ュー ル
1
119 400-48031 PANEL LINK CABLE 1M
パ ネルリ ンク ケーブ ル 1 M
1
120 400-92588 F LCD POWER CABLE ASM
フ ロント L CD 電源 ケーブ ル組
1
121 400-48030 UPS 232C CABLE ASM
U PS 通 信ケー ブル 組
1
122
400-92590 INPAUSE BOARD PWR CABLE ASM
イ ンポー ズ基 板電源 ケー ブル組
1
123 400-02325 HDD ACCESS LAMP ASM
H DD ア クセス ラン プ組
1
124 HW-0018100-80 SHIELDED CABLE
L AN ケ ーブル
1
125 400-48031 PANEL LINK CABLE 1M
パ ネルリ ンク ケーブ ル 1 M
1
126 400-97209 CPU BOARD
CPU ボード
1
127 400-97426 COPLA LAN CABLE
コ プラ L AN ケーブル
1
128 400-97422 COPLANARITY SENSOR
コ プラナ リテ ィセン サー
1
129 400-97434 COPLA MONITOR SWITCH BOARD
コ プラモ ニタ 切換え ボー ド
1
130 400-48031 PANEL LINK CABLE 1M
パ ネルリ ンク ケーブ ル 1 M
1
131 400-48003 IEEE1394 BOARD
I EEE 139 4ボ ード
1
132 401-01187 CVS COMM CABLE ASM
C VS 通 信ケー ブル 組
1
133 401-01186 CVS POWER CABLE ASM
C VS 電 源ケー ブル 組
1
134 401-03180 CVS CONTACT CABLE(+) ASM
C VS コ ンタク トケ ーブル ( + ) 組
1
135 401-05380 CVS CONTACT CABLE(-) ASM
C VS コ ンタク トケ ーブル ( − ) 組
1
136 401-01188 CVS PROBE CABLE ASM
C VS プ ローブ ケー ブル組
1
137 400-95117 CVS PCB ASM
CVS 基板組
1
138
#0 3
400-44475 CPU BOARD
CPU ボード
1
139 400-94736 POWER UNIT 電 源ユニ ット 1
140 400-71680 BASE IO PCB ASM ベースI0基板組 1
141 400-71300 IPX7 ASM IPX 7組 1
142 #0 4 401-13723 CPU BOARD CPU ボード 1
143 #0 4 401-13004 SSD ASM(132) SSD 組(13 2) 1