维修手册_RX-7R_SVC.pdf - 第463页
第 5 章 设置图 5- 2. MC 板 设置 5- 2. MC 板设置 5-2- 1 . MC3 B OARD 设置 ( EZ 1857 6022 1 ) 【功能】 MC3 电路板利用 SDIO 通信、 CAN 通 信与配置在机 器内各装置的 控制电路板进 行通信。以 16Bit/33MHz 与 PCI 总线连接,进行 图像处理及运 动控制等,以 16B i t/ 33MHz 速度与 PC I BUS 连接,图像处 理以及 m o t…

第
5
章设置图
5-1. 主板设置
5-1.
主板设置
5-1-1. MOTHER BOARD
设置 (
40191456
)
【功能】
是控制装置整体的电路板。与其他电路板以 PCI 总线连接。
通过本电路板的串行端口,进行 ATX电源的状态监视、与操作面板的通信、与选项 CVS 的通信。
并且,通过 USB端口与配置在贴装头内部的 USB存储器进行通信。
【跨接连接器的设置】
JP11 : 1-2 short (Auto Power On 有效)
※其他的 JP 不需要设定。
【电池的更换】
不需要更换。
2

第
5
章设置图
5-2. MC 板设置
5-2. MC
板设置
5-2-1. MC3 BOARD
设置 (
EZ185760221
)
【功能】
MC3电路板利用SDIO通信、CAN通信与配置在机器内各装置的控制电路板进行通信。以16Bit/33MHz
与PCI总线连接,进行图像处理及运动控制等,以16Bit/33MHz速度与PCI BUS连接,图像处理以及
motion 控制等主板直接控制的以外部分,都是经由这块基板进行控制处理的。对本基板,主要的
CPU×1,供CAN使用的副CPU×2,FPGA×1被实际安装。
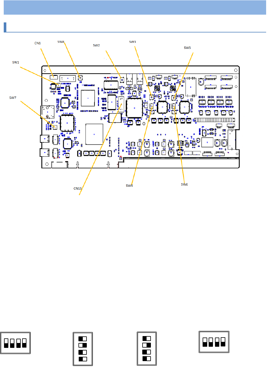
主 CPU固件的更新是将串行电缆连接到 CN1 或 RX-7 电气设备箱前面的 SIO连接器来进行。 CAN
用辅助 CPU的固件更新可以通过 RX-7的操作面板来进行。FPGA 的更新可以将专用的治具连接到
CN13 连接器上来进行。
【开关的设置】
拨码开关在交货时已设置好,更换电路板时请进行确认作业。
(■部表示开关的位置。)
1
2
3
4
O
N
SW1-1 : OFF
SW1-2 : OFF
SW1-3 : OFF
SW1-4 : OFF
SW1
1
2
3
4
ON
SW4-1 : OFF
SW4-2 : ON
SW4-3 : OFF
SW4-4 : OFF
SW4
1
2
3
4
ON
SW6-1 : OFF
SW6-2 : ON
SW6-3 : OFF
SW6-4 : OFF
SW6
1
2
3
4
O
N
SW7-1 : OFF
SW7-2 : OFF
SW7-3 : OFF
SW7-4 : OFF
SW7
3
第
5
章设置图
5-2. MC 板设置
【按钮开关】 ※这些开关基本上请不要操作。
SW2
(
FPGA RESET
) :
FPGA复位。
SW3
(
CAN1 RESET
) :
CAN1 的辅助 CPU 复位。
SW5
(
CAN2 RESET
) :
CAN2 的辅助 CPU 复位。
SW8
(
SH4 RESET
)
:
主 CPU复位。
【LED 的意义】
■从接通电源到应用程序程序启动期间的 LED亮灯标准
LED4 : 双端口存储器动作确认开始时,亮灯
双端口存储器动作确认结束时,熄灯
LED5 : CPU动作确认开始时,亮灯
CPU 动作确认结束时,熄灯
LED6 : FPU 动作确认开始时,亮灯
FPU 动作确认结束时,熄灯
LED7 : DDR-SDRAM动作确认开始时,亮灯
DDR-SDRAM 动作确认结束时,熄灯
自我診断处理中的错误内容通过 LED5 的闪烁次数来表示。
LED5 :DDR-SDRAM动作错误时,闪烁 2次
CPU 动作错误时,闪烁 4 次
FPU 动作错误时,闪烁 5次
双端口存储器动作错误时,闪烁 6 次
发生异常处理时的 LED 亮灯标准
发生异常处理时的错误内容通过 LED4 的闪烁次数来表示。
LED4 :命令地址错误、数据地址错误(Read),闪烁 2次
数据地址错误(Write),闪烁
3次
FPU 异常,闪烁 4 次
一般非法命令异常,闪烁 5次
批量非法命令异常,闪烁 6次
一般 FPU禁止异常,闪烁 7 次
批量 FPU禁止异常,闪烁 8 次
命令 TLB 失误异常、数据 TLB 失误异常(Read)、闪烁 9 次
数据 TLB 失误异常(Write)、闪烁 10 次
命令 TLB 違反安全异常
、
数据 TLB 違反安全异常
(
Read
)、
闪烁 11次
数据 TLB 違反安全异常
(
Write
)、
闪烁 12次
初始页写入异常,闪烁 13次
命令执行后用户断路,闪烁 14 次
无条件陷阱指令(TRAP),闪烁 15次
■应用程序启动后的 LED 亮灯标准
LED4 :检测到周期中断(正常时 每隔 1000ms闪烁)
4