TR6SNR_TR6SNV_TR6SNX-Rev04PDFA - 第31页
- - REF.NO NOTE PA RT NO D E S C R I P T I O N Qty 1 #01 E9100 -723-AA0 AC P OWER CABLE ASM. (CE) 1 2 400-44 994 AC POWER I NP UT CABLE ASM . 1 3 400-44 995 N FB OUTPUT C A BL E ASM. 1 4 400-44 996 N F INPUT CABLE ASM …

- -
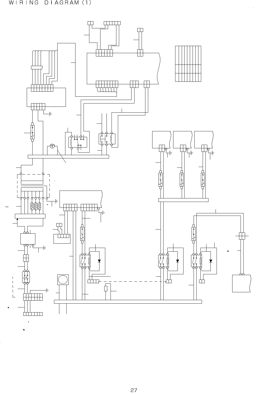
14. WIRING DIAGRAM (1)
1 2 _ 3 D
( C E )
1 2 _ 3 C
( C E )
1 2 _ 2 C
( C E )
1 2 _ 2 D
( C E )
+ 2 4 V R T N
+ 2 4 V R T N
+ 2 4 V
+ 2 4 V
+ 5 V
+ 5 V
G N D
G N D
D 4
C N 0 5 9 - B
1 _ 5 C
2
1
C N 6 7 - B
1 _ 5 B
4
3
D 3
6
5
D 1
2
1
M A I N 1 9
2
1
C N 0 5 9 - A
2
1
5
4
3
2
1
6
C N 0 6 7 - A
C N 0 6 5
1 _ 2 A
5
4
3
2
1
6
2
1
+ 2 4 V D
+ 2 4 V D
+ 2 4 V R T N
+ 2 4 V R T N
+ 2 4 V
+ 2 4 V
+ 5 V
+ 5 V
G N D
G N D
2 _ 1 A
N . C
33
5
1
6
7
2
3
8
4
5
1
6
7
2
3
8
4
5
4
3
2
1
1 _ 1 D
R L Y 6 _ O N [ N ]
+ 2 4 V D
C N 1 9
R L Y 5 _ O N [ N ]
R L Y 4 _ O N [ N ]
R L Y 3 _ O N [ N ]
+ 2 4 V D
C N 1 4
1 _1 B
2
1
6
R L Y 1 _O N [ N ]
+ 2 4 V D
+ 2 4 V R T N
A C _ P W R _ I N [ N ]
C N 2 0
C N 1 5
2
1
1
2
C N 0 7
M A I N P C B (1 / 8 )
2
1
2
1
M A I N 1 4
M A I N 2 0
M A I N 1 5
M A I N 0 7
C N 0 6 5
1 _ 5 B
2
1
43
21
G 3
G 4
3 _ 4 A
+
+
-
-
T B 2 ( 1 / 2 )
N
L
S R G A B S .
C
P
N
R L Y 6
6
2
8
4
L
3 AC P 7
S D R V 1
2
1
N
L
5 AC P 6
Y D R V 1
2
1
N
L
5 AC P 5
10
N
R L Y 5
6
2
8
4
L
X D R V 1
Z M P 1
Z M P 2
P S U 2P S U 1
C N 0 0 1
C N 0 0 2
3 _ 5 A
3 _ 2 C
3 _ 2 B
3 _ 2 A
2 _ 2 A
C N 0 0 2
B R
2
1
2
1
S .C. P(1 /2)
A C _ N
A C _ L
C N P 2
5
4
3
2
1
5
4
3
2
1
L 2 1
L11
D
C
P
C N P 1
6
5
4
3
2
1
P 2
P 1
N
L 3
6
5
4
3
2
1
F G
2
1
C N 1
A C
A C
2
1
C N 1
F G
A C
A C
2
1
2
1
N
L
T B 4
1
2
4
8
3
7
6
5
3 A
C P 1
1 _ 1 A
1 _ 1 A
A C - N
A C - L
1
8
4
0
6
2
R L Y 1
N
L
78
6
5
4
3
2
1
R L Y 2
N
L
N
L
P S U
C N 2
+ 2 4 V R T N
+ 2 4 V R T N
+ 2 4 V
+ 2 4 V
+ 5 V
+ 5 V
G N D
G N D
1
2
4
8
3
7
6
5
F G
N
L
C N 1
4
5
3
2
1
4
5
3
2
1
N
L
T B 1
J 0 0 9P 0 0 9J 0 5
0
1 0 0
T F
E
0
2 0 0
2 2 0
2 4 0
3 8 0
4 1 5
4 0 0
6
5
4
T B 0
0
2 0 0
2 2 0
2 4 0
3 8 0
4 0 0
4 1 5
N C
N F
E
3
2
1
1
2
1
2
N F B 1
7
1
2
3
4
5
6
7
1
2
3
4
5
6
7
1
2
3
4
5
6
R
E
S
T
3
A C 2 0 0 V
4 1 5 V
C N 1
5 AC P 4
N
L
S D R I V E R ( 1 / 2 )
Y D R I V E R ( 1 / 2 )
X D R I V E R ( 1 / 2 )
F G
A C
A CL
N
R L Y 3
6
2
8
4
T B 3
F A N M O T O R
L
N
F A N 1
Z M D R I V E R ( 1 / 2 )
L
F G
L 2
L 1
1 0 AC P 2
1 - 4 B A C - N
1 - 4 B A C - L
5
1
6
2
7
3
8
4
T A B L E 1
8
7
6
5
4
3
2
1
M A IN 0 7P S U 2
O M R O N
G 7 L - 2 A - B
D C 2 4 V
O M R O N
G 7 L - 2 A - B
D C 2 4 V
O M R O N
G 7 L - 2 A - B
D C 2 4 V
S U E N N L I A N G
P O T T E R & B R U M F I E L D
W 2 8 X Q 1 A - 3
P O T T E R & B R U M F I E L D
W 2 8 X Q 1 A - 5
P O T T E R & B R U M F I E L D
W 2 8 X Q 1 A - 5
P O T T E R & B R U M F I E L D
W 2 8 X Q 1 A - 5
P O T T E R & B R U M F I E L D
W 2 8 X Q 1 A - 1 0
M I T S U B I S H I
M R - R B 0 3 2
S A N Y O
F S 1 W 0 7 5 P
S A N Y O
F S 1 W 0 7 5 P
I S H I Z U K A
O R I E N T A L
M O T O R
M S S 4 2 5 - 4 0 1 W J
P O T T E R & B R U M F I E L D
W 2 8 X Q 1 A - 3
O M R O N
L Y 1 - A C 1 0 0 V
O M R O N
G 7 L - 2 A - B
D C 2 4 V
C O S E L
L E B 1 0 0 F - 0 5 2 4 - S
P O W E R L A M P
F U J I E L E
D R 2 2 D O L - H 3 G
A C 1 1 0
S P - T B S M - 1 I - 1 6 K V A
4 W - 2 5 ( 3 )
O K A Y A
3 S U P - H U 1 0 - E R - 6
M I T S U B I S H I
N F 3 0 - S W - C E / 2 P / 1 5 A
S A N Y O
F S 1 W 0 7 5 P
M I T S U B I S H I
M R - J 3 - 4 0 A 1
S A N Y O
1 0 9 S 0 8 5
1 5 0
2
3
4
5
6
7 1 3
1 4
1 5
1 6
1 8
1 7
1 9
2 1
2 2
2 0
2 3
2 4
2 5
2 6
2 7
2 8
2 9
4 9
3 0
3 4
3 1
3 2
3 3
3 5
3 6
3 7
3 8
3 9
4 0
4 1
4 2
4 3 5 1
4 4
4 5
4 6
4 7
4 8
I n s i d e o f T R 6 S
S I G N A L

- -
REF.NO NOTE PART NO D E S C R I P T I O N Qty
1
#01
E9100-723-AA0 AC POWER CABLE ASM. (CE) 1
2 400-44994 AC POWER INPUT CABLE ASM. 1
3 400-44995 NFB OUTPUT CABLE ASM. 1
4 400-44996 NF INPUT CABLE ASM. 1
5 400-46685 NF FG CABLE ASM. 1
6 400-46686 NF OUTPUT CABLE ASM. 1
7 400-44997 TF INPUT CABLE (415V) ASM. 1
8 400-44998 TF INPUT CABLE (400V) ASM. 1
9 400-44999 TF INPUT CABLE (380V) ASM. 1
10 400-45000 TF INPUT CABLE (240V) ASM. 1
11 400-45001 TF INPUT CABLE (220V) ASM. 1
12 400-45002 TF INPUT CABLE (200V) ASM. 1
13 400-45003 TF INPUT CABLE (0V) ASM. 1
14 400-45004 TF FG CABLE ASM. 1
15 400-45005 TF OUTPUT CABLE ASM. 1
16 400-45006 PSU INPUT CABLE ASM. 1
17 400-45008 POWER LAMP CABLE ASM. 1
18 400-45009 RELAY2 DRIVE CABLE ASM. 1
19 400-45010 RELAY2 I/O CABLE ASM. 1
20 400-45007 PSU OUTPUT CABLE ASM. 1
21 400-45011 RELAY1 INPUT CABLE ASM. 1
22 400-45012 RELAY1 OUTPUT CABLE ASM. 1
23 400-45013 RELAY1 DRIVE CABLE ASM. 1
24 400-46158 RELAY3-5 DRIVE RELAY CABLE ASM 1
25 400-45015 RELAY6 DRIVE CABLE 1 ASM. 1
26 400-45016 AC FAN MOTOR ASM. 1
27 400-45017 RESISTOR CABLE (ZM-G3,G4) ASM. 1
28 400-45018 RESISTOR CABLE (ZM-P,C) ASM. 1
29 400-45020 RELAY3 INPUT CABLE ASM. 1
30 400-46168 RELAY3,5 DRIVE CABLE 2 ASM. 1
31 400-45023 RELAY3 DIODE CABLE ASM. 1
32 400-45021 ZM DRIVER POWER CABLE(L1,L2) ASM 1
33 400-45024 ZM DRIVER FG CABLE ASM. 1
34 400-45025 SURGE ABSORBER ASM. 1
35 400-45033 RELAY5 INPUT CABLE ASM. 1
36 400-45035 RELAY5 DIODE CABLE ASM. 1
37 400-45034 RELAY5 OUTPUT CABLE ASM. 1
38 400-46159 X DRIVER POWER CABLE ASM. 1
39 400-45037 X DRIVER FG CABLE ASM. 1
40 400-45042 RELAY6 INPUT CABLE ASM 1
41 400-45045 RELAY6 DIODE CABLE ASM 1
42 400-45044 RELAY6 DRIVE CABLE 2 ASM. 1
43 400-45046 S.C.P. POWER CABLE ASM. 1
44 400-45043 RELAY6 OUTPUT CABLE ASM. 1
45 400-46160 Y DRIVER POWER CABLE ASM. 1
46 400-45039 Y DRIVER FG CABLE ASM. 1
47 400-46161 S DRIVER POWER CABLE ASM. 1
48 400-45041 S DRIVER FG CABLE ASM. 1
49 400-45019 ZM DRIVER POWER CABLE(L11,L21) ASM 1
50
#02
400-49751 AC PWR CABLE(TR6CE) ASM 1
51
#03
400-94582 S.C.P. POWER CABLE ASM(XL) 1

- -
15. WIRING DIAGRAM (2)
S H D
Z M P 3
Z M 2
M A I N 1 8
Z M 1M A I N 1 7
3 _ 1 A
1 _ 3 B1 _ 5 C
C N P 3
3
2
1
3
2
1
C N 2C N 1
C N 1 8
Z M _ B R K _ R L S [ N ]
+ 2 4 V D
2
1
S D
B A T
M D R
M D
M R R
M R
L G
P 5
F G
Z M D R I V E R ( 2 / 2 )
2
Z M
M O T O R
( L O W E R )
8
M A I N P C B ( 2 / 8 )
N . C
Z M _ D R V _ R D Y
Z M _ A L M
G N D
G N D
N . C
Z M _ L M T -
Z M _ L M T +
E M G
Z M _ C N T _ R S T [ N ]
N . C
N . C
N . C
N . C
N . C
Z M _ P U L S E
N . C
Z M _ Z [ N ]
N . C
N . C
G N D
N . C
G N D
N . C
N . C
N . C
Z M _ I N P
N . C
N . C
+ 2 4 V
+ 2 4 V
Z M _ A L M _ R S T [ N ]
N . C
N . C
N . C
Z M _ S V _ O N
N . C
N . C
+ 2 4 V
N . C
Z M _ D I R
N . C
N . C
Z M _ L B R
Z M _ L B
Z M _ L A R
Z M _ L A
L G
N . C
N . C
2
1
B R
M
E
W
V
U
C N 1 7
8
7
6
5
4
3
2
1
8
7
6
5
4
3
2
1
5 0
4 9
4 8
4 7
4 6
4 5
4 4
5 0
4 9
4 8
4 7
4 6
4 5
4 4
4 3
4 2
4 1
4 0
3 9
3 8
3 7
3 6
3 5
3 4
3 3
3 2
3 1
3 0
2 9
2 8
2 7
2 6
2 5
2 4
2 3
2 2
2 1
2 0
1 9
1 8
1 7
1 6
1 5
1 4
1 3
1 2
11
10
9
8
7
6
5
4
3
2
1
4 3
4 2
4 1
4 0
3 9
3 8
3 7
3 6
3 5
3 4
3 3
3 2
3 1
3 0
2 9
2 8
2 7
2 6
2 5
2 4
2 3
2 2
2 1
2 0
1 9
1 8
1 7
1 6
1 5
1 4
1 3
1 2
11
10
9
8
7
6
5
4
3
2
1
5 0
4 9
4 8
4 7
4 6
4 5
4 4
5 0
4 9
4 8
4 7
4 6
4 5
4 4
4 3
4 2
4 1
4 0
3 9
3 8
3 7
3 6
3 5
3 4
3 3
3 2
3 1
3 0
2 9
2 8
2 7
2 6
2 5
2 4
2 3
2 2
2 1
2 0
1 9
1 8
1 7
1 6
1 5
1 4
1 3
1 2
11
10
9
8
7
6
5
4
3
2
1
4 3
4 2
4 1
4 0
3 9
3 8
3 7
3 6
3 5
3 4
3 3
3 2
3 1
3 0
2 9
2 8
2 7
2 6
2 5
2 4
2 3
2 2
2 1
2 0
1 9
1 8
1 7
1 6
1 5
1 4
1 3
1 2
11
1 0
9
8
7
6
5
4
3
2
1
M I T S U B I S H I
H F - K P 4 3 B
1
2
3
4