TR6SNR_TR6SNV_TR6SNX-Rev04PDFA - 第53页
- - REF.N O NOT E PART N O D E S C R I P T I O N Qt y 1 400-4 5204 SA FETY REL AY UNIT C ABLE ASM. 1 2 400-4 5218 SRL Y POW ER CABLE (+) ASM . 1 3 400-4 5219 SRL Y POW ER CABLE (-) AS M. 1 4 400-4 5210 REL AY9 DRIV E C…

- -
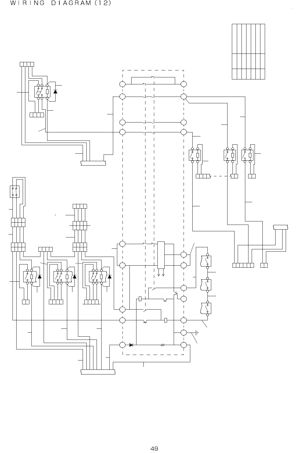
25. WIRING DIAGRAM (12)
1 _ 1 D
( C E )
1 _ 1 B
( C E )
5 _ 4 B
( C E )
1 0 _ 2 C
( C E )
5 _ 4 C
( C E )
C N 1 1 7
4
2
3
1
4
5 _ 5 B
( C E )
5 _ 5 C
( C E )
1
C N 1 0 7 - A
C N 0 5 9 - B
M Y 2 D C 2 4 V
M Y 2 D C 2 4 V
M Y 2 D C 2 4 V
G 7 S A - 3 A 1 B D C 2 4 V
G 7 S A - 3 A 1 B D C 2 4 V
G 7 S A - 3 A 1 B D C 2 4 V
G 7 S A - 3 A 1 B D C 2 4 V
O M R O N
O M R O N
O M R O N
O M R O N
O M R O N
O M R O N
O M R O N
R L Y 1 7
R L Y 1 6
R L Y 1 4
R L Y 1 2
R L Y 11
R L Y 1 0
R L Y 9
C N 0 7 2 - A
B R
1 41 3
8
R L Y 1 7
1 2
1 41 3
8
R L Y 1 6
1 2
1 41 3
8
R L Y 1 4
1 2 _ 2 B
R L Y 1 1
3 3 3 4
1 2 _ 2 A
R L Y 1 0
3 3 3 4
1 2 _ 2 A
1 0 _ 2 C
( C E )
D 8
R L Y 1 2
D 7
1 2 _ 2 C
1 2 _ 2 C
D 6
1 2 _ 1 C
4 4
4 3
3 4
3 3
3
2
C N 0 7 7
2 32 4
4 34 4
4
2
3
1
R L Y 1 1
1 0
2 32 4
4 34 4
4 34 4
D 5
1 _ 5 C
( C E )
1 _ 5 B
( C E )
C N 0 5 9 - A
2
1
C N 0 6 7 - A
6
5
4
2
3
1
1
0
4
2
3
1
5 _ 5 C
( C E )
2
1
C N 0 8 0
C N 0 7 2 - B
4
2
3
1
B R
C N 0 7 1C N 0 7 1
4
2
3
1
4
2
3
1
C N 0 7 0
C N 1 0 7 - B
4
2
3
1
4
2
3
1
R L Y 1 0
1 0
4
2
3
1
C N 0 6 9C N 0 6 8
4
2
3
1
4
2
3
1
4
2
3
1
4
2
3
1
C N 0 6 7 - B
T B 2
-
-
-
2
1
6
5
4
3
2
1
1 2
O M R O N
G 9 S A - 3 0 1
S R L Y
41
4 23 4
3 3
2 4
2 3
+
-
+
+
T B 2
1 4
1 3T 3 2
b
a
BA
C o n t r o l
C i r c u i t
T 3 1
R L Y 9
3 3 3 4
K 1
K 2
K 2
b
a K1
T 2 3 T 2 2T 2 1P E
T 1 2
A 2
T1 1A 1
-
+
-
-
-
R L Y 9
1 0
3 1
11
C O V E R O P E N S W
3 2
12
+
+
+
T B 2
1
2
3
4
5 6
1 8
1 9
2 0
2 3
2 1
2 2
7
8
1 1
1 2
1 3
1 4
1 7
9
1 0
1 5
1 6 3 7
2 7
2 6
2 8
2 5
2 4
2 9
3 4
3 3
3 1
3 6
3 5
3 0
3 2

- -
REF.NO NOTE PART NO D E S C R I P T I O N Qty
1 400-45204 SAFETY RELAY UNIT CABLE ASM. 1
2 400-45218 SRLY POWER CABLE(+) ASM. 1
3 400-45219 SRLY POWER CABLE(-) ASM. 1
4 400-45210 RELAY9 DRIVE CABLE ASM. 1
5 400-45212 RELAY10 DRIVE CABLE ASM. 1
6 400-45214 RELAY11 DRIVE CABLE ASM. 1
7 400-45215 RELAY9 I/O CABLE ASM. 1
8 400-45209 RELAY9 DIODE CABLE ASM 1
9 400-45205 COVER OPEN SW CABLE ASM. 1
10 400-45206 COVER OPEN SW ASM. 1
11 400-45216 RELAY10 I/O CABLE ASM. 1
12 400-45211 RELAY10 DIODE CABLE ASM. 1
13 400-45217 RELAY11 I/O CABLE 2 ASM 1
14 400-45213 RELAY11 DIODE CABLE ASM 1
15 400-45207 EMERGENCY SW(CNV) CABLE 1 ASM 1
16 400-45208 EMERGENCY SW(CNV) CABLE 2 ASM 1
17 400-45226 SRLY-T3 CABLE ASM. 1
18 400-45220 SRLY-FG CABLE ASM. 1
19 400-45221 SRLY-T21 CABLE ASM. 1
20 400-45222 RLAY9-10 CABLE ASM. 1
21 400-45224 SRLY-T22 CABLE ASM 1
22 400-45225 SRLY-AB CABLE ASM 1
23 400-45223 RLAY10-11 CABLE ASM. 1
24 400-45227 DOOR M OPEN SW CABLE ASM. 1
25 400-45231 SRLY-13 CABLE ASM. 1
26 400-45230 RELAY12 DRIVE CABLE ASM. 1
27 400-45293 RELAY12 I/O CABLE ASM 1
28 400-45229 RELAY12 DIODE CABLE ASM. 1
29 400-45237 SPLY-33 CABLE ASM. 1
30 400-46166 RELAY14,16 OUTPUT CABLE ASM. 1
31 400-46169 RELAY14,16 DRIVE CABLE ASM. 1
32 400-45240 RELAY14 INPUT CABLE ASM. 1
33 400-45242 RELAY16 INPUT CABLE ASM. 1
34 400-45243 RELAY17 INPUT CABLE ASM. 1
35 400-46167 RELAY17 OUTPUT CABLE ASM. 1
36 400-46170 RELAY17 DRIVE CABLE ASM. 1
37
#01
400-94583 EMERGENCY SW(CNV) CABLE 2 ASM(XL) 1

- -
26. WIRING DIAGRAM (13)
C N 1 5 4
C N 1 5 3
A N T M 2
4
3
4
3
2
1
2
1
I S Z S _ O R G [ N ]
I S C G _ L _ I N [ N ]
I S D O O R _ S _ L O C K [ N ]
I S D O O R _ M _ L O C K [ N ]
I S G N D
I S + 5 V
I S Z M _ O R G [ N ]
I S C G _ R _ I N [ N ]
I S D O O R _ M _ L O C K [ N ]
N.C.
I S G N D
I S + 5 V
S C N 1 5 1
C N 1 5 2
C N 15 1
I S S C N P C B ( r e p l a c e S C N P C B )
6
5
4
3
2
1
6
5
4
3
2
1
6
5
4
3
2
1
A N T M 1
G N D
I N o n l i n e
I N p o s i t i o n
+ 5 V
4
3
4
3
2
1
2
1
+ 2 4 V
A _ 4 8 5
+ 2 4 V R T N
B _ 4 8 5
4
3
2
1
4
3
2
1
4
3
2
1
4
3
4
3
2
1
2
1
5 0
2 5
4 9
2 4
4 8
2 3
4 7
2 2
4 6
2 1
4 5
2 0
4 4
1 9
4 3
1 8
4 2
1 7
4 1
1 6
4 0
1 5
3 9
1 4
3 8
1 3
3 7
1 2
3 6
11
3 5
1 0
3 4
9
3 3
8
3 2
7
3 1
6
3 0
5
2 9
4
2 8
3
2 7
2
2 6
1
5 0
4 9
4 8
4 7
4 6
4 5
4 4
4 3
4 2
4 1
4 0
3 9
3 8
3 7
3 6
3 5
3 4
3 3
3 2
3 1
3 0
2 9
2 8
2 7
2 6
2 5
2 4
2 3
2 2
2 1
2 0
1 9
1 8
1 7
1 6
1 5
1 4
1 3
1 2
11
10
9
8
7
6
5
4
3
2
1
5 0
4 9
4 8
4 7
4 6
4 5
4 4
4 3
4 2
4 1
4 0
3 9
3 8
3 7
3 6
3 5
3 4
3 3
3 2
3 1
3 0
2 9
2 8
2 7
2 6
2 5
2 4
2 3
2 2
2 1
2 0
1 9
1 8
1 7
1 6
1 5
1 4
1 3
1 2
11
10
9
8
7
6
5
4
3
2
1
5 0
2 5
4 9
2 4
4 8
2 3
4 7
2 2
4 6
2 1
4 5
2 0
4 4
1 9
4 3
1 8
4 2
1 7
4 1
1 6
4 0
1 5
3 9
1 4
3 8
1 3
3 7
1 2
3 6
11
3 5
10
3 4
9
3 3
8
3 2
7
3 1
6
3 0
5
2 9
4
2 8
3
2 7
2
2 6
1
M A I N 2 2
1 1 _3 D
B
B
B
B
B
B
B
B
B
B
B
B
B
B
B
B
B
B
B
B
B
B
B
B
B
2 5
2 4
2 3
2 2
2 1
2 0
1 9
1 8
1 7
1 6
1 5
1 4
1 3
1 2
11
10
9
8
7
6
5
4
3
2
1
A
A
A
A
A
A
A
A
A
A
A
A
A
A
A
A
A
A
A
A
A
A
A
A
A
I n s i d e o f T R 6 S
2 5
2 4
2 3
2 2
2 1
2 0
1 9
1 8
1 7
1 6
1 5
1 4
1 3
1 2
11
10
9
8
7
6
5
4
3
2
1
N . C
N . C
N . C
N . C
N . C
N . C
N . C
N . C
N . C
N . C
I / F + 5 V
I / F + 5 V
I / F + 5 V
I / F + 5 V
N . C
C _ O P E N
M T C _ E M G [ N ]
E M G
P O W E R _ O N [ N ]
R D Y [ N ] / B S Y 1
I / F G N D
R D Y / B S Y 0 [ N ]
I / F G N D
W R I T E 0 [ N ]
I / F G N D
W R I T E 1 [ N ]
I / F G N D
I / F G N D
W D A T A 7
W D A T A 6
W D A T A 5
W D A T A 4
I / F G N D
I / F G N D
W D A T A 3
W D A T A 2
W D A T A 1
W D A T A 0
I / F G N D
I / F G N D
R D A T A 7
R D A T A 6
R D A T A 5
R D A T A 4
I / F G N D
I / F G N D
R D A T A 3
R D A T A 2
R D A T A 1
R D A T A 0
M A I N P C B ( 9 / 9 )
J 0 4 J 0 1 0P 0 1 0 C N 2 2
M A I N S T A C K E R
A N T E N N A A R R A Y
2 0 M M 2 0 C O J I S C A N ,
I / FM T C / M T S I / F I / F
I / F
2 0
1 9
1 8
1 7
1 6
1 5
1 4
1 3
1 2
11
10
9
8
7
6
5
4
3
2
1
2 0
1 9
1 8
1 7
1 6
1 5
1 4
1 3
2 0
1 9
1 8
1 7
1 6
1 5
1 4
1 3
1 2
11
10
9
8
7
6
5
4
3
2
1
1 2
11
10
9
8
7
6
5
4
3
2
1
C N 4 2 2
1 2
11
10
9
8
7
6
5
4
3
2
1
1 2
11
10
9
8
7
6
5
4
3
2
1
E M G [ N ]
+ 2 4 V
C V _ O P [ N ]
+ 2 4 V
T x D -
T x D +
+ 2 4 V
R x D -
R x D +
M T C _ O P E N [ N ]
M T C _ E M G 2 [ N ]
P O W E R _ O N 2 [ N ]
C N 4 2 2
C N 1 5 4
C N 1 5 3
4
3
2
1
4
3
4
3
2
1
2
1
1 1 _ 3 D
I n s i d e o f T R 6 S
M A I N P C B ( 9 / 9 )
1
2
5
4
3
6
7
S C N 1 0 C N 1 0
1
2
3
1
2
3
D A R K : L
P O S I S EN S .
I N P O S I
G N D
O U T
V c c
G N D
Z S _ O R G [ N ]
+ 5 V
6
5
4
3
2
1
6
5
4
3
2
1
A L E P H , O J - 4 9 7 - A 1 7
8