YS88_kjh_e - 第4页
Confidential & Proprietary P A G E TERMINAL 3∼ AC220V 3∼ A C220V 3∼ AC 220V 3∼ AC 220V 1∼ AC220V 3∼ AC 220V 1:1.30KW( TOTAL) 1:1.30KW( TOTAL) 2:2.36KW( TOTAL) 1:1.36KW( TOTAL) 3∼ 200V 0-375Hz 3:0.48KW( TOTAL) 4:0.48K…
YS88
Over view
Control box
I/O conveyor -1-
I/O conveyor -2-
I/O conveyor -3-
Head
Camera unit sel.
Operation panel sel.
FIX24 feeder structure
FIX32 feeder structure
FES24 feeder structure
FES32 feeder structure
FIX24 feeder structure(S-ATS)
Ionizer assy option
Power transformer
Power circuit
Emergency circuit
Air circuit (YS88)
Air circuit (YS88)FES
Air circuit (YS88)
Air circuit (YS88)
Wiring parts list
Table of contents
Condential & Proprietary
P.1
P.2
P.3
P.4
P.5
P.6
P.7
P.8
P.9
P.10
P.11
P.12
P.13
P.14
P.15
P.16
P.17
P.18
P.19
P.20
P.21
P.22

Confidential & Proprietary
PAGE
TERMINAL
3∼ AC220V3∼ AC220V3∼ AC220V3∼ AC220V
1∼ AC220V
3∼ AC220V
1:1.30KW(TOTAL)
1:1.30KW(TOTAL)
2:2.36KW(TOTAL)
1:1.36KW(TOTAL)
3∼ 200V 0-375Hz
3:0.48KW(TOTAL)
4:0.48KW(TOTAL)
2:2.36KW(TOTAL)
dYTF
3:1.30KW(TOTAL)
STANDARD
sATS
2:2.36KW(TOTAL)
MOTOR:3∼ 220V
AC50/60Hz 20A(MAX)
DRIVER
OUTPUT:
AC50/60Hz 4.0A(MAX)
CONTROL:1∼ 100V
INPUT:
CONTROL BOX
DC24V
COMU
COMU
COMU
COMU
COMU
COMU
DC24V
DC24V2
DC24V
DC24V
DC24V
See Page 3-5
CN1-CN14 …Page 3
CN17-CN20…Page 4
DC24V21∼ AC100V
GS22 600W 27A
Power Supply
QF41 7A
1∼ AC100V
DC24V
GS21 300W 14A
Power Supply
QF21 7A
I/O CONVEYOR BOARD
(OPTION)
BARCODE READER
USB MEMORY
Each Motors
OPERATION PANEL SEL.
See Page 8
See Page 7
MULTI CAMERA UNIT
See Page 2
IONIZER ASSY(OPTION)
FAN
VALVE
SENSOR
CONVEYOR MOTOR 30W
SIGNAL TOWER
COVER S/W
EMG S/W
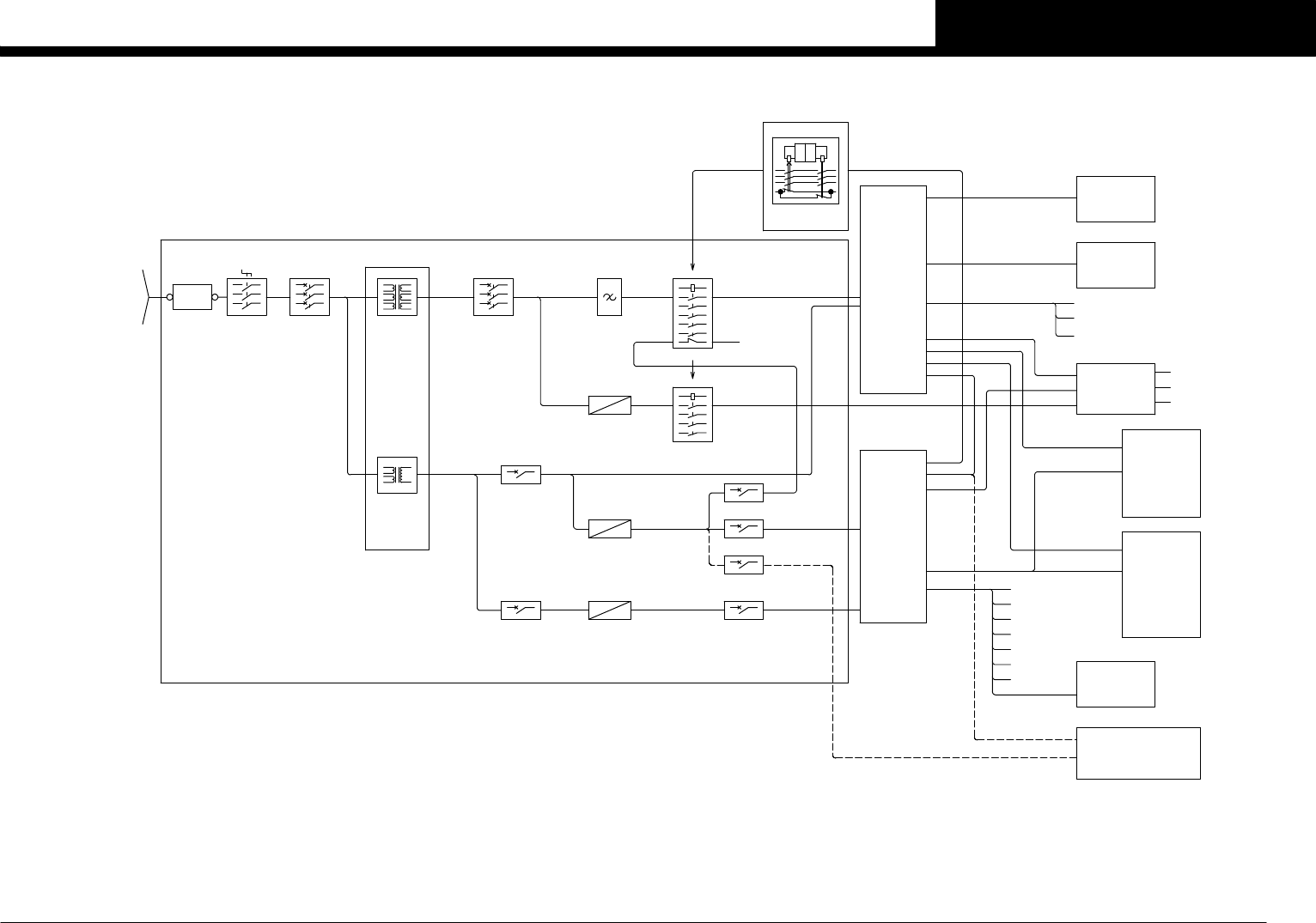
INTERCONNECTION DIAGRAM
See sATS,dYTF
sATS,dYTF
TRAY CHANGER(OPTION)
1∼ AC100V
KM12/KM12A
GS31 600W 7A
DC48VDC48V
Contactor
Peak 15.5A 10sec
Power Supply
KM11/KM11A
DRIVER
CONVEYOR MOTOR
EMERGENCY CIRCUIT
KM10
CH1CH2K2 K1
Safety Relay
QF26 4A
QF24 20A
POWER CIRCUIT
3∼3∼
1∼ AC100V
DC24VDC24V
QF23 12A
QF25 4A
Contactor
NF11
TC11
1.75KVA(with UPS)
1.5KVA(STD)
Noise
Filter
Circuit
Protector
TM11 1.7KVA
Transformer
Transformer
POWER TRANSFORMER
XB11
QS11 25A QF11 20A
Main Breaker
Main Switch
Terminal
380/400/416V
200/208/220/240
3∼ 50/60Hz
CN21-CN44…Page 5
F.FEEDER
See Page 9
FIX24
See Page 10
See Page 11
R.FEEDER
FIX24
See Page 9
See Page 10
FES32
See Page 12
See Page 13
FIX32
FES24
See Page 11
See Page 12
FIX24+sATS
FIX32
FES24
FES32
I/O HEAD
See Page 6
DC48V
DC24V
FAN
HEAD SENSOR,VALVE
Z,R SERVO MOTOR
COMU
DC24V2
COMU
DC24V2
COMU
DC24V2
See Page 16
See Page 15
See Page 17
See Page 14
Rating 6.1KVA MAX.
QF31 set5A
(4-6.3A)
CC.V6
1
OVER VIEW
YS88

Confidential & Proprietary
PAGE
EXT POWER
EXT.PWR
J0751
J0028
J0891
UPS
(OPTION)
POWER CIRCUIT
J0234,J0235 POWER CIRCUIT
CN27
See Page 5
I/O CONVEYOR BOARD
AIR REGULATOR PANEL
HA01
WIN BUZZER
BUZZER
J0119
AC100V
AC100V
J0007
J0009
AC100V
POWER CIRCUIT
PE
J0071
SRV2 GOOD
MO2
PI2
SRV2 BRAKE
TRG1
TRG2
SRV CMN
ENC
BRAKE
GOOD
MO(Y1,Y2,PU1,W1)
(Y1,Y2,PU1,W1)
GOOD
TRG1
TRG2
MO
SRV CMN
ENC
BRAKE
SRV1 GOOD
MO1
PI1
SERVO2
SERVO1
J0061
J0142
J0125
J0141
J0124
MO2
PI2
SRV2 BRAKE
TRG1
TRG2
SRV CMN
ENC
BRAKE
GOOD
MO
PI2
SRV2 BRAKE
TRG1
TRG2
SRV CMN
ENC
BRAKE
GOOD
MO
CAM1(HALF)
CAM2(FULL)
CAM3(HALF)
CAM4(FULL)
TRG1
TRG2
SRVA
SRVB
GOOD
I/O
V1 TRG1
I/F SRVB
I/F GOOD
IF1 I/O
VGA
VISION
INTERFACE
SYSTEM
J0501
J0502
J0507
J0530
J0135
J0121
J0101
V1CAM2
I/F1 SRVA
I/O CONVEYOR BOARD
See Page 3
J0102
I/O A
CN5
See Page 7
(OPTION)
MULTI CAMERA UNIT SEL.
SERIAL1
SERIAL1
SERIAL2
KEY
KEY
MOUSE
MOUSE
USB1
USB2
USB3
USB4
USB4 J0120
LAN
E.COM BOARD
READER
BARCODE
FRONTSYM1
SYM2
J0892
J0893
SI04
SI03
SI02
SI01
A43
BCR-F SYM
READER
BARCODE
REAR
A44
BCR-R SYM
DC5V
+5V
DC5V
+5V
IT OPTION(OPTION)
SERVO3
SERVO4
SRV4 GOOD
MO4
SRV4
SRV4
SRV1
J0136
J0137
SRV2
SRV3
SRV1
SRV2
SRV3
*sATS,dYTF
*dYTF
SRV3 GOOD
CN14
(DZ2,DY2,DS2,DX2)
(DZ2,DY2,DS2,DX2)
(DZ1/AZ1,DY1/AH1,DS1,DX1)
(DZ1/AZ1,DY1/AH1,DS1,DX1)
S1 TRG1
SRV1 BRAKE J0066
(X1,PU2,LW1,-)
(X1,PU2,LW1,-)
J0161 J0162
CN12
I/O CONVEYOR BOARD
See Page 3
sATS,dYTF(OPTION)
USB4
USB MEMORY
J0104
J0105
See Page 6
CAM SEL BOARD
I/O AI/O A
I/O B
I/O C
LW1P
LW1M
C/R GOOD
OPERATION PANEL SEL
See Page 8
M02
M03
Y1P
Y1M
Y2P
Y2M
Y2P
Y1P
J0131
J0130
Y1-AXIS 1KW
Y2-AXIS 1KW
M04
PU1P
PU1M
PU1 BK
PU1P
J0129
PU1-AXIS 200W
□54 MAX 1500rpm
□86 MAX 4500rpm
□86 MAX 4500rpm
□42 MAX 500rpm
W1P
W1M
W1 BK
W1P
J0128
M06
W1-AXIS 100W
M05
PU2-AXIS 200W
□54 MAX 1500rpm
PU2P
PU2M
PU2 BK
PU2P
J0132
PU2M
J0144
W-PU(OPTION)
X1M
X1P
J0126
X1P
M01
X-AXIS 750W
DUCT Y
FLEXIBLE
X1M
X1P
J0143
J0127
□86 MAX 4500rpm
sATS,dYTF(OPTION)
See sATS,dYTF
INTERCONNECTION DIAGRAM
J0503 or J0508
SS FEEDER F1&F2
SS FEEDER R1&R2
AC220V
SRVB1
SRVB2
I/O HEAD BOARD
See Page 6
AC220V
AC220V
See Page 9-13
See Page 9-12
See Page 16
See Page 16
See Page 16
S/M
PC
CABLE HOST(OPTION)
S/M
VGA CALIBRATION UNIT(OPTION)
See Page 3
J0886
CONTROL BOX ASSY A1
LCD PWR
DC12V
CC.V6
2
CONTROL BOX
YS88