3471_01 - 第113页
Illustrated Parts Breakdown 1-113 Programmable Squeegee Assembly 1005488 (4 of 6) 112 112 27 84 61 84 84 61 84 78 78 47 97 97 97 97 See next page 27 47 See next page 92 92 120 98 To Front Clamps To Rear Clamps Air in Fro…

Ultraprint 2000 Hi
E
Series Illustrated Parts Breakdown/Engineering Drawings
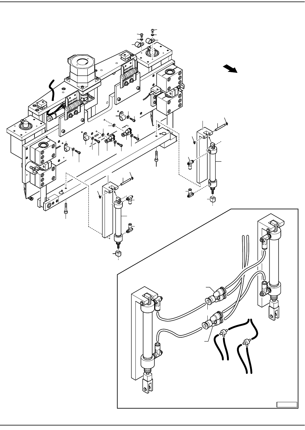
1-112
Programmable Squeegee Assembly 1005488 (3 of 6)
Cut away
to show
mounting
holes
46
73
73
100
99
59
15
116
133
116
17
112
132
101
101
18
1005488_3
100
bearing
pressed in
from rear
to prevent
damage
bearing
pressed in
from rear
to prevent
damage
thicker
99
thinner
19
46
73
59
15
101
Enlarged for clarity
Shown on previous page
*
*
66
119
117
117
102
1
101
101
A
B
B
A
Front of
Printer

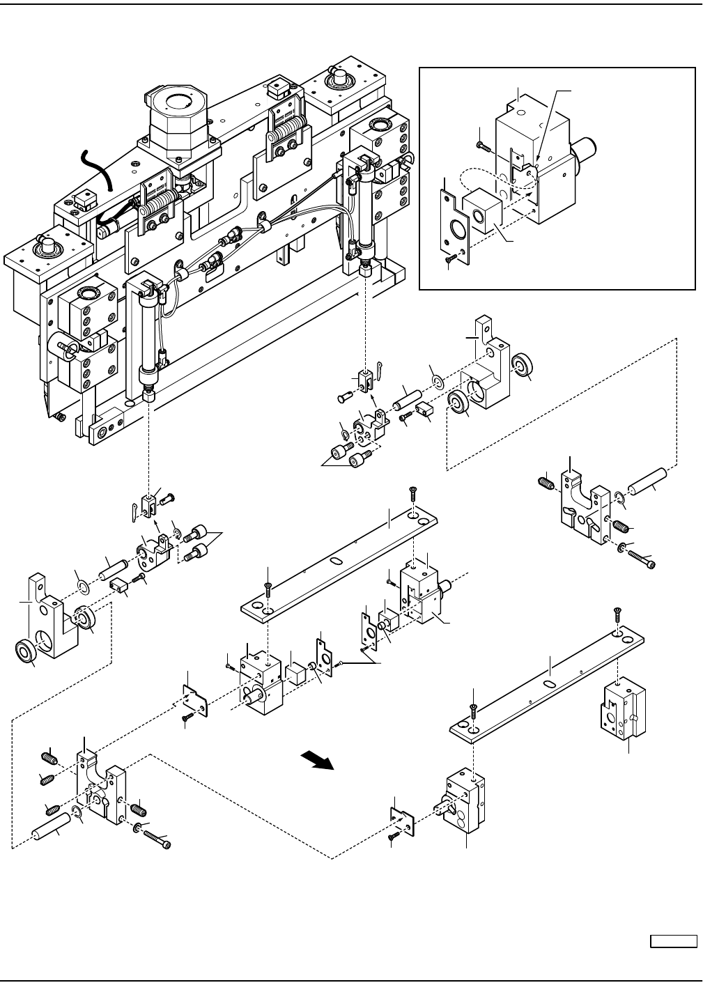
Illustrated Parts Breakdown
1-113
Programmable Squeegee Assembly 1005488 (4 of 6)
112
112
27
84
61
84
84
61
84
78
78
47
97
97
97
97
See next page
27
47
See next page
92
92
120
98
To Front Clamps
To Rear
Clamps
Air in
From
CA-378
Air in
From
CA-378
Pneumatic
Routing
Note: P-Clamps not shown in this detail for clarity
1005488_4
See Sheet 6 for connections
92
Extend
Retract
130
130
109
109
98
98
120
65
64
115
110
115
110
118
120
118
115
110
Front of
Printer

Ultraprint 2000 Hi
E
Series Illustrated Parts Breakdown/Engineering Drawings
1-114
Programmable Squeegee Assembly 1005488 (5 of 6)
1005488_5
3
3
24
23
96
96
68
68
29
25
62
118
62
28
75
28
75
29
118
62
62
26
Ball Plungers( #87) and
Detent Plates (#50,#51) installed on this side only
*
44
72
85
85
44
72
85
87
33
85
87
*
*
113
124
Cut away to show
mounting hole location
Installation
is mirrored for
Right Side Assembly
Block (#42)
Typical for all 4 Assembly Blocks
*
51
123
22
122
*
42
7,9,42,80,121,122
6,8,48,80,121,122
50
123
7
80
9
48
See detail above
121
121
6
8
6,80
122
48
8
22
80
122
33
121
122
See
next
page
See
next
page
Rear Assembly
Front Assembly
113
124
Front of
Printer